维修手册 - 第72页
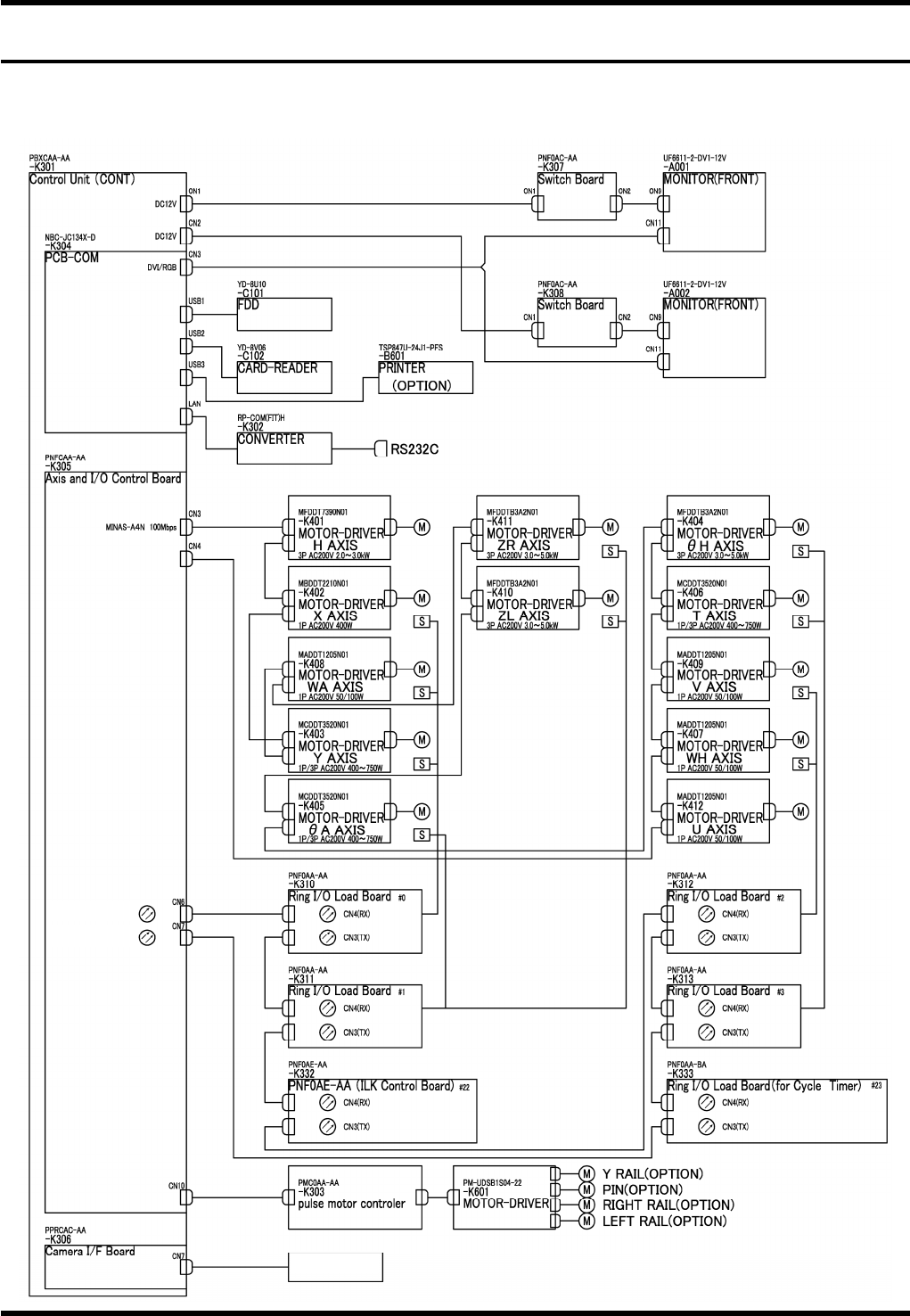
AV131 维修手册 4.1 控制系 统配置 D79MCC-14- 020-A0 4.1- 1 4.1. 控制系统配置 D79MC C-14- 0 20- A0 4.1. 1 控制系统框图 孔位置照相机 环状 I/ O 的发送 环状 I/ O 的接收

AV131
维修手册
4. 控制系统
D79MCC-14-000-A0
4-2
D79MCC-14-000-A0
4. 控制系统
本章用图解对控制系统进行说明。

AV131
维修手册
4.1 控制系统配置
D79MCC-14-020-A0
4.1-1
4.1. 控制系统配置
D79MCC-14-020-A0
4.1.1 控制系统框图
孔位置照相机
环状 I/O 的发送
环状 I/O 的接收

AV131
维修手册
4.1 控制系统配置
D79MCC-14-020-A0
4.1-2
4.1.2 控制装置配置图
前面
后面
维修开关
紧急停机开关
AC 伺服电机驱动器
脉冲电机驱动器
启动开关
打印机
主开关
主控制器
启动开关
紧急停机开关
紧急停机开关
变压器盒
AC 伺服电机驱动器
启动开关