00195962-03_MM SWS-DE - 第21页
21 SIPLAC E Wa fer S ystem (SW S) - r ear vi ew [1] Grundr ahmen [2] Barcodes canner je nac h Konfigurat ion en tweder am Wafer - Wec hsler od er am G reifer Die Druckl uftvers orgung d es SW S erfolgt direkt dur ch den …

20
Baugruppenübersicht des SWS
Das SWS besteht aus den folgenden Hauptbaugruppen.
SIPLACE Wafer System (SWS) - seitlich
[1] Greifer [2] Flip-Unit
[3] Einbauplatz für Optionen (Die-Attach Unit oder Linear Dipping Unit)
[4]
Die-Ejector (Ausstechsystem) [5] Versorgungseinheit (PC, Vakuum- Pumpe)
[6] XY Unit [7] Wafer Wechsel System (Magazin-Lift)
[8] Stützfuß (eingeklappt)

21
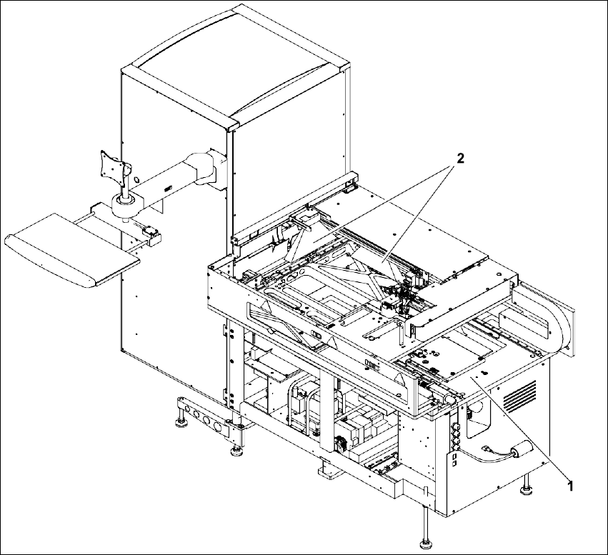
SIPLACE Wafer System (SWS) - rear view
[1] Grundrahmen [2] Barcodescanner je nach Konfiguration entweder am
Wafer-Wechsler oder am Greifer
Die Druckluftversorgung des SWS erfolgt direkt durch den Bestückautomaten (siehe Betriebsan-
leitung). Für die Vakuumversorgung ist das SWS mit einer eigenen Vakuumpumpe ausgestattet.

22
Instandhaltungsplan
Als Grundlage für unsere Instandhaltungsintervalle nehmen wir folgende Maschinen-Auslastung
an:
acht Stunden pro Schicht, drei Schichten pro Tag, fünf Tage die Woche, vier Wochen pro Monat.
HINWEIS
Die "tägliche Instandhaltung" bzw. "Instandhaltung nach jeder Schicht" sind Reinigungsarbeiten
und somit Bestandteile der Maschinen-Bedienung. Diese muss bei Bedarf erledigt werden,
z.B. der Abfallbehälter muss je nach Abfallmenge mehrmals am Tag geleert werden.
Instandhaltungsplan nach Intervallen
Intervall
Tätigkeit
Kapitel
Arbeitsmittel/Ersatzteil
1 Tag
Abwurfbehälter leeren und Pipettenwechsler
absaugen
3.7.1
Staubsauger
1-Woche
Abblasdruck-Manometer für Die-Attach-Unit
und Flip-Unit prüfen
3.7.2
Spiegel
Die-Attach-Unit
Mitnehmer reinigen und auf Leichtgängigkeit
prüfen
3.9.1
Äthylalkohol, Reinigungsstäb-
chen, fusselfrei
Flip-Unit
Kulisse / Mitnehmer reinigen
3.11.1
Äthylalkohol, Reinigungsstäb-
chen, fusselfrei
Greifer
Greiferbacken reinigen
3.12.1
Äthylalkohol, fusselfreies Tuch
Magazin-Lift
Frame-Abfrage reinigen
3.13.2
optisches Tuch
Magazin-Lift
Magazinauflage absaugen
3.13.1
Staubsauger, Pinsel
Wafer-Tisch
Auflagleiste für Wafer-Rahmen reinigen und
auf Schürfstellen achten
3.17.1
Äthylalkohol, fusselfreies Tuch
1-Monat
Ausstechsystem
Vakuumkappe reinigen
3.8.2
Druckluft, fusselfreies Tuch,
evt. etwas Äthylalkohol
Greifer
Führungen reinigen
3.12.2
SIPLACE-Reinigungstuch
Greifer
Lager und Mitnehmernut am Sensorhebel
schmieren
3.12.3
Sprühfett Aerosol