00198171-02_Technical_Training_FSE_TX-Series_EN - 第102页
7 Power Supply 7.7 SMPS diagnostic 102 Technical Training FSE SIPLACE TX-Series 01/2018 7.7 SMPS diagnostic The diagnostics function in the station software provides easy monitoring of the machine voltage status. The fol…

7 Power Supply
7.6 Function Description of Individual Assemblies SMPS TX
Technical Training FSE SIPLACE TX-Series 01/2018 101
7.6.5 Power Supply (SMPS) - Measuring & Testing 300VDC
NOTICE
Before measuring, please read the service manual.
●
The 300VDC from PS1 (IN) can be measured between X303 (300VDC) and X305 (GND).
●
The 300VDC from the CAP1 (OUT) can be measured between X304 (300VDC) and X305
(GND).
1. Measure socket X303
2. Measure socket X304
3. Measure socket X305
NOTICE
Measurement is always performed at the reference point X305 (GND)!
The measurement should be performed using a suitable mains voltage tester as we are
dealing with 300VDC.
Make sure that you do not touch the measuring tips of the measuring devices under any cir-
cumstances.

7 Power Supply
7.7 SMPS diagnostic
102 Technical Training FSE SIPLACE TX-Series 01/2018
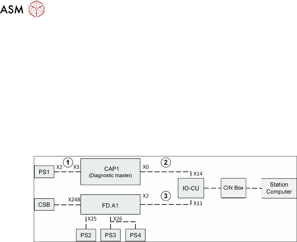
7.7 SMPS diagnostic
The diagnostics function in the station software provides easy monitoring of the machine voltage
status.
The following analysis and monitoring options are possible:
●
Monitoring of power pack PS1 and capacitor battery CAP
●
Monitoring of safety states on the CSB
●
Monitoring of intermediate circuit voltages placement heads 160VDC on the FD
●
Monitoring of voltages 42VDC / 28VDC / 24VDC on the FD
For monitoring the power pack voltages and the fuses on the CAP & FD above, there are also two
additional diagnostics circuits within the SMPS, these two diagnostics circuits are combined on the
IOCU and transferred to the station computer from there.
The connections 1, 2 and 3 are used only to pass on diagnostics data and are therefore essential if
the diagnostics function is to work properly.
●
In order for the diagnostics GUI to function properly, the SMPS cables must be connected cor-
rectly. In case of troubleshooting ensure that all cables are connected correctly. If machine
controller does not receive any diagnostics data for the capacitor battery (e.g. malfunction or
missing cable connection), no diagnostics information will be shown for the FD also!
The Diagnostics Master is a fixed part integrated in the CAP1; it evaluates the information from the
entire PS1-CAP1 assembly as needed for diagnostics.
In addition, the data from the CAP1 capacitor battery (charging status, temperature, backup stor-
age capacity, working time) are queried by the Diagnostics Master.
FD.A1 collects all diagnostics data for the low voltage monitoring (from PS2/PS3/PS4 / fuses on
FD) and safety logic (from CSB). The diagnostics data is then sent from the FD to the IOCU.
The information about the 160VDC is also queried for the intermediate circuit voltage of the place-
ment heads. This takes place via the logic on fuses F19 and F20.
7.8 Safety control
Safety control of output voltages is provided by unit CSB (Contactor based Safety Breaker), which
consists of two functional units:
1. Circuit Safety Contact Breaker Unit
2. Pre/discharge board –A2, for monitoring and suppressing the load current of the main axes.
The unit provides functionality for,

7 Power Supply
7.8 Safety control
Technical Training FSE SIPLACE TX-Series 01/2018 103
●
Safety control of output voltages 300/160/42 and 24 V
●
Pre-charge external capacitors (300 and 160V lines) within 1s, to avoid unauthorized current
loads on connection when switching on output voltages
●
Discharge external capacitors (300 and 160V lines) within 1s to a value below 60V when
switching off output voltages
●
State signaling to Fuse Diagnostic unit located at FD.A1
●
Power enabled signal to MGCU, HCU and conveyor units
Unit is made of a baseplate that carries contactors and wiring, covered by a PCB carrying all con-
nectors and interfacing
CAUTION
In case of a faulty unit the complete unit needs to be exchanged.