00198171-02_Technical_Training_FSE_TX-Series_EN - 第104页

7 Power Supply 7.8 Safety control 104 Technical Training FSE SIPLACE TX-Series 01/2018 CSB Assembly (Safety Relays ) Overview Pre/ discharge board – A2 1. DC Power input 2. Safety Relays connector 3. Discharge resistors …

100%1 / 168
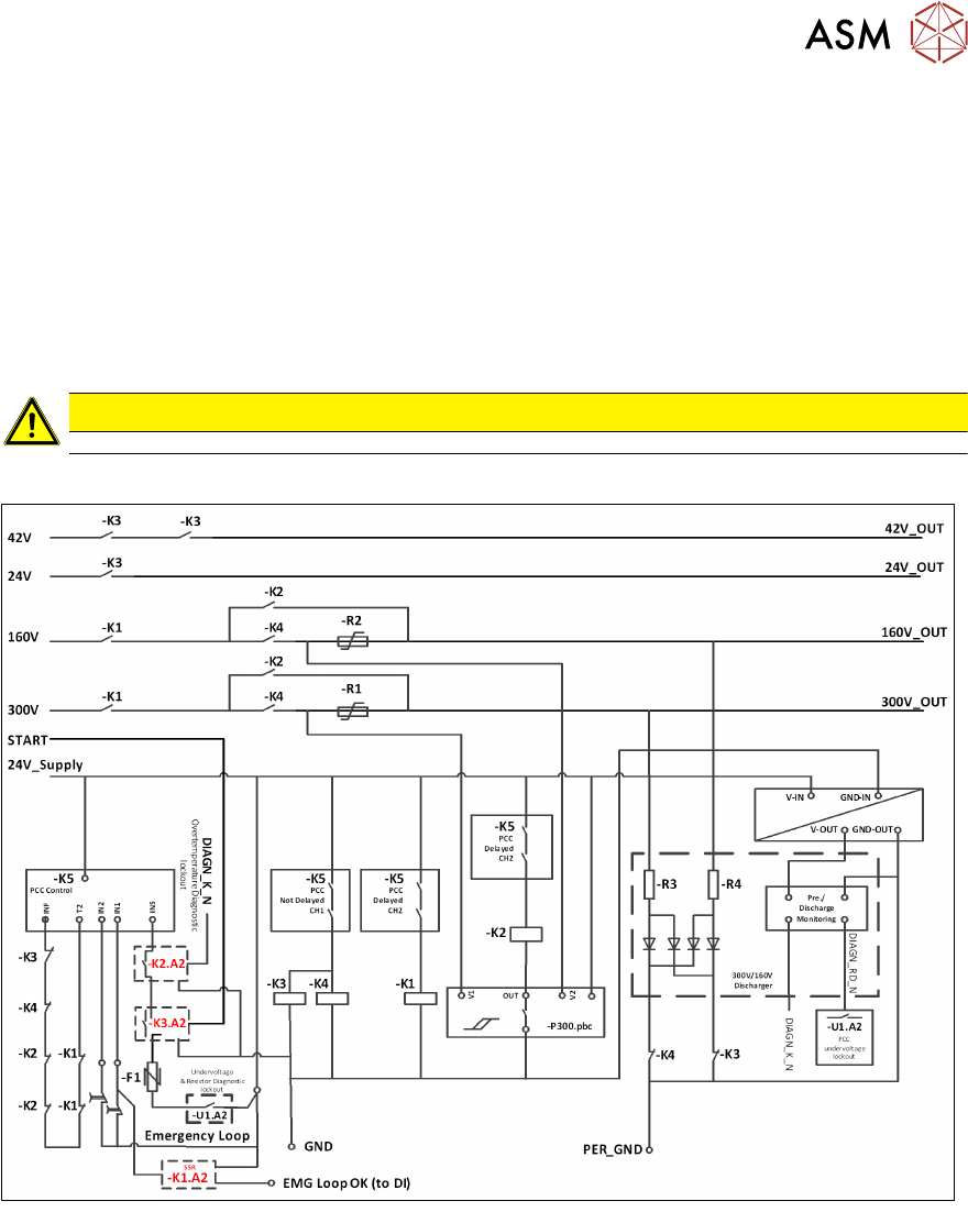
7 Power Supply
7.8 Safety control
Technical Training FSE SIPLACE TX-Series 01/2018 103
Safety control of output voltages 300/160/42 and 24 V
Pre-charge external capacitors (300 and 160V lines) within 1s, to avoid unauthorized current
loads on connection when switching on output voltages
Discharge external capacitors (300 and 160V lines) within 1s to a value below 60V when
switching off output voltages
State signaling to Fuse Diagnostic unit located at FD.A1
Power enabled signal to MGCU, HCU and conveyor units
Unit is made of a baseplate that carries contactors and wiring, covered by a PCB carrying all con-
nectors and interfacing
CAUTION
In case of a faulty unit the complete unit needs to be exchanged.
7 Power Supply
7.8 Safety control
104 Technical Training FSE SIPLACE TX-Series 01/2018
CSB Assembly (Safety Relays )
Overview Pre/ discharge board – A2
1. DC Power input
2. Safety Relays connector
3. Discharge resistors
4. 300V link output connectors
5. Functional grounding (PE)
6. Low voltage distribution (FD.A1)
DANGER
Do not open. The unit is completely housed to protect user from dangerous voltages complete
assembly available as a spare part
7 Power Supply
7.9 Cable harness interface
Technical Training FSE SIPLACE TX-Series 01/2018 105
Start sequence:
Rising edge on input “Start” trigger K3.A2 and - if all contactors cut out (Test loop of K5 ok) and no
error from Pre-/discharge monitoring circuit, and all safety loop is close (cover, table E-stop - the
start circuit of the SSK (protective contactor combination K5) K1, K3 and K4 activate without delay
–> 24 V_S and 42V_S are switched on, safety loop closed, charge phase is initiated for the 300V
and 160V voltages (R1 and R2 suppress the charging current). A voltage comparator detects the
end of the pre-charge phase at 300V and 160 V before connects K2 through.
Stop sequence:
After opening the emergency STOP loop, contactors K3 and K4 immediately cut out (42V_S and
24V_S are switched off).
K1 and K2 cut out after the set delay time (T_STOP). The contacts of the de-energized contactors
K3 and K4 discharge the output voltages, together with the discharging resistors R3 and R4..
Due to needs of MGCU (active breaking) stop
category 1 (delayed cut off) is implemented.
Delay time is adjusted at Safety relays and must
be in the range of 140 and 200 ms. Every unit
supplied is adjusted and tested so there are no
adjustments to be done.
7.9 Cable harness interface
Fuse & Distribution Connector Field (FDC)
1. -X5 Mate.-N-Look 9pol FDJ 1&2 DC 27 V
2. -X8 Mini-Mate.-N-Look 6pol DC 24/ 48 V IC & FC-camera
3. -X9 Mini-Mate.-N-Look 6pol DC 24 V/ PCI & Monitor
4. -X14 Mate.-N-Look 9pol Conveyor
5. -X11 Mini-Mate.-N-Look 6pol Trailing interface 1
6. -X12 Mini-Mate.-N-look 6pol Trailing interface 2
7. -X8A Mate.-N-Look 6pol Trailing interface 1 & 160 V
8. -X8B Mate.-N-Look 6pol Trailing interface 2 & 160 V
ELS
1. -CAN1 Sub D 9pol
2. -CAN2 Sub D 9pol
3. -CAN3 Sub D 9pol
4. -CAN4 Sub D 9pol
5. PEMS PEMS
6. -X102 Mate.-N-Look 4pol AC 400 V Power_supply
Distributor Connector Field (DIC)