KE-2070_80_80R_Operation_Manual2_Rev10_C - 第24页
操作手册Ⅱ 1-12 1-4-1-3 吸嘴 1) 吸嘴的形状 请按照贴装元件形状及尺寸,从No.500、501、502、503、504、505、506、507、508C、 509中选择吸嘴。 表 1-4-1-3-1 吸嘴 No. 500 501 502 503 504 505 506 507 508C 509 外 观 外 径 1.0x0.5mm 0.7x0.4mm φ 0.7mm φ 1.0mm φ 1.5mm φ 3.5mm φ 5.…

操作手册Ⅱ
1-11
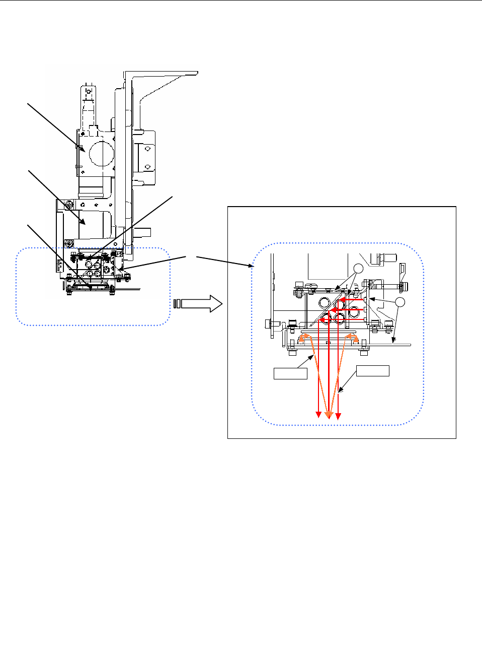
1-4-1-2 ATC单元(Auto Tool Changer 自动工具交换)的构成
由气缸④来开、关滑动板②,保管并装卸吸嘴⑧。
滑动板②的开、关,由ATC OPEN(打开)传感器⑥、ATC CLOSE(关闭)传感器⑦来检测。
① ATC 基座 ⑥ ATC OPEN 传感器
② 滑动板 ⑦ ATC CLOSE 传感器
③ ATC 板 ⑧ 吸嘴
④ 空气汽缸 ⑨ 5接口切换电磁阀
⑤ 速度控制器 ⑩ ATC 编号
⑥⑦
③
④
②
⑧
⑤
⑨
⑩
①
ATC 编号
1~36

操作手册Ⅱ
1-12
1-4-1-3 吸嘴
1) 吸嘴的形状
请按照贴装元件形状及尺寸,从No.500、501、502、503、504、505、506、507、508C、
509中选择吸嘴。
表 1-4-1-3-1 吸嘴
No.
500 501 502 503 504 505 506 507 508C 509
外
观
外
径
1.0x0.5mm 0.7x0.4mm φ0.7mm φ1.0mm φ1.5mm φ3.5mm φ5.0mm φ8.5mm φ9.5mm 0.4×0.2mm
内
径
2xφ0.4mm φ0.25mm φ0.4mm φ0.6mm φ1.0mm φ1.7mm φ3.2mm φ5.0mm φ8.0mm φ0.1mm
2) 吸嘴的选择方法
可通过“ATC吸嘴分配”自动识别吸嘴。手动输入要准确选择,防止吸取不良、贴片精度不
良。
主要用途元件的吸嘴序号见表1-4-1-3-2,为提高精确性,请根据贴片元件吸取面的最小尺
寸选择吸嘴编号。
表 1-4-1-3-2 吸嘴 No.和最小宽度对照表
吸嘴 No. 最小尺寸
(W)mm
主要适用元件
500
501
502
503
504
505
506
507
508C
509
0.45~1.45
~0.45
0.45~0.75
0.75~1.45
1.1~2.5
2.5~4
4~7
7~10
10~
0.2
1005,1608,SOT(模部 1.6×0.8),2012<注>
0603
1005
1608、SOT(模部 1.6×0.8),2012
SOT(模部 2.0×1.25)
2012、3216、SOT(模部 2.0×1.25)SOT23,
铝电解电容(小) 钽电容,微调电容
铝电解电容(中) SOP(窄幅),SOJ,连接器
铝电解电容(大) SOP(宽幅),TSOP,QFP,
PLCC, SOJ, 连接器
QFP,PLCC
0402 专用
注:因 2012R 的吸取面形状(厂商及电阻值不同等),有时θ会有偏差。
需要进行 2012 元件的高密度贴片(邻接 0.3mm 以下)时,请使用 504 吸嘴。

操作手册Ⅱ
1-13
1-4-1-4 OCC的构成
用摄像机检测出基板标记的位置,并自动进行校正。
标准配备有同轴反射照明与偏光滤光片。
【OCC 单元的各部分名称】
②
①
④
⑤
① CCD 摄像机
② OCC 镜头
③ OCC 照明单元
④ 偏光滤光片
⑤ 照明 LED 基板
垂直照明
角度照明
4
5
③