KE-2070_80_80R_Operation_Manual2_Rev10_C - 第368页
操作手册Ⅱ 5-7 1) 请目检确认贴片头单元正面部过滤器箱内的空气过滤 器没有脏污。 ✎ 检查过滤器脏污的方法 ✎ 在主画面上选择「维护」→「机器自动校准」 ,再执行 「设置组」→「真空校准」 。 (参见「11-2-5 真空校准」 ) 执行结果若有问题,会显示提示,敦促更换。 2) 有脏污时,请更换新过滤器。 1) 把过滤器箱的「固定螺丝②」拧松,取下「过滤器箱 U①」 。 2) 检查「过滤器③」有无脏污。 3) 若有脏污,请把「过滤…

操作手册Ⅱ
5-6
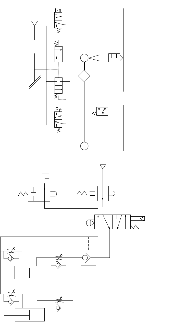
(2)管道系统图(贴片头)
Blow-Sw
P
φ8
Vac-Sw
エジェクタ
フィルタ
圧力センサ
ノズル
(3)管道系统图(统一更换台,4处通用)
φ6
P
ローラレバー
ローラレバー
セレクタ
パイロットチェック弁
φ6
φ6
φ6
φ6
φ6
喷射泵
φ8
过滤器
压力传感器
吸嘴
调谐旋钮
先导检查阀
φ6
φ6
φ6
φ6
φ6
滚筒杆
滚筒杆
φ6

操作手册Ⅱ
5-7
1) 请目检确认贴片头单元正面部过滤器箱内的空气过滤
器没有脏污。
✎检查过滤器脏污的方法✎
在主画面上选择「维护」→「机器自动校准」,再执行
「设置组」→「真空校准」。(参见「11-2-5 真空校准」)
执行结果若有问题,会显示提示,敦促更换。
2) 有脏污时,请更换新过滤器。
1)
把过滤器箱的「固定螺丝②」拧松,取下「过滤器箱 U①」。
2) 检查「过滤器③」有无脏污。
3)
若有脏污,请把「过滤器箱 L④」中的「过滤器③」更换下来。
4)
把「过滤器③」插入「过滤器箱 L④」,差到底,用「固定螺丝②」固定好。
此时,请确认
「O 环 F2⑤」是否正好套进「过滤器箱 L④」的沟里。
检查项目
5-2-5 空气过滤器(LNC60、IC头共通)
实施频度 :每月
检查内容 检查空气过滤器脏污
更换 更换新的空气过滤器 使用工具 :六角扳手 更换标准: 6 个月
③
④
②
⑤
过滤器③ 货号:40046646
①

操作手册Ⅱ
5-8
1) 请检查传送带有无明显的磨损、破损、松弛。
2) 有磨损、破损等时,请更换新的传送带。
1)把安装在 A 部位长孔中的“传送滑轮(前后 2 处)”松开,放松传送带的张力。
A
A
A
2) 请从传送滑轮上拆下传送带,进行更换。
A
B
200mm
201mm
搬送ベルト
3) 请调整传送带的张力。
① 在传送带处于松弛状态时(在传送带上没有张力的状态),用“油性笔”在传送带上平坦部分“B”
间距200mm处做2处标记。
② 按照与1)相反的步骤,转动“A部”的“传送滑轮”,撑紧传送带张力,在2处标记的间距达到
201mm的位置时拧紧传送滑轮。
③ 安装完毕后,执行「手动控制」数分钟,检查有无异常声音、脱落等问题。
④ 1周以后再检查1次张力。
〈传送带货号〉
IN、OUT 用
选项
基板尺寸 中心用
标准
传送延长 150mm 传送延长 250mm
M 40000864
L
40000863 40011058 40011065
L-Wide 40000790 - -
E
40001070
40001860 - -
检查项目
5-2-6 传送带
实施频度 :每周
检查内容 检查传送带的磨损、破损、松弛
更换 更换传送带
使用工具:
螺丝刀、扳钳
更换标准 : 1 年
传送带