文档中心
/
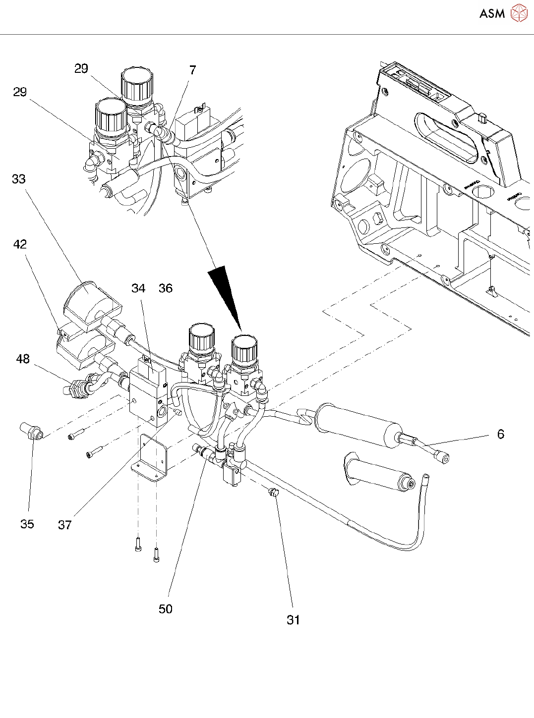
Glue Feeder_074415
Glue Feeder_074415 - 第5页
Glue Feeder Page 5 / 9 16.09.2021
目录
100%
显示:宽度
宽度
1 / 9
回到旧版
旧版
?
Glue Feeder
Page 4 / 9
16.09.2021
Glue Feeder
Page 5 / 9
16.09.2021
Glue Feeder
Page 6 / 9
16.09.2021
该页面需要启用 JavaScript 才能进行交互式预览。