德森精密印刷机-操作说明书-中文版(3) - 第61页
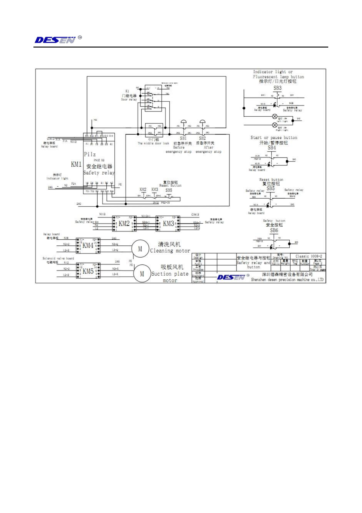
深圳德森精密设备有限公司 第 五章 电气解析 58 5.3 安全 继电 器与按 钮

深圳德森精密设备有限公司 第五章 电气解析
57
5.2 主电路

深圳德森精密设备有限公司 第五章 电气解析
58
5.3 安全继电器与按钮

深圳德森精密设备有限公司 第五章 电气解析
59
5.4 输入与输出