德森精密印刷机-操作说明书-中文版(3) - 第68页
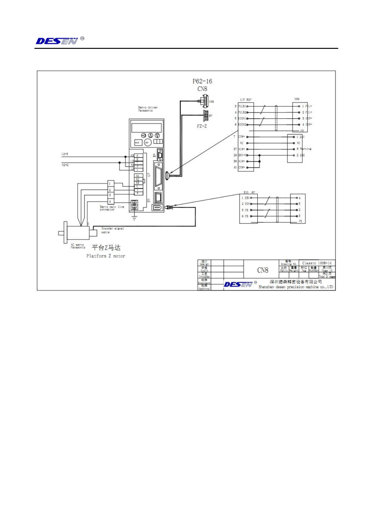
深圳德森精密设备有限公司 第 五章 电气解析 65 5.5 联机接口

深圳德森精密设备有限公司 第五章 电气解析
64

深圳德森精密设备有限公司 第五章 电气解析
65
5.5 联机接口

深圳德森精密设备有限公司 第五章 电气解析
66
5.6 伺服连接