德森精密印刷机-操作说明书-中文版(3) - 第71页
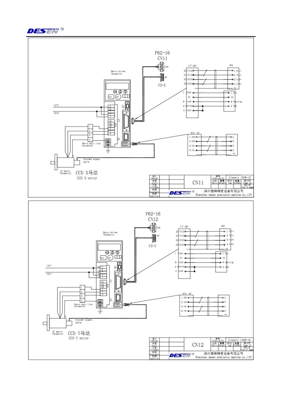
深圳德森精密设备有限公司 第 五章 电气解析 68 5.7 步进连接

深圳德森精密设备有限公司 第五章 电气解析
67

深圳德森精密设备有限公司 第五章 电气解析
68
5.7 步进连接

深圳德森精密设备有限公司 第五章 电气解析
69