SOM-1731-001.pdf - 第28页
0309-001 -(M696JSB-A1007) 27 AHR01JGP 630 121 3484 630 121 3477 RS-232C 630 121 3460 630 121 2920

0309-001 -(M696WC--A1004) 26 AHR01JGP

0309-001 -(M696JSB-A1007) 27 AHR01JGP
630 121 3484
630 121 3477
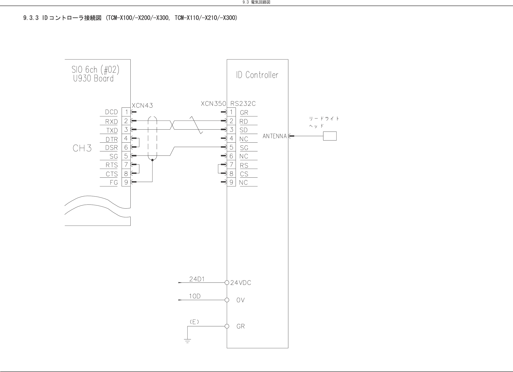
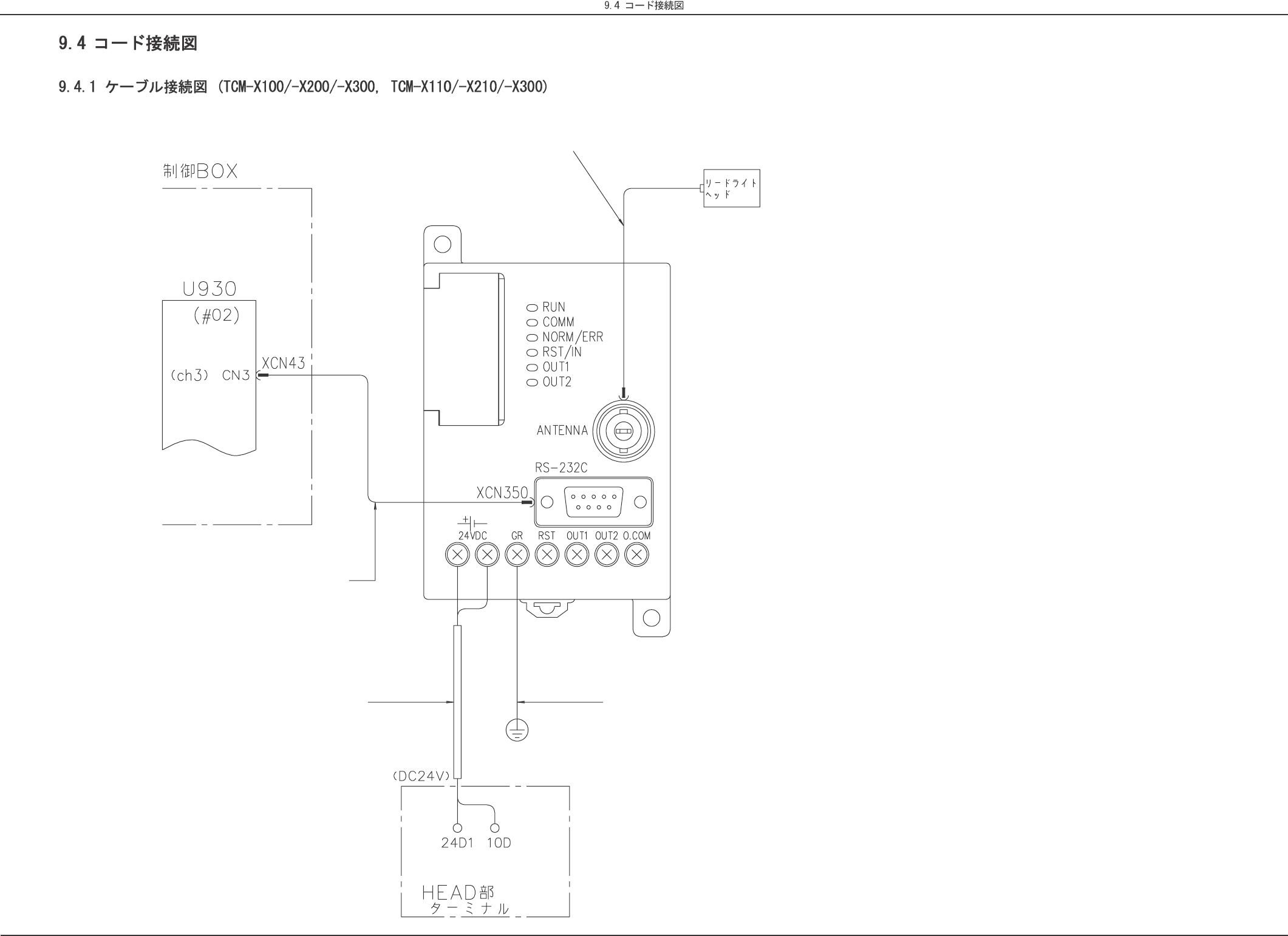
RS-232C
630 121 3460
630 121 2920

0309-001 28 AHR01JGP