5OM-1626-001_w - 第208页
5OM-1610 5-23 091 1-001- Bundled Connector Cable Connection Diagram (Main Body Side) 36110-3000FD(3M) 36310-F200-008 36110-3000FD(3M) 36310-F200-008 178289-6 ( AMP) 175218-2 1-1747276-4(AMP) 1747499-2 1-178128-2(AMP) 175…

5OM-1610
5-22
0911-001-(1094802002-2)
Dual Transfer Harness Connection Diagram 2
X5504
X5508
AE-LINK
Converter
U181(L)
A55
CN8
CN4
CN1
X5501
CN5
X5505
X5510
CN10
N2 N1
X5509
CN9
X12763
UB77:X2763
1091401300-09
2091401304-02
X16204
A162
CN4
M162
CN1
X16201
M
NA-W2
X16210
CN10
N2 N1
X16209
CN9
X5104
X5108
A51
CN8
CN4
CN1
X5101
M
NR-LB1
M52
CN5
X5105
M
NR-LB2
X5110
CN10
N2 N1
X5109
CN9
X4904
X4908
B5101
B5101
A49
CN8
CN4
M49
CN1
X4901
M
NR-LA1
M50
CN5
X4905
M
NR-LA2
X4910
CN10
N2 N1
X4909
CN9
X4304
X4308
A43
CN8
CN4
M43
CN1
X4301
M
NA-LA1
M44
CN5
X4305
M
NA-LA2
1091401300-08
BA Side Panel TB:DC1
X14906
X4310
CN10
N2 N1
X4309
CN9
X1402
X1300F1
2091401304-02
M55
M
NA-BBL
M56
M
NA-BBR
CN3
X5503
CN7
X5507
B5501
B5601
B16203
B16201
B4401
B4301
B4401
B4301
X0840
X0841
B4901
B4901
M51
CN2A/2BCN1A/1B
/RX
RX
/TX
TX
9,10
7,8
5,6
3,4
/RX
RX
/TX
TX
9,10
7,8
5,6
3,4
U14
X1440
CN40
X1441
CN41
X1433
CN33
X1437
X1436
CN36
CN37
X1439
CN39
Y1436
Y1437
Y1439
X0803
CN4
CN3
BA Side Panel TB:DC1
1091401300-08
X0801 X0802
B4301
B4401
X1412
CN12
B1412,1413
X1413
CN13
B1412
B1413
HLS Collective Section(U12):X1202
X1300F1
1091401300-11
2091401304-02
R
X1410
CN10
B1410,1411
X1411
CN11
B1410
B1411
X1432
CN32
X1435
X1434
CN34
CN35
X1438
CN38
Y1434
Y1435
Y1439
X0816
CN16
B1416,1417
X0817
CN17
B1416
B1417
X1414
CN14
B1414,1415
X1415
CN15
B1414
B1415
1091401300-08
BA Side Panel TB:DC1
X14906
PCB Stopper Origin: AL
PCB Stopper Upper: AL
PCB Stopper Origin: AR
PCB Stopper Upper: AR
Lane A Stop Sensor A Mounting Section 1
Lane A Stop Sensor A Mounting Section 2
Lane A Stop Sensor
Lane B Stop Sensor
Movable Chute 2 Origin Sensor
Backup 3 Origin
Backup 4 Origin
Bank Feeder Change Cart
Connector Section (F)
PCB Stopper Origin: BL
PCB Stopper Upper: BL
PCB Stopper Origin: BR
PCB Stopper Upper: BR
Transfer L (UB32)
Bank Feeder Change Cart
Connector Section (F)
Movable 3 Z Clamp
Down: L
Movable 3 Z Clamp Up: L
PCB Stopper Lane A: R
Movable 1.2 Z Clamp
Down: R
Movable 1.2 Z Clamp Up: R
PCB Stopper Lane B: L

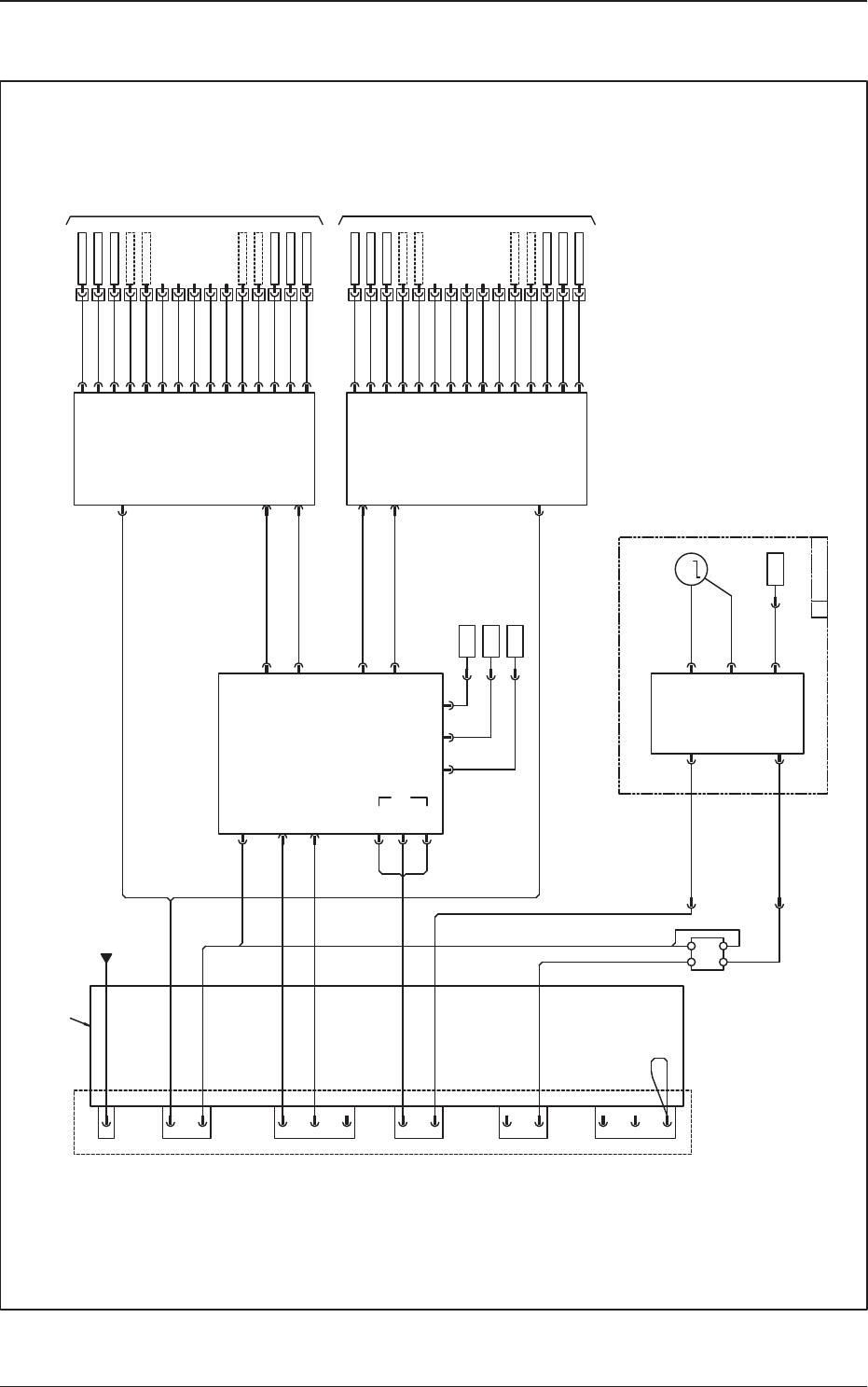
5OM-1610
5-230911-001-
Bundled Connector Cable Connection Diagram (Main Body Side)
36110-3000FD(3M)
36310-F200-008
36110-3000FD(3M)
36310-F200-008
178289-6(AMP)
175218-2
1-1747276-4(AMP)
1747499-2
1-178128-2(AMP)
175218-2
1-1871465-2(AMP)
1827588-2
178289-3(AMP)
175218-2
1-1827864-2(AMP)
1827864-2
PRC03-21A10-7F
X300B
X30
X300F
X300C
X300A
X300E
-X1300B1
-X1300C
-X1300F3
-X1300F2
-X1300F1
-X1300B2
X300D
-X1300D3
-X1300D1
U27:CN121
(1)
U27:CN122
(2)
U27:CN111,112
(1)
U27:CN113,114
(2)
U08:CN2
(1)
U14:CN2
(2)
U81:COM1
(1)
U81:COM2
(2)
U27:CN23
(Through TB)
(1) (2)
U05:CN22
(1)
U05:CN23
(2)
U181R:CN1
(1)
U181F:CN1
(2)
(1) (2)
K50-4,TB
(1)
K50-6,TB
(2)
-X1300D2
TB(24B1),U27:CN153
(1)
TB(24B1),U27:CN154
(2)
U09:CN16
(1)
U06:CN16
(2)
U181R:CN12
(1)
U181F:CN12
(2)
X140
-X1140-X2140
K90A,TB
(1)
K90B,TB
(2)
U12:CN24,25
(1)
U12:CN22,23
(2)
PSU:G4
PSU:G4
HLS-LINK
Q201-Q205間
I/O PCB(STLT CUT)
(DC24V:TB)
OP
I/O PCB(STLT PWR)
OP
OP
OP
OP
OP
OP
(Feeder Power Distribution)
(Feeder HLS)
SERIAL Communication
Safety Circuit: Emergency Stop
Safety Circuit: Interlock
SV-NET Converter
CAN Communication+DC24V
L110, 210 and 310 Line TB
Electromagnetic Panel+TB
Relay PCB+TB
For SV-NET Converter
Mounting Panel with
Standard/
Special specifications
To ACV specially designed Ethernet Converter
Pneumatic Piping
Feeder Connector Bracket
External Unit Collective Connector Cable
(On the side of Main Machine)
Feeder Set Jig Connector
Connector for Single Tape Feeder

5OM-1610
5-24
0911-001-
Bundled Connector Cable Connection Diagram (Cart Side)
X300B
X30
X300F
X300C
X300A
X300E
-X68100A
X100
-X6801
X01
-X6802
X02
X01
X02
-X6803
X03
-X6804
X04
X03
X04
-X6805
X05
-X6806
X06
X05
X06
-X6807
X07
-X6808
X08
X07
X08
-X6809
X09
-X6810
X10
X09
X10
-X6811
X11
-X6812
X12
X11
X12
-X6813
X13
-X6814
X14
X13
X14
-X6815
X15
X15
-X6301
CN1
-X6302
CN2
A63
SV-NET
-X68101
X101
-X68102
X102
M63(CUT)
CN3
-X6303
CN5
-X6305
B6302
CN7
-X6307
(PWR)
(PWR)
CU-SRS
U
-X68100A
-X6801
X16
-X6802
X17
X01
X02
-X6803
X18
-X6804
X19
X03
X04
-X6805
X20
-X6806
X21
X05
X06
-X6807
X22
-X6808
X23
X07
X08
-X6809
X24
-X6810
X25
X09
X10
-X6811
X26
-X6812
X27
X11
X12
-X6813
X28
-X6814
X29
X13
X14
-X6815
X30
X15
-X68101
-X68102
(PWR)
CN1
CN3
-X6901
-X6903
CN2
CN4
-X6902
-X6904
-X6908
CN8
(PWR)
CN9
CN6
(HLS)
(SERIAL)
-X6911
-X6912
-X6915
CN11
CN12
CN15
CN14 CN10 CN13
-U68
Connection PCB
(SV-NET)
-U69
I/O PCB
(STLT FB)
FB
-U68
Connection PCB
FB
-X6906
-X6909
-X6914
B6904
B6906
-X6913
Y6908
-X6910
M
X100
(80 Pin)
(50 Pin)
X101
X102
(80 Pin)
(50 Pin)
K52
X300D
HLS Communication
Solenoid Valve
Drawer Connector
FEEDER(15 Lane)
FEEDER(15 Lane)
CAN Communication+DC24V
DC48V(CT-Axis Power)
Feeder Connection Confirmation
Pneumatic Piping
DC24V (Feeder Power Distribution)
DC24V (Feeder HLS)
SERIAL Communication
External Unit Collective Connector Cable
(On the side of Feeder)
External Unit Collective Connector
For Offline control