5OM-1626-001_w - 第160页
5OM-1610 4-45 091 1-001-(M916W A---0001) High-Speed Head Block Diagram 3 M 3 M 3 M 3 M HLS HLS HLS PWR 24B1 24F 24F DC48V SSCNET (B1) (F) DC24V HLS A31 Servo Motor AMP U25 I/O PCB U03 Line Sensor AMP STL T HD2 U37 Slip R…

5OM-1610
4-440911-001-(M920WCU--0001)
Cutter Motor Circuit Diagram
SSG
M
4
2
1
5
3
CN2
X6302
CAN H(+)
CAN L(-)
GND
DC24V
GND(SD)
1
2
CN1
X6301
3
2
5
1
4
W
V
(BK)
U
FG
CN3
X6303
6
(BK)
M63
CT-Axis
A2
B1
A3
A1
B2
S1
S4
R1
S2
S3
CN5
X6305
B3
R2
A6
B5
VCC
GND
B6
GND(SD)
M63
:1
:2
:3
:4
M63P
:A1
:B1
:A2
:B2
:A3
:B3
3
2
5
1
4
AIN
F-PLS+
GND(COM-)
R-PLS-
CN7
X6307
6
F-PLS-
8
7
AUX
GND
9
C-RST
10
12
11
F-LMT
R-LMT
13
SV-ON
15
14
ALM
INT
16
+24V(COM+)
R-PLS+
ALM-RST
A63
Servo Motor AMP
[D-/12/4B]:(1)
:3
X300E
:4
:1
:2
:5
:5
:6
3
X16302
6
1
5
SD
GND
DC48V
(SV-NET)
(POWER)
(MOTOR)
(SENSOR)
(I/O)
:5
:6
A5
B4
A4
NC
NC
NC
:A4
:B4
:A5
:B5
:A6
:B6
OUT1
OUT2
BK
WH
-
BL
+
BR
B6302
SV-NET
[D-/12/8A]:(1)
GND
DC48V
DC48V
R63
120Ω
X16301
1
2
B module
(6Pins)
X300B
[D-/22/8A]:(2)
[D-/22/4B]:(2)
14 13
24 23
A2 A1
K52
24G2
10G
[FB/01/3G]
FB-SRS
U
E module
(12Pins)
Origin (-)
Main Circuit
Power Supply
Terminal Resistance
EMI Case
External Unit Connecting
Bundled Connector
X30
1 2 3 4 5 6 7 8
A
B
C
D
E
F

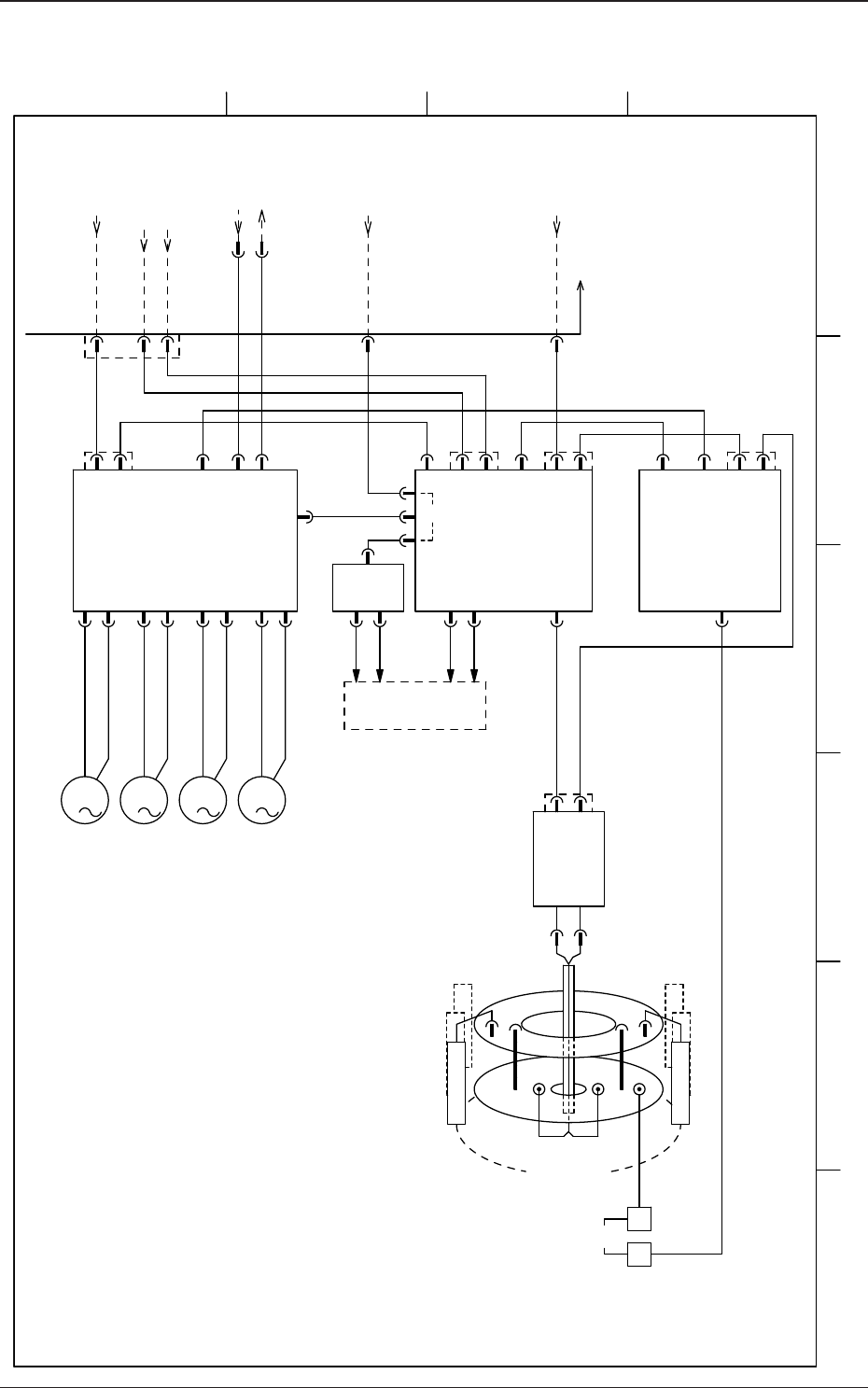
5OM-1610
4-450911-001-(M916WA---0001)
High-Speed Head Block Diagram
3
M
3
M
3
M
3
M
HLS HLS
HLSPWR
24B124F
24F
DC48V
SSCNET
(B1) (F)
DC24V
HLS
A31
Servo Motor AMP
U25
I/O PCB
U03
Line Sensor AMP
STLT HD2
U37
Slip Rings
U147
Connector
PCB
M31
DD
M32
NS
M33
HL
M34
NL
I/O
I/O
U04
I/O PCB
(STLT HD)
PWR
PWR HLS
PWR
24F24B1
SSCNET
24V48V
Robot Cable
PWR
X131P1 X12501 X22501
X1311A X1311B
Main Boby Side
SENSOR HEAD
T
R
PWR HLS
Pulse
Head Section
Load and Sensor
Vacuum Switchover Valve 1
15 Nozzle Head
Vacuum Switchover Valve 15
1 2 3 4
A
B
C
D
E
F

5OM-1610
4-460911-001-(M916WM---0001)
Robot Cable Connection Circuit 1
-X131P1
:A2
:A1
:A3
-X131P1
:B3
:B4
:B5
:B1
:B2
-X12501
:C4
:C5
:D5
:C6
:1A
-A31:CNP1
:4B
:1
-U25:X1
:2
:3
:4
:1
-A31:CN1A
:2
:1
-U25:CN1
:3
:5
:7
:9
:1
-U25:CN7
:2
:3
:4
-A31:CN1B
[M-/11/2A]
[M-/11/2C]
[M-/11/2D]
[M-/11/8G]
[M-/11/8A]
[M-/11/8F]
-X131P1
:A2
:A1
:A3
-X131P1
:B3
:B4
:B5
:B1
:B2
-X12501
:B1
:B2
:C3
:B3
:B4
-X12501
:C4
:C5
:D5
:C6
-A31:CNP1
-U25:X1
-A31:CN1A
-U25:CN1
-U25:CN7
-A31:CN1B
[M-/11/2A]
[M-/11/2C]
[M-/11/2D]
[M-/11/8G]
[M-/11/8A]
[M-/11/8F]
-X12501
:B1
:B2
:C3
:B3
:B4
-X1311A
-X1311B
48D3A
10D
Earthing
-X231P1
:A2
:A1
:A3
10B
24B1
10F
24F
Earthing
-X231P1
:B3
:B4
:B5
:B1
:B2
-X1311A
(:2)
(:1)
-X1311B
(:2)
(:1)
-X22501
:1
:6
:2
:7
:5
RX
-RX
TX
-TX
FG
HLS
[D-/02/7A]
RS232C
OP
I/O
DC48V
Power Supply
[B-/02/12A]
DC24V(B)
DC24V(F)
[B-/02/5C]
[B-/02/5F]
SSCNET
[F-/12/5A]
48D3B
10D
-X231P1
:A2
:A1
:A3
[B-/02/12B]
10B
24B1
10F
24F
-X231P1
:B3
:B4
:B5
:B1
:B2
DC24V(B)
DC24V(F)
[B-/02/5C]
[B-/02/5F]
-X22501
:1
:6
:2
:7
:5
RX
-RX
TX
-TX
FG
HLS
[F-/13/6C]
-X22507
:1
:9
:12
:2
[BL/01/7C]
508
RS232C
OP
I/O
-X22507
:1
:9
:12
:2
[BL/01/7C]
509
-X31P1
-X25X1
-X311A
-X311B
-X2501
-X2507
:1A
:4B
:1
:2
:3
:4
:1
:3
:5
:7
:9
:1
:2
:3
:4
-X31P1
-X25X1
X311A
X311B
-X2501
-X2507
U07(STLT IF)
CPU2:U85(CH2-2)
Main Machine Main Machine(Rear) (Front)
CPU2:U82(2CH)
:1
:2
:1
:2
:1
:2
:1
:2
:1
:2
(:2)
(:1)
(:2)
(:1)
:1
:2
:1
:2
U05(STLT ILB) U05(STLT ILB)
1 2 3 4 5 6 7 8
A
B
C
D
E
F
Earthing
DC48V
Power Supply
Earthing