5OM-1626-001_w - 第190页
5OM-1610 5-5 091 1-001A(1091401300-7) Q201 8AWG Black 1 8AWG Black 3 8AWG Black 5 2 4 6 14AWG Black 14AWG Black 14AWG Black Q206 10AWG Black 10AWG Black 14AWG Black 14AWG Black 1 3 2 4 Q204 14AWG Black 14AWG Black 14AWG …

5OM-1610
5-4
0911-001A(1091401300-6)
L122 L122
L222 L222
L121 L121
L121 L121
L221 L221
L110 L110
L210 L210
L310 L310
L100 L100
L200 L200
L300 L300
L221 L221
L100
L100
L200
L200
L300
L300
Note 3
Note 3
Note 3
Note 3
Note 3
Note 3
X1300B1(R),(F)
XG2101,XG2201
14AWG
Green/Yellow
REED-K100
<TB:P1>
Note 1
Note 1
Note 1
Note 2
Note 2
Note 3
Note 3
Note 3
Note 3
Note 3
Note 3
Note 3
REED-K100
REED-K100
Note 4
18AWG Black
Note 4
18AWG Black
Note 4
18AWG Black
Note 4
18AWG Black
X1300B1(R),(F)
14AWG Black
14AWG Black
14AWG Black
1 2 3
SP1
1
2
3
4
L300
L200
L100
18AWG Black
18AWG Black
18AWG Black
533
10B
F203 F202 F201
Note 1
8AWG Black
Note 1
8AWG Black
Note 1
8AWG Black
L110
L210
TB:P1
TB:P1
L310
TB:P1
TB:P1
X1300B1
L110
L210
TB:P1
TB:P1
L310
TB:P1
TB:P1
X1300B1
L121
L221
TB:P1
TB:P1
TB:P1
Black
REED-K100
L122
L222
TB:P1
TB:P1
TB:P1
Light Blue
XG2101
L122
L222
TB:P1
TB:P1
TB:P1
Light Blue
XG2201
Blue
80mm
Blue
80mm
900mm
900mm
900mm
320mm
320mm
320mm
800mm
800mm
800mm
Note 4
Note 4
Note 4
320mm
8AWG Black
10AWG Black
8AWG Black
10AWG Black
8AWG Black
14AWG Black
14AWG Black
14AWG Black
14AWG Black
14AWG Black
14AWG Black
14AWG Black
X10520-10
1091401300-07
G4W2004876
G9W2100341
#VB0304B
G4W2004876
#VB0304B
16AWG Black
200mm
16AWG Green/Yellow
200mm
26AWG Blue
26AWG Blue
X10520-9
1091401300-07
A21,A22,A23(R) #L11
1091401300-10
A21,A22,A23(F) #L11
1091401300-10
A21,A22,A23(R) #L21
1091401300-10
A21,A22,A23(F) #L21
1091401300-10
NOISE FILTER:Z02
2091401A02
Q206-1,3
1091401300-07
Q201-1,3,5
1091401300-07
K10-1,3,5
1091401300-07
K28-1,3
1091401300-07
K28-2,4
1091401300-07
W091401Bxx
W091401Bxx
W09140xxxx
1091401E00
1091401E00
200mm
200mm
150mm
150mm
*NRefer to Specification No. 4, for Notes 1 through 4.
1
2
3
4
Blue
80mm
Blue
80mm
1
2
3
4
049
1150mm
1250mm
1200mm
1200mm
900mm
700mm
700mm
3200mm
2900mm
3200mm
2900mm
Sheath Peeled Section
Earthing Green/Yellow
Sheath Peeled Section
Earthing Green/Yellow
Sheath Peeled Section
Earthing Green/Yellow
Sheath Peeled Section
Earthing Green/Yellow
Earthing Red
Brown
Brown
White
Red
Black
Red
White
White
Black
External Unit Bundled Connector (R)
External Unit Bundled Connector (F)
OP: Coplanarity Detection Power Supply
CPU 1,CPU 3 Power Supply
CPU 2 Power Supply
Side Panel L

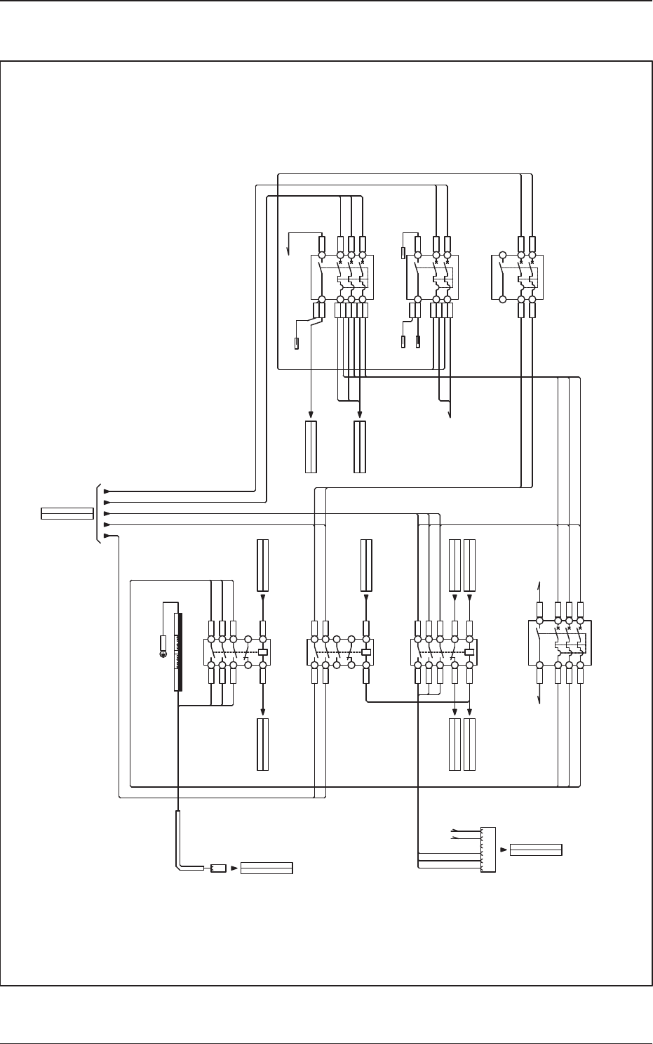
5OM-1610
5-50911-001A(1091401300-7)
Q201
8AWG Black
1
8AWG Black
3
8AWG Black
5
2 4 6
14AWG Black
14AWG Black
14AWG Black
Q206
10AWG Black
10AWG Black
14AWG Black
14AWG Black
1 3
2 4
Q204
14AWG Black
14AWG Black
14AWG Black
14AWG Black
1 3
2 4
1
2
3
4
5
6
21
22
A1
A2
K29
14AWG Black
14AWG Black
14AWG Black
Red
White
Black
L100
L200
L300
L100
L200
L120
L220
L110
L210
L310
L120
L220
L121
L221
1
2
3
4
5
6
21
22
A1
A2
K28
L130
L230
L330
L131
L231
L331
14AWG Black
14AWG Black
14AWG Black
14AWG Black
L122
L222
24A2
10A
24A1
534
1
2
3
4
5
6
21
22
A1
A2
K10
14AWG Black
14AWG Black
14AWG Black
Red
White
Black
K3-34
1091401300-08
L140
L240
L340
334
10A
K38-A22
1091401300-08
417
405B
Q205
14AWG Black
1
14AWG Black
3
14AWG Black
5
2 4 6
14AWG Black
14AWG Black
14AWG Black
L130
L230
L330
14
713
X10520-8
13
10B
X10520-7
8AWG Black
8AWG Black
8AWG Black
14/AXaR(Red)
11/AXcR(Yellow)
X10520-1
M66
Green/Yellow
XG01
A3
A2
A1
L120
L220
L140
L240
L340
Q206-2
Q206-4
1150mm
1150mm
1150mm
1250mm
1250mm
580mm
580mm
320mm
305mm
290mm
1800mm
1800mm
220mm
220mm
14AWG Green/Yellow
640mm
620mm
610mm
14AWG Black
14AWG Black
14AWG Black
B3
B2
B1
L110
L210
L310
L121
L221
14AWG Black
14AWG Black
L110
L210
L310
L110
L210
L310
900mm
900mm
500mm
500mm
500mm
26AWG Black
1600mm
26AWG Black
26AWG Blue
1400mm
26AWG Blue
1700mm
26AWG Blue
1400mm
26AWG Blue
1700mm
26AWG Blue
1600mm
(Blue)
(Yellow)
(Red)
(Blue)
26AWG Blue
150mm
200mm
U07:X27163-1
W091401300-09
K33A-13
1091401300-08
K33A-1,3,5
1091401300-08
U07:X2723-2
1091401300-09
TB:DC1
1091401300-08
W09140xxxx
1091401700-02
TB:P1
1091401310-06
1200mm
1200mm
280mm
220mm
10B503A
L120
L220
XG01
TB:DC1
1091401300-08
TB:DC1
1091401300-08
Vacuum Pump
G01,G02,G04,G07 Power Supply
Side Panel C 1

5OM-1610
5-6
0911-001-(1091401300-7)
Side Panel C 2
Q221R
1 3 5
2 4 6
14AWG Black
14AWG Black
14AWG Black
Q222R
1 3 5
2 4 6
14AWG Black
14AWG Black
14AWG Black
Q223R
1 3 5
2 4 6
14AWG Black
14AWG Black
14AWG Black
10AWG Black
10AWG Black
10AWG Black
L116
L216
L316
L117
L217
L317
L118
L218
L318
L112
L212
L312
13
14
10B
802
13
14
803
802
13
14
803
514
X10520-3
Q221F
1 3 5
2 4 6
Q222F
1 3 5
2 4 6
Q223F
1 3 5
2 4 6
L113
L213
L313
L114
L214
L314
L115
L215
L315
L112
L212
L312
13
14
10B
805
13
14
806
805
13
14
806
515
X10520-5
X10520-6
X10520-4
X10520
6
5
4
3
2
1
10B
512
Q201-14/AXaR(Red)
10B
514
Q221R-13
Q223R-14
10B
515
Q221F-13
Q223F-14
7
10B
Q205-13
8
713
Q205-14
9
10B
10
533
X10520
Blue
1100mm
Blue
1000mm
Blue
1000mm
Blue
1000mm
Blue
1000mm
Blue
1000mm
Blue
1000mm
Blue
700mm
Blue
700mm
2600mm
2600mm
2600mm
2600mm
2600mm
2600mm
2600mm
2600mm
2600mm
26AWG Blue
90mm
26AWG Blue
90mm
1000mm
1000mm
1000mm
14AWG Black
14AWG Black
14AWG Black
14AWG Black
14AWG Black
14AWG Black
14AWG Black
14AWG Black
14AWG Black
10AWG Black
10AWG Black
10AWG Black
2600mm
2600mm
2600mm
2600mm
2600mm
2600mm
2600mm
2600mm
2600mm
26AWG Blue
90mm
26AWG Blue
90mm
800mm
800mm
800mm
A21(X)Main Power:F
1091401300-10
A22(Y1)Main Power:F
1091401300-10
A23(Y2)Main Power:F
1091401300-10
1091401300-11
A21(X)Main Power:R
1091401300-10
A22(Y1)Main Power:R
1091401300-10
A23(Y2)Main Power:R
1091401300-10
K33B-2,4,6
1091401300-08
K33B-2,4,6
1091401300-08
1091401300-08K33B-14
1091401300-06F201-3
1091401300-06F201-4
HLS PCB Collective Section