5OM-1626-001_w - 第63页
5OM-1610 1-10 Pneumatic and Mounting Diagrams 091 1-001-(309160320C) High Speed Head Unit (Mounting Diagram) 3 5 4 6 No. Name Q’ty No. Name Q’ty No. Name Q’ty No. Name Q’ty 1 Solenoid V alve 1 2 Rotary Joint 1 3 Solenoid…

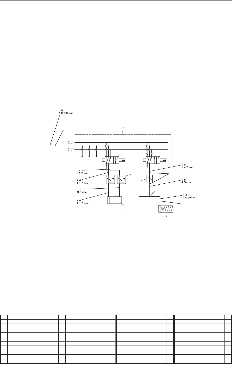
5OM-1610
1-9
Pneumatic and Mounting Diagrams
0911-001-(309160320C)
High Speed Head Unit (Pneumatic Diagram)
1
3
2
4
6
5
From Main Body
Robot Cable
Nozzle1 Nozzle2 Nozzle3
No. Name Q’ty No. Name Q’ty No. Name Q’ty No. Name Q’ty
1 Tube
φ
4 1
2 Tube
φ
8 1
3 Solenoid Valve 1
4 Rotary Joint 1
5 Solenoid Valve 15
6 Filter 15

5OM-1610
1-10
Pneumatic and Mounting Diagrams
0911-001-(309160320C)
High Speed Head Unit (Mounting Diagram)
3
5
4
6
No. Name Q’ty No. Name Q’ty No. Name Q’ty No. Name Q’ty
1 Solenoid Valve 1
2 Rotary Joint 1
3 Solenoid Valve 15
4 Filter 15

5OM-1610
1-11
Pneumatic and Mounting Diagrams
0911-001-(309190800G)
High Speed Nozzle Stocker (Pneumatic Diagram)
7
8
4
5
6
2
3
9
1
From Main Body
Stocker 1 U/D
Shutter 1 Open / Close
No. Name Q’ty No. Name Q’ty No. Name Q’ty No. Name Q’ty
1 Tube
φ
8 1
2 Tube
φ
6 1
3 Tube
φ
4 1
4 Solenoid Valve 1
5 Cylinder 1
6 Cylinder 1
7 Speed Controller 2
8 Needle 1
9 Union Y 1