5OM-1626-001_w - 第69页
5OM-1610 1-16 Pneumatic and Mounting Diagrams 091 1-001 Feeder Base (Mounting Diagram) 3 4 2 6 5 No. Name Q’ty No. Name Q’ty No. Name Q’ty No. Name Q’ty 2 Solenoid V alve 2 3 Speed Controller 4 4 Cylinder 2 5 Modular Uni…

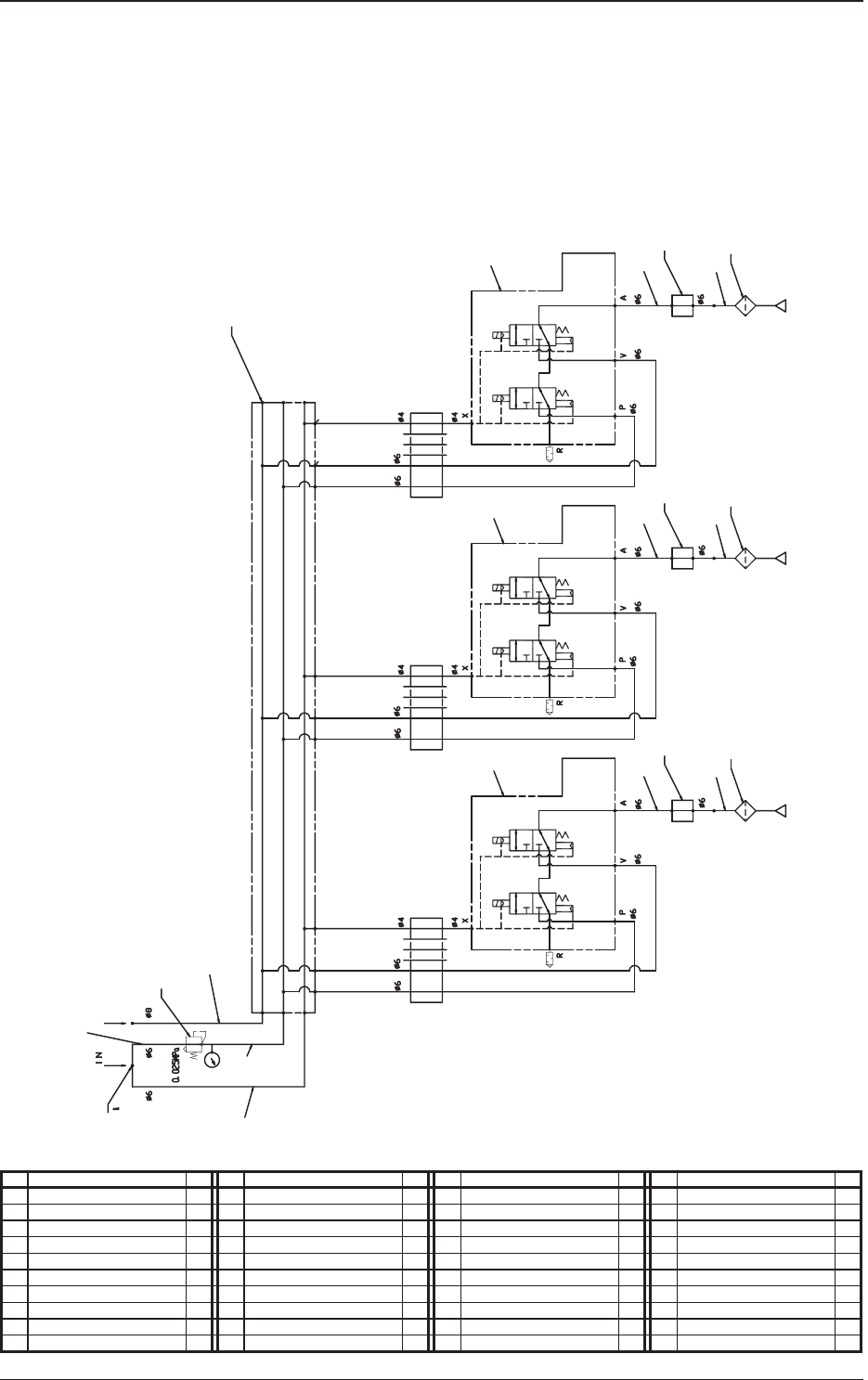
5OM-1610
1-15
Pneumatic and Mounting Diagrams
0911-001-
Feeder Base (Pneumatic Diagram)
5
1
2
3
4
6
From Main Body
No. Name Q’ty No. Name Q’ty No. Name Q’ty No. Name Q’ty
1 Tube
φ
6 1
2 Solenoid Valve 2
3 Speed Controller 4
4 Cylinder 2
5 Modular Unit 2
6 Air Connector Pin 2

5OM-1610
1-16
Pneumatic and Mounting Diagrams
0911-001
Feeder Base (Mounting Diagram)
3
4
2
6
5
No. Name Q’ty No. Name Q’ty No. Name Q’ty No. Name Q’ty
2 Solenoid Valve 2
3 Speed Controller 4
4 Cylinder 2
5 Modular Unit 2
6 Air Connector Pin 2

5OM-1610
1-17
Pneumatic and Mounting Diagrams
0911-001-(2091603G00)
Multi Function Head Unit (Pneumatic Diagram)
No. Name Q’ty No. Name Q’ty No. Name Q’ty No. Name Q’ty
1 Tube
φ
6 1 11 Vacuum Sensor 3
2 Tube
φ
6 1 12 Vacuum Filter 3
3 Tube
φ
6 1
4 Tube
φ
6 1
5 Tube
φ
6 1
6 Tube
φ
8 1
7 Regulater 1
8 Union Y 1
9 Manifold Unit 1
10 Solenoid Valve Unit 3
5
5
6
9
2
11
10
10
10
1
2
11
12
12
1
2
11
12
1
7
8
3
Nozzle 1
Nozzle 2
Setup
Vacuum
Air
Nozzle 3