00196193-0102_DC_SIPLACE-X_DE EN - 第133页
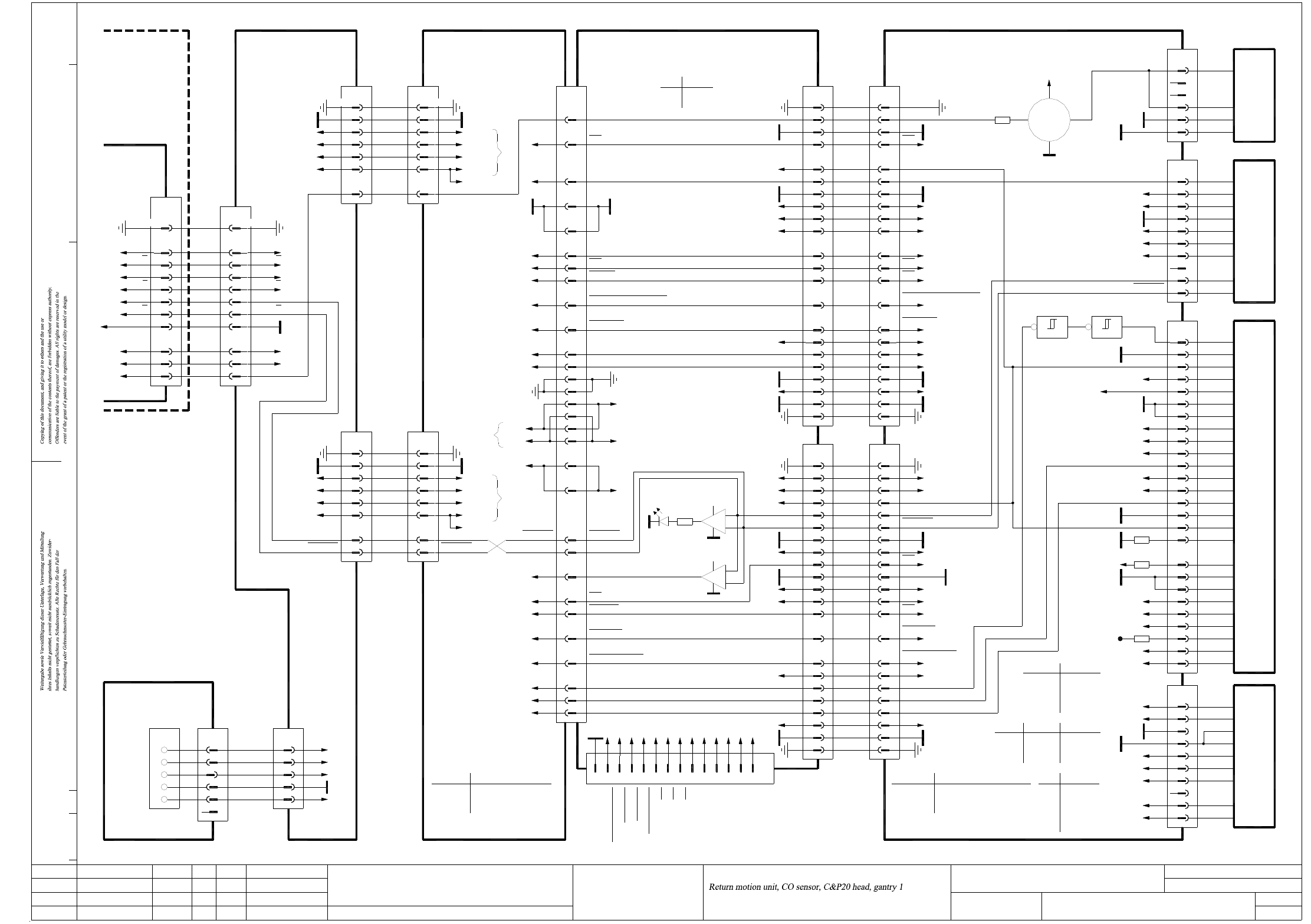
2 - 61 P01_20X2-030201LD3 Rückholeinheit, BE-Se nsor, C&P20, Po rtal 1, SIPLACE X2 Return motion unit, CO sen s or , C&P20, gantry 1, SIPLACE X2 X13:51 X13:50 X13:54 X13:49 X13:43 X13:57 EX_GES T_FESTO HOLD_F EST…

2 - 60
DP04_20X3X4X4I-030201LD3 DP-Achse, C&P20-Kopf, Portal 4, SIPLACE X3/X4/X4I (Bl. 3 v. 3)
DP axis, C&P20 head, gantry 4, SIPLACE X3/X4/X4I (sh. 3 of 3)
8
9
5
6
1,4,7,17,20,23,26
2
3
X11_1tq
X3vp /
03009835
Sheet 2
X26da
Axis unit
n.u.
+5V
Gantries 1 and 4
03002397
DC/DC converter
DP
+24V
24V_GND
n.u.
n.u.
n.u.
n.u.
n.u.
n.u.
DC
4
5
1
3n.u.
n.u.
n.u.
2
DC
n.u.
(W1)
+150V_Star
43
Sub-distributor 03046226
Sub-distributor 03046226
POWER_FAIL_24VDC
EMERG.-STOP_MAIN_AXIS
POWER_FAIL
POWER_FAIL_24VDC
Vin(+)Axis
-15V
+15V
PGND
Vin(-)Axis
PGND
X47tq
WH+BN (W4)
(W5)
(W5)
(W5)
3
2
1
WH
GY
BN
X4ra:1
(W2)
(W2)
(W3)
(W3)
(W3)
(W1)
(W1)
1
2
5
3
4
WH
BN
GN
X46tq
1
5
4
2
GNYE
2
X4ra:2
X4ra:1
X4ra:3
POWER_FAIL_24VDC
SERVO_ENABLE
POWER_FAIL_AXIS
POWER_FAIL_24VDC
10
2
11
Vin(+)_AXIS
Vin(-)_AXIS
GND_Z/DP
6
9
3
7
X11_2tq
A/C32
C16
C26; A/C28
A/C30
C22; A/C24
C18; A/C20
C12
C14
A12
C10
A/C2
C4
A8
C8
A4
X1tq
C23
R41
VHS_24V
R42
L21
00353450
DC/DC converter ±15V
AGND
D10,18
Z28
D30
Z20;D22
-15V
Z8,16
X51tq
Z4; D6
+15V
I²t
VHS_24V
VHS_GND
+150V_Star
PGND
Servo_Enable
Inom_W
Inom_U
AGND
L20
R40
L19
+40V_Z/DP
UB_Power_OK
Servo_Ready
-15V_Servo
+15V_Servo
-15V
B/D1,2,5,6,9-11
A/C/E3,4,7,8,11
X23_3tq
A/D22; B/E22,24,25; C20,25
C13
Axis card A364, gantry 4
C22
C12
B/E18
B16
A16; B17
A17
03036027 (tc)
A18
A25
A24
A12
B19
X4tc
C4
C1
End signal
B13
A13
B14
A14
AGND
X3tc
A15
B15
OPTO_GND
+15V
+5V
+15V_Servo
AGND
Servo_Ready
Servo_Enable
UB_Power_OK
GND
I²t
Inom_U
Inom_W
Track N
Track N
Track B
Track B
Track A
Track A
21
S1
(S1.2 n.u.)
OFF
ON
Backplane
03048879 (tq)
Axis unit
n.u.
PA1_CAN_H
PA1_CAN_L
00353449
DC/DC converter 5V/±15V
Z28
D30
Z16;D18
+5V
Z4,8,20
-15V_Servo
+15V_Servo D6
D10
D22
GND
X50tq
8
n.u.
n.u.
9
n.u.
7
6
5
n.u.
GND 3
4
2
X30_1tq
1
PA2_CAN_L
PA2_CAN_H
GND 3
6
n.u.
8
9
7
n.u.
5
4
n.u.
1
2
X30_2tq
OPTO_GND 10
11
12
n.u.
+5V
DP track N
DP track N
DP track B
DP track B
DP track A
DP track A
26-pole
PE
VHS_24V
VHS_GND
VHS_24V
+40V_Z/DP
03050916
X11_3tq
03050920
(W1)
(W1)
X45tq
2
1
3
1
3
2
1
BN
GN
WH
BK
BN
GN
WH
+40V_Z/DP
+150V_Star
X16da
Sheet 1
X14
1
4
VHS_GND
VHS_24V
VHS_24V
Screen
00354626
Power supply
C8, C12
B14, C9
POWER_FAIL
EMERG._STOP_HEAD_AXIS
X47tq:2
+15V
03057572
03.
02.
01.
Status
Function status
Product status
Document status
Modified Date Name
Date
Author
Check.
Stand.
Mat.no.:
CAD file:
Orig./Repl.f./Repl.by
Sh.
Sh.(s)
09.03.08
04.03.09
04.03.09
26.01.2005TDH
TDH
TDH
TDH
DP04_20X3X4X4I-030201LD3_SH03.DWG
Copyright ©
ASM Assembly Systems
GmbH & Co. KG
DP-Achse, C&P20-Kopf, Portal 4
SIPLACE X3/X4/X4I
SIPLACE X-Series
DP04_20X3X4X4I-030201LD3
3
3

2 - 61
P01_20X2-030201LD3 Rückholeinheit, BE-Sensor, C&P20, Portal 1, SIPLACE X2
Return motion unit, CO sensor, C&P20, gantry 1, SIPLACE X2
X13:51
X13:50
X13:54
X13:49
X13:43
X13:57
EX_GEST_FESTO
HOLD_FESTO
EN_FESTO
120
67
118
CS_CO_SENSOR
CS_FRAM
139
117
CO_AXIS
X13:102
X13:45
CO_AXIS
DC/DC converter
CO_AXIS39
CO_AXIS_DIG
CO_AXIS
63
CS1123
41
VCC83
Z_RETURN
Z sensor stop
PE
Z track A
Z track B
Z track B
Z track A
GND
Z track N
Z track N
1,4,7,17,20,23,26
Cable carrier interface
03010612 (ba)
03048879
1010OPTO_GND
Z sensor stop
+5V
14
12
11
14
12
+5V
11
Z track A
Z track B
Z track B
Z track A
Z track N
Z track N
1,4,7,17,20,23,26
PE
(sq)
22
6
8
9
5
3
6
8
9
5
3
Z1 axis
Actual value
03009794
X1tp /
X24ba
Backplane
Axis unit
Axis unit
DC/DC converter
X13:53 CO_TEACH74
PE
Carrier cable 6, 1G
1, 10, 34
PE
X6ba X6bc
1, 10, 34
S/Z2 motor
03038076
n.u.
5
+24V
VCC
4
3
2
1
Pressure sensor, holding circuit
CO sensor
Assembly
Pressure control valve
D21
D20
D19
74VHCT541
N103
N104
U4
U5
U1
IC
25
GND
+5V
+15V
37
40
34
30
31
29
27
28
26
D3:13
D3:14
+24V
D3:9
D3:10
GND
-15V
PGND
4
VCC
8
3
4
+
-
5
6
D1
VCC
R5
2
8
+
-
7
1
18
22
23
24
21
20
15
17
16
14
13
CS425
D19:8, D20:8, D21:8
+15V
EX_GEST_FESTO
HOLD_FESTO
EN_FESTO
37
40
34
30
31
29
GND
+5V
CS_CO_SENSOR
CS_FRAM
27
28
26
U5:1
D20:1
D19:6, D20:6, D21:6
GND
18
SCLK+
SCLK-
CS1
22
23
24
20
21
N104:8
N104:7
PGND
-15V
SDI+
SDI-
CO_AXIS
CO_AXIS
24V_FESTO15
16
n.u.
n.u.
n.u.
15 15
PE
X19:11
X19:9
DC/DC converter
+15V
-15V
X14:38
X14:43
X13:48
91
-15V
+15V
88
87
89
90
CAN2_TX
CAN2_RX
CS_FESTO
92
138
136
137
PE
X13:55
X13:56
X14:63
X13:44
SPI_INT_ENABLE
128
CS0
CS_RES
125
130
126
PGND
134
140
Head interface
03000901 (bc)
PE
X18:8
GND
X18:2,4,6
X18:12
X18:14
DP1/DP2 motor
1, 10, 14, 34
Carrier cable 8, 1G
+15V
+24V
-15V
GND
+5V
PE
22
28
25
19
16, 31
Gantry 1 or 3
X8ba
1, 10, 14, 34
16, 31
-15V22
+15V
+24V
28
25
+5V19
X8bc
03038078
X22bc/J3
Z_RETURN
X13:46
Gantry 1
Z_RETURN
CS2121
81
HOLD_FESTO
Pressure control valve
a111,81,8
X3bq
SPI_MTSR
SPI_INT_ENABLE
SPI_MRST
SPI_SCLK
CS0
8
7
6
U4
D20:14
D20:15
GND
+5V
D20:18
03006742
Key
10 YE
8
9
7
GN
GY
WH4
5
6
RD
PK
2
3
BN
BK
Return motion unit
GND
OUT
GND
03007697
4
X9bs
6
5
Key
Key
1
3
2
X15bs
Gantries 1 and 3
X04_1sq
PGND
40-pole140-pole 40-pole
40-pole 40-pole
+15V
+5V
DGND
CLK
D in
D out
n.u.
EN_AD
EN_EEPROM
Test plug
03057572
LED
greenD3
D8
D6
green
green
Color
+5V
-15V
+15V
Function
Switch
OFFS1.1
S2.1
S1.2
OFF
ON
State
S2.2 ON
03.
02.
01.
Status
Function status
Product status
Document status
Modified Date Name
Date
Author
Check.
Stand.
Mat.no.:
CAD file:
Orig./Repl.f./Repl.by
Sh.
Sh.(s)
09.03.08
04.03.09
04.03.09
06.08.2005TDH
TDH
TDH
TDH
P01_20X2-030201LD3.DWG
Copyright ©
ASM Assembly Systems
GmbH & Co. KG
Rückholeinheit, BE-Sensor, C&P20-Kopf, Portal 1
SIPLACE X2
SIPLACE X-Series
P01_20X2-030201LD3
1
1
CS1
CS_HOLDING_CIRCUIT
CO sensor
green
H3
03002870 (bq)
C&P20 head adapter
16, 3116, 31 VCC 85
Cable carrier interface
03009788
+24V
+15V
+5V
0V
-15V
WH
PK
RD
BU
(W2)14
6
n.u.
25(W2)
GN3
BN2
(W1)
(W1)
03046225 (qa)
Main distributor
X1qa X6qa
OG
Voltage
WH1(W1)
-15V
GND
+5V
+15V
4
5
3
2
X14
X13
Connector
TQM167, SIPLACE
Embedded module
03003536
X1
X2
Assembly
CS_FRAM
CS_ADAPTER
CS_FESTO
CS_CO_SENSOR
13
14
CS2
11
12
10
9
CO_AXIS
CO_AXIS
X18:8
GND
X18:2,4,6
X18:14
X18:12
+24V
X50ba
1
CO_AXIS 26
CO_AXIS
27
+24V
+15V
+5V
-15V
GND
25
28
22
19
26
27
25 +15V
+24V
28
+5V
-15V22
19
CS_RES2132
22
18
20
8CS_FESTO
U1:10
U1:13
+5V
34
X2bs
37
40
GND
CAN_RX_X1
CAN_TX_X1
30
31
29
28
27
GND
D21:1
+15V
Y
CS_HOLDING_CIRCUIT
D19:2, D20:2, D21:2
D19:19, D20:19, D21:19
D19:7, D20:7, D21:7
SPI_INT_ENABLE
CS3
CS0
26
23
25
24
D19:1
SD0+
SD0-21
22
18
20
N103:7
N103:8
PGND
-15V
U4
03012097-W1
+24V
GND
D3 DS8922
Type
75157
IC
D1
1,8
14
15
13
11
X1bq
D19:4, D20:4, D21:4
C&P20 intermediate distributor
03002942 (bs)
1,8
Z_RETURN
24V_FESTO
CS214
15
11
13
GND
X1bs
R148
GND
IN
V4
BUCO_TEACH 1
CO sensor
569
03021066-W1
CAN_TX_FESTO
24V_FESTO
U1:5
+15V
D21:18
-15V
GND
PGND
Y
+5V
A
a5
a8
a10
a9
a7
a6
a4
a3
X12bs
a1
a2
CO_AXIS
CO_AXIS
D20:9
17
13
14
N104:5
N104:6
03020263
C&P20 pressure sensor
CLK 5
D in
D out
n.u.
EN_AD
EN_EEPROM
D19:18
DS89C21
DS89C21
FM25C160
74HCT14
74LS07
Type
D19:9
D19:17
D19:15
D19:14
8
9
10
6
7
b9
GND
GND
+15V
+5V
TP3
D21:15
D21:16
D21:14
-15V
R63
2
4
3
X19bs
1
b13
b12
b10
b11
EX_GEST_FESTO
24V_FESTO
CAN_RX_FESTO
R142
CAN_RX
GND
GND
R201
+15V
PGND
D21:17
D21:9
b4
b6
b7
b8
b5
b1
b3
b2
a13
a12
03005070
A
Vbb
BTS4141N
24V_FESTO
CO_TEACH17 17
03012097-W2
GND
GND
+5V
+15V
34
X2bq
40
37
31
30
28
29
27
D3:11
D3:12
PGND
-15V
26
24
25
23
21

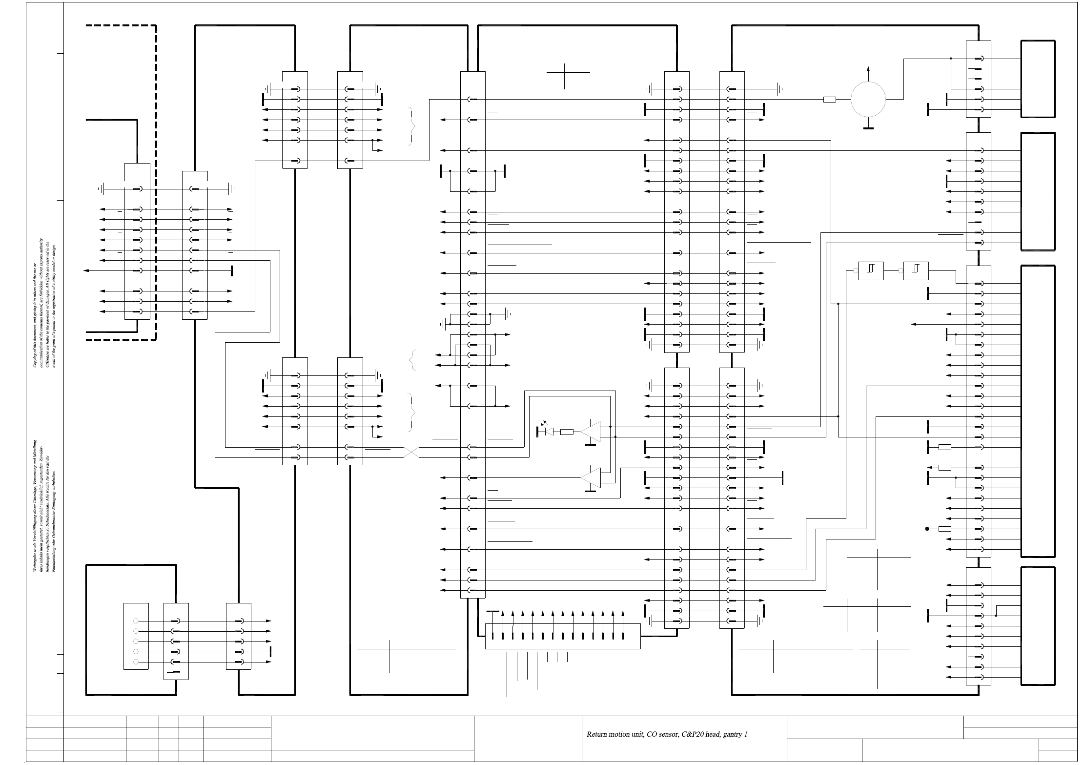
2 - 62
P01_20X3X4X4I-030201LD3 Rückholeinheit, BE-Sensor, C&P20, Portal 1, SIPLACE X3/X4/X4I
Return motion unit, CO sensor, C&P20, gantry 1, SIPLACE X3/X4/X4I
X13:51
X13:50
X13:54
X13:49
X13:43
X13:57
EX_GEST_FESTO
HOLD_FESTO
EN_FESTO
120
67
118
CS_CO_SENSOR
CS_FRAM
139
117
CO_AXIS
X13:102
X13:45
CO_AXIS
DC/DC converter
CO_AXIS39
CO_AXIS_DIG
CO_AXIS
63
CS1123
41
VCC83
Z_RETURN
Z sensor stop
PE
Z track A
Z track B
Z track B
Z track A
GND
Z track N
Z track N
1,4,7,17,20,23,26
Cable carrier interface
03010612 (aa)
1010
Z sensor stop
+5V
14
12
11
14
12
+5V
11
Z track A
Z track B
Z track B
Z track A
Z track N
Z track N
1,4,7,17,20,23,26
PE
22
6
8
9
5
3
6
8
9
5
3
Z1 axis
Actual value
03009774
X1sp /
X24aa
DC/DC converter
X13:53 CO_TEACH74
PE
Carrier cable 6, 2GO
1, 10, 34
PE
X6aa X6ac
1, 10, 34
S/Z2 motor
03052306
n.u.
16
17
13
14
N104:5
N104:6
03020263
C&P20 pressure sensor
CLK 5
D in
D out
n.u.
EN_AD
EN_EEPROM
D19:18
DS89C21
DS89C21
FM25C160
74HCT14
74LS07
Type
D19:17
D19:15
D19:14
8
9
10
6
7
b9
GND
GND
+15V
+5V
TP3
D21:15
D21:16
D21:14
-15V
R63
2
4
3
X19as
1
b13
b12
b10
b11
EX_GEST_FESTO
24V_FESTO
CAN_RX_FESTO
R142
CAN_RX
GND
GND
+15V
PGND
D21:17
D21:9
b4
b6
b7
b8
b5
b1
b3
b2
a13
a12
03005070
A
Vbb
BTS4141N
24V_FESTO
CO_TEACH17 17
03012097-W2
GND
GND
+5V
+15V
34
X2aq
40
37
31
30
28
29
27
D3:11
D3:12
PGND
-15V
26
24
25
23
21
22
18
20
8CS_FESTO
U1:10
U1:13
+5V
34
X2as
37
40
GND
CAN_RX_X1
CAN_TX_X1
30
31
29
28
27
GND
D21:1
+15V
Y
CS_HOLDING_CIRCUIT
D19:2, D20:2, D21:2
D19:19, D20:19, D21:19
D19:7, D20:7, D21:7
SPI_INT_ENABLE
CS3
CS0
26
23
25
24
D19:1
SD0+
SD0-21
22
18
20
N103:7
N103:8
PGND
-15V
U4
03012097-W1
+24V
GND
D3 DS8922
Type
75157
IC
D1
1,8
14
15
13
11
X1aq
D19:4, D20:4, D21:4
C&P20 intermediate distributor
03002942 (as)
1,8
Z_RETURN
24V_FESTO
CS214
15
11
13
GND
X1as
R148
GND
IN
V4
CO_TEACH 1
CO sensor
569
03021066-W1
24V_FESTO
+15V
D21:18
-15V
GND
PGND
Y A
a5
a8
a10
a9
a7
a6
a4
a3
X12as
a1
a2
CO_AXIS
CO_AXIS
n.u.
n.u.
n.u.
15 15
PE
X19:11
X19:9
DC/DC converter
+15V
-15V
X14:38
X14:43
X13:48
91
-15V
+15V
88
87
89
90
CS_FESTO
92
138
136
137
PE
X13:55
X13:56
X14:63
X13:44
SPI_INT_ENABLE
128
CS0125
130
126
134
140
Head interface
03000901 (ac)
PE
X18:8
GND
X18:2,4,6
X18:12
X18:14
DP1/DP2 motor
1, 10, 14, 34
Carrier cable 8, 2GO
+15V
+24V
-15V
GND
+5V
PE
22
28
25
19
16, 31
Gantry 1 or 3
X8aa
1, 10, 14, 34
16, 31
-15V22
+15V
+24V
28
25
+5V19
X8ac
03052308
X22ac/J3
Z_RETURN
X13:46
Gantry 1
Z_RETURN
CS2121
81
HOLD_FESTO
Pressure control valve
a111,81,8
X3aq
SPI_MTSR
SPI_MRST
SPI_SCLK
CS0
8
7
6
5
+24V
VCC
4
3
2
1
Pressure sensor, holding circuit
CO sensor
Assembly
Pressure control valve
D21
D20
D19
74VHCT541
N103
N104
U4
U5
U1
IC
25
GND
+5V
+15V
37
40
34
30
31
29
27
28
26
D3:13
D3:14
+24V
D3:9
D3:10
GND
-15V
PGND
4
VCC
8
3
4
+
-
5
6
D1
VCC
R5
2
8
+
-
7
1
18
22
23
24
21
20
15
17
16
14
13
CS425
D19:8, D20:8, D21:8
+15V
EX_GEST_FESTO
HOLD_FESTO
EN_FESTO
37
40
34
30
31
29
GND
+5V
CS_CO_SENSOR
CS_FRAM
27
28
26
U5:1
D20:1
D19:6, D20:6, D21:6
GND
18
SCLK+
SCLK-
CS1
22
23
24
20
21
N104:8
N104:7
PGND
-15V
SDI+
SDI-
CO_AXIS
CO_AXIS
24V_FESTO15
CS1
CS_HOLDING_CIRCUIT
CO sensor
green
H3
03002870 (aq)
C&P20 head adapter
16, 3116, 31 VCC 85
Cable carrier interface
03009768
(W2)14
6
n.u.
25(W2)
3
2
(W1)
(W1)
03046226 (ra)
Sub-distributor
X1ra X5ra
Voltage
1(W1)
-15V
GND
+5V
+15V
4
5
3
2
X14
X13
Connector
TQM167, SIPLACE
Embedded module
03003536
X1
X2
Assembly
CS_ADAPTER
CS_FESTO
CS_CO_SENSOR
13
14
CS2
11
12
10
9
CO_AXIS
CO_AXIS
X18:8
GND
X18:2,4,6
X18:14
X18:12
+24V
X50aa
1
CO_AXIS 26
CO_AXIS
27
+24V
+15V
+5V
-15V
GND
25
28
22
19
26
27
25 +15V
+24V
28
+5V
-15V22
19
CS_RES2132
D20:9
U4
D20:14
D20:15
GND
+5V
D20:18
03006742
10
8
9
7
4
5
6
2
3
Return motion unit
GND
OUT
GND
03007697
4
X9as
6
5
1
3
2
X15as
+24V
0V
+5V
+15V
-15V
GN
BN
WH
WH
PK
RD
BU
OG
Gantries 1 and 4
Axis unit
03048879
(tq)
Axis unit
Backplane
OPTO_GND
X04_1tq
CAN2_RX
CAN2_TX
CS_RES
PGNDPGND
40-pole 40-pole
40-pole40-pole140-pole
Key
Key
Key
+5V
CAN_TX_FESTO
U1:5
BU
GY
YE
GN
WH
RD
PK
BK
BN
EN_EEPROM
EN_AD
n.u.
D out
D in
CLK
DGND
+15V
+5V
D19:9
R201
Test plug
SPI_INT_ENABLE
CS_FRAM
03057572
LED
greenD3
D8
D6
green
green
Color
+5V
-15V
+15V
Function
Switch
OFFS1.1
S2.1
S1.2
OFF
ON
State
S2.2 ON
03.
02.
01.
Status
Function status
Product status
Document status
Modified Date Name
Date
Author
Check.
Stand.
Mat.no.:
CAD file:
Orig./Repl.f./Repl.by
Sh.
Sh.(s)
09.03.08
04.03.09
04.03.09
06.08.2005TDH
TDH
TDH
TDH
P01_20X3X4X4I-030201LD3.DWG
Copyright ©
ASM Assembly Systems
GmbH & Co. KG
Rückholeinheit, BE-Sensor, C&P20-Kopf, Portal 1
SIPLACE X3/X4/X4I
SIPLACE X-Series
P01_20X3X4X4I-030201LD3
1
1