00196193-0102_DC_SIPLACE-X_DE EN - 第137页
2 - 65 P04_20X3X4X4I-03020 1LD3 Rückholeinheit, BE-Sensor , C&P20, Portal 4, SIPLACE X3/X 4/X4I Return motion unit, CO sen s or , C&P20, gantry 4, SIPLACE X3/ X4/X4I 22 18 20 8 CS_FESTO U1:10 U1:13 +5V 34 X2ds 37…

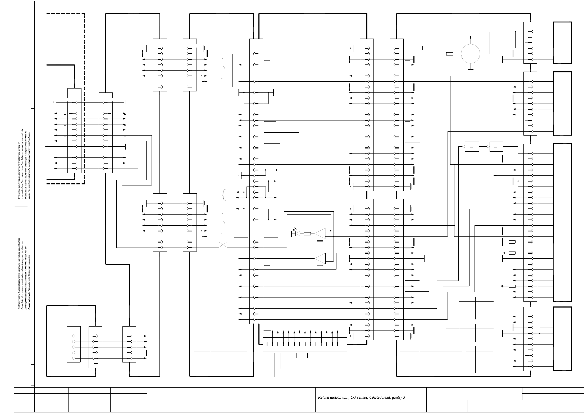
2 - 64
P03_20-030201LD3 Rückholeinheit, BE-Sensor, C&P20, Portal 3, SIPLACE X2/X3/X4/X4I
Return motion unit, CO sensor, C&P20, gantry 3, SIPLACE X2/X3/X4/X4I
X13:51
X13:50
X13:54
X13:49
X13:43
X13:57
EX_GEST_FESTO
HOLD_FESTO
EN_FESTO
120
67
118
CS_CO_SENSOR
CS_FRAM
139
117
CO_AXIS
X13:102
X13:45
CO_AXIS
DC/DC converter
CO_AXIS39
CO_AXIS_DIG
CO_AXIS
63
CS1123
41
VCC83
Z_RETURN
Z sensor stop
PE
Z track A
Z track B
Z track B
Z track A
GND
Z track N
Z track N
1,4,7,17,20,23,26
Cable carrier interface
03010612 (ca)
1010
Z sensor stop
+5V
14
12
11
14
12
+5V
11
Z track A
Z track B
Z track B
Z track A
Z track N
Z track N
1,4,7,17,20,23,26
PE
22
6
8
9
5
3
6
8
9
5
3
Z1 axis
Actual value
03009814
X1up /
X24ca
DC/DC converter
X13:53 CO_TEACH74
PE
Carrier cable 6, 2GO
1, 10, 34
PE
X6ca X6cc
1, 10, 34
S/Z2 motor
03052306 (X4/X4I)
n.u.
LED
greenD3
D8
D6
green
green
Color
+5V
-15V
+15V
Function
Switch
OFFS1.1
S2.1
S1.2
OFF
ON
State
S2.2 ON
03.
02.
01.
Status
Function status
Product status
Document status
Modified Date Name
Date
Author
Check.
Stand.
Mat.no.:
CAD file:
Orig./Repl.f./Repl.by
Sh.
Sh.(s)
09.03.08
04.03.09
04.03.09
06.08.2005TDH
TDH
TDH
TDH
P03_20-030201LD3.DWG
Copyright ©
ASM Assembly Systems
GmbH & Co. KG
Rückholeinheit, BE-Sensor, C&P20-Kopf, Portal 3
SIPLACE X2/X3/X4/X4I
SIPLACE X-Series
P03_20-030201LD3
1
1
16
17
13
14
N104:5
N104:6
03020263
C&P20 pressure sensor
CLK 5
D in
D out
n.u.
EN_AD
EN_EEPROM
D19:18
DS89C21
DS89C21
FM25C160
74HCT14
74LS07
Type
D19:17
D19:15
D19:14
8
9
10
6
7
b9
GND
GND
+15V
+5V
TP3
D21:15
D21:16
D21:14
-15V
R63
2
4
3
X19cs
1
b13
b12
b10
b11
EX_GEST_FESTO
24V_FESTO
CAN_RX_FESTO
R142
CAN_RX
GND
GND
+15V
PGND
D21:17
D21:9
b4
b6
b7
b8
b5
b1
b3
b2
a13
a12
03005070
A
Vbb
BTS4141N
24V_FESTO
CO_TEACH17 17
03012097-W2
GND
GND
+5V
+15V
34
X2cq
40
37
31
30
28
29
27
D3:11
D3:12
PGND
-15V
26
24
25
23
21
22
18
20
8CS_FESTO
U1:10
U1:13
+5V
34
X2cs
37
40
GND
CAN_RX_X1
CAN_TX_X1
30
31
29
28
27
GND
D21:1
+15V
Y
CS_HOLDING_CIRCUIT
D19:2, D20:2, D21:2
D19:19, D20:19, D21:19
D19:7, D20:7, D21:7
SPI_INT_ENABLE
CS3
CS0
26
23
25
24
D19:1
SD0+
SD0-21
22
18
20
N103:7
N103:8
PGND
-15V
U4
03012097-W1
+24V
GND
D3 DS8922
Type
75157
IC
D1
1,8
14
15
13
11
X1cq
D19:4, D20:4, D21:4
C&P20 intermediate distributor
03002942 (cs)
1,8
Z_RETURN
24V_FESTO
CS214
15
11
13
GND
X1cs
R148
GND
IN
V4
CO_TEACH 1
CO sensor
569
03021066-W1
24V_FESTO
+15V
D21:18
-15V
GND
PGND
Y A
a5
a8
a10
a9
a7
a6
a4
a3
X12cs
a1
a2
CO_AXIS
CO_AXIS
n.u.
n.u.
n.u.
15 15
PE
X19:11
X19:9
DC/DC converter
+15V
-15V
X14:38
X14:43
X13:48
91
-15V
+15V
88
87
89
90
CS_FESTO
92
138
136
137
PE
X13:55
X13:56
X14:63
X13:44
SPI_INT_ENABLE
128
CS0125
130
126
134
140
Head interface
03000901 (cc)
PE
X18:8
GND
X18:2,4,6
X18:12
X18:14
DP1/DP2 motor
1, 10, 14, 34
Carrier cable 8, 2GO
+15V
+24V
-15V
GND
+5V
PE
22
28
25
19
16, 31
Gantry 1 or 3
X8ca
1, 10, 14, 34
16, 31
-15V22
+15V
+24V
28
25
+5V19
X8cc
03052308 (X4/X4I)
X22cc/J3
Z_RETURN
X13:46
Gantry 3
Z_RETURN
CS2121
81
HOLD_FESTO
Pressure control valve
a111,81,8
X3cq
SPI_MTSR
SPI_MRST
SPI_SCLK
CS0
8
7
6
5
+24V
VCC
4
3
2
1
Pressure sensor, holding circuit
CO sensor
Assembly
Pressure control valve
D21
D20
D19
74VHCT541
N103
N104
U4
U5
U1
IC
25
GND
+5V
+15V
37
40
34
30
31
29
27
28
26
D3:13
D3:14
+24V
D3:9
D3:10
GND
-15V
PGND
4
VCC
8
3
4
+
-
5
6
D1
VCC
R5
2
8
+
-
7
1
18
22
23
24
21
20
15
17
16
14
13
CS425
D19:8, D20:8, D21:8
+15V
EX_GEST_FESTO
HOLD_FESTO
EN_FESTO
37
40
34
30
31
29
GND
+5V
CS_CO_SENSOR
CS_FRAM
27
28
26
U5:1
D20:1
D19:6, D20:6, D21:6
GND
18
SCLK+
SCLK-
CS1
22
23
24
20
21
N104:8
N104:7
PGND
-15V
SDI+
SDI-
CO_AXIS
CO_AXIS
24V_FESTO15
CS1
CS_HOLDING_CIRCUIT
CO sensor
green
H3
03002870 (cq)
C&P20 head adapter
16, 3116, 31 VCC 85
Cable carrier interface
03009808
(W2)14
6
n.u.
25(W2)
3
2
(W1)
(W1)
03046225 (qa)
Main distributor
X1qa X5qa
Voltage
1(W1)
-15V
GND
+5V
+15V
4
5
3
2
X14
X13
Connector
TQM167, SIPLACE
Embedded module
03003536
X1
X2
Assembly
CS_ADAPTER
CS_FESTO
CS_CO_SENSOR
13
14
CS2
11
12
10
9
CO_AXIS
CO_AXIS
X18:8
GND
X18:2,4,6
X18:14
X18:12
+24V
X50ca
1
CO_AXIS 26
CO_AXIS
27
+24V
+15V
+5V
-15V
GND
25
28
22
19
26
27
25 +15V
+24V
28
+5V
-15V22
19
CS_RES2132
D20:9
U4
D20:14
D20:15
GND
+5V
D20:18
03006742
10
8
9
7
4
5
6
2
3
Return motion unit
GND
OUT
GND
03007697
4
X9cs
6
5
1
3
2
X15cs
+24V
0V
+5V
+15V
-15V
GN
BN
WH
WH
PK
RD
BU
OG
Gantries 1 and 3 (X2)
Axis unit
03048879
(sq)
Axis unit
Backplane
OPTO_GND
X08_1sq
CAN2_RX
CAN2_TX
CS_RES
PGNDPGND
40-pole 40-pole
40-pole40-pole140-pole
Key
Key
Key
+5V
CAN_TX_FESTO
U1:5
BU
GY
YE
GN
WH
RD
PK
BK
BN
EN_EEPROM
EN_AD
n.u.
D out
D in
CLK
DGND
+15V
+5V
D19:9
R201
Test plug
SPI_INT_ENABLE
CS_FRAM
Gantry 3 (X3)
Gantries 2 and 3 (X4/X4I)
Carrier cable 8, 1G
03038078 (X2/X3)
Carrier cable 6, 1G
03038076 (X2/X3)
03057572

2 - 65
P04_20X3X4X4I-030201LD3 Rückholeinheit, BE-Sensor, C&P20, Portal 4, SIPLACE X3/X4/X4I
Return motion unit, CO sensor, C&P20, gantry 4, SIPLACE X3/X4/X4I
22
18
20
8CS_FESTO
U1:10
U1:13
+5V
34
X2ds
37
40
GND
CAN_RX_X1
CAN_TX_X1
30
31
29
28
27
GND
D21:1
+15V
Y
CS_HOLDING_CIRCUIT
D19:2, D20:2, D21:2
D19:19, D20:19, D21:19
D19:7, D20:7, D21:7
SPI_INT_ENABLE
CS3
CS0
26
23
25
24
D19:1
SD0+
SD0-21
22
18
20
N103:7
N103:8
PGND
-15V
U4
03012097-W1
+24V
GND
D3 DS8922
Type
75157
IC
D1
1,8
14
15
13
11
X1dq
D19:4, D20:4, D21:4
C&P20 intermediate distributor
03002942 (ds)
1,8
Z_RETURN
24V_FESTO
CS214
15
11
13
GND
X1ds
R148
GND
IN
V4
CO_TEACH 1
CO sensor
569
03021066-W1
24V_FESTO
+15V
D21:18
-15V
GND
PGND
Y A
a5
a8
a10
a9
a7
a6
a4
a3
X12ds
a1
a2
CO_AXIS
CO_AXIS
D20:9
U4
+24V
VCC
4
3
2
1
Pressure sensor, holding circuit
CO sensor
Assembly
Pressure control valve
D21
D20
D19
74VHCT541
N103
N104
U4
U5
U1
IC
25
GND
+5V
+15V
37
40
34
30
31
29
27
28
26
D3:13
D3:14
+24V
D3:9
D3:10
GND
-15V
PGND
4
VCC
8
3
4
+
-
5
6
D1
VCC
R5
2
8
+
-
7
1
18
22
23
24
21
20
15
17
16
14
13
CS425
D19:8, D20:8, D21:8
+15V
EX_GEST_FESTO
HOLD_FESTO
EN_FESTO
37
40
34
30
31
29
GND
+5V
CS_CO_SENSOR
CS_FRAM
27
28
26
U5:1
D20:1
D19:6, D20:6, D21:6
GND
18
SCLK+
SCLK-
CS1
22
23
24
20
21
N104:8
N104:7
PGND
-15V
SDI+
SDI-
CO_AXIS
CO_AXIS
24V_FESTO15
16
17
CS1
CS_HOLDING_CIRCUIT
CO sensor
green
H3
03002870 (dq)
C&P20 head adapter
16, 3116, 31 VCC 85
Cable carrier interface
03009828
(W2)14
6
n.u.
25(W2)
3
2
(W1)
(W1)
03046226 (ra)
Sub-distributor
X1ra X6ra
Voltage
1(W1)
-15V
GND
+5V
+15V
4
5
3
2
X14
X13
Connector
TQM167, SIPLACE
Embedded module
03003536
X1
X2
Assembly
CS_ADAPTER
CS_FESTO
CS_CO_SENSOR
13
14
CS2
11
12
10
9
CO_AXIS
CO_AXIS
X18:8
GND
X18:2,4,6
X18:14
X18:12
+24V
X50da
1
CO_AXIS 26
CO_AXIS
27
+24V
+15V
+5V
-15V
GND
25
28
22
19
26
27
25 +15V
+24V
28
+5V
-15V22
19
CS_RES2132
green
Color
+5V
-15V
+15V
Function
Switch
OFFS1.1
S2.1
S1.2
OFF
ON
State
S2.2 ON
03029048 (dc) (X4I)
03.
02.
01.
Status
Function status
Product status
Document status
Modified Date Name
Date
Author
Check.
Stand.
Mat.no.:
CAD file:
Orig./Repl.f./Repl.by
Sh.
Sh.(s)
09.03.08
04.03.09
04.03.09
06.08.2005TDH
TDH
TDH
TDH
P04_20X3X4X4I-030201LD3.DWG
Copyright ©
ASM Assembly Systems
GmbH & Co. KG
Rückholeinheit, BE-Sensor, C&P20-Kopf, Portal 4
SIPLACE X3/X4/X4I
SIPLACE X-Series
P04_20X3X4X4I-030201LD3
1
1
n.u.
n.u.
15 15
PE
X19:11
X19:9
DC/DC converter
+15V
-15V
X14:38
X14:43
X13:48
91
-15V
+15V
88
87
89
90
CS_FESTO
92
138
136
137
PE
X13:55
X13:56
X14:63
X13:44
SPI_INT_ENABLE
128
CS0125
130
126
134
140
Head interface
03000901 (dc) (X3/X4)
PE
X18:8
GND
X18:2,4,6
X18:12
X18:14
DP1/DP2 motor
1, 10, 14, 34
Carrier cable 8, 2GE
+15V
+24V
-15V
GND
+5V
PE
22
28
25
19
16, 31
Gantry 2 or 4
X8da
1, 10, 14, 34
16, 31
-15V22
+15V
+24V
28
25
+5V19
X8dc
03052298
X22dc/J3
Z_RETURN
X13:46
Gantry 4
Z_RETURN
CS2121
81
HOLD_FESTO
Pressure control valve
a111,81,8
X3dq
SPI_MTSR
SPI_MRST
SPI_SCLK
CS0
8
7
6
5
X13:51
X13:50
X13:54
X13:49
X13:43
X13:57
EX_GEST_FESTO
HOLD_FESTO
EN_FESTO
120
67
118
CS_CO_SENSOR
CS_FRAM
139
117
CO_AXIS
X13:102
X13:45
CO_AXIS
DC/DC converter
CO_AXIS39
CO_AXIS_DIG
CO_AXIS
63
CS1123
41
VCC83
Z_RETURN
Z sensor stop
PE
Z track A
Z track B
Z track B
Z track A
GND
Z track N
Z track N
1,4,7,17,20,23,26
Cable carrier interface
03010622 (da)
1010
Z sensor stop
+5V
14
12
11
14
12
+5V
11
Z track A
Z track B
Z track B
Z track A
Z track N
Z track N
1,4,7,17,20,23,26
PE
22
6
8
9
5
3
6
8
9
5
3
Z1 axis
Actual value
03009834
X1vp /
X24da
DC/DC converter
X13:53 CO_TEACH74
PE
Carrier cable 6, 2GE
1, 10, 34
PE
X6da X6dc
1, 10, 34
S/Z2 motor
03052296
n.u.
n.u.
D20:14
D20:15
GND
+5V
D20:18
03006742
10
8
9
7
4
5
6
2
3
Return motion unit
GND
OUT
GND
03007697
4
X9ds
6
5
1
3
2
X15ds
+24V
0V
+5V
+15V
-15V
GN
BN
WH
WH
PK
RD
BU
OG
Gantries 1 and 4
Axis unit
03048879
(tq)
Axis unit
Backplane
OPTO_GND
X08_1tq
CAN2_RX
CAN2_TX
CS_RES
PGNDPGND
40-pole 40-pole
40-pole40-pole140-pole
Key
Key
Key
+5V
CAN_TX_FESTO
U1:5
BU
GY
YE
GN
WH
RD
PK
BK
BN
EN_EEPROM
EN_AD
n.u.
D out
D in
CLK
DGND
+15V
+5V
D19:9
R201
Test plug
SPI_INT_ENABLE
CS_FRAM
03057572
LED
greenD3
D8
D6
green
13
14
N104:5
N104:6
03020263
C&P20 pressure sensor
CLK 5
D in
D out
n.u.
EN_AD
EN_EEPROM
D19:18
DS89C21
DS89C21
FM25C160
74HCT14
74LS07
Type
D19:17
D19:15
D19:14
8
9
10
6
7
b9
GND
GND
+15V
+5V
TP3
D21:15
D21:16
D21:14
-15V
R63
2
4
3
X19ds
1
b13
b12
b10
b11
EX_GEST_FESTO
24V_FESTO
CAN_RX_FESTO
R142
CAN_RX
GND
GND
+15V
PGND
D21:17
D21:9
b4
b6
b7
b8
b5
b1
b3
b2
a13
a12
03005070
A
Vbb
BTS4141N
24V_FESTO
CO_TEACH17 17
03012097-W2
GND
GND
+5V
+15V
34
X2dq
40
37
31
30
28
29
27
D3:11
D3:12
PGND
-15V
26
24
25
23
21

2 - 66
S01_CPPX2-010101LD3 Sternachse, CPP-Kopf, Portal 1, SIPLACE X2 (Bl. 1 v. 2)
Star axis, CPP head, gantry 1, SIPLACE X2 (sh. 1 of 2)
+24V
VCC
-15V
X18:2,4,6
X19:11
+24V
+15V
PE
19
16, 31
22
X18:14
X18:8
Star motor W
GND
-15V
+5V
9
8
Star motor V
Star motor U
6
7
5
3
4
2
1, 10, 34
X6bc
PE
PGND
Gantry 1
03000901 (bc)
Head interface
GND/GGND
4
S_Count_Error
S_N
78
B6
4
R13
470R
3
21
N9
10
N
+5V 7
8
Key
Track N
Track N
+5V
Track B
X4bq
4
2
Track A
Track A
34
65
2
470R
1
R12
A3
B
GND
5
4
A
PE
2
1
PE
Track A
Track A
39
40
38
GND
Track N12
8
10
6
Track B
Track B
Track N
7
13
Track N 32
GND
Track B
Track B
36
37
35
VCC
Track N 33
34
19+5VTrack A3
Key
BU
RD
PK
OG
WH
03046225 (qa)
Main distributor
X1qa
0V
+5V
+15V
+24V
-15V
6
n.u.
Cable carrier interface
X6qa
BN
GN
WH
3
52
41
2
1
(W1)
(W2)
(W2)
(W1)
(W1)
Voltage
03009788
X50ba
+15V 3
5
4
+5V
GND
2
1
-15V
+24V
n.u.11
14 n.u.
12
13
+5V
n.u.
Track B
Track B
Track N
Track N8
9
10 GND
5
6
Track A
Track A
33
32
Track N 26
Track B
Track B
30
29
Track N 27
28+24V
+15V
-15V
22
25
Screen
GND/G
US
GND/G
GND/G
GND/F
+5V/F
CS
SO
SI
SCK
EPROM
Flash
CS_S_Geber
MISO_Geber
MOSI_Geber
CLK_Geber
CAN_RX_ZV
GND
+15V
-15V
+5V
1
2
4
5
3
X14
6Z_BOTTOM_X2
+24V_DP_sw
n.u.
7
8
Test plug
Voltage
+5VDC
-15VDC
+15VDC
Color
GN
GN
V107
V108
V106 GN
LED
LED
RDV112
Color
S_Count_Err
Function
RD
BK
WH
OG
S1
21
ON
OFF
50-pole
01.
01.
01.
Status
Function status
Product status
Document status
Modified Date Name
Date
Author
Check.
Stand.
Mat. no.:
CAD file:
Orig./Repl.f./Repl.by
Sh.
Sh.(s)
04.03.09
04.03.09
04.03.09
04.03.2009TDH
TDH
TDH
TDH
S01_CPPX2-010101LD3_SH01.DWG
Copyright ©
ASM Assembly Systems
GmbH & Co. KG
SIPLACE X-Series
S01_CPPX2-010101LD3
1
2
(S_C)
Sternachse, CPP-Kopf, Portal 1
SIPLACE X2
Track A
Track A
Star tracks
GND
Track B
Track A
Track A
PE
Test plug
39
40 PE
38
Track B
Track B
+5V
GND
Track N
Track N32
36
37
35
33
34
RI
10
11
12
RI
8
S_B
5
6
+5V/G
T2
T2
ZV1 - CPP PCB
S_A
+15V
-15V
+24V
VCC
PE
87
86
85
83
84
92
91
89
88
90
+15V 28
GND 22
-15V 20
PGND 18
Star motor W
Star motor V
Star motor U
110
111
109
108
107
PE 8
7
5
6
4
PE
2
3
1
GND
-15V
GND
+15V
28
22
20
18
PE8
7
50
48 S_A
S_A
+5V
S_B
46
45
S_N
S_N
X30
S_U
S_W
S_V
42
40
38
S_U
S_W
S_V
19
S_Count_Err19VHS_STATUS
7
9
17
15
14
13
16
20
19
18
S_A
PE
GND
S_B
S_N
+5V
47
48
49
50
45
46
S_B
X5to /
X03_1sq
To sheet 2
Phase_U
Phase_V
Phase_W
To sheet 2
X03_3sq
Track A
Track A
Track B
Track B
Track N
Track N
n.u.
n.u.
n.u.
OPTO_GND
+5V
PE
24 23
13 14 S_Count_Error
124 VHS_STATUS
(DIG_10_G)
X13:61
+24V_Head+24V
ZV2 - CPP PCB
03052586
CPP
Star drive
03061531
M
3 ~
Star drive
Rotary encoder
CPP
03039363
15 5
D21
15 15
16,18,20,2215,17,19,21
GND
14,38,40,42,4435,37,39,41,43
36
44
1,4,7,17,20,23,26
03009793
Actual value
S/Z2 axis 26-pole
Track A
X23ba
2
PE PE
BK
BN
GN
4 PE
Star motor W
Star motor V
3
2
Carrier cable 5, 1G
03038075
1, 11, 14, 34
16, 31
X5ba
34-pole
GND
X motor
16, 31
-15V 22
+15V
+24V
28
25
+5V
GND
19
8
9
7
5
6
4
Gantry 1 or 3
03010612 (ba)
Cable carrier interface
Cable carrier interface
WH
03050893
S/Z2 motor
Star motor U1
X13ba
S/Z2 motor
Carrier cable 6, 1G
1, 10, 34
X6ba
2
3
34-pole
PE
03038076
Track A
Track A
Track B
Track B
Track N
Track N
DC/DC converter
+5V19
32
33
Track A
Track A
28
25
22
27
26
29
30
Track N
Track B
Track B
Track N
X18:8
X18:14
X18:2,4,6
X18:12
+24V
+15V
-15V
GND
DC/DC converter
X18:12
+15V25
16, 31
1, 11, 14, 34
X5bc
28
DC/DC converter
X19:9
PE
GND
5
6
4
2
3
1PE
X2bq
C&P20 head adapter
03002870 (bq)
PGND
140
134
113
114
112
X22bc/J3
03074061-W2
CPP cable set
X2
03065295
PE 1
3
2
X23
Screen
T1
T1
n.u.
V phase
6n.u.
X25
4
5
3
Screen
1
2
U phase
W phase
34-pole
34-pole
140-pole
X26
41
39
37
35
43 +15V
GND
47
49