00196193-0102_DC_SIPLACE-X_DE EN - 第158页
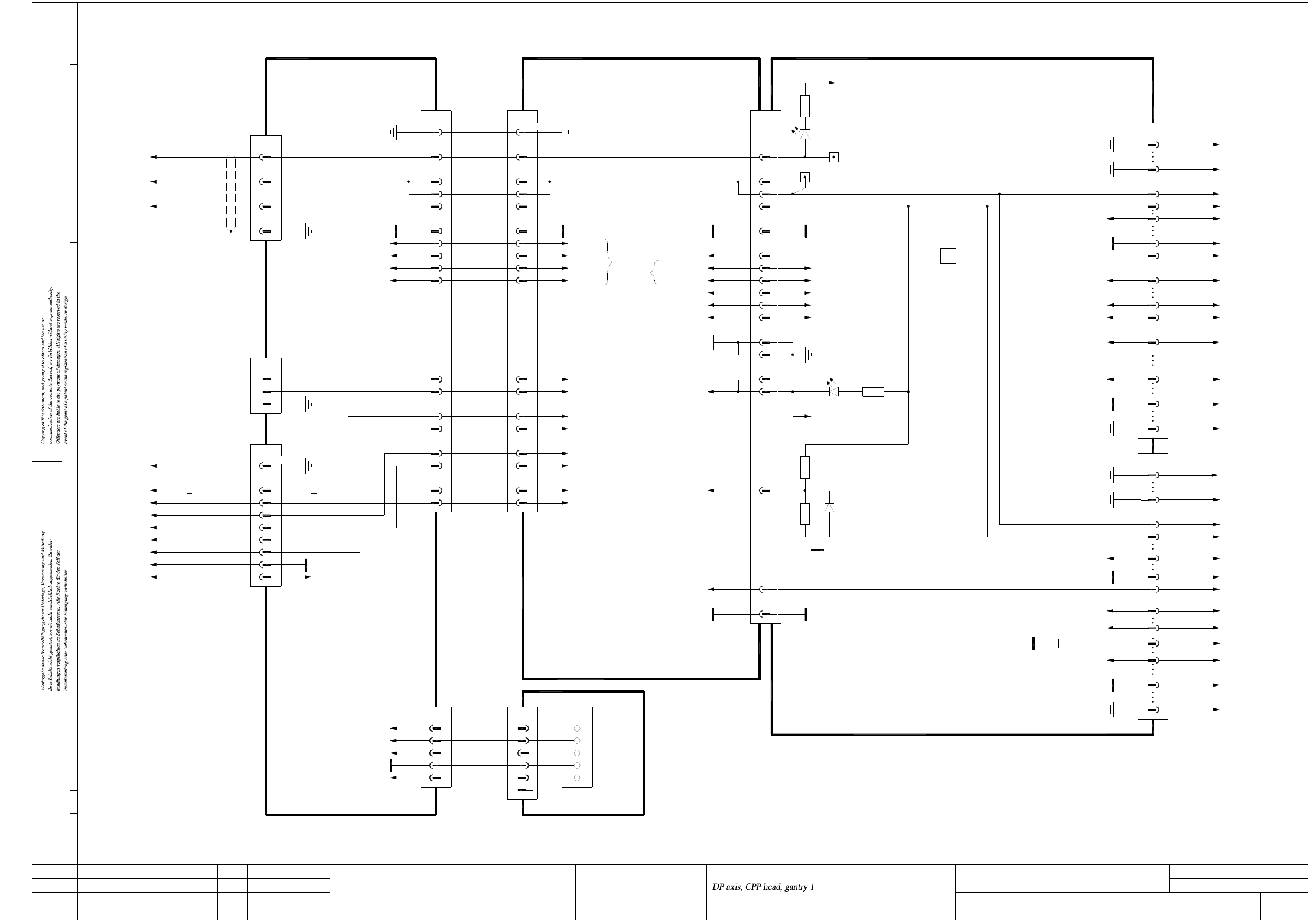
2 - 86 DP01_CPPX2-010101LD3 DP-A c hse, CPP-Kop f, Portal 1, SIPLACE X2 (Bl. 1 v . 3) DP axis, CPP head, gantry 1, SIPLACE X2 (sh . 1 of 3) H1 H2 GN Color DP1 DP1 DP drive 03050314 03050314 DP12 DP0 1 X7 X18 Voltage VCC …

2 - 85
Z04_CPPX3X4X4I-010101LD3 Z-Achse, CPP-Kopf, Portal 4, SIPLACE X3/X4/X4I (Bl. 2 v. 2)
Z axis, CPP head, gantry 4, SIPLACE X3/X4/X4I (sh. 2 of 2)
03036027 (tb)
Axis card A364, gantry 4 SDS60/3Z1 servo amplifier
03002141 (tq)
Track A
Track A
Track B
Track B
Track N
Track N
OPTO_GND
UB_Power_OK
Inom_W
Inom_U
+15V_Servo
-15V_Servo
Servo_Ready
AGND
Inom_W
Inom_U
Servo_Enable
+40V_Z/DP
UB_Power_OK
+150V_Star
Phase_V
Phase_U
Phase_W
D18
Servo_Enable
Servo_Ready
I²t
PGND
C22; A/C24
C16 I²t
D22
+15V_Servo
-15V_Servo
+5V
+15V
-15V
D10,18
D30
Z28
Z20;D22
Z4; D6
D30
D10
Z28
Z16;D18
D6
8
X30_1tq
1
3
2
4
5
6
7
PA1_CAN_L
GND
PA1_CAN_H
9
n.u.
n.u.
n.u.
n.u.
9
n.u.
1
5
n.u.
n.u.
7
8
6
n.u.
3
4
2
X30_2tq
PA2_CAN_H
PA2_CAN_L
GND
OFF
ON
S1
12
26-pole
25
12
10
19
18
22
24
21
X1vp /
Axis unit
03048879 (tq)
Backplane
1,4,7,17,20,23,26
PE
(S1.2 n.u.)
11
A/D22; B/E22,24,25; C20,25
C23
B/E18
C12
C13
A25
A24
E25
D22
D23
X22_2tq
E24
X2tb
C16
D16; E17
D17
D24
E19
D25
A/C/E3,4,7,8,11
E16
B/D1,2,5,6,9-11
X08_2tq
A/C32
A/C30
C26; A/C28
C10
C18; A/C20
C14
C12
A12
A8
C8
A/C2
C4
A4
X1tq
GND
AGND
-15V
+15V_Servo
+5V
X4tb
C1
C5
AGND End signal
DC/DC converter 5V/±15V
00353449
DC/DC converter ±15V
00353450
X51tq
X50tq
Z4,8,20
Z8,16
GND
AGND
R28
L13
R29
L14
R30
L15
X08_1tq
X24da
Sheet 1
03009834
+5V
Z sensor stop
OPTO_GND
Track A
Track A
Track B
Track B
Track N
Track N
C22
BN
GN
WH
BK
BN
GN
WH
+40V_Z/DP
+150V_Star
X14da
Sheet 1
X14
1
4
Star motor_V
Star motor_U
Star motor_W
Screen
00354626
Power supply
B12, C17
C14, C18
EMERG._STOP_HEAD_AXIS
POWER_FAIL
X47tq:2
+15V
03057572
01.
01.
01.
Status
Function status
Product status
Document status
Modified Date Name
Date
Author
Check.
Stand.
Mat. no.:
CAD file:
Orig./Repl.f./Repl.by
Sh.
Sh.(s)
04.03.09
04.03.09
04.03.09
04.03.2009TDH
TDH
TDH
TDH
Z04_CPPX3X4X4I-010101LD3_SH02.DWG
Copyright ©
ASM Assembly Systems
GmbH & Co. KG
SIPLACE X-Series
Z04_CPPX3X4X4I-010101LD3
2
2
Z-Achse, CPP-Kopf, Portal 4
SIPLACE X3/X4/X4I
+15V
Gantries 1 and 4
Axis unit
Z sensor stop
+5V
X22_3tqX3tb
(W1)
+150V_Star
43
Sub-distributor 03046226
Sub-distributor 03046226
POWER_FAIL_24VDC
EMERG.-STOP_MAIN_AXIS
POWER_FAIL
POWER_FAIL_24VDC
Vin(+)Axis
-15V
+15V
PGND
Vin(-)Axis
PGND
X47tq
WH+BN (W4)
(W5)
(W5)
(W5)
3
2
1
WH
GY
BN
X4ra:1
(W2)
(W2)
(W3)
(W3)
(W3)
(W1)
(W1)
1
2
5
3
4
WH
BN
GN
X46tq
1
5
4
2
GNYE
2
X4ra:2
X4ra:1
X4ra:3
POWER_FAIL_24VDC
SERVO_ENABLE
POWER_FAIL_AXIS
POWER_FAIL_24VDC
10
2
11
Vin(+)_AXIS
Vin(-)_AXIS
GND_Z/DP
6
9
3
7
Phase_W
Phase_V
Phase_U
+40V_Z/DP
03050914
X08_3tq
03050920
(W1)
(W1)
X45tq
2
1
3
1
3
2
1

2 - 86
DP01_CPPX2-010101LD3 DP-Achse, CPP-Kopf, Portal 1, SIPLACE X2 (Bl. 1 v. 3)
DP axis, CPP head, gantry 1, SIPLACE X2 (sh. 1 of 3)
H1
H2 GN
Color
DP1
DP1
DP drive
03050314 03050314
DP12DP01
X7 X18
Voltage
VCC
VCC3
+24V
Color
GN
GN
H26
H27
H25 GN
LED
03054771
PCB / Power module
for 12 DP drives
+24V
GND
CAN
Z_BOTTOM_SC
19,20
1,2,3,4,5,6,7
8,9,10,11,12,13,14,17,18
15,16
X6
20-pole
CAN
03054646
Valve block - CPP PCB
CAN
20-pole
X11
5,6
3,4,7,8,9,10,11,12,13
14,15,16,17,18,19,20
1,2
Z_BOTTOM_SC
GND
S1
21
ON
OFF
28272625
TP
YEBKRDGN
Z_BOTTOM
GND
+5V
CAN
XB5XB6XB4XB3
03064524
KD rotor PCB/PCBKD stator PCB/CPP
03064523
CAN_TX_OUT
GND
+5V
CAN_RX_IN
Z_BOTTOM
GND
6
3
4
5
X1
1
2
24V+
12-pole
12
7
8
10
11
9
2
4
5
6
3
1
X5
24V_RTN/GND
24V_RTN/GND
24V_RTN/GND
24V_RTN/GND
+24V
+24V
+24V
+24V
ESD
1
3
6
5
4
2
9
11
10
8
7
12
12-pole
PE
24VDCW001 1 A
A2W002 24VDC
GroundW003 3 ESD
03052586
ZV2_CPP PCB
Z_BOTTOM
CAN_RX_ZV
GND
+5V
CAN_TX_ZV
2
1
X3
5
4
3
6
12-pole
12-pole 12-pole
holding circuit
03036806
Vacuum sensor
ESD
+24V
GND
GND
GND
GND
+24V
+24V
GND_DP
2
1
5
4
3
6
8
7
24V+_DP_Switched
X29/X1
1
3
6
5
4
2
8
7
12
7
8
10
11
9
2
4
5
6
3
1
X19
+15V
ZV1_CPP PCB
03065295
PE
PE
+24V_Head
GND
1
9
8
15
19
18
10
DP_ON
GND_DP
24V+_DP
-15V
+15V
GND
+5V
U9
28
29
30
34
13,31,37
CAN_RX_X1
CAN_TX_X1
20
X1
PE
PE
PE
40
1
X2
8
9
10
GND_DP
24V+_DP
GND
-15V
+5V
GND
+15V
18
20
34
22,37
28
15 +24V_Head
PE
40
+5V
D_OUT
EN_AD
12
10
11
9
7
8
6
3
4
5
X2
1
2
EN_EEPROM
GND
CLK
GND
D_IN
Z_BOTTOM_VAC
CAN_RX_VAC
CAN_RX_ZV
Status_24V_DP
T1
X32:18
+3.3VDCGNV115
LED
GNV106
V108
V107
GN
GN
Color
+15VDC
-15VDC
+5VDC
Voltage
PE
PE
PE
26
U8
X31:19
X31:20
DP_ON
CAN_TX_X1
PE
PE
PE
GND_DP
GND_DP
Status_24V_DP2625
X32:16
24
+5V
+5V
GND_DP
GND_DP
2423
22 21-15V -15V
+15V+15V 1920
X31:10,12,14,16
18 1724V+_Head 24V+_Head
24V+_DP24V+_DP
GND GND
DP_ON
03074061-W2
Status_24V_DP31
03074061-W1
CAN_TX_X1
X26
2
1
4
15
35
36,38,40,42,44
43
X30
10V+_DP
3.3V+_DP
CAN_RX_X1
1
2
3
10V+_DP
3.3V+_DP
CAN_RX_X1
35,37,39,41,43
36
44
65
87
16,18,20,2215,17,19,21
16
50-pole
To sheet 2
X1bq
X2bq
To sheet 2
01.
01.
01.
Status
Function status
Product status
Document status
Modified Date Name
Date
Author
Check.
Stand.
Mat. no.:
CAD file:
Orig./Repl.f./Repl.by
Sh.
Sh.(s)
04.03.09
04.03.09
04.03.09
04.03.2009TDH
TDH
TDH
TDH
DP01_CPPX2-010101LD3_SH01.DWG
Copyright ©
ASM Assembly Systems
GmbH & Co. KG
SIPLACE X-Series
DP01_CPPX2-010101LD3
1
3
DP-Achse, CPP-Kopf, Portal 1
SIPLACE X2
25
23
V_IN
V_OUT
V_OUT
10-pole 10-pole
03054784
PCB / Control module
for 12 DP drives
X1
X2
X3
X4
X5
U1:11
U1:13
D107:4
U1:10
+24V
03059578
Drum contact ring
RotorStator
DP12
DP12
GNH24
H23 RD
LED
RD

2 - 87
DP01_CPPX2-010101LD3 DP-Achse, CPP-Kopf, Portal 1, SIPLACE X2 (Bl. 2 v. 3)
DP axis, CPP head, gantry 1, SIPLACE X2 (sh. 2 of 3)
29
30
32
33
X13, X14
03003536
Frame connectors for TQM 167 SIPLACE embedded modules
VHS_Status
VHS_24V
1,10,14,34
X8ba
PE
Cable carrier interface
03010612 (ba)
Gantry 1 or 3
X16ba
3
5
4
19
22
28
25
GND
-15V
+5V
+15V
+24V
16, 31
2
3
VHS_GND
VHS_24V
PE
4
23
24
26
27
PE
DP tachom. -
DP tachom. +
1
3, 4
2
X161
21VHS_24V
29
30
32
33
2
3
DP track A
DP track A
PE
6
8 DP track N
DP track B
10
12
9 DP track N
GND
+5V
5 DP track B
X26ba
1,4,7,17,20,23,26
Carrier cable 8, 1G
03038078
DP1/DP2 motor
03050896
DP1 motor
Cable carrier interface
GN
BN
BK
WH
VHS_GND
VHS_24V
VHS_24V
DP1 axis
Actual value
X09_1sq
OPTO_GND
PE
DP track N
DP track N
DP track B
DP track B
DP track A
DP track A
+5V
03009795
X3tp /
03074061-W2
40
PE
+24V
15
VHS_Status
+15V
28
GND
22,37
34
VCC
PGND
19
20
-15V
18
VHS_24V
VHS_GND
PE
10
9
8
PE
PE
1
X2bq
40
03074061-W1
X1bq
20
CAN2_TX
+15V
-15V
CAN2_RX
VCC
GND
13,31,37
34
29
30
28
VHS_24V (DP1_Motor_W)
VHS_GND (DP1_Motor_V)
DP_ON
PGND
10
+24V
19
18
15
PE
PE
8
9
1
Key
BU
RD
PK
OG
WH
03046225 (qa)
Main distributor
X1qa
0V
+5V
+15V
+24V
-15V
6
n.u.
Cable carrier interface
X6qa
BN
GN
WH
3
52
41
2
1
(W1)
(W2)
(W2)
(W1)
(W1)
Voltage
03009788
X50ba
+15V 3
5
4
+5V
GND
2
1
-15V
+24V
To sheet 3
X09_3sq
To sheet 3
DC/DC converter
DC/DC converter
X18:8
X18:12
X18:14
X18:2,4,6
X19:9
X19:11
34-pole34-pole 140-pole
R20
26-pole
Not used
C&P20 head adapter
03002870 (bq)
R3
TP2
R4
H2 GN
X22bc/J3
PE
Gantry 1
X8bc
1,10,14,34
Head interface
03000901 (bc)
102
100
104
TP1
122
136
+15V
-15V
CAN_2H
GND
X13bc:41
X14bc:38
+15V
-15V
DIG_IO_H
134,140
88,90
87,89
92
91
VCC
PE
H1 RD
84
86 +24V
X14bc:43
VCC
PE
+24V
83,85
138CAN_2L
GND
-15V
+5V
+15V
+24V
3
5
4
19
22
28
25
16, 31
VHS_GND
VHS_24V
X22bc:27, n.u.
X22bc:29, n.u.
X22bc:23, n.u.
X22bc:25, n.u.
23
24
26
27
2 VHS_24V 106
VHS_24V (DP1_Motor_U)
VHS_GND
VHS_GND (DP1_Motor_V)
VHS_24V (DP1_Motor_W)
PGND
VHS_ON
CAN2_RX
CAN2_TX
V4
65
GND
R19
AN2
X13bc:103
GNDGND
7,13
DIG_IO_G
X13bc:61
124
X22bc:19, n.u.
X22bc:21, n.u.
X22bc:15, n.u.
X22bc:17, n.u.
01.
01.
01.
Status
Function status
Product status
Document status
Modified Date Name
Date
Author
Check.
Stand.
Mat. no.:
CAD file:
Orig./Repl.f./Repl.by
Sh.
Sh.(s)
04.03.09
04.03.09
04.03.09
04.03.2009TDH
TDH
TDH
TDH
DP01_CPPX2-010101LD3_SH02.DWG
Copyright ©
ASM Assembly Systems
GmbH & Co. KG
SIPLACE X-Series
DP01_CPPX2-010101LD3
2
3
DP-Achse, CPP-Kopf, Portal 1
SIPLACE X2
X2
To sheet 1
X1
To sheet 1
-15V
VCC
GND
+15V
PE
PE
PE
+24V
PGND
DP_ON
VHS_GND
VHS_24V
GND
VCC
CAN2_RX
-15V
+15V
CAN2_TX
PE
PE
PE
VHS_GND
VHS_24V
PGND
VHS_Status
+24V
GND
R3
10k
31
+24V
10k
23
V1