00196193-0102_DC_SIPLACE-X_DE EN - 第178页
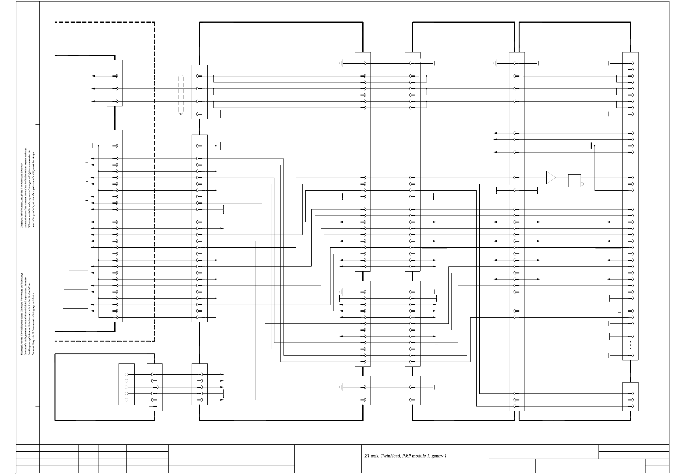
2 - 106 ZTH01 1_X2-030201LD3 Z1-Achse, T winHead, P&P-Modul 1, P ortal 1, SIPLACE X2 (Bl. 1 v . 3) Z1 axis, T winHead, P&P module 1, gantry 1, SIPLACE X2 (sh. 1 of 3) X30bd:26 X30bd:29 X30bd:33 +5V 1 GND 5 6 4 2 …

2 - 105
P04_CPPX3X4X4I-010101LD3 Rückholeinheit, BE-Sensor, CPP-Kopf, Portal 4, SIPLACE X3/X4/X4I
Return motion unit, CO sensor, CPP head, gantry 4, SIPLACE X3/X4/X4I
01.
01.
01.
Status
Function status
Product status
Document status
Modified Date Name
Date
Author
Check.
Stand.
Mat. no.:
CAD file:
Orig./Repl.f./Repl.by
Sh.
Sh.(s)
04.03.09
04.03.09
04.03.09
04.03.2009TDH
TDH
TDH
TDH
P04_CPPX3X4X4I-010101LD3.DWG
Copyright ©
ASM Assembly Systems
GmbH & Co. KG
SIPLACE X-Series
P04_CPPX3X4X4I-010101LD3
1
1
Rückholeinheit, BE-Sensor, CPP-Kopf, Portal 4
SIPLACE X3/X4/X4I
CS1
CS_HOLDING_CIRCUIT
CO sensor
GN
H3
03002870 (dq)
C&P20 head adapter
16, 3116, 31
VCC 85
Cable carrier interface
03009828
+24V
+15V
+5V
0V
-15V
WH
PK
RD
BU
(W2)14
6
n.u.
25(W2)
GN3
BN2
(W1)
(W1)
03046226 (ra)
Sub-distributor
X1ra X6ra
OG
Voltage
WH1(W1)
S1.2:1
X19:10
n.u.
EN
EN_EEPROM
EN_AD
D19:9
D_out
+5V
GND
12-pole
+15V
D19:15
CLK
n.u.
X21:4
X21:2
X30:11
X30:9
CAN_RX_CO_SENSOR
CAN_TX_CO_SENSOR
U1:11
U1:1
R231
10-pole
03029048 (dc) (X4I)
28
25
19
16, 31
Gantry 2 or 4
X8da
1, 10, 14, 34
16, 31
-15V22
+15V
+24V
28
25
+5V19
X8dc
03052298
X22dc/J3
Z_RETURN
X13:46
Gantry 4
Z_RETURN
CS2121
81
Z_BOTTOM_VAC
Pressure control valve
a11
1,81,8
X3dq
SPI_MTSR
SPI_INT_ENABLE
SPI_MRST
SPI_SCLK
CS0
8
7
6
5
+24V
VCC
4
3
2
1
GND
+5V
+15V
37
40
34
29
27
28
26
D3:13
D3:14
+24V
D3:9
D3:10
GND
-15V
PGND
4
VCC
8
3
4
+
-
5
6
D1
VCC
R5
2
8
+
-
7
1
18
22
23
24
21
20
15
17
16
14
13
+15V
STATUS_PRESSURE_CONTROL_VALVE
37
40
34
29
Z_RETURN
Z sensor stop
PE
Z track A
Z track B
Z track B
Z track A
GND
Z track N
Z track N
1,4,7,17,20,23,26
Cable carrier interface
03010622 (da)
03048879 (tq)
10
14
12
+5V
11
2
6
8
9
5
3
Z1 axis
Actual value
03009834
X1vp / X08_1tq
X24da
To axis unit
backplane
DC/DC converter
X13:53 CO_TEACH74
PE
Carrier cable 6, 2GE
1, 10, 34
PE
X6da X6dc
1, 10, 34
S/Z2 motor
03052296
n.u.
n.u.
n.u.
n.u.
15 15
PE
X19:11
X19:9
DC/DC converter
+15V
-15V
X14:38
X14:43
X13:48
91
-15V
+15V
88
87
89
90
CAN2_TX
CAN2_RX
CS_FESTO
92
138
136
137
PE
X13:55
X13:56
X13:44
128
CS0
CS_RES
125
130
PGND
134
140
Head interface
03000901 (dc) (X3/X4)
PE
X18:8
GND
X18:2,4,6
X18:12
X18:14
DP1/DP2 motor
1, 10, 14, 34
Carrier cable 8, 2GE
+15V
+24V
-15V
GND
+5V
PE
22
2
3
Pull-up cylinder / CPP
OUT
GND
03055559
X21
1
2
X15
PGND
40-pole140-pole 40-pole
40-pole 40-pole
Test plug
LED
YEV116
V118 YE
Color
Pressure control valve (APR)
Pull-up cylinder (Z_R)
Function
BK
RD
GND
D21:3
LED
GNV106
V108
V107
GN
GN
Color
+15VDC
-15VDC
+5VDC
Voltage
50-pole
OFF
ON
12
S1
36, 44
35,37,39,41,43 14,38,40,42,44
15,17,19,21 16,18,20,22
03052586
ZV2 - CPP PCB
SDO
CO_TEACH
CS2
30
11
34
SDO
CO_TEACH
CS2
X30
GND
35, 43
29
12
33
X26
D21:17
SDI29SDI 30
U6:3
U6:3
32 31
33 34CS3
CS0
CS3
CS0
CS_HOLDING_CIRCUIT
CS_HOLDING_CIRCUIT
7
14 13CS_EEPROM_S_Z CS_EEPROM_S_Z
8
20 19
+15V
+15V
6 5
3 4CAN_RX_X1
CAN_TX_X1
CAN_RX_X1
CAN_TX_X1
GND
24V+_HEAD24+_HEAD 18 17
24
23
+5V
+5V
22 21
-15V
-15V
10 9
12 11CO_AXIS
CO_AXIS
CO_AXIS
CO_AXIS
31 32CS1 CS1
D19:13, D21:3
SCLKSCLK
U6:2
27 28
D19:5, D21:5
12 11
-15V
GND
+5V
+15V
4
5
3
2
X14
X13
Connector
TQM167, SIPLACE
Embedded module
03003536
X1
X2
Assembly
CS_FRAM
CS_ADAPTER
CS_FESTO
CS_CO_SENSOR
13
14
CS2
11
12
10
9
CO_AXIS
CO_AXIS
X18:8
GND
X18:2,4,6
X18:14
X18:12
+24V
X50da
1
CO_AXIS 26
CO_AXIS
27
+24V
+15V
+5V
-15V
GND
25
28
22
19
26
27
25 +15V
+24V
28
+5V
-15V22
19
X13:54
X13:49
X13:43
EN_FESTO118
CS_CO_SENSOR
CS_FRAM
139
117
CO_AXIS
X13:102
X13:45
CO_AXIS
DC/DC converter
CO_AXIS39
CO_AXIS_DIG
CO_AXIS
63
CS1123
41
VCC83
GND
+5V
CS_ED
CS_FRAM
27
28
26
D21:7
D21:8
GND
18
SCLK+
SCLK-
CS1
22
23
24
20
21
U6:6
U6:7
GND
-15V
SDI+
SDI-
CO_AXIS
CO_AXIS
24V+_HEAD15
16
17
13
14
U6:5
U6:6
03036806
Vacuum sensor, holding circuit
5
D_in
D19:14
8
9
6
7
b9
D19:17
D19:18
TP3
n.u.
n.u.
n.u.
-15V
R63
2
4
3
X19
1
b13
b12
b10
b11
EX_GEST
24V+_HEAD
CAN_RX_FESTO
R142
U1:11
GND
GND
R201
+15V
PGND
n.u.
n.u.
b4
b6
b7
b8
b5
b1
b3
b2
a13
a12
03055438
A
Vbb
24V+_HEAD
CO_TEACH_3V
17 17
03074061-W2
GND
GND
+5V
+15V
34
X2dq
40
37
31
30
28
29
27
D3:11
D3:12
PGND
-15V
26
24
25
21
22
18
20
8
CS_EEPROM_S_Z
+5V
34
X2bs
37
40
GND
CAN_RX_X1
CAN_TX_X1
30
31
29
28
27
GND
+15V
Y
CS_HOLDING_CIRCUIT
CS3
CS0
26
25
24
SD0+
SD0-
21
22
18
20
U7:6
U7:7
GND
-15V
U4
03074061-W1
+24V
GND
D3 DS8922
Type
75157
IC
D1
1,8
14
15
13
11
X1dq
ZV1 - CPP PCB
03065295
1,8
Z_RETURN
24V+_HEAD
CS214
15
11
13
GND
X1
R148
IN
V4
CO_TEACH 1
CO sensor
569
26-pole
CAN_TX_FESTO
24V+_HEAD
U1:5
+15V
-15V
GND
GND
Y
+5V
A
a5
a8
a10
a9
a7
a6
a4
a3
X12
a1
a2
CO_AXIS
CO_AXIS
U4
+5V
GND
03037106
10
8
9
7
4
5
6

2 - 106
ZTH011_X2-030201LD3 Z1-Achse, TwinHead, P&P-Modul 1, Portal 1, SIPLACE X2 (Bl. 1 v. 3)
Z1 axis, TwinHead, P&P module 1, gantry 1, SIPLACE X2 (sh. 1 of 3)
X30bd:26
X30bd:29
X30bd:33
+5V 1
GND 5
6
4
2
Key
3
Encoder
03000102
Z1 axis
Z1 temperature sensor
Z1 motor W
Z1 motor V
10
X5bd
Key
Z1 track N
Z1 track N 9
8
BN
GY
Z1 track B
Z1 track B 6
7
5
Z1 track A
4
3
PK
RD
BK
YE
WH
RI
RI
GND
+5V
T2
T2
T1
30
X4bd
PE 1
Z1 track A 2
WHGN
GN
Z1 motor W
Z1 motor V
29
27
28
26
30
T1
29
27
28
26
BN7
GND 8 YE
Key
Key
Key
6
5
3
4
2
BU
GY
Temperature sensor
00353135
Z1 axis
Linear drive
Linear motor
U-Sensor
TwinHead C700 force meas. board, P&P module 1
Z1 motor U
DP1 motor W
DP1 motor V1
DP1 motor V2
DP1 motor U
GNDGND 1919
Z1 motor U 24
25
23
21
22
20
24
25
23
21
22
20
13
-15V
+5V
+15V
16
18
17
15
14
10
Z1-Force-DATA
Z1-Force-DATA
Z1-Force-SCLK
Z1-Force-SCLK
-15V
Z1-Force-Dir
Z1-Force-CS
Z1-Force-CS
Z1-Force-Dir
Gantry-ID-Bit 2
Gantry-ID-Bit 1
Gantry-ID-Bit 0
GND
Power-Fail
P&P head adapter
03000902 (br)
Sheet 2
Z1 motor W
Z1 motor V
Z1 motor U
Key
PE
PE9
+5V19
Z1 track B
Z1 track B
Z1 track N
Z1 track N
29
30
28
+24V
27
26
25
+15V
Z1-Force-SCLK
Z1-Force-SCLK
Z1-Force-DATA
Z1-Force-DATA
-15V22
23
24
20
21
Z1-Force-Dir14
Z1-Force-CS
Z1-Force-CS
Z1-Force-Dir
17
18
15
16
GND
P&P-Head-ID-Bit
Power-Fail
Gantry-ID-Bit 1
Gantry-ID-Bit 0
11
12
13
10
X30bd:4, 5
X30bd:2, 3
X30bd:6, 7
Twin flat ribbon cable loom
03004332-W2
Z1 motor V
Z1 motor W
6
7
8
4
5
Z1 motor U
X31bd
2
3
1
PE
00352833 (bd)
C600 head main board, P&P module 1
X30bd:32
X30bd:30
X30bd:27
03.
02.
01.
Status
Function status
Product status
Document status
Modified Date Name
Date
Author
Check.
Stand.
Mat.no.:
CAD file:
Orig./Repl.f./Repl.by
Sh.
Sh.(s)
09.03.08
04.03.09
04.03.09
11.01.2005TDH
TDH
TDH
TDH
ZTH011_X2-030201LD3_SH01.DWG
Copyright ©
ASM Assembly Systems
GmbH & Co. KG
Z1-Achse, TwinHead, P&P-Modul 1, Portal 1
SIPLACE X2
SIPLACE X-Series
ZTH011_X2-030201LD3
1
3
12
11
9
8
13
-15V16
18
17
+5V
+15V
15
14
10
12
11
9
8
2
3
6
2
1
9
7
10
14
15 J13
-
1
J12
+
DP1 track B
DP1 track B
DP1 track A
DP1 track A
DP1 track N
DP1 track N
Force sensor
DP unit control cable
03005289
DP1 track B
DP1 track N
DP1 track N
DP1 track B
DP1 track A
5
7
6
4
3
X8bd
DP1 track A
PE
2
1
5
7
6
4
3
X8be
2
1 PE
00352809 (be)
C37
220n
B- (W)
B+ (V)
A- (V)
A+ (U)
X17be
1
Key
1
2
WH
GY
X16be
5
Key
4
3
6
BN
BU
YE
03014681
DISC-Magnetic-Motor
P310.
OUT +
U-Sensor +
OUT -
4
X15be
GND
1
3
2
03000100
Force transducer
RI
RI
T1
T2
T2
GND
+5V
T1
6
8
7
5
4
X18be
+5V
GND
2
3
1
Encoder
03000046
Pick&Place module
U-Sensor -
Key
+5V
GND
GND
GND
50-pole50-pole
Z1 reference point
DP1 motor U
DP1 motor V
DP1 motor W
Z1 temperature sensor
Z1-Force-SCLK
Z1-Force-SCLK
Z1-Force-Dir
Z1-Force-Dir
Z1-Force-CS
Z1-Force-CS
Z1-Force-DATA
Z1-Force-DATA
21
23
24
X30br
50
33
34
35
32
31
Z1 temperature sensor
Z1 reference point
Z1 clamping
n.u.
PE
Z1 track A
PE
Z1 track A
GND
Z1 temperature sensor24
Z1 clamping
Z1 reference point
23
21
D6X2bd:78 green
Twin flat ribbon cable loom
03004332-W1
X30bd
n.u.
35
50
Z1 track A
Z1 track A
34
33
PE
31
32
GND
V1green
30
2
4
5
3
1
7
10
9
8
13
12
15
14
11
16
18
17
19
20
21
23
22
6
24
26
27
25
29
28
X31br
PE
VCC
Z1 track B
Z1 track B
+24V
Z1 track N
Z1 track N
+15V

2 - 107
ZTH011_X2-030201LD3 Z1-Achse, TwinHead, P&P-Modul 1, Portal 1, SIPLACE X2 (Bl. 2 v. 3)
Z1 axis, TwinHead, P&P module 1, gantry 1, SIPLACE X2 (sh. 2 of 3)
Z1-Force-CS
Z1-Force-CS
Z1-Dir
Sheet 3
Z1 track A
3
Z1 reference point
Z1 temperature sensor
+5V
Z1 track N
Z1 track N
Z1 track B
OPTO_GND
Z1 track B
Sheet 3
9
13
10
12
11
6
8
7
5
4
Z1 track A
Axis unit
03048879 (sq)
Backplane
X1tp /
X04_1sq
PE 1
2
26-pole
Phase_W 3BN
X04_3sq
1Phase_U
Phase_V
2
WH
GN
Axis unit, gantries 1 and 3
Z1 reference point
Z1 temperature sensor
Z1 track A3
Z1 track N9
11
13
12
10
+5V
GND
6
8
7
5
4
Z1 track B
Z1 track N
Z1 track B
BK
BN
03009794
Actual value
Z1 axis
1PE
2
X24ba
Z1 track A
Z1 motor W
4PE
3
Cable carrier interface
WH
GN
Z1 motor
03050894
Z1 motor U
Z1 motor V
1
2
X14ba
Gantry 1 or 3
Cable carrier interface
03010612 (ba)
-15V -15V22 22 -15V-15V 87,89 -15V 22
1,10,14,34PE PE1,10,14,34
15 15 Z1 clamping
60
81
68
Z1 clamping1414
Main distributor
+15V
03046225 (qa)
0V
+5V
Z1-Force-DATA
-15V
+24V
X1qa
26
Z1 clamping
Z1-Dir
Z1-Force-DATA
Z1-Force-SCLK
Z1-Force-SCLK
Z1-Force-CS
Z1-Force-CS
20
22
21
25
24
23
19
17
18
16
15
n.u.
+15V
3GN3(W1)RD
6
Key
PK
WH
5
4
n.u.
(W2)
(W2)
2
1
5
4
GND
+5V
Z1-Force-SCLK
Z1-Force-SCLK
Z1-Force-DATA
Z1-Force-DATA
Cable carrier interface
X6qa
BU
OG
2
1
(W1)
(W1)
BN
WH
Voltage
03009788
X50ba
2
1
-15V
+24V
26
20
24
25
23
21
22
17
18
19
15
16
n.u.
Z1 reference point
Z1 temperature sensor
Z1-Force-SCLK
Z1-Force-SCLK
+5V 19
21
20
18
17
14
GND
16,31
15
12
19
21
20
18
17
+5V
Z1-Force-CS
Z1-Force-CS
14
16,31
15
12
GND
Z1-Dir
6
7
5
6
7
5
Z1 motor W
GND
48
50
58
56
83,85VCC
VCC
7,13,134,140
62
GND
Z1-Dir
X13bc:73
X14bc:71
X14bc:73
133
135
1
95,97
03038077
Carrier cable 7, 1G
Z1/DP1 motor
1,8,9,10,34
2
3
4
PE
X7ba
1,8,9,10,34
2
3
4
X7bc
Z1 motor U
Z1 motor V
PE
03000901 (bc)
Head interface
Gantry 1
91,92
103,105
X22bc/J3
99,101
PE PE
Z1-Force-SCLK
Z1-Force-SCLK
U2
U1
1
I1
3
2
VCC
Z1-Force-CS
Z1-Force-CS
19
21
20
18
17
Z1-Force-Dir
Z1-Force-Dir
15
16
14
Gantry-ID-Bit 2
Gantry-ID-Bit 1
Gantry-ID-Bit 0
GND
Power failure
12
13
11
10
PE
Z1 motor W
9
7
8
6
From sheet 1
P&P head adapter
03000902 (br)
Z1 motor U
Z1 motor V
PE
Key
3
4
5
1
2
X31br
34-pole34-pole
34-pole 34-pole
34-pole34-pole 140-pole
50-pole
GND
03057572
03.
02.
01.
Status
Function status
Product status
Document status
Modified Date Name
Date
Author
Check.
Stand.
Mat.no.:
CAD file:
Orig./Repl.f./Repl.by
Sh.
Sh.(s)
09.03.08
04.03.09
04.03.09
11.01.2005TDH
TDH
TDH
TDH
ZTH011_X2-030201LD3_SH02.DWG
Copyright ©
ASM Assembly Systems
GmbH & Co. KG
Z1-Achse, TwinHead, P&P-Modul 1, Portal 1
SIPLACE X2
SIPLACE X-Series
ZTH011_X2-030201LD3
2
3
Z1-Force-DATA
Z1-Force-DATA
Carrier cable 8, 1G
03038078
DP1/DP2 motor
30
X8ba
33
32
+24V
29
28
+15V
26
27
25
Z1 track B30
X8bc
33
32 Z1 track A
Z1 track A
29
28
26
27
25
Z1 track B
+24V
Z1 track N
Z1 track N
+15V
03038076
Carrier cable 6, 1G
S/Z2 motor
1,10,34
+5V
-15V
GND
19
22
16,31
PE
X6ba
+15V 25
+24V 28
23
24
19
22
16,31
X6bc
1,10,34
+5V
-15V
GND
PE
25
28
23
24
+15V
+24V
31
+24V +24V84,86
35
37
33
39
44
88,90
41
46
+15V
+15V
X30br
Z1 reference point
Z1 temperature sensor
Z1 clamping
24
23
21
PE 50
Z1 track A
PE
34
35
33
Z1-Force-DATA
Z1-Force-DATA
+24V
28
Z1 track A
GND
Z1 track B
Z1 track B
32
31
29
30
+15V
Z1 track N
Z1 track N
25
26
27
23
24