00196193-0102_DC_SIPLACE-X_DE EN - 第202页
2 - 130 ZTH041_X3X4-010101LD3 Z1-Achse, T winHead, P&P-Modul 1, Port al 4, SIPLACE X3/X4 (Bl. 1 v . 3) Z1 axis, T winHead, P&P module 1, gantry 4, SIPLACE X3/X4 (sh. 1 of 3) Z1 reference point DP1 motor U DP1 mot…

2 - 129
ZTH032-030201LD3 Z2-Achse, TwinHead, P&P-Modul 2, Portal 3, SIPLACE X2/X3/X4 (Bl. 3 v. 3)
Z2 axis, TwinHead, P&P module 2, gantry 3, SIPLACE X2/X3/X4 (sh. 3 of 3)
+15V
PGND
-15V
Vin(-)Axis
Vin(+)Axis
PGND
+40V_Z/DP
+150V_Star
(W3)
(W3)
(W3)
(W5)
(W5)
(W5)
BN
1
3
2
WH
GY
X47sq
4
5
3
GN
WH
BN
X4qa:1
X4qa:1
X4qa:2
X4qa:3
03050900
(W1)
(W1)
(W2)
(W2)
(W1)
(W1)
(W1)
24
1
2
X46sq
5
2
1
GNYE
1
3
2
X45sq
1
4
3
Vin(+)_AXIS
SERVO_ENABLE
POWER_FAIL_AXIS
POWER_FAIL_24VDC
11
10
2
+40V_Z/DP
+150V_Star
Vin(-)_AXIS
GND_Z/DP
7
9
6
3
4
1
X13
00354626
Power supply
WH+BN (W4)
C14, C18
B12, C17
+15V, EMERG_STOP_HEAD_AXIS
POWER_FAIL, X47sq:2
03.
02.
01.
Status
Function status
Product status
Document status
Modified Date Name
Date
Author
Check.
Stand.
Mat.no.:
CAD file:
Orig./Repl.f./Repl.by
Sh.
Sh.(s)
09.03.08
04.03.09
04.03.09
11.01.2005TDH
TDH
TDH
TDH
ZTH032_X2X3X4-030201LD3_SH03.DWG
Copyright ©
ASM Assembly Systems
GmbH & Co. KG
Z2-Achse, TwinHead, P&P-Modul 2, Portal 3
SIPLACE X2/X3/X4
SIPLACE X-Series
ZTH032_X2X3X4-030201LD3
3
3
PA2_CAN_H
n.u.
n.u.
9
X30_1sq
7
8
6
GND
Powerfail_24VDC
PA2_CAN_L
n.u.
n.u.
4
5
3
2
1
X30_2sq
11
Phase_W
Phase_V
Phase_U
Z2-Force-SCLK
Z2-Force-DATA
Z2-Force-DATA
3
2
1
BN
GN
WH
X07_3sq
25
24
Z2-Force-SCLK
Z2-Force-CS
Z2-Force-CS
Z2 temperature sensor
Z2 clamping
Z2 reference point
19
22
21
18
16
n.u.
15
14
13
12
Z2-Dir
+5V
X23ca
Sheet 2
1,4,7,17,20,23,26
26-pole
PE
Act. value, S/Z2 axisX5uo/
Z2 track N
Z2 track N
Z2 track B
Z2 track B
Z2 track A
Z2 track A
9
10
8
6
OPTO_GND
2
5
3
X07_1sq 03009813
PE
Axis unit
Z2 motor_W
Screen
Z2 motor_V
Z2 motor_U
03050903
X13ca
Sheet 2
03057572
Gantries 2 and 3 (X4)
Gantry 3 (X3)
Gantries 1 and 3 (X2)
WH
GN
BN
BK
Main distributor 03046225
Main distributor 03046225
EMERG.-STOP_MAIN_AXIS
POWER_FAIL_24VDC
POWER_FAIL
DC/DC converter ±15V
Z4; D6
+15V
Backplane, axis unit
03048879 (sq)
A/C/E3,4,7,8,11
X07_2sq
B/D1,2,5,6,9-11
A/D22; B/E22,24,25; C20,25
03002141 (sq)
SDS60/3Z1 servo amplifier
A/C30
A/C32
C22; A/C24
C26; A/C28
C18; A/C20
C16
X1sq
C8
C14
C12
C10
A12
A8
C4
A4
A/C2
C23
C22
C12
B/E18
Phase_U
Phase_W
Phase_V
+150V_Star
I²t
PGND
00353450
Z20;D22
-15V
D30
Z28
Z8,16
D10,18
AGND
Servo_Ready
Servo_Enable
Inom_W
Inom_U
AGND
UB_Power_OK
-15V_Servo
+40V_Z/DP
+15V_Servo
+15V
-15V
+5V
+15V_Servo
AGND
GND
X22_2sq
X22_3sq
X22_3sq
A19
Axis card A364, gantry 3
A25
A16; B17
B16
A17
A24
X3sb
D16
D15
03036027 (sb)
B16
E20
E21
B15
X2sb
C24
A18
C19
AGND
X4sb X3sb
C4
C1
A13
B19
A12
C13
B13
End signal
A14
B14
B15
A15
Z2 reference point
Inom_U
Servo_Ready
Servo_Enable
UB_Power_OK
Inom_W
Z2-Force-DATA
Z2-Force-DATA
Z2-Force-SCLK
Z2-Force-CS
Z2-Force-CS
Z2-Force-SCLK
Z2-Dir
I²t
Z2 clamping
R35
L16
L18
R36
R34
L17
Z2 track N
Z2 temperature sensor
OPTO_GND
+5V
Z2 track N
Z2 track B
Z2 track B
Z2 track A
Z2 track A
S1
ON
(S1.2 n.u.)21
OFF
1
DC/DC converter 5V/±15V
X51sq
D30
Z28
00353449
GND
-15V_Servo
+15V_Servo
D10
Z16;D18
D6
+5V
Z4,8,20
D22
X50sq
n.u.
n.u.
9
8
n.u.
n.u.
PA1_CAN_H
GND
PA1_CAN_L
Powerfail_24VDC 4
6
7
5
3
2

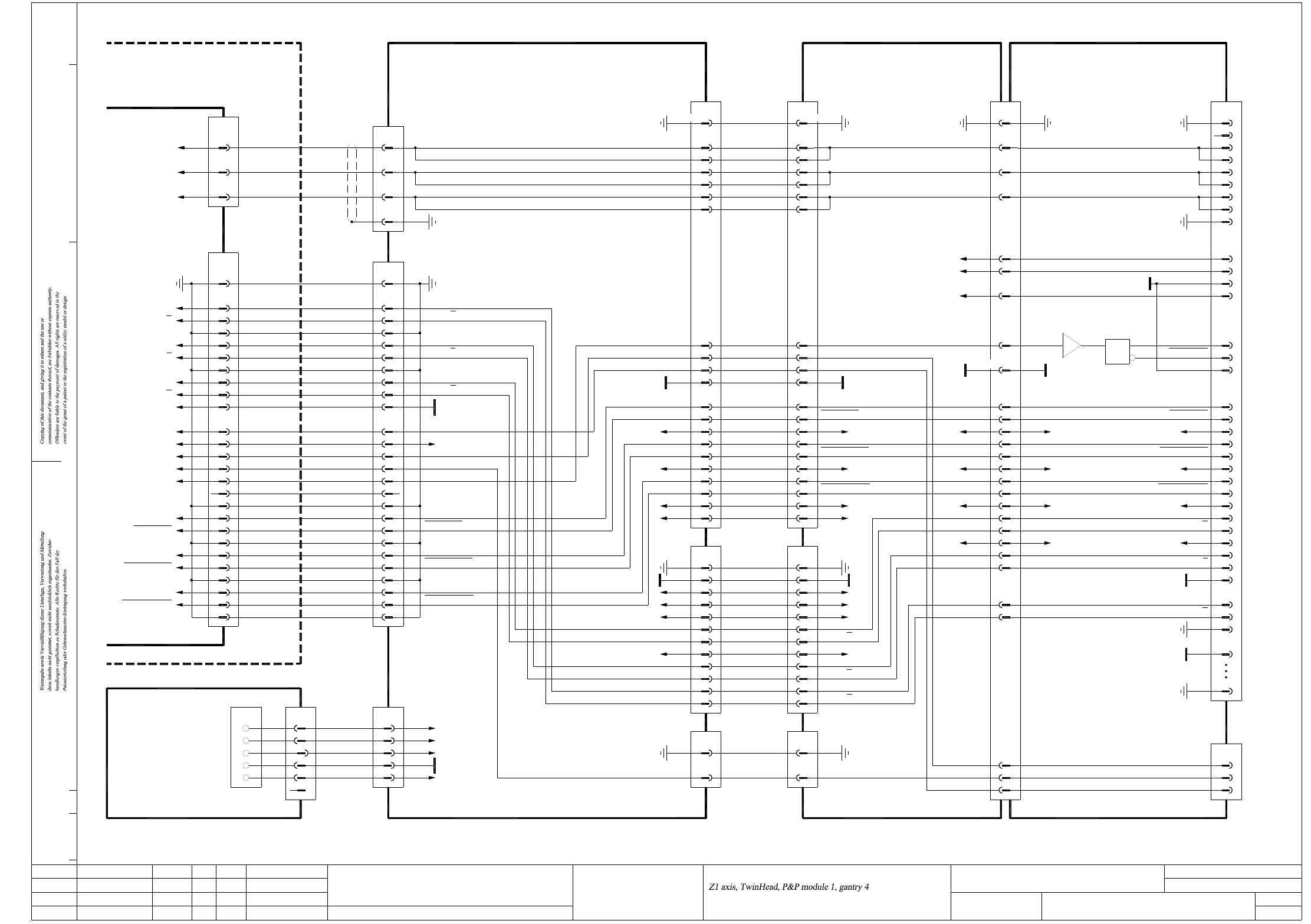
2 - 130
ZTH041_X3X4-010101LD3 Z1-Achse, TwinHead, P&P-Modul 1, Portal 4, SIPLACE X3/X4 (Bl. 1 v. 3)
Z1 axis, TwinHead, P&P module 1, gantry 4, SIPLACE X3/X4 (sh. 1 of 3)
Z1 reference point
DP1 motor U
DP1 motor V
DP1 motor W
Z1 temperature sensor
Z1-Force-SCLK
Z1-Force-SCLK
Z1-Force-Dir
Z1-Force-Dir
Z1-Force-CS
Z1-Force-CS
Z1-Force-DATA
Z1-Force-DATA
21
23
24
X30dr
50
33
34
35
32
31
Z1 temperature sensor
Z1 reference point
Z1 clamping
n.u.
PE
Z1 track A
PE
Z1 track A
GND
Z1 temperature sensor24
Z1 clamping
Z1 reference point
23
21
D6X2cd:78 green
Twin flat ribbon cable loom
03004332-W1
X30dd
n.u.
35
50
Z1 track A
Z1 track A
34
33
PE
31
32
GND
V1green
30
2
4
5
3
1
7
10
9
8
13
12
15
14
11
16
18
17
19
20
21
23
22
6
24
26
27
25
29
28
X31dr
PE
VCC
Z1 track B
Z1 track B
+24V
Z1 track N
Z1 track N
+15V
12
11
9
8
13
-15V16
18
17
+5V
+15V
15
14
10
12
11
9
8
2
3
6
2
1
9
7
10
14
15 J13
-
1
J12
+
DP1 track B
DP1 track B
DP1 track A
DP1 track A
DP1 track N
DP1 track N
Force sensor
DP unit control cable
03005289
DP1 track B
DP1 track N
DP1 track N
DP1 track B
DP1 track A
5
7
6
4
3
X8dd
DP1 track A
PE
2
1
5
7
6
4
3
X8de
2
1 PE
00352809 (de)
C37
220n
B- (W)
B+ (V)
A- (V)
A+ (U)
X17de
1
Key
1
2
WH
GY
X16de
5
Key
4
3
6
BN
BU
YE
03014681
DISC-Magnetic-Motor
P310.
OUT +
U-Sensor +
OUT -
4
X15de
GND
1
3
2
03000100
Force transducer
RI
RI
T1
T2
T2
GND
+5V
T1
6
8
7
5
4
X18de
+5V
GND
2
3
1
Encoder
03000046
Pick&Place module
U-Sensor -
Key
+5V
GND
GND
GND
50-pole50-pole
01.
02.
01.
Status
Function status
Product status
Document status
Modified Date Name
Date
Author
Check.
Stand.
Mat.no.:
CAD file:
Orig./Repl.f./Repl.by
Sh.
Sh.(s)
09.03.08
04.03.09
04.03.09
09.03.2008TDH
TDH
TDH
TDH
ZTH041_X3X4-010201LD3_SH01.DWG
Copyright ©
ASM Assembly Systems
GmbH & Co. KG
Z1-Achse, TwinHead, P&P-Modul 1, Portal 4
SIPLACE X3/X4
SIPLACE X-Series
ZTH041_X3X4-010201LD3
1
3
Z1-Force-DATA
Z1-Force-DATA
Z1-Force-SCLK
Z1-Force-SCLK
-15V
Z1-Force-Dir
Z1-Force-CS
Z1-Force-CS
Z1-Force-Dir
Gantry-ID-Bit 2
Gantry-ID-Bit 1
Gantry-ID-Bit 0
GND
Power-Fail
P&P head adapter
03000902 (dr)
Sheet 2
Z1 motor W
Z1 motor V
Z1 motor U
Key
PE
PE9
+5V19
Z1 track B
Z1 track B
Z1 track N
Z1 track N
29
30
28
+24V
27
26
25
+15V
Z1-Force-SCLK
Z1-Force-SCLK
Z1-Force-DATA
Z1-Force-DATA
-15V22
23
24
20
21
Z1-Force-Dir14
Z1-Force-CS
Z1-Force-CS
Z1-Force-Dir
17
18
15
16
GND
P&P-Head-ID-Bit
Power-Fail
Gantry-ID-Bit 1
Gantry-ID-Bit 0
11
12
13
10
X30dd:4, 5
X30dd:2, 3
X30dd:6, 7
Twin flat ribbon cable loom
03004332-W2
Z1 motor V
Z1 motor W
6
7
8
4
5
Z1 motor U
X31dd
2
3
1
PE
00352833 (dd)
C600 head main board, P&P module 1
X30dd:32
X30dd:30
X30dd:27
X30dd:26
X30dd:29
X30dd:33
+5V 1
GND 5
6
4
2
Key
3
Encoder
03000102
Z1 axis
Z1 temperature sensor
Z1 motor W
Z1 motor V
10
X5dd
Key
Z1 track N
Z1 track N 9
8
BN
GY
Z1 track B
Z1 track B 6
7
5
Z1 track A
4
3
PK
RD
BK
YE
WH
RI
RI
GND
+5V
T2
T2
T1
30
X4dd
PE 1
Z1 track A 2
WHGN
GN
Z1 motor W
Z1 motor V
29
27
28
26
30
T1
29
27
28
26
BN7
GND 8 YE
Key
Key
Key
6
5
3
4
2
BU
GY
Temperature sensor
00353135
Z1 axis
Linear drive
Linear motor
U-Sensor
TwinHead C700 force meas. board, P&P module 1
Z1 motor U
DP1 motor W
DP1 motor V1
DP1 motor V2
DP1 motor U
GNDGND 1919
Z1 motor U 24
25
23
21
22
20
24
25
23
21
22
20
13
-15V
+5V
+15V
16
18
17
15
14
10

2 - 131
ZTH041_X3X4-010101LD3 Z1-Achse, TwinHead, P&P-Modul 1, Portal 4, SIPLACE X3/X4 (Bl. 2 v. 3)
Z1 axis, TwinHead, P&P module 1, gantry 4, SIPLACE X3/X4 (sh. 2 of 3)
Z1-Force-DATA
Z1-Force-DATA
Carrier cable 8, 2GE
03052298
DP1/DP2 motor
30
X8da
33
32
+24V
29
28
+15V
26
27
25
Z1 track B30
X8dc
33
32 Z1 track A
Z1 track A
29
28
26
27
25
Z1 track B
+24V
Z1 track N
Z1 track N
+15V
03052296
Carrier cable 6, 2GE
S/Z2 motor
1,10,34
+5V
-15V
GND
19
22
16,31
PE
X6da
+15V 25
+24V 28
23
24
19
22
16,31
X6dc
1,10,34
+5V
-15V
GND
PE
25
28
23
24
+15V
+24V
31
+24V +24V84,86
35
37
33
39
44
88,90
41
46
+15V
+15V
X30dr
Z1 reference point
Z1 temperature sensor
Z1 clamping
24
23
21
PE 50
Z1 track A
PE
34
35
33
Z1-Force-DATA
Z1-Force-DATA
+24V
28
Z1 track A
GND
Z1 track B
Z1 track B
32
31
29
30
+15V
Z1 track N
Z1 track N
25
26
27
23
24
Z1 reference point
Z1 temperature sensor
Z1-Force-SCLK
Z1-Force-SCLK
+5V 19
21
20
18
17
14
GND
16,31
15
12
19
21
20
18
17
+5V
Z1-Force-CS
Z1-Force-CS
14
16,31
15
12
GND
Z1-Dir
6
7
5
6
7
5
Z1 motor W
GND
48
50
58
56
83,85VCC
VCC
7,13,134,140
62
GND
Z1-Dir
X13cc:73
X14cc:71
X14cc:73
133
135
1
95,97
03052297
Carrier cable 7, 2GE
Z1/DP1 motor
1,8,9,10,34
2
3
4
PE
X7da
1,8,9,10,34
2
3
4
X7dc
Z1 motor U
Z1 motor V
PE
03000901 (dc)
Head interface
Gantry 4
91,92
103,105
X22dc/J3
99,101
PE PE
Z1-Force-SCLK
Z1-Force-SCLK
U2
U1
1
I1
3
2
VCC
Z1-Force-CS
Z1-Force-CS
19
21
20
18
17
Z1-Force-Dir
Z1-Force-Dir
15
16
14
Gantry-ID-Bit 2
Gantry-ID-Bit 1
Gantry-ID-Bit 0
GND
Power failure
12
13
11
10
PE
Z1 motor W
9
7
8
6
From sheet 1
P&P head adapter
03000902 (dr)
Z1 motor U
Z1 motor V
PE
Key
3
4
5
1
2
X31dr
34-pole34-pole
34-pole 34-pole
34-pole34-pole 140-pole
50-pole
GND
03057572
01.
02.
01.
Status
Function status
Product status
Document status
Modified Date Name
Date
Author
Check.
Stand.
Mat.no.:
CAD file:
Orig./Repl.f./Repl.by
Sh.
Sh.(s)
09.03.08
04.03.09
04.03.09
09.03.2008TDH
TDH
TDH
TDH
ZTH041_X3X4-010201LD3_SH02.DWG
Copyright ©
ASM Assembly Systems
GmbH & Co. KG
Z1-Achse, TwinHead, P&P-Modul 1, Portal 4
SIPLACE X3/X4
SIPLACE X-Series
ZTH041_X3X4-010201LD3
2
3
Z1 clamping1414
Sub-distributor
+15V
03046226 (ra)
0V
+5V
Z1-Force-DATA
-15V
+24V
X1ra
26
Z1 clamping
Z1-Dir
Z1-Force-DATA
Z1-Force-SCLK
Z1-Force-SCLK
Z1-Force-CS
Z1-Force-CS
20
22
21
25
24
23
19
17
18
16
15
n.u.
+15V
3GN3(W1)RD
6
Key
PK
WH
5
4
n.u.
(W2)
(W2)
2
1
5
4
GND
+5V
Z1-Force-SCLK
Z1-Force-SCLK
Z1-Force-DATA
Z1-Force-DATA
Cable carrier interface
X6ra
BU
OG
2
1
(W1)
(W1)
BN
WH
Voltage
03009828
X50da
2
1
-15V
+24V
26
20
24
25
23
21
22
17
18
19
15
16
n.u.
Z1-Force-CS
Z1-Force-CS
Z1-Dir
Sheet 3
Z1 track A
3
Z1 reference point
Z1 temperature sensor
+5V
Z1 track N
Z1 track N
Z1 track B
OPTO_GND
Z1 track B
Sheet 3
9
13
10
12
11
6
8
7
5
4
Z1 track A
Axis unit
03048879 (tq)
Backplane
X1vp /
X08_1tq
PE 1
2
26-pole
Phase_W 3BN
X08_3tq
1Phase_U
Phase_V
2
WH
GN
Axis unit
Z1 reference point
Z1 temperature sensor
Z1 track A3
Z1 track N9
11
13
12
10
+5V
GND
6
8
7
5
4
Z1 track B
Z1 track N
Z1 track B
BK
BN
03009834
Actual value
Z1 axis
1PE
2
X24da
Z1 track A
Z1 motor W
4PE
3
Cable carrier interface
WH
GN
Z1 motor
03050914
Z1 motor U
Z1 motor V
1
2
X14da
Gantry 2 or 4
Cable carrier interface
03010622 (da)
-15V -15V22 22 -15V-15V 87,89 -15V 22
1,10,14,34PE PE1,10,14,34
15 15 Z1 clamping
60
81
68