00196193-0102_DC_SIPLACE-X_DE EN - 第340页
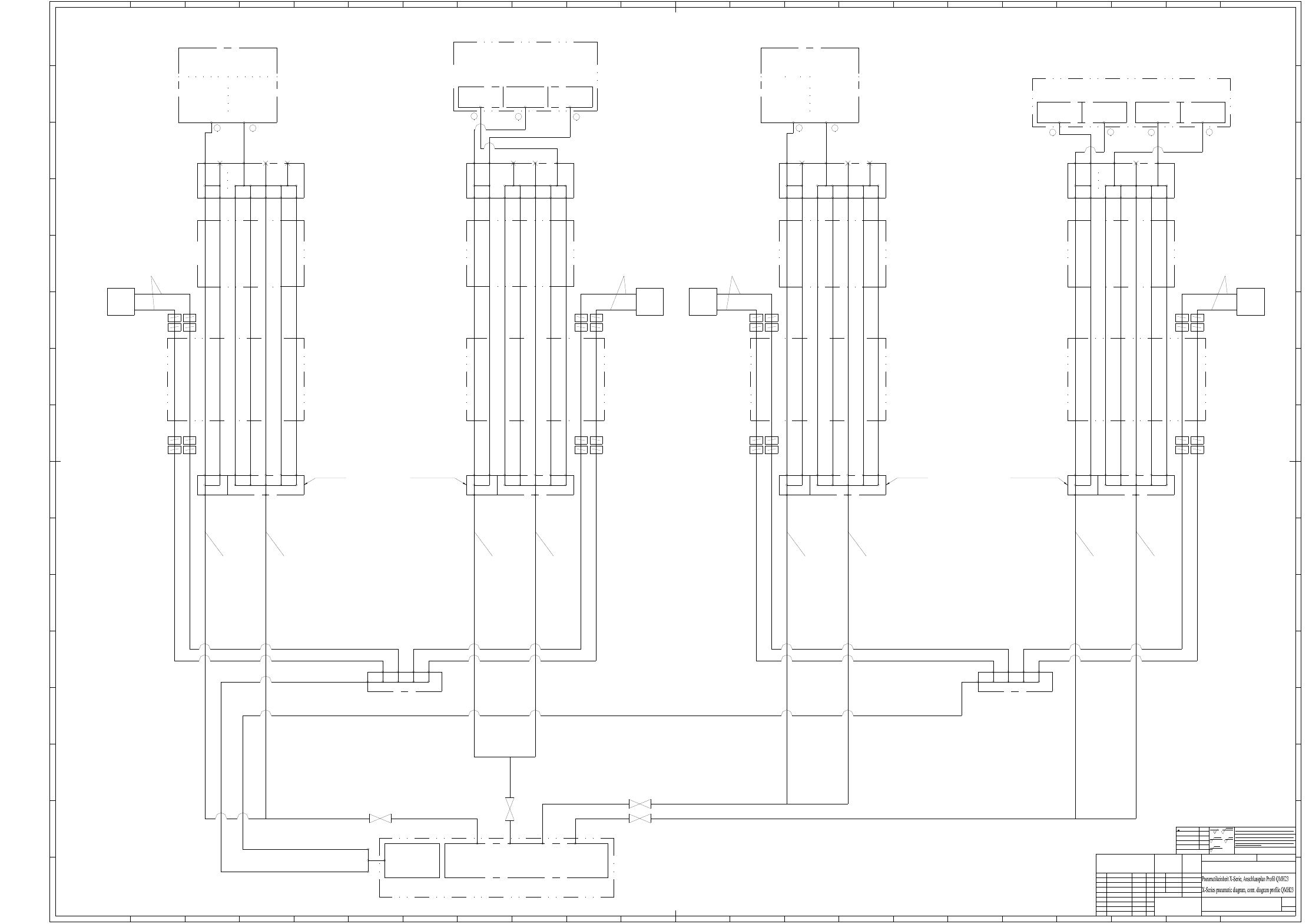
5 - 7 03060279-010101XD0 Pneumatikeinheit, SIPLA CE X-Serie, Anschlussplan Profil QMH23 (Bl. 2 v . 3) Pneumatic unit, SIPLACE X-Series, connecting diagram , QMH23 profile (sh. 2 of 3) V2e1 V2e2 V2a7 V2a6 V2a5 V2a4 V2a3 V…

5 - 6
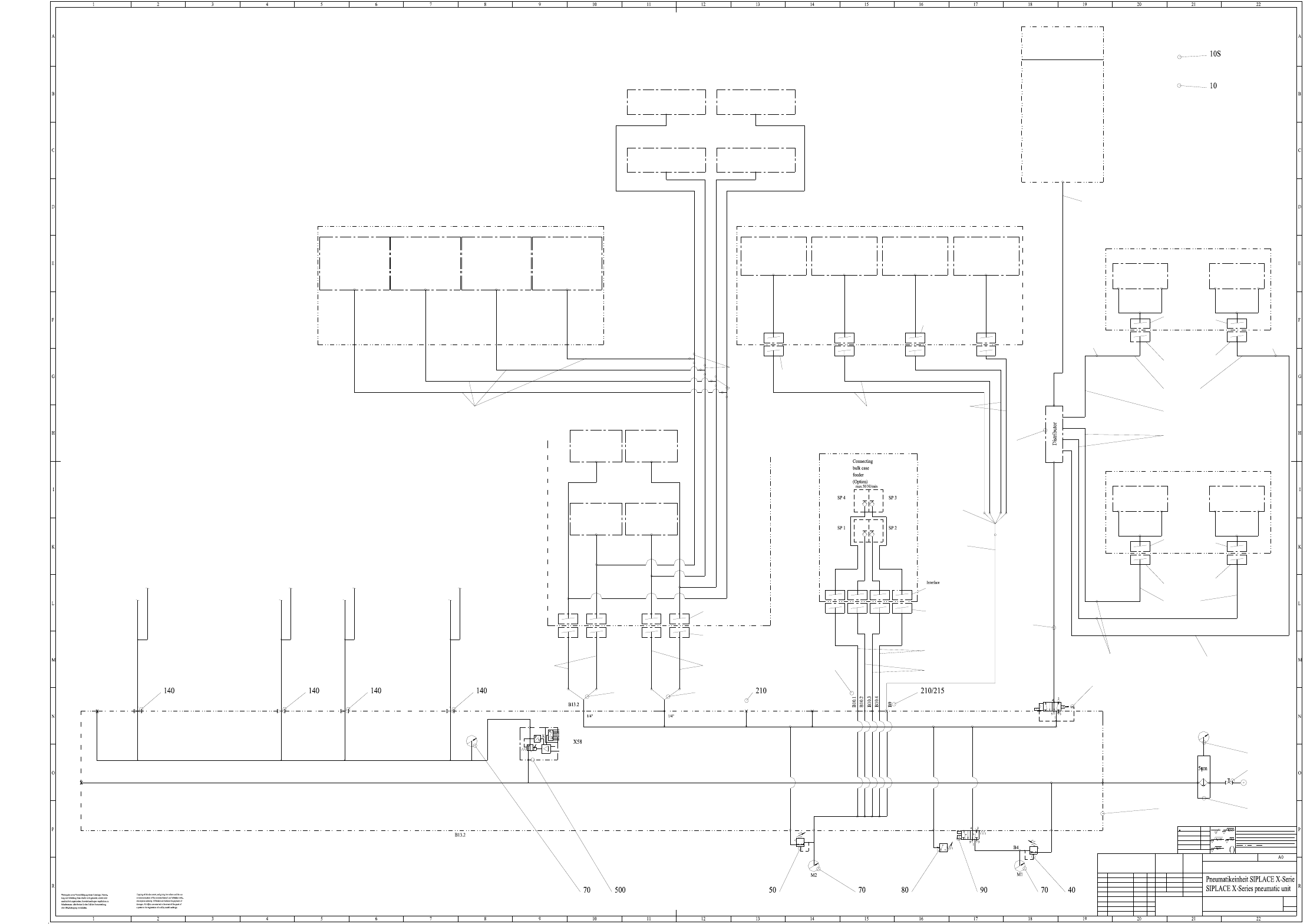
03060279-010101XD0 Pneumatikeinheit, SIPLACE X-Serie, Pneumatik (Bl. 1 v. 3)
Pneumatic unit, SIPLACE X-Series, pneumatic system (sh. 1 of 3)
SP = location
Try to realize a 5 bar input pressure
PUN 8 x 1.25 (xxxm)
03004138-xx
Modular single conveyor
00119625-xx
Modular dual conveyor
00119627-xx
max.255 Nl/min
Lifting table 1
Lifting table 2
Lifting tables 3 and 4
in dual conveyor system
Width adjustment
Consumption not relevant
PCB stopper (option)
Consumption not relevant
255 Nl/min
Ceramic substrate centering
(Option)
DC SIPLACE HF, 00119670-xx
SC SIPLACE HF, 00119671-xx
Trolley dock. unit
03000811-xxxxxx
SP 3
Consumption not relevant
Can't be operated
during placement
Trolley dock. unit
03000811-xxxxxx
SP 2
Consumption not relevant
Can't be operated
during placement
Trolley dock. unit
03000811-xxxxxx
SP 4
Consumption not relevant
Can't be operated
during placement
Trolley dock. unit
03000811-xxxxxx
SP 1
Consumption not relevant
Can't be operated
during placement
Air consumpt. line for machine modules
443 Nl/min
B23.1B23.2
B23.3
B23.4
B22
Gantry 4
Gantry 3
Gantry 2
Gantry 1
p = 5 to 10 bar
at an air consumpt. of 1800 Nl/min
B13.1
B1
B11
B7
B8
B6
Air consumpt. for SIPLACE HF heads
300 Nl/min (1xC&P6/12; 1xTH)
or
400 Nl/min (2xC&P6/12)
or
800 Nl/min (4xC&P6/12)
B2
B3
B5
B14
B20
B21
S1
Compr. air supply, dock. unit
03004200-xx
>6...30
>30...120
>120...400
>400...1000
±0,1
±0,2
±0,3
±0,5
±0,8
Copyright ©
Sheet
of
Mate rial
Format
Documen t - No. / Un terlagen - Nr. (FS RS US UA SP F)
Scale
Standards
Checked
Drawn
Date Name
case hardened
HRC hardened
surface:
General tolerances
NameDateModifi cation / ECO No.
Change
Request No.
ASM AS
General tolerances for
nominal dimensions without
spec.tolerance
ISO 2768 mH
Replacement for
03060279-010101XD0
00336911-xx
See sheets 2 and 3 See sheets 2 and 3 See sheets 2 and 3 See sheets 2 and 3
110/120/150
100
60
30
= Item no. SIPLACE bill of materials and Asco
Control block, SIPLACE X-Series
(03038355-xx)
260 260 210
200
(4x)
Proportional valve
p = 5.0 ±0.1 bar
external
internal
NOM value
8 bit
digital
Adjust at int ernal potentiometer
Pressure required
p = 4.6 +0.1 bar
p = 2.5 ± 0.5 bar
PUN 8 x 1.25 (1.2m)
03006587-xx
PUN 8 x 1.25 (1.0m)
03004147-xx
PUN 8 x 1.25 (1.2m)
03006587-xx
PUN 6 x 1 (0.3m)
03004677-xx
PUN 6 x 1 (0.3m)
03004677-xx
(03038058-030101XD0)
07.03.05 Schönbach
max.50 Nl/min
A0
2-5 um nickel-plated (chem.)
1
3
accuracy pr inciple
DIN 71 67
FS+01 HS23.07.2006ECO 402600
DS +01 ECO 402145 22.02.2006 HS
<6
4.5 bar
4.5 bar
4.5 bar
Nozzle station cplt., C+P20
(Option) 03043753-xx
(for C+P20 placement head
03008827-xx)
up to max. 2 per SP
Consumption not relevant
Nozzle station cplt., C+P20
(Option) 03043753-xx
(for C+P20 placement head
03008827-xx)
up to max. 2 per SP
Consumption not relevant
Nozzle station cplt., C+P20
(Option) 03043753-xx
(for C+P20 placement head
03008827-xx)
up to max. 2 per SP
Consumption not relevant
SP 3
PUN-4 x 0.75
PUN-4 x 0.75
4.5 bar
PUN-4 x 0.75
PUN-4 x 0.75
SP 4
Nozzle station cplt., C+P20
(Option) 03043753-xx
(for C+P20 placement head
03008827-xx)
up to max. 2 per SP
Consumption not relevant
SP 2SP 1
Interface
Compr. air supply, dock. unit
03004200-xx
SP 3
Nozzle changer (option)
(12-seg. C&P 03001855-xx
6-seg. C&P 03004010-xx)
up to max. 2 per SP
Consumption not relevant
2.5 bar
2.5 bar
PUN-4 x 0.75
PUN-4 x 0.75
2.5 bar
2.5 bar
PUN-4 x 0.75
PUN-4 x 0.75
Cover up connections in HF machines
SP 4
Nozzle changer (option)
(12-seg. C&P 03001855-xx
6-seg. C&P 03004010-xx)
up to max. 2 per SP
Consumption not relevant
SP 2
Nozzle changer (option)
(12-seg. C&P 03001855-xx
6-seg. C&P 03004010-xx)
up to max. 2 per SP
Consumption not relevant
SP 1
Nozzle changer (option)
(12-seg. C&P 03001855-xx
6-seg. C&P 03004010-xx)
up to max. 2 per SP
Consumption not relevant
X59
X59
Main valve
Press. switch
PUN-6
PUN-6
Interface
Compr. air supply, dock. unit
03004200-xx
PUN-6
PUN-6
SP 3
max. 138 Nl/min
Tape cutter
03019941-xxxxxx
4.5 bar 4.5 bar
SP 4
max. 138 Nl/min
Tape cutter
03019941-xxxxxx
PUN-6
PUN-6
Interface
Compr. air supply, dock. unit
03004200-xx
PUN-6
PUN-6
SP 2
max. 138 Nl/min
Tape cutter
03019941-xxxxxx
4.5 bar 4.5 bar
SP 1
max. 138 Nl/min
Tape cutter
03019941-xxxxxx
255 + 138 Nl/min PUN 10
V5e1
X60
Safety valve
1/4" 5 x M51/8"1/2"1/2"1/2"1/2"1/8"
3/4"3/4"
Main hole >3/4"
Valve block
p = 5.0 ±0.25 bar
Consumption not relevant
Feeder unlocking rail
SP 2
Consumption not relevant
Feeder unlocking rail
SP 1
Consumption not relevant
Feeder unlocking rail
SP 3
PUN-4 x 0.75
PUN-4 x 0.75
PUN-4 x 0.75
Consumption not relevant
Feeder unlocking rail
SP 4
PUN-4 x 0.75
Push-in fitting
QSMT-4
03046434-xx
Push-in fitting
QSMT-4
03046434-xx
PUN 4 x 0.75 (0.6m)
03004145-xx
PUN 6 x 1.00 (2.0m)
03006585-xx
PUN 6 x 1.00 (1.8m)
03004146-xx
PUN 4 x 0.75 (2.2m)
03006583-xx
PUN 4 x 0.75 (2.0m)
03004143-xx
PUN 6 x 1.00 (0.4m)
03006589-xx
PUN 4 x 0.75 (1.6m)
03004145-xx
PUN 4 x 0.75 (1.9m)
03006588-xx
Interface
Compr. air supply, dock. unit
03004200-01
Interface, CO dock. unit
(Sockets)
03004679-xx
Interface, CO dock. unit
(Sockets)
03004679-xx
Interface, CO dock. unit
(Sockets)
03004679-xx
Interface, CO dock. unit
(Sockets)
03004679-xx
03004151-xx
PUN10 x 1.5
03004139-xx
03004088-xx
Hose connection
RTU-PK-4/6
00047026-xx
Hose connection
RTU-PK-4/6
00047026-xx
Interface
Compr. air supply, dock. unit
03004200-01
Hose connection
RTU-PK-4/6
00047026-xx
= Item no. SIPLACE bill of materials
03038058-xx
3S
2S
Multiple distributor
QSQ-6-4

5 - 7
03060279-010101XD0 Pneumatikeinheit, SIPLACE X-Serie,
Anschlussplan Profil QMH23 (Bl. 2 v. 3)
Pneumatic unit, SIPLACE X-Series,
connecting diagram, QMH23 profile (sh. 2 of 3)
V2e1 V2e2
V2a7
V2a6
V2a5
V2a4
V2a3
V2a2
V2a1
V1e2
Gantry distributor cpl.
03004080-01
V1e1
V1a7
V1a6
V1a5
V1a4
V1a3
V1a2
V1a1
for SIPLACE HF
Gantry distributor
SIPLACE X-HS
03006853-xx
for SIPLACE X-F, X-S
and X-HS
Gantry distributor cpl.
03004080-01
for SIPLACE HF
Gantry distributor
SIPLACE X-HS
03006853-xx
for SIPLACE X-F, X-S
and X-HS
V2e1 V2e2
V2a7
V2a6
V2a5
V2a4
V2a3
V2a2
V2a1
V1e2
Gantry distributor cpl.
03004080-01
V1e1
V1a7
V1a6
V1a5
V1a4
V1a3
V1a2
V1a1
for SIPLACE HF
Gantry distributor
SIPLACE X-HS
03006853-xx
for SIPLACE X-F, X-S
and X-HS
Gantry distributor cpl.
03004080-01
for SIPLACE HF
Gantry distributor
SIPLACE X-HS
03006853-xx
for SIPLACE X-F, X-S
and X-HS
1
2
TwinHead - Pick + Place head
03001841-xx
Return motion cyl.
Z axis
Vacuum generator
1
2
4.5 ± 0.1 bar, 100 Nl/min
Vacuum generator
Return motion cyl.
Z axis
Nozzle Ø 1.5mm
Suct. pwr.:63N/l
Air consumpt.:140Nl/min
Nozzle Ø 1mm
Suct. pwr.:27N/l
Air consumpt.:55Nl/min
Forced air
Placement circuit
Holding circuit
1
2
C&P head, DLM2-6, 00367020-xx
C&P head, DLM2-12, 00367281-xx
4.5 +0.1 bar, 200 Nl/min
Air consumpt.:5Nl/min
Nozzle Ø 1.5mm
Suct. pwr.:63N/l
Air consumpt.:140Nl/min
Nozzle Ø 1mm
Suct. pwr.:27N/l
Air consumpt.:55Nl/min
Forced air
Placement circuit
Holding circuit
1
2
C&P head, DLM2-6, 00367020-xx
C&P head, DLM2-12, 00367281-xx
4.5 +0.1 bar, 200 Nl/min
Air consumpt.:5Nl/min
PUN 10 x 1.5 (1.9m)
03004180-xx
PUN 12 x 2.0 (1.9m)
03004181-xx
PUN 10 x 1.5 (1.9m)
03004180-xx
PUN 12 x 2.0 (1.9m)
03004181-xx
PUN 10 x 1.5 (2.5m)
03004178-xx
PUN 12 x 2.0 (2.5m)
03004179-xx
PUN 10 x 1.5 (2.5m)
03004178-xx
PUN 12 x 2.0 (2.5m)
03004179-xx
(03038058-030101XD0)
07.03.05 Schönbach
accuracy prin ciple
DIN 7167
3
2
2-5 um nickel-plated (chem.)
A0
()
Ø 12 Ø 12 Ø 12 Ø 12
Cooling air distributor, X series
03005409-xx
Ø 12 Ø 12 Ø 12 Ø 12
Cooling air distributor, X series
03005409-xx
Y motor
Y cable and hose carrier
QMH23 profile
Pneumatic hose 03005790-xx
TUS1208 Soft PU 12x8 ( 0.25m )
Y motor Y motor Y motor
Pneumatic hose 03005790-xx
TUS1208 Soft PU 12x8 ( 0.25m )
Pneumatic hose 03005790-xx
TUS1208 Soft PU 12x8 ( 0.25m )
Pneumatic hose 03005790-xx
TUS1208 Soft PU 12x8 ( 0.25m )
Pneumatic hose 03005790-xx
TUS1208 Soft PU 12x8 ( 0.22m )
Pneumatic hose 03005790-xx
TUS1208 Soft PU 12x8 ( 0.32m )
Pneumatic hose 03005790-xx
TUS1208 Soft PU 12x8 ( 0.22m )
Pneumatic hose 03005790-xx
TUS1208 Soft PU 12x8 ( 0.32m )
Y cable and hose carrier
QMH23 profile
Y cable and hose carrier
QMH23 profile
Y cable and hose carrier
QMH23 profile
X cable and hose carrierX cable and hose carrierX cable and hose carrier X cable and hose carrier
A0
FS+01 ECO 402531 20.06.2006 HS
Replacement for
General tolerances for
nominal dimensi ons without
spec.tolerance
ISO 2768 mH
ASM AS
Change
Request No.
Modification / ECO No. Date Name
General tolerances
surface:
HRC hardened
case hardened
NameDate
Drawn
Checked
Standards
Scale
Document - No. / Un terlagen - Nr. (FS RS US UA SP F)
Format
Material
of
Sheet
Copyright ©
R
P
O
N
M
L
A
B
C
D
E
F
G
H
I
K
R
P
O
N
M
L
2120191817161 23456789101112131415
222120191817161
Copying of this document, and giving it to others and the use
or communication of the contents thereof, are forbidden with-
out express authority. Offenders are liable to the payment of
damages. Al l rights a re reserved in the event of the grant of
a patent or the registration of a utility model or design.
Weitergabe sowie Vervielfältigung dieser Unterlage, Verwer-
tung und Mitteilung ihres Inhalts nicht gestattet, soweit nicht
ausdrücklich zu gestanden. Zuwiderhandlungen verpflichten zu
Schadenersatz. Alle Rechte für den Fall der Patenterteilung
oder GM-Eintragung vorbehalten.
23456789101112131415
A
B
C
D
E
F
G
H
I
K
22
R 1
z
R 6.3
z
R 25
z
R 100
z
±0,8
±0,5
±0,3
±0,2
±0,1
>400...1000
>120...400
>30...120
>6...30
<6
HS22.02.2006EC O 402145DS +01
ECO 402600FS+01 23. 07.2006 HS
03060279-010101XD0
3
VHS head
Holding circuit
1
2
Holding circuit
2.5 - 4.5 bar, 120 to 200 Nl/min
Return cylinder
Placement circuit
Placement circuit+return cylinder
4.5 ± 0.1 bar, 50 Nl/min
Valve block, SIPLACE X-Series
03038355-xx
Pneumatic unit, SIPLACE X-Series
03038058-xx
Fan unit
(Elmo)
03006294-xx
PVC hose with woven fabric inlay
Ø 16x4
PVC hose with woven fabric inlay
Ø 16x4
Gantry 4 Gantry 3 Gantry 2 Gantry 1
Distributor, placement head
03013015-xx
6-M7 4-M7 4-M7 8-1/4" 8-1/4"
V3a1
V3a2
V3a3
V3a4
V3a5
Distributor, placement head
03013015-xx
Y
V3e1
V3e2
V3e3
V3e4
V3e5
V3e6
V3e7
V4e1
V4e2
V4e3
V4e4
V4e5
V4e6
V4e7
V4a5
V4a4
V4a3
V4a2
V4a1
8-1/4"8-1/4"4-M74-M76-M7
Y
XX
Distributor, placement head
03013015-xx
6-M7 4-M7 4-M7 8-1/4" 8-1/4"
V3a1
V3a2
V3a3
V3a4
V3a5
Distributor, placement head
03013015-xx
Y
V3e1
V3e2
V3e3
V3e4
V3e5
V3e6
V3e7
V4e1
V4e2
V4e3
V4e4
V4e5
V4e6
V4e7
V4a5
V4a4
V4a3
V4a2
V4a1
8-1/4"8-1/4"4-M74-M76-M7
Hose 03012081-xx
made of
TFU0604B-8-10-X17 (SMC)
Y
XX
Hose 03012081-xx
made of
TFU0604B-8-10-X17 (SMC)
Hose 03012081-xx
made of
TFU0604B-8-10-X17 (SMC)
Hose 03012081-xx
made of
TFU0604B-8-10-X17 (SMC)

5 - 8
03060279-010101XD0 Pneumatikeinheit, SIPLACE X-Serie, Anschlussplan IGUS (Bl. 3 v. 3)
Pneumatic unit, SIPLACE X-Series, IGUS connecting diagram X (sh. 3 of 3)
HS20.06.2006ECO 402531FS+01
DS +01 ECO 402145 22.02.2006 HS
Replacement for
General tolerances for
nominal dimensi ons without
spec.tolerance
ISO 2768 mH
ASM AS
Change
Request No.
Modification / ECO No. Date Name
General tolerances
surface:
HRC hardened
case hardened
NameDate
Drawn
Checked
Standards
Scale
Document - No. / Un terlagen - Nr. (FS RS US UA SP F)
Format
Material
of
Sheet
Copyright ©
R
P
O
N
M
L
A
B
C
D
E
F
G
H
I
K
R
P
O
N
M
L
2120191817161 23456789101112131415
222120191817161
Copying of this document, and giving it to others and the use
or communication of the contents thereof, are forbidden with-
out express authority. Offenders are liable to the payment of
damages. Al l rights a re reserved in the event of the grant of
a patent or the registration of a utility model or design.
Weitergabe sowie Vervielfältigung dieser Unterlage, Verwer-
tung und Mitteilung ihres Inhalts nicht gestattet, soweit nicht
ausdrücklich zu gestanden. Zuwiderhandlungen verpflichten zu
Schadenersatz. Alle Rechte für den Fall der Patenterteilung
oder GM-Eintragung vorbehalten.
23456789101112131415
A
B
C
D
E
F
G
H
I
K
22
R 1
z
R 6.3
z
R 25
z
R 100
z
±0,8
±0,5
±0,3
±0,2
±0,1
>400...1000
>120...400
>30...120
>6...30
<6
FS+01 ECO 402600 23.07.2006 HS
03060279-010101XD0
Gantry distributor
SIPLACE X-Series
03034840-xx
Gantry distributor
SIPLACE X-Series
03034840-xx
Ø 10Ø 10Ø 6Ø 6Ø 6Ø 6Ø 6Ø 6
Ø 10 Ø 16
Ø 6 Ø 10Ø 10Ø 6Ø 6Ø 6Ø 6Ø 6Ø 6
Ø 10Ø 16
Ø 6 Ø 10Ø 10Ø 6Ø 6Ø 6Ø 6Ø 6Ø 6
Ø 10 Ø 16
Ø 6 Ø 10 Ø 10 Ø 6 Ø 6 Ø 6 Ø 6 Ø 6 Ø 6
Ø 10Ø 16
Ø 6
Y motor Y motor Y motor Y motor
X X
Ø 16Ø 16Ø 16
Øxx
Ø 16
Vacuum distributor, SIPLACE X-Series
03034629-xx
TS 1612, SMC
03004163-xx
TS 1612, SMC
03004163-xx
TS 1612, SMC
03004163-xx
TS 1612, SMC
03004163-xx
Cooling air distributor, X-Series
03022295-xx
Ø 10Ø 10Ø 10Ø 10
Cooling air distributor, X-Series
03022295-xx
Ø 10Ø 10Ø 10Ø 10
Vacuum pump
(03038058-030101XD0)
07.03.05 Schönbach
Nozzle Ø 1.5mm
Suct. pwr.:63N/l
Air consumpt.:140Nl/min
Nozzle Ø 1mm
Suct. pwr.:27N/l
Air consumpt.:55Nl/min
Forced air
Placement circuit
Holding circuit
1
2
C&P head, DLM2-6, 00367020-xx
C&P head, DLM2-12, 00367281-xx
4.5 +0.1 bar, 200 Nl/min
Air consumpt.:5Nl/min
Nozzle Ø 1.5mm
Suct. pwr.:63N/l
Air consumpt.:140Nl/min
Nozzle Ø 1mm
Suct. pwr.:27N/l
Air consumpt.:55Nl/min
Forced air
Placement circuit
Holding circuit
1
2
C&P head, DLM2-6, 00367020-xx
C&P head, DLM2-12, 00367281-xx
4.5 +0.1 bar, 200 Nl/min
Air consumpt.:5Nl/min
accuracy principle
DIN 7167
3
3
2-5 um nickel-plated (chem.)
A0
()
PUN-CM-6-7X-SA (3.0m)
03038005-xx
PUN-CM-6-7X-SA (3.0m)
03038005-xx
PUN-CM-6-7X-SA (3.0m)
03038005-xx
PUN-CM-6-7X-SA (3.0m)
03038005-xx
Camozzi PUR C98A 10x1 (0.45m)
03021925-xx
Camozzi PUR C98A 10x1 (0.35m)
03021925-xx
Camozzi PUR C98A 10x1 (0.45m)
03021925-xx
Camozzi PUR C98A 10x1 (0.35m)
03021925-xx
Camozzi PUR C98A 10x1
03021925-xx
Camozzi PUR C98A 10x1
03021925-xx
Camozzi PUR C98A 10x1
03021925-xx
Camozzi PUR C98A 10x1
03021925-xx
Camozzi PUR C98A 10x1
03021925-xx
Camozzi PUR C98A 10x1
03021925-xx
Camozzi PUR C98A 10x1
03021925-xx
Camozzi PUR C98A 10x1
03021925-xx
Camozzi PUR C98A 10x1
03021925-xx
Camozzi PUR C98A 10x1
03021925-xx
Camozzi PUR C98A 10x1
03021925-xx
Camozzi PUR C98A 10x1
03021925-xx
TS 1612, SMC (2.0m)
03004163-xx
TS 1612, SMC (2.0m)
03004163-xx
QS-16
03035036-xx
QSC 12H, Festo
03015210-xx
QS-16
03035036-xx
QS-16
03035036-xx
QSH-16-12
03035037-xx
QS-12
03035034-xx
QS-16
03035036-xx
QSH-16-12
03035037-xx
QS-12
03035034-xx
PUN 12 x 2.0 (0.14m)
00344918-xx
PUN 12 x 2.0 (0.14m)
00344918-xx
PUN 10 x 1.5 (2.1m)
00324466-xx
PUN 10 x 1.5 (2.1m)
00324466-xx
PUN 10 x 1.5 (3.0m)
00324466-xx
TS 1612, SMC (2.8m)
03004163-xx
PUN 10 x 1.5 (3.0m)
00324466-xx
TS 1612, SMC (2.8m)
03004163-xx
Vacuum retrofit kit 1G odd 2G ODD
03038195-xx
or
Vacuum retrofit kit 2G EVEN
03039015-xx
QSC 12H, Festo
03015210-xx
Gantry 1Gantry 2Gantry 3Gantry 4
PVC hose with woven fabric inlay
Ø 16x4
PVC hose with woven fabric inlay
Ø 16x4
Fan unit
(Elmo)
03006294-xx
Pneumatic unit, SIPLACE X-Series
03038058-xx
Valve block, SIPLACE X-Series
03038355-xx
1
2
TwinHead - Pick + Place head
03001841-xx
Return motion cyl.
Z axis
Vacuum generator
1
2
4.5 ± 0.1 bar, 100 Nl/min
Vacuum generator
Return motion cyl.
Z axis
Ø 8
Ø 8
Ø 6
Ø 6
Ø 6
Ø 6
Ø 6
Ø 6
Ø 12
Cable and hose carrier
(Y carrier, IGUS chain)
Cable and hose carrier
(X carrier)
Ø 6 Ø 4 Ø 4 Ø 6 Ø 8
Ø 6
Distributor, placement head vacuum
03029190-xx
Ø 8
Ø 8
Ø 6
Ø 6
Ø 6
Ø 6
Ø 6
Ø 6
Ø 12
Cable and hose carrier
(Y carrier, IGUS chain)
Cable and hose carrier
(X carrier)
Ø 6Ø 4Ø 4Ø 6Ø 8
Ø 6
Ø 8
Ø 8
Ø 6
Ø 6
Ø 6
Ø 6
Ø 6
Ø 6
Ø 12
Cable and hose carrier
(Y carrier, IGUS chain)
Cable and hose carrier
(X carrier)
Ø 6 Ø 4 Ø 4 Ø 6 Ø 8
Ø 6
Ø 8
Ø 8
Ø 6
Ø 6
Ø 6
Ø 6
Ø 6
Ø 6
Ø 12
Cable and hose carrier
(Y carrier, IGUS chain)
Cable and hose carrier
(X carrier)
Ø 6Ø 4Ø 4Ø 6Ø 8
Ø 6
Distributor, placement head vacuum
03029190-xx
Distributor, placement head vacuum
03029190-xx
Distributor, placement head vacuum
03029190-xx
A0
Showing the compressed air connectionShowing the vacuum connection Showing the vacuum connection Showing the compressed air connection
3
VHS head
Holding circuit
1
2
Holding circuit
2.5 - 4.5 bar, 120 to 200 Nl/min
Return cylinder
Placement circuit
Placement circuit+ return cylinder
4.5 ± 0.1 bar, 50 Nl/min