00196193-0102_DC_SIPLACE-X_DE EN - 第42页
1 - 27 90010132-020401LD3 SIPLACE X2 Grundmodul (Bl. 6 v . 6) SIPLACE X2 basic module (sh. 6 of 6) Orig. Repl. by. Repl. f. W e i t e r g a b e s o w i e V e r v i e l f ä l t i g u n g d i e s e r U n t e r l a g e , V …

1 - 26
90010132-020401LD3 SIPLACE X2 Grundmodul (Bl. 5 v. 6)
SIPLACE X2 basic module (sh. 5 of 6)
Orig. Repl. by.Repl. f.
W
e
i
t
e
r
g
a
b
e
s
o
w
i
e
V
e
r
v
i
e
l
f
ä
l
t
i
g
u
n
g
d
i
e
s
e
r
U
n
t
e
r
l
a
g
e
,
V
e
r
w
e
r
t
u
n
g
u
n
d
M
i
t
t
e
i
l
u
n
g
i
h
r
e
s
I
n
h
a
l
t
s
n
i
c
h
t
g
e
s
t
a
t
t
e
t
,
s
o
w
e
i
t
n
i
c
h
t
a
u
s
d
r
ü
c
k
l
i
c
h
z
u
g
e
s
t
a
n
d
e
n
.
Z
u
w
i
d
e
r
h
a
n
d
l
u
n
g
e
n
v
e
r
p
f
l
i
c
h
t
e
n
z
u
S
c
h
a
d
e
n
e
r
s
a
t
z
.
A
l
l
e
R
e
c
h
t
e
v
o
r
b
e
h
a
l
t
e
n
,
i
n
s
b
e
s
o
n
d
e
r
e
f
ü
r
d
e
n
F
a
l
l
d
e
r
P
a
t
e
n
t
e
r
t
e
i
l
u
n
g
o
d
e
r
G
M
-
E
i
n
t
r
a
g
u
n
g
.
P
r
o
p
r
i
e
t
a
r
y
d
a
t
a
,
c
o
m
p
a
n
y
c
o
n
f
i
d
e
n
t
i
a
l
.
A
l
l
r
i
g
h
t
s
r
e
s
e
r
v
e
d
.
C
o
n
f
i
e
a
t
i
t
r
e
d
e
s
e
c
r
e
t
d
'
e
n
t
r
e
p
r
i
s
e
.
T
o
u
s
d
r
o
i
t
s
r
e
s
e
r
v
e
s
.
C
o
m
u
n
i
c
a
d
o
c
o
m
o
s
e
g
r
e
d
o
e
m
p
r
e
s
a
r
i
a
l
.
R
e
s
e
r
v
a
d
o
s
t
o
d
o
s
o
s
d
i
r
e
i
t
o
s
.
C
o
n
f
i
a
d
o
c
o
m
o
s
e
c
r
e
t
e
i
n
d
u
s
t
r
i
a
l
.
N
o
s
r
e
s
e
r
v
a
m
o
s
t
o
d
o
s
l
o
s
d
e
r
e
c
h
o
s
.
21 786543
21 786543
A
B
C
D
E
F
A
B
C
D
E
F
Date
Drawn
Checked
StandardName
ModificationStat. Date
Sheet
Designer 9
Item name / Benennung
of
Document No. /
Dokumentennummer:
14.11.2001
Tekin
Tekin
ASM Assembly Systems
GmbH & Co. KG
Copyright ©04.03.09RS04 TDH
SIPLACE X2 Grundmodul
90010132-020401LD3
6
Tekin05.07.07403197RS02
18.02.08403495RS03 Tekin
SIPLACE X2 basic module
X
1
1
2
X
1
1
3
X
1
1
5
0
3
0
0
2
5
4
1
S
i
g
n
a
l
l
i
n
g
0
3
0
0
2
5
4
2
S
a
f
e
t
y
c
i
r
c
u
i
t
0
3
0
1
0
0
5
1
C
A
N
I
N
0
3
0
1
0
0
5
0
C
A
N
O
U
T
X
1
1
6
PCB
Control
Main
distributor
Sub distributor
A
x
i
s
u
n
i
t
U
n
i
t
b
o
x
-
p
c
P
l
a
c
e
m
e
n
t
a
r
e
a
2
P
l
a
c
e
m
e
n
t
a
r
e
a
1
Power supply
X
1
3
2
X
1
3
3
X
1
3
5
0
3
0
0
2
5
3
4
S
i
g
n
a
l
l
i
n
g
0
3
0
0
2
5
3
5
S
a
f
e
t
y
c
i
r
c
u
i
t
0
3
0
1
0
0
5
6
C
A
N
I
N
0
3
0
1
0
0
5
7
C
A
N
O
U
T
X
1
3
6
X
1
4
2
X
1
4
3
X
1
4
5
0
3
0
0
2
5
4
6
S
i
g
n
a
l
l
i
n
g
0
3
0
0
2
5
4
7
S
a
f
e
t
y
c
i
r
c
u
i
t
0
3
0
1
0
0
5
1
C
A
N
I
N
0
3
0
1
0
0
5
2
C
A
N
O
U
T
X
1
4
6
(
2
n
d
a
x
i
s
u
n
i
t
)
Docking unit 2
Docking unit 1
Dock.unit 3
Docking unit 4
0
3
0
1
7
4
4
9
0
3
0
2
1
0
7
1
F
C
U
X
2
1
3
X
2
1
4
X
2
1
5
X
3
f
n
X
4
f
n
X
5
f
n
X
2
f
n
03019062
Dock.unit 1
Control
(top)
03019062
Dock.unit 4
Control
(bottom)
0
3
0
1
7
4
4
6
0
3
0
2
1
0
3
1
O
n
/
O
f
f
v
a
l
v
e
0
3
0
2
1
0
6
1
H
o
l
d
i
n
g
c
i
r
c
u
i
t
0
3
0
2
1
0
7
4
F
C
U
X
2
4
3
X
2
4
4
X
2
4
5
0
3
0
2
1
0
3
4
V
a
l
v
e
O
n
/
O
f
f
0
3
0
2
1
0
6
4
H
o
l
d
i
n
g
c
i
r
c
u
i
t
X1fn
X
3
k
n
X
4
k
n
X
5
k
n
X
2
k
n
X1kn
X
1
2
2
X
1
2
3
X
1
2
5
0
3
0
0
2
5
3
0
S
i
g
n
a
l
l
i
n
g
0
3
0
0
2
5
3
1
S
a
f
e
t
y
c
i
r
c
u
i
t
0
3
0
1
0
0
5
3
C
A
N
I
N
0
3
0
1
0
0
5
4
C
A
N
O
U
T
X
1
2
6
X
3
h
n
X
4
h
n
X
5
h
n
X
2
h
n
0301 9062
Dock.unit 2
Control
(top)
X1gn
X1hn
X
3
g
n
X
4
g
n
X
5
g
n
X
2
g
n
X
3
h
n
X
4
h
n
X
5
h
n
X
2
h
n
X
3
g
n
X
4
g
n
X
5
g
n
X
2
g
n
0
3
0
2
1
0
7
3
F
C
U
X
2
3
3
X
2
3
4
X
2
3
5
0
3
0
2
1
0
3
3
V
a
l
v
e
O
n
/
O
f
f
0
3
0
2
1
0
6
3
H
o
l
d
i
n
g
c
i
r
c
u
i
t
0
3
0
2
1
0
7
2
F
C
U
X
2
2
3
X
2
2
4
X
2
2
5
0
3
0
2
1
0
3
2
O
n
/
O
f
f
v
a
l
v
e
0
3
0
2
1
0
6
2
H
o
l
d
i
n
g
c
i
r
c
u
i
t
03
01
74
4
8
03
0
17
44
7
Wiring, optimized dock.unit
X1fn X1kn
X
2
4
2
X
2
4
2
On/Off Button
Dock.unit 4
Extension kit, PCB input (right)
On/Off button
Dock.unit 1
X
2
1
2
X
2
1
2
Extension kit, PCB input (left)
X
2
3
2
X
2
3
2
On/Off button
Dock.unit 3
Exension kit, PCB output (right)
0302 1056
On/Off button
Dock.unit 2
X
2
2
2
X
2
2
2
Extension kit, PCB output (left)
X1gn
X1hn
X24qa
X24qa
X19qa
X19qa
X24ra
X24ra
X19ra
X19ra
5
3
0
V
-
D
C
/
D
C
c
o
n
v
e
r
t
e
r
C
O
f
e
e
d
e
r
0
3
0
2
0
5
1
3
X
2
l
b
X
1
l
b
X
4
l
b
X
3
l
b
X
2
l
b
X
1
l
b
X
4
l
b
X
3
l
b
X
1
2
1
X
1
2
1
X
2
2
1
0
3
0
2
0
9
0
2
D
C
/
D
C
c
o
n
v
e
r
t
e
r
03020902-W1
03020902-W2
X
2
1
1
0
3
0
2
0
9
0
1
D
C
/
D
C
c
o
n
v
e
r
t
e
r
X
2
3
1
0
3
0
2
0
9
0
3
D
C
/
D
C
c
o
n
v
e
r
t
e
r
X
1
3
1
X
1
3
1
Power Supply
03020903-W2
03020903-W1
X
1
1
1
X
1
1
1
03020901-W1
03020901-W2
X
2
4
1
03020904-W2
X141
X141
03020904-W1
0
3
0
2
0
9
0
4
D
C
/
D
C
c
o
n
v
e
r
t
e
r
SIPLACE X Series
0302 1056
0302 1052
0302 1053
0301 9062
Dock.unit 3
Control
(bottom)
03002492
Power Supply
0300 2493
Power Supply
0300 2491
P
o
w
e
r
S
u
p
p
l
y
0
3
0
0
2
4
9
4
X
3
f
n
X
4
f
n
X
5
f
n
X
2
f
n
X
3
k
n
X
4
k
n
X
5
k
n
X
2
k
n
0302 1051
0302 1054
0302 1056
0302 1056

1 - 27
90010132-020401LD3 SIPLACE X2 Grundmodul (Bl. 6 v. 6)
SIPLACE X2 basic module (sh. 6 of 6)
Orig. Repl. by.Repl. f.
W
e
i
t
e
r
g
a
b
e
s
o
w
i
e
V
e
r
v
i
e
l
f
ä
l
t
i
g
u
n
g
d
i
e
s
e
r
U
n
t
e
r
l
a
g
e
,
V
e
r
w
e
r
t
u
n
g
u
n
d
M
i
t
t
e
i
l
u
n
g
i
h
r
e
s
I
n
h
a
l
t
s
n
i
c
h
t
g
e
s
t
a
t
t
e
t
,
s
o
w
e
i
t
n
i
c
h
t
a
u
s
d
r
ü
c
k
l
i
c
h
z
u
g
e
s
t
a
n
d
e
n
.
Z
u
w
i
d
e
r
h
a
n
d
l
u
n
g
e
n
v
e
r
p
f
l
i
c
h
t
e
n
z
u
S
c
h
a
d
e
n
e
r
s
a
t
z
.
A
l
l
e
R
e
c
h
t
e
v
o
r
b
e
h
a
l
t
e
n
,
i
n
s
b
e
s
o
n
d
e
r
e
f
ü
r
d
e
n
F
a
l
l
d
e
r
P
a
t
e
n
t
e
r
t
e
i
l
u
n
g
o
d
e
r
G
M
-
E
i
n
t
r
a
g
u
n
g
.
P
r
o
p
r
i
e
t
a
r
y
d
a
t
a
,
c
o
m
p
a
n
y
c
o
n
f
i
d
e
n
t
i
a
l
.
A
l
l
r
i
g
h
t
s
r
e
s
e
r
v
e
d
.
C
o
n
f
i
e
a
t
i
t
r
e
d
e
s
e
c
r
e
t
d
'
e
n
t
r
e
p
r
i
s
e
.
T
o
u
s
d
r
o
i
t
s
r
e
s
e
r
v
e
s
.
C
o
m
u
n
i
c
a
d
o
c
o
m
o
s
e
g
r
e
d
o
e
m
p
r
e
s
a
r
i
a
l
.
R
e
s
e
r
v
a
d
o
s
t
o
d
o
s
o
s
d
i
r
e
i
t
o
s
.
C
o
n
f
i
a
d
o
c
o
m
o
s
e
c
r
e
t
e
i
n
d
u
s
t
r
i
a
l
.
N
o
s
r
e
s
e
r
v
a
m
o
s
t
o
d
o
s
l
o
s
d
e
r
e
c
h
o
s
.
21 786543
21 786543
A
B
C
D
E
F
A
B
C
D
E
F
Date
Drawn
Checked
StandardName
ModificationStat. Date
Sheet
Designer 9
Item name / Benennung
of
Document No. /
Dokumentennummer:
14.11.2001
Tekin
Tekin
ASM Assembly Systems
GmbH & Co. KG
Copyright ©04.03.09RS04 TDH
SIPLACE X2 Grundmodul
90010132-020401LD3
6
Tekin05.07.07403197RS02
18.02.08403495RS03 Tekin
SIPLACE X2 basic module
X05_1sq
X4cb X8cb X9cb
X1cbX2cbX3cb
Main Distributor
0304 6225
X1cbX2cbX3cb
X4caX5caX6caX7caX8ca X40ca
CAN busTest Test screen
X1caX2caX3ca X60ca X61ca
X12ca
G
a
n
t
r
y
3
X
3
q
c
V
i
s
i
o
n
D
C
/
D
C
c
o
n
v
e
r
t
e
r
0
3
0
0
2
2
8
0
(
q
c
)
X
5
0
c
a
X
9
0
c
a
X
4
q
c
X
5
q
a
Power
supply
Illumination
X
4
q
a
X
3
q
c
X
5
q
a
Carrier cable 1=3 and 2=4
G
a
n
t
r
y
X
m
o
t
o
r
Gantry interface
00363 330 (cb)
0
3
0
4
0
9
7
7
-
W
2
Head interface
0300 0901 (cc)
X4ccX5ccX6ccX7ccX8cc
X motor
Tab
(X1uo) (X3uo) (X5uo) (X1up) (X3up) (X5up)
X4ccX5ccX6ccX7ccX8cc
X4caX5caX6caX7caX8ca
X1caX2caX3ca X60ca X61ca
X
5
0
c
a
X
9
0
c
a
X4cb X8cb
6
X9ca
X9ca
X4cf
X4cf
X9cu
PCB camera
digital
0303 0762
X8cu X20cu
X8cu X20cu
X
1
3
c
u
X
9
c
c
X9cu
To Head adapter
Axis unit
0305 7572
Carrier cable interface 1/3
0301 0612 (ca)
X11caX22ca X21ca X23ca X24ca X26ca X25ca
X12ca X11caX22ca X21ca X23ca X24ca X26ca X25ca
G
a
n
t
r
y
Y
m
o
t
o
r
0
3
0
0
9
8
1
1
0
3
0
0
9
8
1
2
0
3
0
0
9
8
1
3
0
3
0
0
9
8
1
4
0
3
0
0
9
8
1
5
0
3
0
0
9
8
1
6
A
c
t
u
a
l
v
a
l
u
e
R
e
s
/
D
P
2
a
x
i
s
A
c
t
u
a
l
v
a
l
u
e
D
P
1
a
x
i
s
A
c
t
u
a
l
v
a
l
u
e
Z
1
a
x
i
s
A
c
t
u
a
l
v
a
l
u
e
S
/
Z
2
a
x
i
s
A
c
t
u
a
l
v
a
l
u
e
Y
a
x
i
s
A
c
t
u
a
l
v
a
l
u
e
X
a
x
i
s
X06_1sq X07_1sq X08_1sq X11_1sq X12_1sq
X05_1sq X06_1sq X07_1sq X08_1sq X11_1sq X12_1sq
X05_3sq X06_3sq
(X4ur) (X4ut)
X05_3sq X06_3sq
C
a
r
r
i
e
r
c
a
b
l
e
Y
-
M
o
t
o
r
C
a
r
r
i
e
r
c
a
b
l
e
Y
-
M
o
t
o
r
C
a
r
r
i
e
r
c
a
b
l
e
Y
-
M
o
t
o
r
Test access
0300 3448
X01_1sq X02_1sq X03_1sq X04_1sq X09_1sq X10_1sq X01_3sq X02_3sq
(X1to) (X3to) (X5to) (X1tp) (X3tp) (X5tp) (X4tr) (X4tt)
C
a
r
r
i
e
r
c
a
b
l
e
X
-
M
o
t
o
r
C
a
r
r
i
e
r
c
a
b
l
e
S
/
Z
2
-
M
o
t
o
r
C
a
r
r
i
e
r
c
a
b
l
e
Z
1
/
D
P
1
-
M
o
t
o
r
C
a
r
r
i
e
r
c
a
b
l
e
D
P
1
/
D
P
2
-
M
o
t
o
r
C
a
r
r
i
e
r
c
a
b
l
e
X
-
M
o
t
o
r
Temperature
sensor
X11cc X12cc
X11cc X12cc
X motor
0
3
0
0
3
3
6
1
-
W
1
Motor X axis
Scanning head
X axis
X24cc X15cc
0
3
0
2
0
5
8
8
X15cc
X22cc
0
3
0
4
0
9
7
7
-
W
1
0
3
0
0
6
7
6
7
-
W
2
Motor Y axis
0
3
0
0
3
3
6
1
-
W
2
Temperature
sensor
Y motor
0
3
0
0
6
7
6
7
-
W
1
Test
Y tracksingnals
Scanning head
Y axis
X10cb
0
3
0
1
7
7
5
4
X10cb
Y tracksignals
X11cb
Y motor
encoder
Control computer
0305 2031
X3cf
X
1
p
s
C
A
M
0
C
A
M
1
H
o
t
l
i
n
k
i
n
t
e
r
f
a
c
e
X
1
p
s
X
0
p
s
X
0
p
s
X3cf
0300 9818
Camera bus
0300 9809
0300 9808
X13ca X14ca X15caX16ca
S
/
Z
2
m
o
t
o
r
0
3
0
5
0
9
0
3
Z
1
m
o
t
o
r
0
3
0
5
0
9
0
4
D
P
2
m
o
t
o
r
0
3
0
5
0
9
0
5
D
P
1
m
o
t
o
r
0
3
0
5
0
9
0
6
X07_3sq X08_3sq X12_3sqX11_3sq
X07_3sq X08_3sq X12_3sqX11_3sq
X
1
0
X
1
1
X
1
2
Power supply
00354 626
X
1
2
X
1
0
X
1
1
fan fan
X
4
q
a
X03_3sq X04_3sq X10_3sqX09_3sq X1we X2we
X47sq X1we X2we
0305 0900-W4
0305 0900-W3
X47sq
0
3
0
5
0
9
0
2
0
3
0
5
0
9
0
1
X13ca X14ca X15caX16ca
0305 0899
X41_1sqX42_1sq
X41_1sqX42_1sq
X
1
3
0305 0900-W5
0305 0900-W2
0305 0900-W1
X
1
3
X45sqX46sq
X45sqX46sq
(X22)
(X21)
Vision Board
Spread Spectrum X (VBSX)
0304 7984 (cu)
Vision Hotlink Adapter VHA
0305 0555 (cf)
Sub distributor
0304 6226
V
i
s
i
o
n
D
C
d
i
s
t
r
i
b
u
t
o
r
0
3
0
0
5
9
2
0
(
r
c
)
0
3
0
3
8
0
7
3
0
3
0
3
8
0
7
2
0
3
0
3
8
0
7
1
0
3
0
3
8
0
7
6
0
3
0
3
8
0
7
5
0
3
0
3
8
0
7
4
0
3
0
3
8
0
7
8
0
3
0
3
8
0
7
7
0
3
0
5
2
1
2
9
G
a
n
t
r
y
1
X
5
0
a
a
X
9
0
b
a
X
4
r
c
X
6
q
a
X
6
q
a
Power
supply
Illumination
X
5
0
a
a
X
9
0
b
a
X
4
r
c
X01_1sq X02_1sq X03_1sq X04_1sq X09_1sq X10_1sq
0300 9788
0300 9789
X
1
p
r
C
A
M
0
C
A
M
1
H
o
t
l
i
n
k
b
o
a
r
d
X
0
p
r
0300 9778
Camera bus
X
1
p
r
X
0
p
r
Spare
Spare
X3bf
X3bf
0
3
0
0
9
7
9
1
A
c
t
u
a
l
v
a
l
u
e
R
e
s
/
D
P
2
a
x
i
s
A
c
t
u
a
l
v
a
l
u
e
D
P
1
a
x
i
s
A
c
t
u
a
l
v
a
l
u
e
Z
1
a
x
i
s
A
c
t
u
a
l
v
a
l
u
e
S
/
Z
2
a
x
i
s
A
c
t
u
a
l
v
a
l
u
e
Y
a
x
i
s
A
c
t
u
a
l
v
a
l
u
e
X
a
x
i
s
0
3
0
0
9
7
9
2
0
3
0
0
9
7
9
3
0
3
0
0
9
7
9
4
0
3
0
0
9
7
9
5
0
3
0
0
9
7
9
6
X22ba X21ba X23ba X24ba X26ba X25ba
X22ba X21ba X23ba X24ba X26ba X25ba
X4bb X8bb
X9cb
X1bbX2bbX3bb
X1bbX2bbX3bb
X40b
CAN busTest Test screen
Gantry interface
00363 330 (bb)
Head interface
0300 0901 (cc)
X motor
Tab
X4bcX5bcX6bcX7bcX8bc
X4baX5baX6baX7baX8ba
X1baX2baX3ba X60ba X61ba
X4bb X8bb
X9baX4bf
PCB camera
digital
0303 0762
X8bu X20bu
X9bu
To Head adapter
Carrier cable interface 1/3
0301 0612 (ba)
C
a
r
r
i
e
r
c
a
b
l
e
Y
-
M
o
t
o
r
C
a
r
r
i
e
r
c
a
b
l
e
Y
-
M
o
t
o
r
C
a
r
r
i
e
r
c
a
b
l
e
Y
-
M
o
t
o
r
Test access
0300 3448
C
a
r
r
i
e
r
c
a
b
l
e
X
-
M
o
t
o
r
C
a
r
r
i
e
r
c
a
b
l
e
S
/
Z
2
-
M
o
t
o
r
C
a
r
r
i
e
r
c
a
b
l
e
Z
1
/
D
P
1
-
M
o
t
o
r
C
a
r
r
i
e
r
c
a
b
l
e
D
P
1
/
D
P
2
-
M
o
t
o
r
C
a
r
r
i
e
r
c
a
b
l
e
X
-
M
o
t
o
r
Temperature
sensor
X11bc X12bc
X motor
0
3
0
0
3
3
6
1
-
W
1
Motor X axis
Scanning head
X axis
X24bc
0
3
0
2
0
5
8
8
X15bcX22bc
0
3
0
0
6
7
6
7
-
W
2
Motor Y axis
0
3
0
0
3
3
6
1
-
W
2
Temperature
sensor
Y motor
0
3
0
0
6
7
6
7
-
W
1
Test
Y tracksingnals
Scanning head
Y axis
X10bb
0
3
0
1
7
7
5
4
X10bb
Y tracksignals
X11bb
Y motor
encoder
X
1
3
b
u
X
9
b
c
X4bf X4baX5baX6baX7baX8baX9ba
X1baX2baX3ba X60ba X61ba
X9bu
X8bu X20bu
X4bcX5bcX6bcX7bcX8bc
X11bc X12bc
X15bc
0
3
0
3
8
0
7
3
0
3
0
3
8
0
7
2
0
3
0
3
8
0
7
1
0
3
0
3
8
0
7
6
0
3
0
3
8
0
7
5
0
3
0
3
8
0
7
4
0
3
0
3
8
0
7
8
0
3
0
3
8
0
7
7
0
3
0
4
0
9
7
7
-
W
2
0
3
0
4
0
9
7
7
-
W
1
G
a
n
t
r
y
X
m
o
t
o
r
G
a
n
t
r
y
Y
m
o
t
o
r
X01_3sq X02_3sq
X12ba X11ba
X12ba X11ba X13ba X14ba X15baX16ba
X13ba X14ba X15baX16ba
X03_3sq X04_3sq X10_3sqX09_3sq
S
/
Z
2
m
o
t
o
r
0
3
0
5
0
8
9
3
Z
1
m
o
t
o
r
0
3
0
5
0
8
9
4
D
P
2
m
o
t
o
r
0
3
0
5
0
8
9
5
D
P
1
m
o
t
o
r
0
3
0
5
0
8
9
6
0
3
0
5
0
8
9
2
0
3
0
5
0
8
9
1
Vision Hotlink Adapter VHA
0305 0555 (bf)
0
3
0
5
2
1
2
9
Vision Board
Spread Spectrum X (VBSX)
0304 7984 (bu)

1 - 28
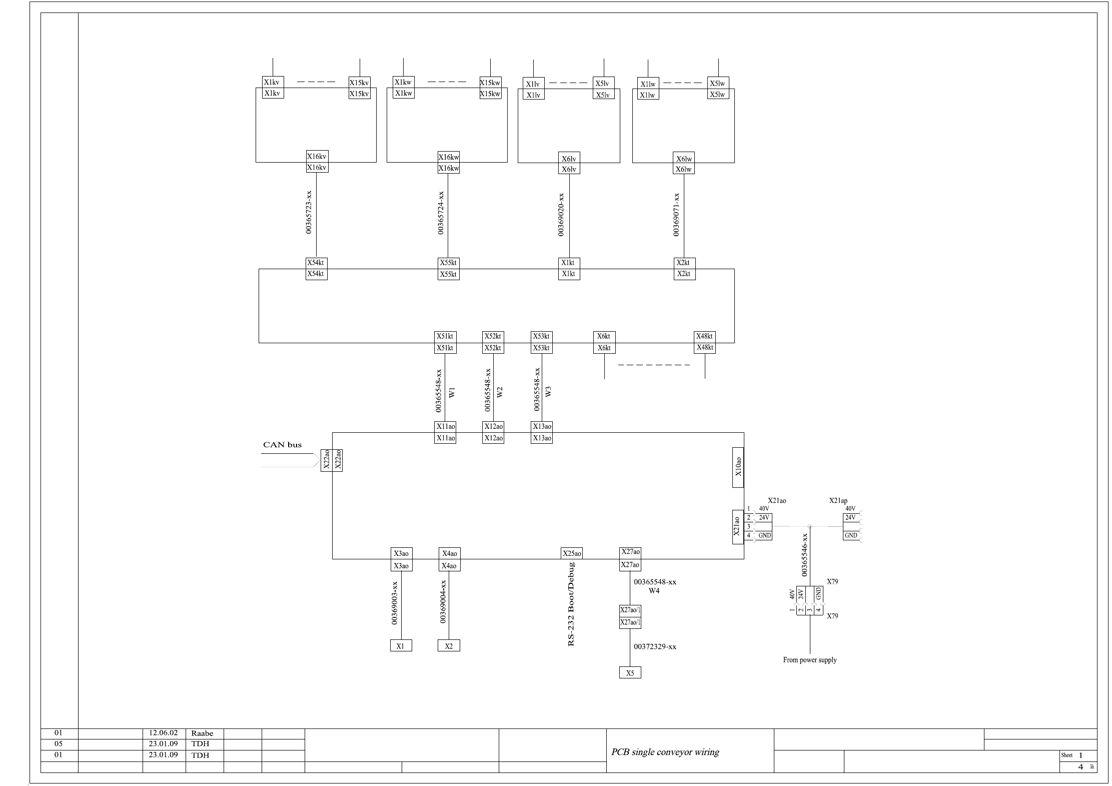
00119625-010501LD3 Verdrahtung LP-Einfachtransport (Bl. 1 v. 4)
PCB single conveyor wiring (sh. 1 of 4)
Raabe
12.06.02
00119625-010501LD3
00359424-xx
00359425-xx
Status Modified
Document stat.
Product status
Function status
Date Name Stand.
Check.
Author
Date
Orig. Repl. f.
Repl. by
Upstream station
Machine interface, track 1 (SMEMA)
Downstream station
Distributor, PCB barcode reader
(option)
Sensors/actors in assembly trough
Conveyor control TSP-301
Conversion board, assembly trough
Conversion board, side panel BConversion board, side panel A
Sensors/actors
on side panel A
Sensors/actors
on side panel B
Conversion board, lifting table
Placement sector 1 Placement sector 2
Conversion board, lifting table
Sensors/actors f. lifting table
Placement sector 1
Sensors/actors f. lifting table
Placement sector 2
besondere für den Fall der Patenterteilung oder GM-Eintragung
pflichten zu Schadenersatz. Alle Rechte vorbehalten, ins
nicht ausdrücklich zugestanden. Zuwiderhandlungen ver-
wertung und Mitteilung ihres Inhalts nicht gestattet, soweit
Weitergabe sowie Vervielfältigung dieser Unterlage,Ver-
Confiado como secrete industrial. Nos reservamos todos los derechos.
Comunicado como segredo empresarial. Reservados todos os direitos.
Confie a titre de secret d'entreprise. Tous droits reserves.
Proprietary date, company confidential. All rights reserved.
SIPLACE X-Series
Copyright ©
Verdrahtung LP-Einfachtransport
ASM Assembly Systems
GmbH & Co. KG
(kv)
00359424-xx
(kw)
(kt)
(ao)
(lv)
00362766-xx
(lw)
00362766-xx
00370397-xx