00196193-0102_DC_SIPLACE-X_DE EN - 第48页
1 - 33 001 19627-010501LD3 V erdrahtung Doppeltransport (Bl. 2 v . 6) PCB dual conveyor wiring (sh. 2 of 6) 00365775-xx 00369017-xx 00369019-xx 00365776-xx 00359425-xx (kt) 00365777-xx 00370397-xx (ao) 00365572-xx Stan d…

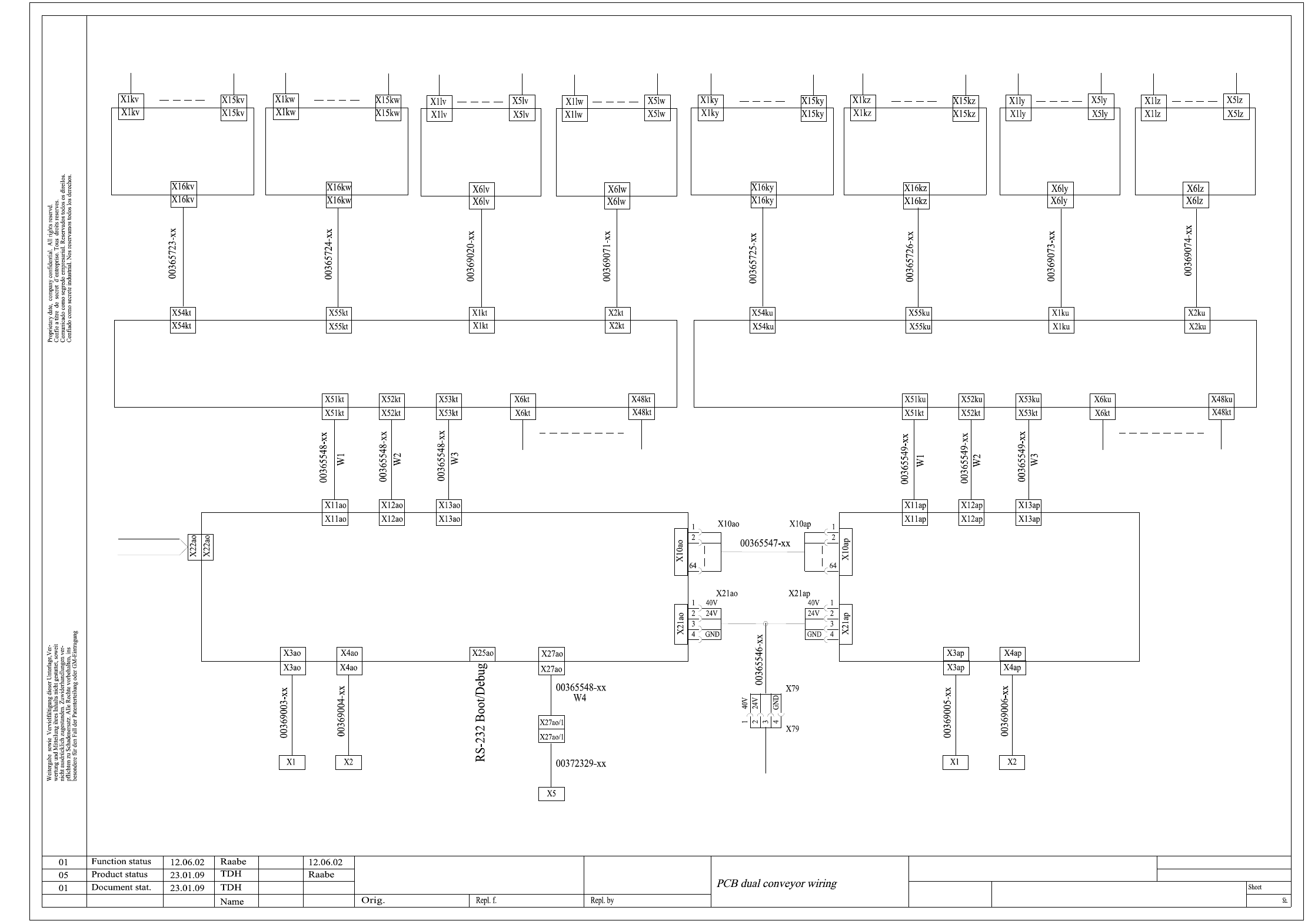
1 - 32
00119627-010501LD3 Verdrahtung Doppeltransport (B. 1 v. 6)
PCB dual conveyor wiring (sh. 1 of 6)
Stand.
Check.
Author
Date
Status Modified Date
00119627-010501LD3
6
1
Conveyor control TSP-301
Upstream station
00370397-xx 00370398-xx
(kv)
00359424-xx
(kw)
(kt)
(ao)
(ap)
00359424-xx
(ky)
00359424-xx
(kz)
(lv)
00362766-xx
(lw)
00362766-xx
(ly)
00362766-xx
(lz)
00362766-xx
00359425-xx
(ku)
00359424-xx
00359425-xx
Machine interface, track 1 (SMEMA)
Downstream station
Distributor, PCB barcode reader
(option)
CAN bus
Machine interface, track 2 (SMEMA)
Upstream station
Downstream station
From power supply
Conveyor control TSP-301E, extension board
Conversion board, assembly trough (track 2)
Sensors/actors in assembly troughSensors/actors in assembly trough
Conversion board, assembly trough (track 1)
Placement sector 2, track 1
Conversion board, lifting table
Placement sector 1, track 1
Conversion board, lifting table
Conversion board, side panel BConversion board, side panel A
Sensors/actors f. lifting table
Sensors/actors
on side panel A
Sensors/actors f. lifting table
Placement sector 1 track 1
Sensors/actors
on side panel B
Placement sector 2 track 1
Placement sector 2, track 2
Conversion board, lifting table
Sensors/actors f. lifting table
Placement sector 2 track 2
Sensors/actors f. lifting table
Placement sector 1 track 2
Sensors/actors
on side panel C
Sensors/actors
on side panel D
Placement sector 1, track 2
Conversion board, lifting table
Conversion board, side panel DConversion board, side panel C
Verdrahtung LP-Doppeltransport SIPLACE X-Series
Copyright ©
GmbH & Co. KG
ASM Assembly Systems

1 - 33
00119627-010501LD3 Verdrahtung Doppeltransport (Bl. 2 v. 6)
PCB dual conveyor wiring (sh. 2 of 6)
00365775-xx
00369017-xx
00369019-xx
00365776-xx
00359425-xx
(kt)
00365777-xx
00370397-xx
(ao)
00365572-xx
Stand.
Check.
Author
Date
Status Modified Date
00119627-010501LD3
Conversion board, assembly trough (track 1)
Conveyor control TSP-301
Options, placement area 1 (spare)
Options, placement area 2 (spare)
Options, placement area 2
Options, placement area 1
Adjustment drive 3, valve with cable
Limit switch, assembly trough
Adjustment drive 1, valve
Width adjustment 2, limit switch
Width adjustment 1, limit switch
Adjustment drive 2, cylinder switch
Adjustment drive 2, sensor
Adjustment drive 2, valve
Adjustment drive 1, sensor
Adjustment drive 1, cylinder switch
Step motor, width adjustment
Adjustment drive 3, cylinder switch
Adjustment drive 3, sensor, side panel
Conversion board, side panel B
Conversion board, side panel A
Cable, lifting table, placement area 1, track 1
Cable, lifting table, placement area 2, track 1
Verdrahtung LP-Doppeltransport SIPLACE X-Series
Copyright ©
GmbH & Co. KG
ASM Assembly Systems
00360901-xx
00369014-xx
00369015-xx
00369016-xx
00369018-xx
00365573-xx
00365571-xx

1 - 34
00119627-010501LD3 Verdrahtung Doppeltransport (Bl. 3 v. 6)
PCB dual conveyor wiring (sh. 3 of 6)
Stand.
Check.
Author
Date
Status Modified Date
00119627-010501LD3
Conversion board, assembly trough (track 2)
Conveyor control TSP-301E, extension board
Options, placement area 1 (spare)
Options, placement area 2 (spare)
Options, placement area 2
Options, placement area 1
Cable, lifting table, placement area 1, track 2
Cable, lifting table, placement area 2, track 2
Cable, PCB conveyor, side panel C
Cable, PCB conveyor, side panel D
SIPLACE X-SeriesVerdrahtung LP-Doppeltransport
Copyright ©
GmbH & Co. KG
ASM Assembly Systems
00370398-xx
(ap)
00359425-xx
(ku)