00196193-0102_DC_SIPLACE-X_DE EN - 第58页
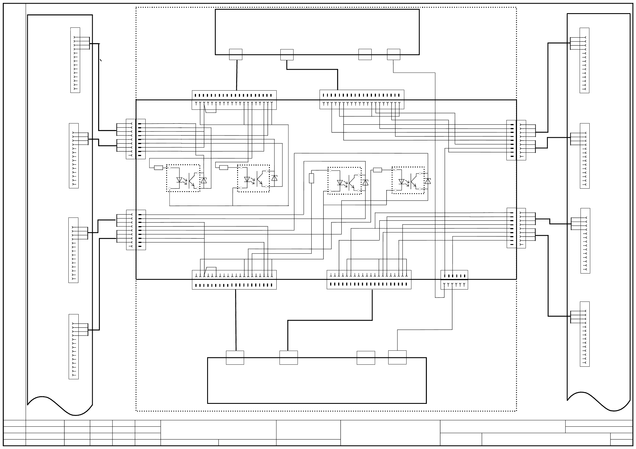
1 - 43 03070457-010101LD3 Modularer Vierspurtranspor t 2380 mm (Bl. 6 v . 7) Modular quad-lane conveyor II I, 2380 mm (sh. 6 of 7) Stat. Modificat ion Date Name Standard Orig. Repl. f. Repl. by New Date Author Checked Sh…

1 - 42
03070457-010101LD3 Modularer Vierspurtransport 2380 mm (Bl. 5 v. 7)
Modular quad-lane conveyor III, 2380 mm (sh. 5 of 7)
Stat. Modification Date Name Standard Orig. Repl. f. Repl. by
New
Date
Author
Checked
Sheet
Sh.
W
e
i
t
e
r
g
a
b
e
s
o
w
i
e
V
e
r
v
i
e
l
f
ä
l
t
i
g
u
n
g
d
i
e
s
e
r
U
n
t
e
r
l
a
g
e
,
V
e
r
-
w
e
r
t
u
n
g
u
n
d
M
i
t
t
e
i
l
u
n
g
i
h
r
e
s
I
n
h
a
l
t
s
n
i
c
h
t
g
e
s
t
a
t
t
e
t
,
s
o
w
e
i
t
n
i
c
h
t
a
u
s
d
r
ü
c
k
l
i
c
h
z
u
g
e
s
t
a
n
d
e
n
.
Z
u
w
i
d
e
r
h
a
n
d
l
u
n
g
e
n
v
e
r
-
p
f
l
i
c
h
t
e
n
z
u
S
c
h
a
d
e
n
e
r
s
a
t
z
.
A
l
l
e
R
e
c
h
t
e
v
o
r
b
e
h
a
l
t
e
n
,
i
n
s
b
e
s
o
n
d
e
r
e
f
ü
r
d
e
n
F
a
l
l
d
e
r
P
a
t
e
n
t
e
r
t
e
i
l
u
n
g
o
d
e
r
G
M
-
E
i
n
t
r
a
g
u
n
g
P
r
o
p
r
i
e
t
a
r
y
d
a
t
e
,
c
o
m
p
a
n
y
c
o
n
f
i
d
e
n
t
i
a
l
.
A
l
l
r
i
g
h
t
s
r
e
s
e
r
v
d
.
C
o
n
f
i
e
a
t
i
t
r
e
d
e
s
e
c
r
e
t
d
´
e
n
t
r
e
p
r
i
s
e
.
T
o
u
s
d
r
o
i
t
s
r
e
s
e
r
v
e
s
.
C
o
m
u
n
i
c
a
d
o
c
o
m
o
s
e
g
r
e
d
o
e
m
p
r
e
s
a
r
i
a
l
.
R
e
s
e
r
v
a
d
o
s
t
o
d
o
s
o
s
d
i
r
e
i
l
o
s
.
C
o
n
f
i
a
d
o
c
o
m
o
s
e
c
r
e
t
e
i
n
d
u
s
t
r
i
a
l
.
N
o
s
r
e
s
e
r
v
a
m
o
s
t
o
d
o
s
l
o
s
d
e
r
e
c
h
o
s
.
Böhringer
17.07.08
Modul. Vierspurtransport 2380mm
Modular quad-lane conveyor III 2380 mm
7
03070457-010101LD3
Böhringer
14.07.08
Copyright ©
ASM Assembly Systems
GmbH & Co. KG
5
03066716-xx
00359424-xx
(ku)
(ky)
X2ky X3ky X4ky X6ky X7ky X8kyX5ky X9ky X10ky X11ky X12ky X14ky X15kyX13ky
X1ky
X16ky
X54ku
X54ku
1
2
3
4
X16ky
1
2
3
4
X16kz
X55ku
00359424-xx
(kz)
X2 X3 X4 X5
X2kz X3kz X4kz X5kz
X1
X1kz
2
6
M
O
T
-
M
O
T
+
2
6
M
O
T
-
M
O
T
+
2
6
M
O
T
-
M
O
T
+
2
6
M
O
T
-
M
O
T
+
2
6
M
O
T
-
M
O
T
+
X55ku
1
2
3
4
X16kz
1
2
3
4
0
0
3
6
5
7
1
9
-
x
x
K
a
b
e
l
B
a
n
d
m
o
t
o
r
E
i
n
g
a
b
e
b
a
n
d
0
0
3
6
5
7
2
0
-
x
x
K
a
b
e
l
B
a
n
d
m
o
t
o
r
B
e
s
t
ü
c
k
b
e
r
e
i
c
h
1
0
0
3
6
5
7
6
1
-
x
x
K
a
b
e
l
B
a
n
d
m
o
t
o
r
Z
w
i
s
c
h
e
n
b
a
n
d
0
0
3
6
5
7
6
2
-
x
x
K
a
b
e
l
B
a
n
d
m
o
t
o
r
B
e
s
t
ü
c
k
b
e
r
e
i
c
h
2
0
0
3
6
5
7
6
3
-
x
x
K
a
b
e
l
B
a
n
d
m
o
t
o
r
A
u
s
g
a
b
e
b
a
n
d
0
0
3
6
5
7
2
5
-
x
x
0
0
3
6
5
7
2
6
-
x
x
X
1
.
1
w
1
w
2
X
5
.
1
w
1
w
2
X6
X7 X8 X9 X10 X11 X12 X13
3
6
P
2
4
G
N
D
2
3
6
P
2
4
G
N
D
I
N
2
3
6
P
2
4
G
N
D
I
N
2
3
6
P
2
4
G
N
D
I
N
2
3
6
P
2
4
G
N
D
I
N
2
3
6
P
2
4
G
N
D
I
N
2
3
6
P
2
4
G
N
D
I
N
2
3
P
2
4
I
N
US
US US US
US
X14
3
6
P
2
4
G
N
D
R
e
s
e
r
v
e
E
i
n
g
a
n
g
X
7
.
1
X
8
.
1
X
9
.
1
X
1
0
.
1
X6
X7 X8 X9 X10 X11 X12 X13
X6kz
X7kz X8kz X9kz X10kz X11kz X12kz X14kz X15kz
X13kz
3
6
P
2
4
G
N
D
2
3
6
P
2
4
G
N
D
I
N
2
3
6
P
2
4
G
N
D
I
N
2
3
6
P
2
4
G
N
D
I
N
2
3
6
P
2
4
G
N
D
I
N
2
3
6
P
2
4
G
N
D
I
N
2
3
6
P
2
4
G
N
D
I
N
2
3
P
2
4
I
N
US
US US US
US
X14
3
6
P
2
4
G
N
D
X15
3
P
2
4
X
6
.
1
X
7
.
1
X
8
.
1
X
9
.
1
X
1
0
.
1
2
0
3
0
6
6
4
8
4
-
x
x
0
3
0
6
6
4
8
5
-
x
x
0
3
0
6
6
4
8
6
-
x
x
0
3
0
6
6
4
8
7
-
x
x
0
3
0
6
6
4
8
8
-
x
x
0
3
0
6
6
4
8
9
-
x
x
0
3
0
6
6
4
9
0
-
x
x
0
3
0
6
6
4
9
1
-
x
x
Track 2a
Track 2b
0
3
0
6
6
4
8
4
-
x
x
0
3
0
6
6
4
8
5
-
x
x
0
3
0
6
6
4
8
6
-
x
x
0
3
0
6
6
4
8
7
-
x
x
0
3
0
6
6
4
8
8
-
x
x
0
3
0
6
6
8
0
3
-
x
x
0
3
0
6
6
8
0
3
-
x
x
0
3
0
6
6
8
0
3
-
x
x
X
1
1
.
1
X
1
2
.
1
X
1
4
.
1
X
a
X
a
X
a
X
1
1
.
1
X
1
2
.
1
X
1
4
.
1
X
a
X
a
X
a
0
3
0
6
6
4
8
9
-
x
x
0
3
0
6
6
4
9
0
-
x
x
0
3
0
6
6
4
9
1
-
x
x
0
3
0
6
6
8
0
3
-
x
x
0
3
0
6
6
8
0
3
-
x
x
0
3
0
6
6
8
0
3
-
x
x
0
0
3
6
5
7
6
5
-
x
x
L
i
m
i
t
s
w
i
t
c
h
,
w
i
d
t
h
a
d
j
u
s
t
m
e
n
t
,
r
a
i
l
C
>
C
D
U
l
t
r
a
s
o
n
i
c
s
e
n
s
o
r
,
i
n
p
u
t
b
e
l
t
,
t
r
a
c
k
2
a
-
x
x
U
l
t
r
a
s
o
n
i
c
s
e
n
s
o
r
,
p
l
a
c
e
m
e
n
t
a
r
e
a
1
,
t
r
a
c
k
2
a
-
x
x
U
l
t
r
a
s
o
n
i
c
s
e
n
s
o
r
,
i
n
t
e
r
m
e
d
i
a
t
e
b
e
l
t
,
t
r
a
c
k
2
a
-
x
x
U
l
t
r
a
s
o
n
i
c
s
e
n
s
o
r
,
p
l
a
c
e
m
e
n
t
a
r
e
a
2
,
t
r
a
c
k
2
a
-
x
x
U
l
t
r
a
s
s
o
n
i
c
s
e
n
s
o
r
,
o
u
t
p
u
t
b
e
l
t
,
t
r
a
c
k
2
a
-
x
x
E
n
d
p
o
s
i
t
i
o
n
s
t
o
p
p
e
r
,
p
l
a
c
e
m
e
n
t
a
r
e
a
1
,
t
r
a
c
k
2
a
E
n
d
p
o
s
i
t
i
o
n
s
t
o
p
p
e
r
,
p
l
a
c
e
m
e
n
t
a
r
e
a
2
,
t
r
a
c
k
2
a
E
n
d
p
o
s
i
t
i
o
n
,
s
t
o
p
p
e
r
,
i
n
p
u
t
b
e
l
t
,
t
r
a
c
k
2
a
0
0
3
6
5
7
6
5
-
x
x
0
3
0
6
6
5
0
4
-
x
x
L
i
m
i
t
s
w
i
t
c
h
,
w
i
d
t
h
a
d
j
u
s
t
m
e
n
t
,
r
a
i
l
D
>
a
s
s
e
m
b
l
y
t
r
a
y
E
n
d
p
o
s
i
t
i
o
n
,
s
t
o
p
p
e
r
,
i
n
p
u
t
b
e
l
t
,
t
r
a
c
k
2
b
L
i
m
i
t
s
w
i
t
c
h
,
w
i
d
t
h
a
d
j
u
s
t
m
e
n
t
,
r
a
i
l
D
>
C
D
U
l
t
r
a
s
o
n
i
c
s
e
n
s
o
r
,
i
n
p
u
t
b
e
l
t
,
t
r
a
c
k
2
b
-
x
x
U
l
t
r
a
s
o
n
i
c
s
e
n
s
o
r
,
p
l
a
c
e
m
e
n
t
a
r
e
1
,
t
r
a
c
k
2
b
-
x
x
U
l
t
r
a
s
o
n
i
c
s
e
n
s
o
r
,
i
n
t
e
r
m
e
d
i
a
t
e
b
e
l
t
,
t
r
a
c
k
2
b
-
x
x
U
l
t
r
a
s
o
n
i
c
s
e
n
s
o
r
,
p
l
a
c
e
m
e
n
t
a
r
e
a
2
,
t
r
a
c
k
2
b
-
x
x
U
l
t
r
a
s
s
o
n
i
c
s
e
n
s
o
r
,
o
u
t
p
u
t
b
e
l
t
,
t
r
a
c
k
2
b
-
x
x
E
n
d
p
o
s
i
t
i
o
n
s
t
o
p
p
e
r
,
p
l
a
c
e
m
e
n
t
a
r
e
a
1
,
t
r
a
c
k
2
b
E
n
d
p
o
s
i
t
i
o
n
s
t
o
p
p
e
r
,
p
l
a
c
e
m
e
n
t
a
r
e
a
2
,
t
r
a
c
k
2
b
B
e
l
t
m
o
t
o
r
,
i
n
p
u
t
b
e
l
t
B
e
l
t
m
o
t
o
r
,
p
l
a
c
e
m
e
n
t
a
r
e
a
1
B
e
l
t
m
o
t
o
r
,
i
n
t
e
r
m
e
d
i
a
t
e
b
e
l
t
B
e
l
t
m
o
t
o
r
,
p
l
a
c
e
m
e
n
t
a
r
e
a
2
B
e
l
t
m
o
t
o
r
,
o
u
t
p
u
t
b
e
l
t
Conversion board, conveyor rail C
Conversion board, assembly tray, track 2
Conversion board, conveyor rail D

1 - 43
03070457-010101LD3 Modularer Vierspurtransport 2380 mm (Bl. 6 v. 7)
Modular quad-lane conveyor III, 2380 mm (sh. 6 of 7)
Stat. Modification Date Name Standard Orig. Repl. f. Repl. by
New
Date
Author
Checked
Sheet
Sh.
W
e
i
t
e
r
g
a
b
e
s
o
w
i
e
V
e
r
v
i
e
l
f
ä
l
t
i
g
u
n
g
d
i
e
s
e
r
U
n
t
e
r
l
a
g
e
,
V
e
r
-
w
e
r
t
u
n
g
u
n
d
M
i
t
t
e
i
l
u
n
g
i
h
r
e
s
I
n
h
a
l
t
s
n
i
c
h
t
g
e
s
t
a
t
t
e
t
,
s
o
w
e
i
t
n
i
c
h
t
a
u
s
d
r
ü
c
k
l
i
c
h
z
u
g
e
s
t
a
n
d
e
n
.
Z
u
w
i
d
e
r
h
a
n
d
l
u
n
g
e
n
v
e
r
-
p
f
l
i
c
h
t
e
n
z
u
S
c
h
a
d
e
n
e
r
s
a
t
z
.
A
l
l
e
R
e
c
h
t
e
v
o
r
b
e
h
a
l
t
e
n
,
i
n
s
b
e
s
o
n
d
e
r
e
f
ü
r
d
e
n
F
a
l
l
d
e
r
P
a
t
e
n
t
e
r
t
e
i
l
u
n
g
o
d
e
r
G
M
-
E
i
n
t
r
a
g
u
n
g
P
r
o
p
r
i
e
t
a
r
y
d
a
t
e
,
c
o
m
p
a
n
y
c
o
n
f
i
d
e
n
t
i
a
l
.
A
l
l
r
i
g
h
t
s
r
e
s
e
r
v
d
.
C
o
n
f
i
e
a
t
i
t
r
e
d
e
s
e
c
r
e
t
d
´
e
n
t
r
e
p
r
i
s
e
.
T
o
u
s
d
r
o
i
t
s
r
e
s
e
r
v
e
s
.
C
o
m
u
n
i
c
a
d
o
c
o
m
o
s
e
g
r
e
d
o
e
m
p
r
e
s
a
r
i
a
l
.
R
e
s
e
r
v
a
d
o
s
t
o
d
o
s
o
s
d
i
r
e
i
l
o
s
.
C
o
n
f
i
a
d
o
c
o
m
o
s
e
c
r
e
t
e
i
n
d
u
s
t
r
i
a
l
.
N
o
s
r
e
s
e
r
v
a
m
o
s
t
o
d
o
s
l
o
s
d
e
r
e
c
h
o
s
.
Böhringer
17.07.08
Modul. Vierspurtransport 2380mm
Modular quad-lane conveyor III 2380 mm
7
03070457-010101LD3
Böhringer
14.07.08
Copyright ©
ASM Assembly Systems
GmbH & Co. KG
Conversion board, lifting table (track 1, PA1)
X6
00362766-xx
I
n
c
r
e
m
e
n
t
a
l
e
n
c
o
d
e
r
,
t
r
a
c
k
A
,
l
i
f
t
i
n
g
t
a
b
l
e
I
n
c
r
e
m
e
n
t
a
l
e
n
c
o
d
e
r
,
t
r
a
c
k
B
,
l
i
f
t
i
n
g
t
a
b
l
e
0
0
3
6
3
0
7
9
-
x
x
C
a
b
l
e
:
i
n
c
r
e
m
e
n
t
a
l
e
n
c
o
d
e
r
,
t
r
a
c
k
B
L
i
m
i
t
s
w
i
t
c
h
,
l
i
f
t
i
n
g
t
a
b
l
e
C
a
b
l
e
:
i
n
c
r
e
m
e
n
t
a
l
e
n
c
o
d
e
r
,
t
r
a
c
k
A
C
a
b
l
e
:
v
a
l
v
e
,
l
i
f
t
i
n
g
t
a
b
l
e
d
o
w
n
C
a
b
l
e
:
v
a
l
v
e
,
l
i
f
t
i
n
g
t
a
b
l
e
u
p
0
0
3
6
3
0
8
0
-
x
x
0
0
3
6
3
0
7
6
-
x
x
0
0
3
6
3
0
7
8
-
x
x
0
0
3
6
3
0
7
7
-
x
x
(
u
p
p
e
r
f
o
r
k
l
i
g
h
t
b
a
r
r
i
e
r
)
(
l
o
w
e
r
f
o
r
k
l
i
g
h
t
b
a
r
r
i
e
r
)
C
y
l
i
n
d
e
r
s
w
i
t
c
h
,
l
i
f
t
i
n
g
t
a
b
l
e
L
i
f
t
i
n
g
t
a
b
l
e
,
v
a
l
v
e
u
p
(
"
1
4
"
c
o
n
n
e
c
t
o
r
)
L
i
f
t
i
n
g
t
a
b
l
e
,
v
a
l
v
e
d
o
w
n
(
"
1
2
"
c
o
n
n
e
c
t
o
r
)
X1 X2
Conversion board, lifting table (track 2, PA1)
00362766-xx
Lifting table, track 1, placement area 1 Lifting table, track 2, placement area 1
(lv)
(ly)
2
3
6
P
2
4
G
N
D
I
N
2
3
6
P
2
4
G
N
D
I
N
X3 X4 X5
2
6
G
N
D
O
U
T
2
6
G
N
D
O
U
T
2
3
6
P
2
4
G
N
D
I
N
X6lv
X1kt
1
2
1
0
1
2
1
0
X1kt
X6
X6ly
X1ku
1
2
1
0
1
2
1
0
X1ku
Conversion board, lifting table, (track 1, PA2)
X6
00362766-xx
0
0
3
6
3
0
7
9
-
x
x
0
0
3
6
3
0
8
0
-
x
x
0
0
3
6
3
0
7
6
-
x
x
0
0
3
6
3
0
7
8
-
x
x
0
0
3
6
3
0
7
7
-
x
x
X1 X2
Lifting table, track 1, placement area 2
(lw)
2
3
6
P
2
4
G
N
D
I
N
2
3
6
P
2
4
G
N
D
I
N
X3 X4 X5
2
6
G
N
D
O
U
T
2
6
G
N
D
O
U
T
2
3
6
P
2
4
G
N
D
I
N
X6lw
X2kt
1
2
1
0
1
2
1
0
X2kt
Conversion board, lifting table (track 2, PA2)
00362766-xx
Lifting table, track 2, placement area 2
(lz)
X6
X6lz
X2ku
1
2
1
0
1
2
1
0
X2ku
03066716-xx
Conversion board, assembly tray (track 1)
(kt)
03066716-xx
(ku)
0
0
3
6
3
0
7
9
-
x
x
0
0
3
6
3
0
8
0
-
x
x
0
0
3
6
3
0
7
6
-
x
x
0
0
3
6
3
0
7
8
-
x
x
0
0
3
6
3
0
7
7
-
x
x
X1 X2
2
3
6
P
2
4
G
N
D
I
N
2
3
6
P
2
4
G
N
D
I
N
X3 X4 X5
2
6
G
N
D
O
U
T
2
6
G
N
D
O
U
T
2
3
6
P
2
4
G
N
D
I
N
0
0
3
6
3
0
7
9
-
x
x
0
0
3
6
3
0
8
0
-
x
x
0
0
3
6
3
0
7
6
-
x
x
0
0
3
6
3
0
7
8
-
x
x
0
0
3
6
3
0
7
7
-
x
x
X1 X2
2
3
6
P
2
4
G
N
D
I
N
2
3
6
P
2
4
G
N
D
I
N
X3 X4 X5
2
6
G
N
D
O
U
T
2
6
G
N
D
O
U
T
2
3
6
P
2
4
G
N
D
I
N
6
0
0
3
6
9
0
2
0
-
x
x
0
0
3
6
9
0
7
1
-
x
x
0
0
3
6
9
0
7
3
-
x
x
0
0
3
6
9
0
7
4
-
x
x
I
n
c
r
e
m
e
n
t
a
l
e
n
c
o
d
e
r
,
t
r
a
c
k
A
,
l
i
f
t
i
n
g
t
a
b
l
e
I
n
c
r
e
m
e
n
t
a
l
e
n
c
o
d
e
r
,
t
r
a
c
k
B
,
l
i
f
t
i
n
g
t
a
b
l
e
(
u
p
p
e
r
f
o
r
k
l
i
g
h
t
b
a
r
r
i
e
r
)
(
l
o
w
e
r
f
o
r
k
l
i
g
h
t
b
a
r
r
i
e
r
)
C
y
l
i
n
d
e
r
s
w
i
t
c
h
,
l
i
f
t
i
n
g
t
a
b
l
e
L
i
f
t
i
n
g
t
a
b
l
e
,
v
a
l
v
e
u
p
(
"
1
4
"
c
o
n
n
e
c
t
o
r
)
L
i
f
t
i
n
g
t
a
b
l
e
,
v
a
l
v
e
d
o
w
n
(
"
1
2
"
c
o
n
n
e
c
t
o
r
)
I
n
c
r
e
m
e
n
t
a
l
e
n
c
o
d
e
r
,
t
r
a
c
k
A
,
l
i
f
t
i
n
g
t
a
b
l
e
I
n
c
r
e
m
e
n
t
a
l
e
n
c
o
d
e
r
,
t
r
a
c
k
B
,
l
i
f
t
i
n
g
t
a
b
l
e
(
u
p
p
e
r
f
o
r
k
l
i
g
h
t
b
a
r
r
i
e
r
)
(
l
o
w
e
r
f
o
r
k
l
i
g
h
t
b
a
r
r
i
e
r
)
C
y
l
i
n
d
e
r
s
w
i
t
c
h
,
l
i
f
t
i
n
g
t
a
b
l
e
L
i
f
t
i
n
g
t
a
b
l
e
,
v
a
l
v
e
u
p
(
"
1
4
"
c
o
n
n
e
c
t
o
r
)
L
i
f
t
i
n
g
t
a
b
l
e
,
v
a
l
v
e
d
o
w
n
(
"
1
2
"
c
o
n
n
e
c
t
o
r
)
I
n
c
r
e
m
e
n
t
a
l
e
n
c
o
d
e
r
,
t
r
a
c
k
A
,
l
i
f
t
i
n
g
t
a
b
l
e
I
n
c
r
e
m
e
n
t
a
l
e
n
c
o
d
e
r
,
t
r
a
c
k
B
,
l
i
f
t
i
n
g
t
a
b
l
e
(
u
p
p
e
r
f
o
r
k
l
i
g
h
t
b
a
r
r
i
e
r
)
(
l
o
w
e
r
f
o
r
k
l
i
g
h
t
b
a
r
r
i
e
r
)
C
y
l
i
n
d
e
r
s
w
i
t
c
h
,
l
i
f
t
i
n
g
t
a
b
l
e
L
i
f
t
i
n
g
t
a
b
l
e
,
v
a
l
v
e
u
p
(
"
1
4
"
c
o
n
n
e
c
t
o
r
)
L
i
f
t
i
n
g
t
a
b
l
e
,
v
a
l
v
e
d
o
w
n
(
"
1
2
"
c
o
n
n
e
c
t
o
r
)
C
a
b
l
e
:
i
n
c
r
e
m
e
n
t
a
l
e
n
c
o
d
e
r
,
t
r
a
c
k
B
L
i
m
i
t
s
w
i
t
c
h
,
l
i
f
t
i
n
g
t
a
b
l
e
C
a
b
l
e
:
i
n
c
r
e
m
e
n
t
a
l
e
n
c
o
d
e
r
,
t
r
a
c
k
A
C
a
b
l
e
:
v
a
l
v
e
,
l
i
f
t
i
n
g
t
a
b
l
e
d
o
w
n
C
a
b
l
e
:
v
a
l
v
e
,
l
i
f
t
i
n
g
t
a
b
l
e
u
p
C
a
b
l
e
:
i
n
c
r
e
m
e
n
t
a
l
e
n
c
o
d
e
r
,
t
r
a
c
k
B
L
i
m
i
t
s
w
i
t
c
h
,
l
i
f
t
i
n
g
t
a
b
l
e
C
a
b
l
e
:
i
n
c
r
e
m
e
n
t
a
l
e
n
c
o
d
e
r
,
t
r
a
c
k
A
C
a
b
l
e
:
v
a
l
v
e
,
l
i
f
t
i
n
g
t
a
b
l
e
d
o
w
n
C
a
b
l
e
:
v
a
l
v
e
,
l
i
f
t
i
n
g
t
a
b
l
e
u
p
C
a
b
l
e
:
i
n
c
r
e
m
e
n
t
a
l
e
n
c
o
d
e
r
,
t
r
a
c
k
B
L
i
m
i
t
s
w
i
t
c
h
,
l
i
f
t
i
n
g
t
a
b
l
e
C
a
b
l
e
:
i
n
c
r
e
m
e
n
t
a
l
e
n
c
o
d
e
r
,
t
r
a
c
k
A
C
a
b
l
e
:
v
a
l
v
e
,
l
i
f
t
i
n
g
t
a
b
l
e
d
o
w
n
C
a
b
l
e
:
v
a
l
v
e
,
l
i
f
t
i
n
g
t
a
b
l
e
u
p
Conversion board, assembly tray (track 2)

1 - 44
03070457-010101LD3 Modularer Vierspurtransport 2380 mm (Bl. 7 v. 7)
Modular quad-lane conveyor III, 2380 mm (sh. 7 of 7)
Stat. Modification Date Name Standard Orig. Repl. f. Repl. by
New
Date
Author
Checked
Sheet
Sh.
W
e
i
t
e
r
g
a
b
e
s
o
w
i
e
V
e
r
v
i
e
l
f
ä
l
t
i
g
u
n
g
d
i
e
s
e
r
U
n
t
e
r
l
a
g
e
,
V
e
r
-
w
e
r
t
u
n
g
u
n
d
M
i
t
t
e
i
l
u
n
g
i
h
r
e
s
I
n
h
a
l
t
s
n
i
c
h
t
g
e
s
t
a
t
t
e
t
,
s
o
w
e
i
t
n
i
c
h
t
a
u
s
d
r
ü
c
k
l
i
c
h
z
u
g
e
s
t
a
n
d
e
n
.
Z
u
w
i
d
e
r
h
a
n
d
l
u
n
g
e
n
v
e
r
-
p
f
l
i
c
h
t
e
n
z
u
S
c
h
a
d
e
n
e
r
s
a
t
z
.
A
l
l
e
R
e
c
h
t
e
v
o
r
b
e
h
a
l
t
e
n
,
i
n
s
b
e
s
o
n
d
e
r
e
f
ü
r
d
e
n
F
a
l
l
d
e
r
P
a
t
e
n
t
e
r
t
e
i
l
u
n
g
o
d
e
r
G
M
-
E
i
n
t
r
a
g
u
n
g
P
r
o
p
r
i
e
t
a
r
y
d
a
t
e
,
c
o
m
p
a
n
y
c
o
n
f
i
d
e
n
t
i
a
l
.
A
l
l
r
i
g
h
t
s
r
e
s
e
r
v
d
.
C
o
n
f
i
e
a
t
i
t
r
e
d
e
s
e
c
r
e
t
d
´
e
n
t
r
e
p
r
i
s
e
.
T
o
u
s
d
r
o
i
t
s
r
e
s
e
r
v
e
s
.
C
o
m
u
n
i
c
a
d
o
c
o
m
o
s
e
g
r
e
d
o
e
m
p
r
e
s
a
r
i
a
l
.
R
e
s
e
r
v
a
d
o
s
t
o
d
o
s
o
s
d
i
r
e
i
l
o
s
.
C
o
n
f
i
a
d
o
c
o
m
o
s
e
c
r
e
t
e
i
n
d
u
s
t
r
i
a
l
.
N
o
s
r
e
s
e
r
v
a
m
o
s
t
o
d
o
s
l
o
s
d
e
r
e
c
h
o
s
.
Böhringer
17.07.08
Modul. Vierspurtransport 2380mm
Modular quad-lane conveyor III 2380 mm
7
03070457-010101LD3
Böhringer
14.07.08
Copyright ©
ASM Assembly Systems
GmbH & Co. KG
TSP-301 conveyor control
00370397-xx
X3ao X4ao
Upstream m.
SMEMA
(ao)
(ap)
X3ao X4ao
1
2
3
4
5
6
7
8
9
10
11
12
13
14
Upstream mach.
Track 1a
WH
BN
GN
YE
1
2
3
4
5
6
7
8
9
10
11
12
13
14
Upstream mach.
Track 1b
WH
BN
GN
YE
1
2
3
4
5
6
7
8
9
10
11
12
13
14
WH
BN
GN
YE
1
2
3
4
5
6
7
8
9
10
11
12
13
14
WH
BN
GN
YE
1
2
3
4
5
6
7
8
9
10
11
12
13
14
WH
BN
GN
YE
Downstream machine
Track 1a
1
2
3
4
5
6
7
8
9
10
11
12
13
14
WH
BN
GN
YE
Downstream machine
Track 1b
1
2
3
4
5
6
7
8
9
10
11
12
13
14
WH
BN
GN
YE
Downstream machine
Track 2a
1
2
3
4
5
6
7
8
9
10
11
12
13
14
WH
BN
GN
YE
Downstream machine
Track 2b
Ready +
Ready -
Board available +
Board available -
Ready +
Ready -
Board available +
Board available -
Ready +
Ready -
Board available +
Board available -
Ready +
Ready -
Board available +
Board available -
Ready +
Ready -
Board available +
Board available -
Ready +
Ready -
Board available +
Board available -
Ready +
Ready -
Board available +
Board available -
Ready +
Ready -
Board available +
Board available -
WH
BN
GN
YE
Upstream m.
Tracks 1a/1b
WH
BN
GN
YE
1
2
3
4
5
6
7
8
9
WH
BN
GN
YE
Upstream m.
Tracks 2a/2b
WH
BN
GN
YE
1
2
3
4
5
6
7
8
9
WH
BN
GN
YE
Downstream machine
Tracks 1a/1b
WH
BN
GN
YE
1
2
3
4
5
6
7
8
9
WH
BN
GN
YE
Downstream mach.
Tracks 2a/2b
WH
BN
GN
YE
Ready (+) Upstream_machine_track_1a
Ready (-) Upstream_machine_track_1a
Board available (+) Upstream_m._track_1a
Board available (-) Upstream_m_track_1a
Ready (+) Upstream_machine_track_1b
Ready (-) Upstream_machine_track_1b
Board available (+) Upstream_m._track_1b
Board available (-) Upstream_m._track_1b
Ready (+) Downstr_mach_track_1a
Ready (-) Downstr_mach_track_1a
Board available (+) Downstr_mach_track_1a
Board available (-) Downstr_mach_track_1a
Ready (+) Downstr_mach_track_1b
Ready (-) Downstr_mach_track_1b
Board available (+) Downstr_mach_track_1b
Board available (-) Downstr_mach_track_1b
X1ao
X2ao
X1ao
X2ao
X3ap
X4ap
X3ap
X4ap
X1ap
X2ap
X1ap
X2ap
Downstream m.
SMEMA
Upstream machine
Siemens
Downstream machine
Siemens
Upstream m.
SMEMA
Downstream m.
SMEMA
Upstream machine
Siemens
Downstream machine
Siemens
1
2
3
4
5
6
7
8
9
1
0
1
1
1
2
1
3
1
4
1
5
1
6
1
7
1
8
1
9
2
0
1
2
3
4
5
6
7
8
9
1
0
1
1
1
2
1
3
1
4
1
5
1
6
1
7
1
8
1
9
2
0
1
2
3
4
5
6
7
8
9
1
0
1
1
1
2
1
3
1
4
1
5
1
6
1
7
1
8
1
9
2
0
1
2
3
4
5
6
7
8
9
1
2
3
4
5
6
7
8
9
1
0
1
1
1
2
1
3
1
4
1
5
1
6
1
7
1
8
1
9
2
0
1
2
3
4
5
6
X1lt
X3lt
X1lu
X5lt
X7lt
X2lu
Out D25
Out D24
Out D21
Out D20
IN D59
IN D58
IN D51
IN D50
X2lt
X4lt
X6lt
X8lt
IN D57
IN D56
IN D49
IN D48
Out D27
Out D26
Out D23
Out D22
X3lu
X4lu
X9lu
X8lu
X7lu
X6lu
X5lu
.
.
2,2 k
.
.
2,2 k
2,2 k
2
,
2
k
.
.
.
.
.
.
.
.
.
.
.
R1
R2
R3
R4
U1
U2
U3
U4
D4
D3
D2
D1
.
.
.
.
.
W4
W3
W2
W1
lt
lt
lu
X9.1lu --> X4.7 TSP301
X9.3lu --> X4.7 TSP301E
TSP-301 E extension board
00370398-xx
03067543-xx
0
3
0
6
7
5
4
3
-
x
x
03067544-xx
0
3
0
6
7
5
4
4
-
x
x
03067545-xx
0
3
0
6
7
5
4
5
-
x
x
03067546-xx
0
3
0
6
7
5
4
6
-
x
x
03068884-xx
03068884-xx
03068884-xx
03068884-xx
03068884-xx
03068884-xx
7
03071908-xx
03067541-xx
03067541-xx
03067662-xx
Ready (+) Upstream_machine_track_2a
Ready (-) Upstream_machine_track_2a
Board available (+) Upstream_m._track_2a
Board available (-) Upstream_m_track_2a
Ready (+) Upstream_machine_track_2b
Ready (-) Upstream_machine_track_2b
Board available (+) Upstream_m._track_2b
Board available (-) Upstream_m._track_2b
Upstream mach.
Track 2b
Upstream mach.
Track 2b
Ready (+) Downstr_mach_track_2a
Ready (-) Downstr_mach_track_2a
Board available (+) Downstr_mach_track_2a
Board available (-) Downstr_mach_track_2a
Ready (+) Downstr_mach_track_2b
Ready (-) Downstr_mach_track_2b
Board available (+) Downstr_mach_track_2b
Board available (-) Downstr_mach_track_2b