00196193-0102_DC_SIPLACE-X_DE EN - 第73页
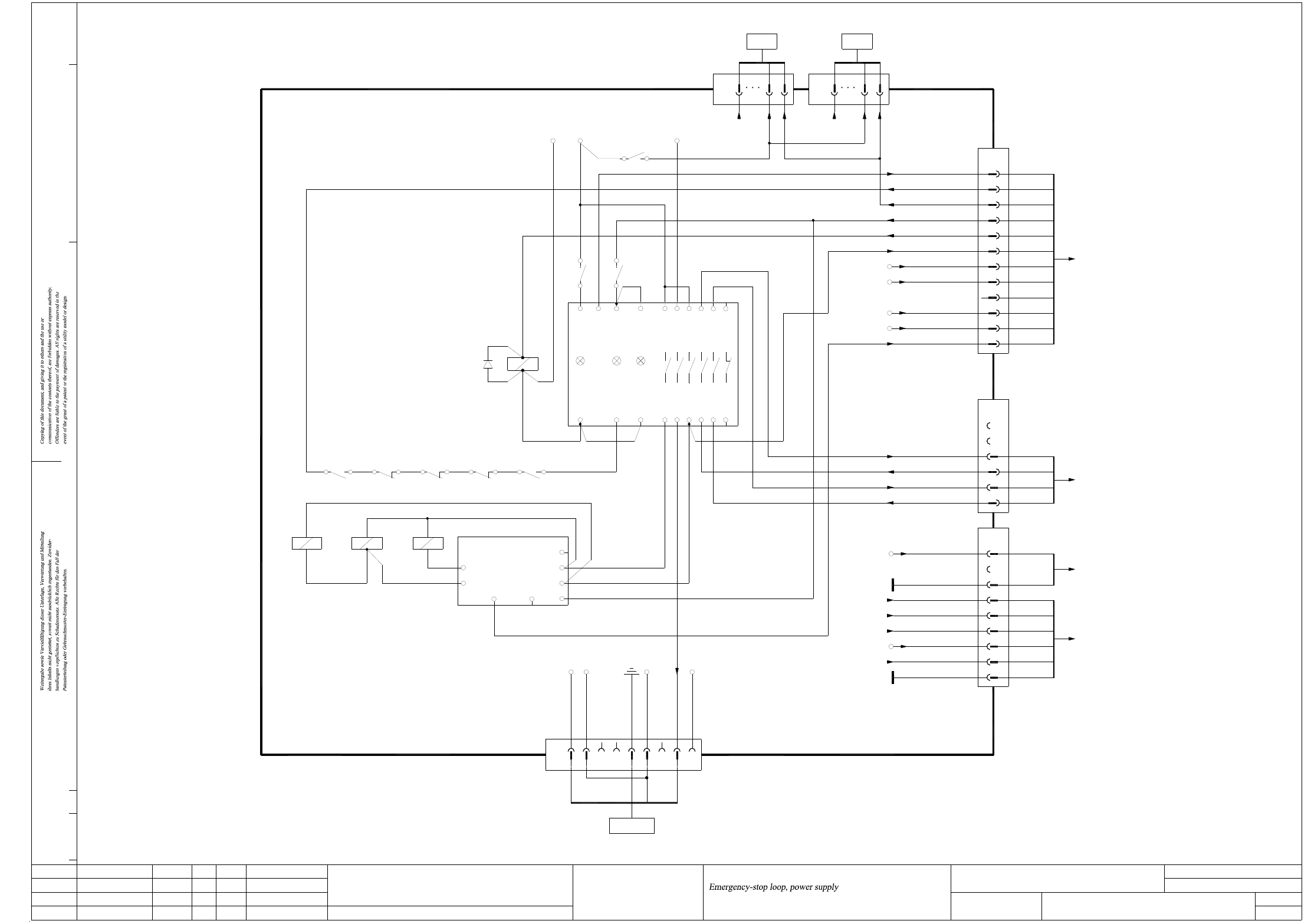
2 - 1 2 Wirkschaltpläne / De tailed circuit dia grams NH-080101LD3 NOTHAL T -Schleife, St romversorgung (Bl. 1 v . 5) Emergency-stop loop, power supply (sh. 1 of 5) Voltage PCB(+ ) 13 14 To PCB conveyor, 00365546-W1 X15 …
2 - viii
Wirkschaltplanmappe SIPLACE X-Serie / SIPLACE X-Series Detailed Circuit Diagrams Folder
Ausgabe 06/2009 DE/EN Edition

2 - 1
2 Wirkschaltpläne / Detailed circuit diagrams
NH-080101LD3 NOTHALT-Schleife, Stromversorgung (Bl. 1 v. 5)
Emergency-stop loop, power supply (sh. 1 of 5)
Voltage PCB(+)
13
14
To PCB conveyor, 00365546-W1
X15
31
X79
BK 2
4
3
GNYE
03002504
16
5
7
2
X7-10
X7-11
00354626
Power supply unit
A1(+)
A1(+)
K2
A2(-)
A2(-)
43
A1(+)
K4
K3
A2(-)
212 1
+24V2
n.u.
n.u.
GND(+24V2)
n.u.
Voltage PCB(-)
n.u.
EmergencyStopLoop1OK
X20:30
X20:40
U5(-)
servo
limiter,
Inrush current
ILS
X8-23 X8-20
X8-21
X7-13
X7-12
X8-19
6
1 5
EmergencyStopLoop1End
S_TapeCutter
S_XY
Contactor relay blocks
K1.4 K2.4 K3.4
X5X3X1L+
A2 (-)
K4.4 K5
A1 (+)
V51
K5
X4L- X6
Channel1Power
supply
CSC K6
Channel2
42
K5
1
K5
3
GND(24)
X20:4
+24V
X20:3
K4.5
4
3
9
82
GND_P
GND_P
X16:11
X16:10
Voltage PCB_Mot(+)
Voltage PCB(+)
F8
+24V
GND (+5V)
GND (+24V)
Vin(-)Illumination
Vin(+)Illumination
F12
X16:8
4
3
2
1
2
7
8
9
6
5
(W5)
(W6)
(W5)
(W6)
(W6)
+5V
CSC54
CSC53
CSC44
Vin(-)Illumination
Vin(+)Illumination
n.u.
X16:7
F12
X18
1
2
1
4
3
1
2
(W6)
(W4)
(W4)
2
1
2
6
5
4
(W3)
(W3)
(W2)
(03046226)
To plug X3ra
sub-distributor
(sheet 4)
(03046225)
(03046225)
main distributor
To plug X3qa
(sheet 2)
03002506
To plug X3qa
main distributor
(sheet 2)
03002506
534333 6523
543424
44 66
CSC43
GND (+24V)
EmergencyStopLoop1OK
n.u.
n.u.
X20_4
13
2
X17
1
(W2)
12
11
2 (W2)
GY (W4)
+5V
n.u.
StartButtonOn
S_GantryCrash
EmergencyStopLoop1End
Software_CtrlOn
GND (+5V)
+24V
VoltageTapeCutter
X20_6
X20_3
X20_5
GN (W3)6
10
9
7
8
YE (W4)
1 (W2)
1 (W1)
2 (W1)
5
4
3
2
WH (W3)
BN (W3)
BN (W4)
GN (W4)
03009766 (W1+W2+W3)
X21
10
+34V
Servo Enable
03009786 (W1+W2+W3)
To axis unit 1
X13
1
X14
12
1
10
X31
S_Ready
To axis unit 2
12
X16
1WH (W4)
(03046225)
03002505
main distributor
To plug X2qa
(sheet 2)
08.
01.
01.
Status
Function status
Product status
Document status
Modified Date Name
Date
Author
Check.
Stand.
Mat.no.:
CAD file:
Orig./Repl.f./Repl.by
Sh.
Sh.(s)
04.03.09
04.03.09
04.03.09
26.11.2007TDH
TDH
TDH
TDH
NH-080101LD3_SH01.DWG
Copyright ©
ASM Assembly Systems
GmbH & Co. KG
NOTHALT-Schleife, Stromversorgung
SIPLACE X2/X3/X4/X4I
SIPLACE X-Series
NH-080101LD3
1
5

2 - 2
NH-080101LD3 NOTHALT-Schleife, Hauptverteiler (Bl. 2 v. 5)
Emergency-stop loop, main distributor (sh. 2 of 5)
n.u.
GY+PK
BU
WH+BN
GN+YE
22 12
21 11
03021042
Location 2
docking unit
SIPLACE X-Series
4
Component trolley
n.u.
12
11
2BK
3
1
X12f
n.u.
S1
CO flap
Adapter connector
Hood switch
Location 3
EmergencyStopLoop1Out
03002528-W1
S_Hood2
GND
n.u.
6
5
4
EmergencyStopLoop1In
+24V
03002527-W1
1
2
3
X52
GY+PK
03020409
n.u.
n.u.
BU
22 12
03020409
WH+BN
GN+YE
1121
Location 2
Hood switch
(sheet 4)
(sheet 3)
(sheet 3)
(sheet 3)
08.
01.
01.
Status
Function status
Product status
Document status
Modified Date Name
Date
Author
Check.
Stand.
Mat.no.:
CAD file:
Orig./Repl.f./Repl.by
Sh.
Sh.(s)
04.03.09
04.03.09
04.03.09
26.11.2007TDH
TDH
TDH
TDH
NH-080101LD3_SH02.DWG
Copyright ©
ASM Assembly Systems
GmbH & Co. KG
NOTHALT-Schleife, Hauptverteiler
SIPLACE X2/X3/X4/X4I
SIPLACE X-Series
NH-080101LD3
2
5
EmergencyStopLoopMTC2Out
EmergencyStopLoopMTC2In
S_EmergencyStopButtonMTC
X72qa_2_S_EmergencyStopButtonMTC BK 10+119
03002506
(W5)2Vin(-)Illumination 9
00354626
Power supply
(sheet 1)
GND_P
GND (+24V)
GND (+5V)
Vin(-)Illumination
Vin(+)Illumination
Vin(+)Illumination
X16:7
X16:11
F12
X16:8
X16:10
GND_P
F12
8
7
4
1
+24V 6
5
3
2
(W6)
(W5)
(W6)
(W6)
n.u.n.u.
2
3
+5V 4
2
1
11
X18
(W4)
(W6)
(W4)
03046225 (qa)
Main distributor
sub-distributor
X3ra
n.u.
9
8
GY
n.u.
X1qa_Vin(+) illumination
(sheet 3)
OG
X1qa_24V
X5qb_7 (DI22)
(sheet 3)
(sheet 3)
X1qa_M_Flap
76
7
8
9
n.u.
BK
BK
n.u.
10+11
9
8
3
5
4
n.u.
BK
BK
6
5
4
X1qa_0V
1
2
GND
+24V
WH
X23qa
2+3
GNYE+1
03002506
03002505
CSC53
CSC44
CSC54
CSC43
(W2)13
6 2
4
5
2
1
(W3)
(W2)
(W3)
n.u.
n.u.
2
X1qa_StartButton
CAN I/O module
X19qa_4
(sheet 3)
(sheet 3)
X1qa_0V
X1qa_24V
X73qa_9
(sheet 3)
X71qa_6
X72qa_4
X72qa_3
BK GY+PK
5
4
6
n.u.
GND
WH
BK
n.u.
BU
RD
1
2
3
OG
+24V
BK
(sheet 3)
X12qa_3
WH+BN
GN+YE
X13qa
SIPLACE X-Series, location 2
Component trolley
10 9
SIPLACE X-Series, location 3
Component trolley
12
n.u.
11
n.u.
11
10
(W1)GN
(W2)GN
n.u.
n.u.
32
31
22
(W1)WH+24V
6
S_Flap
S_COTable3
10 9
7
8
EmergencyStopLoop1In
EmergencyStopLoop1Out
5
4
3
YE (W2)
n.u.
(W1)BN
n.u.
(W1)
n.u.
YE
(W2)
(W2)
BN
WH
GND
03002535
X133
1
2
n.u.
11
n.u.
12
11 10
03053228
n.u.
n.u.
(W1)
(W2)
GN
GN
n.u.
n.u.
X13f
Location 3
21
12
11
4
3
n.u.
2
1
n.u.
BK
SIPLACE X-Series
docking unit
Component trolley
S1
CO flap
03021042
Adapter connector
32
22
31
21
X53
03053228
n.u.
5
S_Flap
S_COTable2
8
7
6
EmergencyStopLoop1Out
EmergencyStopLoop1In
+24V
3
4
2
n.u.
(W2)YE
(W1)
n.u.
BN
(W1)
(W2)
YE
BN
(W1)
(W2)WH
WH
03002531
GND
GND
X123
1
n.u.
6
5
EmergencyStopLoop1In
EmergencyStopLoop1Out
S_Hood3
+24V
4
3
1
2
n.u.
n.u.
n.u.
1
X17
EmergencyStopLoop1OK
VoltageTapeCutter
GND (+5V)
GND (+24V)
X20:4
X20:3
X20:6
X20:5
GY (W4)12
11
10+24V
1 (W2)
2 (W2)
GN (W3)
YE (W4)
n.u. 9
8
+5V 7
6
2 (W1)
1 (W1)
S_Ready
StartButtonOn
S_GantryCrash
EmergencyStopLoop1End
Software_CtrlOn
WH (W4)
BN (W4)
GN (W4)
WH (W3)
BN (W3)
3
4
5
2
1
X16
X1qa_Software_CtrlOn
X14qa
CAN I/O module
CSC54
CSC53
CSC44
CSC43
BK3
7
6
WH
BK
4
5
BK
BK
n.u.
n.u.
2
1
n.u.
n.u.
X3qa
X1qa_0V
EmergencyStopLoop1OK
+24V
GND (+24V)
GND (+5V)
VoltageTapeCutter
12 BK
10
11
OG
WH
9
8
n.u.
WH
7
6
PK +5V
BK
X1qa_0V
X3qb_1 (DI0)
X1qa_24V
X1qa_0V
X1qa_5V
X1qa_0V
X5qb_3 (DI18)
(sheet 3)
(sheet 3)
X1qa_M_Flap
EmergencyStopLoopMTC2Out
EmergencyStopLoopMTC2In
X1qa_24V
BK
65
6
7
8
BK
BK
BK
9
8
7
3
2
4
BK
BK
+24V
OG
4
5
2+3
X24qa_4
(sheet 3)
(sheet 3)
X1qa_0V
X1qa_24V
1
6
5
GND
WH
GND
n.u.
WH
GNYE+1
X18qa
n.u.
RD
1
2
4
3
BK
BK
+24V
OG
BK
BU
GY+PK
WH+BN
GN+YE
Software_CtrlOn
EmergencyStopLoop1End
StartButtonOn
S_Ready
n.u.
3
4
5
BK
BK
2
1
BK
BK
X2qa
X4qb_2 (DI9)