00196193-0102_DC_SIPLACE-X_DE EN - 第77页
2 - 5 NH-080101LD3 NOTHAL T- Schleife, Hauptverteiler (Bl. 5 v . 5) Emergency-stop loop, main distributor (sh. 5 of 5) Emergency-stop loop start +15V 14 X20ra_2 BK DI5 Start Button StopButton Vin(+)Illumination (DC/DC co…

2 - 4
NH-080101LD3 NOTHALT-Schleife, Hauptverteiler (Bl. 4 v. 5)
Emergency-stop loop, main distributor (sh. 4 of 5)
08.
01.
01.
Status
Function status
Product status
Document status
Modified Date Name
Date
Author
Check.
Stand.
Mat.no.:
CAD file:
Orig./Repl.f./Repl.by
Sh.
Sh.(s)
04.03.09
04.03.09
04.03.09
26.11.2007TDH
TDH
TDH
TDH
NH-080101LD3_SH04.DWG
Copyright ©
ASM Assembly Systems
GmbH & Co. KG
NOTHALT-Schleife, Unterverteiler
SIPLACE X2/X3/X4/X4I
SIPLACE X-Series
NH-080101LD3
4
5
(sheet 5)
X5rb_7 (DI22)
X5rb_3 (DI18)
X24ra_4
(sheet 5)
(sheet 5)
(sheet 5)
(sheet 5)
X1ra_Flap
X1ra_Flap
X1ra_0V
X1ra_24V
X1ra_24V
X1ra_0V
X1ra_0V
X1ra_24V
X1ra_StopButton
X3ra
8
1 (W5) 9
(sheet 1)
X18
power supply
03002506
3
2
4
3
(W5) 7
6
(W6)
(W6)
5
4
1
2
(W6) 1
(W6) 2
(sheet 3)
03002521
X73qa
main distributor
RD
9
BU
7
8
PK
GY
6
5
YE
GN
4
3
Vin(+)IlluminationGY
n.u.
X1ra_Vin(+)Illumination
(sheet 5)
n.u.
Vin(-)Illumination
GND24V
WH
n.u.
WH
OG +24V
GND5V
+5VPK
WH
X1ra_0V
X1ra_24V
X1ra_0V
X1ra_0V
X1ra_5V
EmergencyStopLoop1OK
n.u.
BK
n.u.
S_ControlOnBK
BK S_Flap
n.u.
n.u.
CAN I/O module
X3rb_1(DI0)
X24ra_7
X4ra_6
X1ra_Flap
(sheet 5)
CAN I/O module
X4rb_8(DI15)
X71ra
X72ra
X73ra
BN (W1)
2
main distributor
X72qa
03002520
(sheet 3)
WH
BN
1
2
WH
GN
BN
GN
(W2)
4
(W2)
(W2)
6
5
(W1)
3
03002519
X71qa
(sheet 3)
main distributor
(W3)GN+YE
WH (W1)
1
2
3
1
(W3)
7
(W3)
8
9
(W3)
6
5
4
3
1
2
03046226 (ra)
BK S_EmergencyStopButtonMTC
EmergencyStopLoop1Input
EmergencyStopLoopMTC4In
EmergencyStopLoopMTC4Out
S_StopButton
S_StartButtonBK
BK
BK
n.u.
BK
BK
X1ra_StartButton
(sheet 5)
WH
n.u.
VoltageTapeCutter
VoltageIlluminationA
VoltageIlluminationB
GY
GY
GND
BK
n.u.
(sheet 5)
X1ra_0V
(VillB)
(VillA)
X2rc_8
X2rc_4
X17ra_4
n.u.
n.u.
n.u.
n.u.
Sub-distributor
n.u.
11
12
n.u.
S_EmergencyStopButtonMTC
EmergencyStopLoopMTC4Out
EmergencyStopLoopMTC4In
S_COtable4
S_Flap
EmergencyStopLoop1In
EmergencyStopLoop1Out
+24V
GND
03002547
BK
BK
9
BK
6
BK 7
8
BK
5
BK
4
10+11
7
9
8
6
5
X23ra
BK
3
WH
1
OG
2
GNYE+1
4
2+3
n.u.
11
10
11
10
9
6
7
8
5
4
X143
3
1
2
n.u.
12
12
11
S_COtable1
S_Flap
EmergencyStopLoop1out
EmergencyStopLoop1in
+24V
03002542
GND
GND
BK
43
9
n.u.
BK
8
n.u.
5
n.u.
BK 7
6
BK
4
10+11
9
6
8
7
5
X18ra
OG
2
WH
1
WH
6
n.u.
5
GNYE+1
2+3
RD
3
11
10 9
10
8
5
7
6
4
2
X113
1
n.u.
6
5
03002540
+24V
S_Hood4
EmergencyStopLoop1In
EmergencyStopLoop1Out
X14ra
BK
BK 4
BK
3
OG
1
2
X13ra_3
GN+YE
BU
GY+PK
WH+BN WH+BN
GN+YE
GY+PK
BU
X54
4
3
1
2
22
21
03020409
Hood switch
Location 4
22
n.u.
Component trolley
SIPLACE X-Series, Location 1
(W1)GN
GN (W2)
n.u.
n.u.
n.u.
n.u.
n.u.
YE
BN
YE
(W2)
(W1)
(W1)
n.u.
WH
WH
BN
GN
GN
03053228
(W2)
(W2)
(W1)
(W1)
(W2)
31
Component trolley
SIPLACE X-Series, Location 4
32
docking unit
Location 4
SIPLACE X-Series
Component trolley
4
3
22
21
12
11
S1
CO flap
Adapter connector
03021042
X14f
2
1
32
31
BN (W2)
n.u.
n.u.
n.u.
n.u.
YE
BN
YE
(W2)
(W1)
(W1)
WH
WH
n.u.
03053228
(W2)
(W1)
Location 1
docking unit
SIPLACE X-Series
2
Component trolley
4
3
21
12
11
S1
Adapter connector
03021042
X11f
1
CO flap
n.u.
BK
n.u.
n.u.
BK
n.u.
(sheet 5)

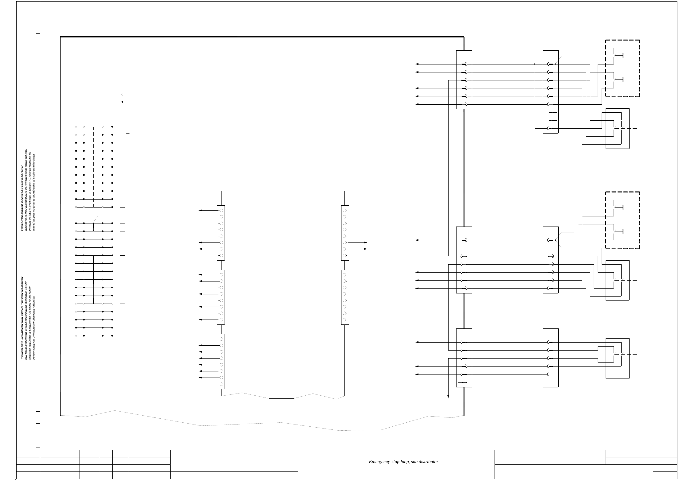
2 - 5
NH-080101LD3 NOTHALT-Schleife, Hauptverteiler (Bl. 5 v. 5)
Emergency-stop loop, main distributor (sh. 5 of 5)
Emergency-stop loop start
+15V
14
X20ra_2
BK
DI5
StartButton
StopButton
Vin(+)Illumination (DC/DC converter)
26
25
24
Flap
19
21
23
22
20
18
17
16
15
+24V
-15V
S_Hood1
S_COtable1
S_Hood4
S_COtable4
S_HoodPCBinput
S_EmergencyStopButtonPCBinput
S_VacuumPumpOn
S_PressureSensorMainValve
S_GantryCrash2
S_StartButton
S_EmergencyStopButtonMTC
S_ControlON
S_StopButton
BK
7
n.u.
X23ra_9
X18ra_7
X19ra_4
X12ra_4
X24ra_4
X23ra_7
X11ra_4
3
D19
D21
D20
D22
D23
n.u.
BK
BK
BK
BK
6
n.u.
8
7
5
4
D16
D18
D17
DI15
BK
BK
n.u.
2
1
X5rb
8
X1ra_24V
X4ra_6
X4ra_4
X1ra_StartButton
X1ra_StopButton
BK
DI9
DI10
DI12
DI11
DI13
DI14
n.u.
BK
n.u.
7
WHB1
9
8
6
X5rb_4 (DI19)
X1ra_24V
X1ra_24V
+24V
S_HoodPCBinput
EmergencyStopLoop1Out
EmergencyStopLoop1In
X11ra
WH
PK
BN+GN
YE+GY
BK
4
BK
3
OG
OG
2
1
+24V
4
3
WH
2
1
03002537
WH
BN
03020687
S1
Start
Stop
3
S2
4
3
n.u.
BK
n.u.
(W2)
YE
GN
(W1)
(W1)
PCB input, left-h. side
Cover flap, PCB conveyor
22 12
21 11
WH (W1)
RD
BN (W2)
(W2)
BN
OG
(W1)
(W2)
03020410
S1
PCB input, left-h. side
Start
Stop
3
4
S2
4
3
(sheet 4)
08.
01.
01.
Status
Function status
Product status
Document status
Modified Date Name
Date
Author
Check.
Stand.
Mat.no.:
CAD file:
Orig./Repl.f./Repl.by
Sh.
Sh.(s)
04.03.09
04.03.09
04.03.09
26.11.2007TDH
TDH
TDH
TDH
NH-080101LD3_SH05.DWG
Copyright ©
ASM Assembly Systems
GmbH & Co. KG
NOTHALT-Schleife, Unterverteiler
SIPLACE X2/X3/X4/X4I
SIPLACE X-Series
NH-080101LD3
5
5
n.u.
1
2
X7rb
3
n.u.
n.u.
n.u.
4
5
n.u.
n.u.
1
2
A1 (rb)
Sub-distributor
03046226 (ra)
K1_A1
BK
DO5
PCB input side on the right
X1ra_24V
4
X51
X14ra_2
WH
n.u.
BK
BK
BK
BK
BK
X1ra_24V
DO15
X1ra_0V
X19ra_4
X5rb_5 (DI20)
X1ra_StopButton
X1ra_StartButton
DO9
DO13
DO14
DO12
DO10
DO11
K2_A1
DO8
BK
DO7
DO6
EmergencyStopLoop1In
EmergencyStopLoop1Out
3
BU
RD
GY+PK
5
6
BK
4
BK
GN+YE
WH+BN
X13ra
BK
2
OG
1
3
GND
S_Hood1
5
n.u.
6
4
+24V
03002539
2
1
S_StopButton
S_StartButton
S_EmergencyStopButtonPCBinput
EmergencyStopLoop1In
EmergencyStopLoop1Out
BU
5
RD
6
YE+GY
BN+GN
PK
3
4
2
5
6
3
4
2
GY+PK
BU
GN+YE
WH+BN
03020409
Location 1
Hood switch
22 12
21 11
BK
VT
PK+BU
RD
GN
YE+GY
EMERGENCY STOP
12 22
S3
11 21
X61
X64
55
OG
DO2
DO4
DO3
DO1
DO0
X1ra_StopButton
X1ra_StartButton
WH
X12ra
1
03002538
+24V
1
S_StartButton
S_StopButton
BU
RD
BK
6
BK
n.u.
BK
n.u.
6
5
n.u.
3
4
2
DI8
DI6
DI7
BK
OG
X4rb
1
n.u.
7
8
6
7
n.u.
n.u.
8
Ctrl_CompressedAirMainValve
n.u.
n.u.
n.u.
6
5
n.u.
n.u.
3
4
2
Ctrl_VacuumPumpOn
n.u.
X8rb
1
n.u.
7
8
6
Terminal not used
Terminal used
EARTHING
6
12
13
11
8
10
9
7
Bridge
+5V
GND
Terminals overview
1
5
4
3
2
ba
X1ra
dc
CAN I/O module
EmergencyStopLoop1OK
X73ra_9
X3rb
DI4
DI3
DI2
DI1
DI0
n.u.
n.u.
n.u.
n.u.
BK
3
n.u.
n.u.
n.u.
4
5

2 - 6
X01_X2-030201LD3 X-Achse, Portal 1, SIPLACE X2 (Bl. 1 v. 2)
X axis, gantry 1, SIPLACE X2 (sh. 1 of 2)
03038074
2
3
Head interface
X motor W
X motor V
gantry 1,
X motor U
X5bc:2-4 X5bc:5-7
03003361
19
11
V3
GND
Key
13
12
+24V
10
9
22
Key
Key
16
15
GND
21
20
Key
Key
+24V
V2
18
17
Key
Key
8
7
5
6
4
+15V
2
2
3
1
5
6
4
2
3
1
BN
BK
03003361-W2
03003361-W1
22
X16bc
PE
X11bc
3
4
3
PE
X12bc
1 1
(RD)
(WH)
(GNYE)
Linear motor, X axis
(BK)
34-pole34-pole
34-pole 34-pole
n.u.
Key
Key
1,4,7,17
Key
X axis
03020588
SIPLACE scanning head
Track signals, X axis
Axis unit
+15VC4
X1sq X01_2sq
B2,4; B/Z6; B8,10,12,14,16
B/D/Z22,24
PGND_1
UB_Power_OK
Servo_Enable
Servo_Ready
RefBero
OPTO_GND
+15V_Servo
(S1.2 n.u.)
ON
OFF
Axis card A364, gantry 1
A/D10; B/E8
A/D4; B/E1,2,4; C1,6
C14
C3
-15V
+5V
B/D15-17,20,21,24,25
A/C/E15,18,19,22,23
B10
To sheet 2, X01_4sq:B/D/Z20
To sheet 2, X01_4sq:B/D/Z22
To sheet 2, X01_4sq:B/D/Z18
Motor_U
Motor_W
Motor_V
X4tr/
BN4
X01_3sq
WH2
3
GN
1
n.u.
Voltage
X21_2:A9
X21_2:A10
X21_2:D11
X21_2:D12
X21_2:E9
X21_2:E10
Servo amplifier TBS250/10X1
00353443 (sq)
03009791
Gantries 1 and 3
Actual value
X axis
not used
03000901 (bc)
B14, C9 EMERG._STOP_MAIN_AXIS
X47sq
To sheet 2
POWER_FAILC8
03057572
03.
02.
01.
Status
Function status
Product status
Document status
Modified Date Name
Date
Author
Check.
Stand.
Mat.no.:
CAD file:
Orig./Repl.f./Repl.by
Sh.
Sh.(s)
09.03.08
04.03.09
04.03.09
11.01.2005TDH
TDH
TDH
TDH
X01_X2-030201LD3_SH01.DWG
Copyright ©
ASM Assembly Systems
GmbH & Co. KG
X-Achse, Portal 1
SIPLACE X2
SIPLACE X-Series
X01_X2-030201LD3
1
2
19
20
18
23
26
28
27
25
24
22
21
19
20
18
1, 11, 14, 34
Spare
GND
Z2-Dir
PE
16, 31
17
15
12
13
X motor W
X12ba:3
X motor V
X12ba:2
8
9
10
6
7
1, 11, 14, 34
16, 31
17
15
12
13
8
9
10
6
7
R3
Track N
Track A
Track N
Track B
Track B
Track A
+5V
+5V
7
Track N
Track N
PEGND
Key
10
9
8
Test plug
Track B
Track B
Track A
Track A
GND
PE
1
4
6
5
3
2
Key
X24bc
10
9 GY RI
WHGN
RD3
+5V 7
8
6
BK
BN
YE
4
B9
A9
03036027 (sa)
SensorStopA14
A2
A1
B7
A7
Inom_U
Inom_W
ENDX
B13
C13
B12
A13
Track N
Track N
Track B
A4
A1
X4sa
End signal AGND
X21_1sq
A11
A12
B11
X1sa
Track A
Track B
Track A
1
S1
2
AGND
GND
11
14
13
12
n.u.
8
9
10
6
03048879 (sq)
Backplane, axis unit
X1to/
X01_1sq
1,4,7,17,20,23,26
2
5
3
PE
26-pole
Phase_W
+250V_1
UB_Power_OK
Brake_Enable
Servo_Enable
Servo_Ready
+15V_Servo
-15V_Servo
Phase_U
B/D/Z30
B/D/Z/32
B/D/Z18,20
B/D/Z26,28
Z12
D14
Phase_V
Inom_U
Z8
D12
D10
D8
D6
Inom_W
Z4
D4
To sheet 2, X01_4sq:B/D/Z30
To sheet 2, X01_4sq:B/D/Z32
To sheet 2, X01_4sq:B/D/Z26,28
To sheet 2, X43sq:2
X01_4sq:Z2
AGND
To sheet 2
OPTO_GND
SensorStop
ENDX
RefBero
Track N
Track N
Track B
Track B
Track A
Track A
C2
A8
C7
X temperature sensor
n.u.
16
18
19
15
25
22
24
21
n.u.
n.u.
n.u.
n.u.
n.u.
n.u.
S/Z2 force sensor CS
S/Z2 force sensor DATA
S/Z2 force sensor DATA
S/Z2 force sensor CS
S/Z2 force sensor CLK
S/Z2 force sensor CLK
S/Z2 sensor stop
X motor V
X motor W
X motor U
X track N
X track N
X track B
X track A
X track A
X track B
X reference point
X limit switch
X temperature sensor
OG
03046225 (qa)
+24V
Main distributor
+5V
0V
+15V
-15V
WH
PK
BU
RD
X1qa
(W1)WH1+24V1
Cable carrier interface
03009788
(W1)
(W1)
(W2)
(W2)
14
6
5
n.u.
2
3
2
GN
BN
4
5
3
2
+5V
GND
+15V
-15V
Y distance, X2ba:30
Y-B2, X1ba:30
Y reference point, X1ba:29, X21ba:13
Y sensor stop, X21ba:11
X reference point
XM track B, X3ba:30, n.u.
XM track B, X3ba:29, n.u.
n.u.
X6qa
10
X50ba
9
8
6
7
5
GND
3
4
2
X31ba
PE1
X-B2
24
25
Y01-xxxxxxLD3
Sheet 1
See drawing
X limit switch
X reference point
X temperature sensor
XM track A, X3ba:26, n.u.
XM track A, X3ba:27, n.u.
n.u.
11
21
22
18
19
n.u.
n.u.
n.u.
14
15
16
n.u.
12
13
8
10
9
6
X track N
X track N
GND
X track B
5
3
X22ba
PE
20,23,26
2
X track A
X track B
X track A
X motor U
X motor W
X motor V
BK
WH
BN
GN
03050891
X motor
2
3
PE4
X12ba
1
03010612 (ba)
Cable carrier interface, gantry 1 or 3
1455
S/Z2 track B
29
S/Z2 track B
29
S/Z2 track B
S/Z2 track A
S/Z2 track A
S/Z2 track A
S/Z2 track B
S/Z2 track A
33
32
30
33
32
30
R4
X12bc:3
X12bc:2
X motor W
X motor V
Z2-Dir
Spare
PE
GND
S/Z2 sensor stop
S/Z2 force sensor CS
S/Z2 force sensor CS
S/Z2 force sensor CLK
S/Z2 force sensor CLK
S/Z2 force sensor DATA
S/Z2 force sensor DATA
S/Z2 track N
S/Z2 track N
+24V
+15V
-15V
+5V
23
S/Z2 track N
S/Z2 track N
+24V
+15V
26
28
27
25
24
-15V
+5V
22
21
5
WH
GN
X15bc
1
2 PK
T2
RI
+5V
T1
T1
GND
T2
Screen
X5bc:8-10
redH7
X12bc:1
X motor U
PE
29 29
Carrier cable 5, 1G
X motor U
X12ba:1
2
4
3
X5ba
32
33
GND 31
30
X5bc
03038075
X motor
2
4
3
32
33
GND31
30
X-B2
26
+24V 28
27
+15V 25
24
PE
-15V 22
23
21
1, 11-19, 34
20
10
26
+24V28
27
+15V25
24
1, 11-19, 34
-15V22
23
21
20
10
X track B
X track A
X track A
X track B
V5
V4
X track N
X track N
X-B2
X reference point
X limit switch
X temperature sensor
+
LM358
1
Carrier cable 4, 1G
4
7
8
9
5
6
2
3
X4ba
4
7
8
9
5
6
X4bc
X motor