yv88xg_j - 第5页
PA G E 3 YV88Xg (KGA) Con fi dential & Proprietary KGA-000-CN5 Connection board

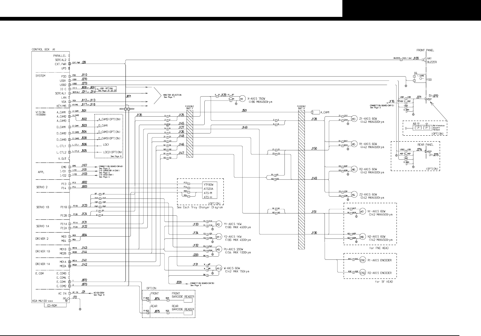
PAGE
2
YV88Xg (KGA)
Confi dential & Proprietary
KGA-000-CN5
Control box

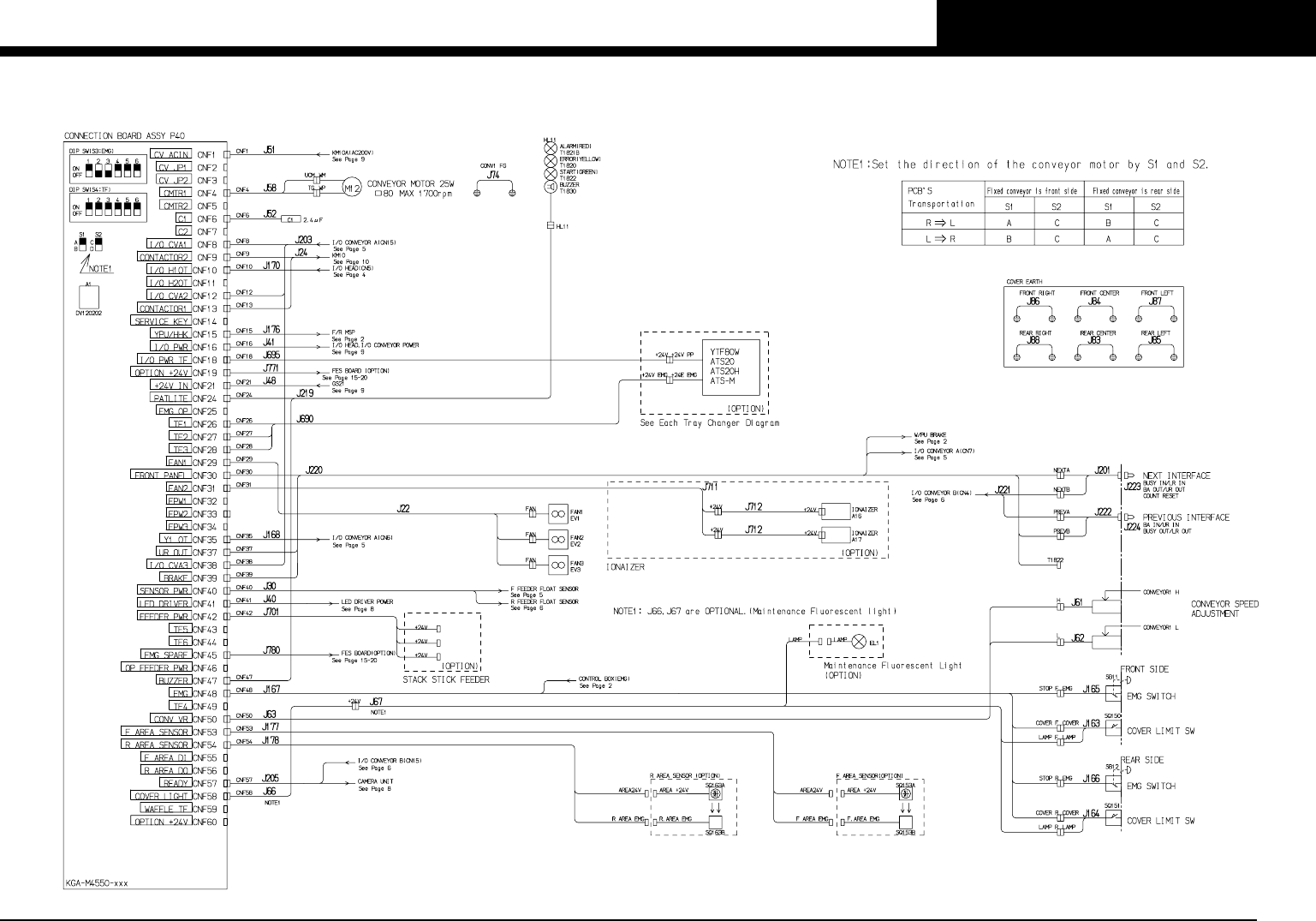
PAGE
3
YV88Xg (KGA)
Confi dential & Proprietary
KGA-000-CN5
Connection board

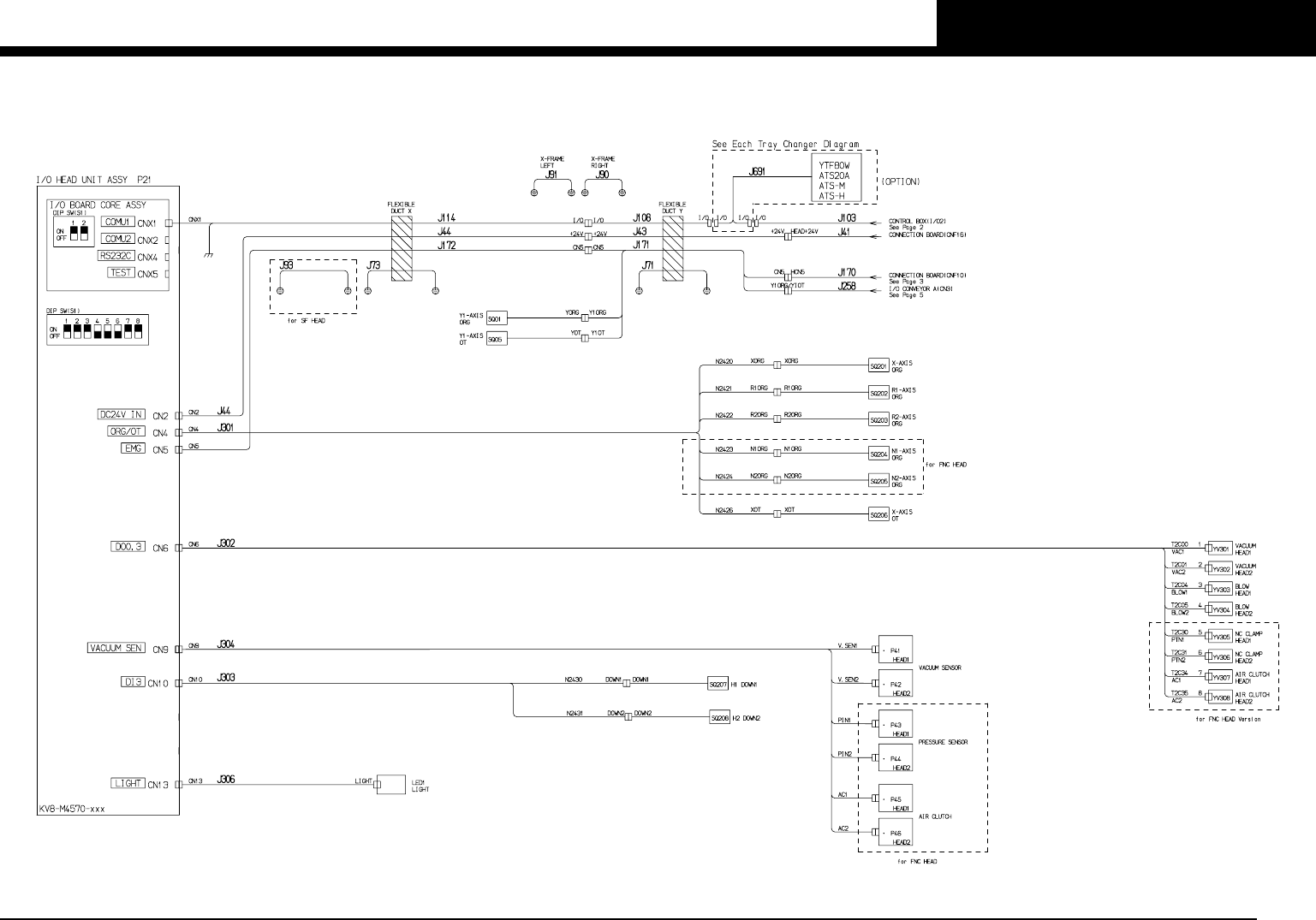
PAGE
4
YV88Xg (KGA)
Confi dential & Proprietary
KGA-000-CN5
I/O head