RX-7使用手册 - 第70页
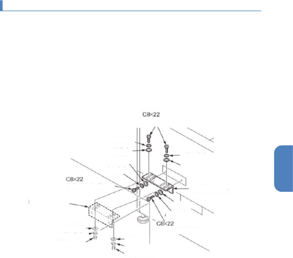
第 3 章 导入篇 3- 1. 安装 9 3 3-1- 5. 前工序机器和后工序机器的连接 与本机连接时使 用 L 型托架。 准备物品 • L 型托架(与 本机同箱) 2 个 • C8×22 内六角孔螺栓 , 六角螺母,弹簧垫圈 ,平垫圈各 16 个 为了保持与前后 工序机器的机 械精度,本机中备有 2 个连接用 L 型托架。 将该 L 型托架安上,连接 本机 和前后工序机器 。 1 用 C8×22 内六角孔螺栓,六角螺母,弹簧垫圈,平…

第
3
章 导入篇
3-1.
安装
8
注意
手动移动
XY
轴时,请勿把持贴片头。
手动移动
XY
轴时的注意事项
把持贴片头使
XY
轴移动时,会增加负荷,有可能导致精度降低。
按下图所示,按住
X
轴框架
(
铸件
)
、
Z
轴框架的电缆固定板金,使之移动。

第
3
章
导入篇
3-1.
安装
9
3
3-1-5.
前工序机器和后工序机器的连接
与本机连接时使用
L
型托架。
准备物品
•
L
型托架(与本机同箱)
2
个
•
C8×22
内六角孔螺栓,六角螺母,弹簧垫圈,平垫圈各
16
个
为了保持与前后工序机器的机械精度,本机中备有
2
个连接用
L
型托架。将该
L
型托架安上,连接本机
和前后工序机器。
1
用
C8×22
内六角孔螺栓,六角螺母,弹簧垫圈,平垫圈,将
L
型托架安装到本机左右
的安装座上。
(a)
弹簧垫圈
(b)
平垫圈
(c)
弹簧垫圈
(d) C8×22
内六角孔螺栓
(e) L
型托架
(f)
平垫圈
(g)
弹簧垫圈
(h)
六角螺母
2
用
C8×22
内六角孔螺栓,六角螺母,弹簧垫圈,平垫圈分别安装前工序机器和后工序
机器的
L
型托架,本机左右的
L
型托架。
弹簧垫圈
平垫圈
弹簧垫圈
平垫圈
弹簧垫圈
弹簧垫圈
弹簧垫圈
平垫圈
弹簧垫圈
内六角孔螺栓
内六角孔螺栓
内六角孔螺栓
L 型托架
平垫圈
平垫圈
平垫圈
L 型托架
六角螺母
六角螺母

第
3
章 导入篇
3-1.
安装
10
3-1-6.
作业区域
使用带式供料器及一次性更换台车时所需的作业空间如下所示。请勿在该区域内放置物品。
3-1-7.
运输时的注意事项(由客户运输装置时)
请参见
3-1-1
运输・设置。
3-1-8.
传送部位的安全措施
本机左右有传送入口和传送出口,规定了可传送基板的最大宽度。
安装于本机前后的装置请尽量靠近传送入口和传送出口安装,避免手能伸入。如果无论如何无法避免,
请采取加装安全罩等安全措施。
安全措施示例:单通道的情况下
单位:mm