P-0120-001 - 第28页
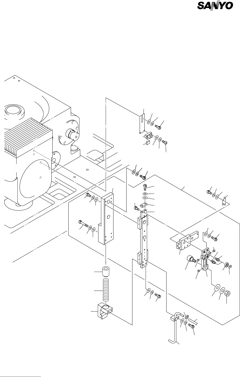
MODEL TCM-3600J 981 1-001 ヘッド駆動部 HEAD DRIVING SECTION Fig. 3-2 装着上下補正部 Placement Level Adjuster 19 17 20 21 22 34 35 36 24 25 26 27 2 18 3 14 15 16 5 4 8 6 7 9 10 11 12 13 51 52 53 54 4796 20 21 23 8 55 56 57 58 59 44 45…

MODEL TCM-3600J
9811-001
3- 1
Key No. PART No. PART NAME Q'ty REMARKS
1 630 048 7282 PULLEY,TIMING 1 703K--01H-001
2 630 049 0053 MECH PARTS(MECHA LOCK) 1 703K--01H-006
3 630 009 3117 COUPLING 1 703B--01H-004
4 630 048 6445 HOLDER 2 703B--01B-009
5 630 048 6520 PLATE 1 703B--01B-010
6 630 006 1130 UNIT,I/O 1 703B--01H-005
7 411 141 4008 WASHER V 4X9X0.8 4 FW4
8 411 141 2905 WASHER SPR 4 4 SW4
9 630 000 7633 BOLT,HEX-SCT 4 M4X12
10 411 141 4305 WASHER V 6X12.5X1.6 2 FW6
11 411 141 3001 WASHER SPR 6 2 SW6
12 630 000 7893 BOLT,HEX-SCT 2 M6X20
19 630 060 4870 ASSY,BEARING,UNIT(IDLER) 1
20 630 048 7145 SHAFT 1 703K--01B-022
21 630 048 9293 BEARING,UNIT 1 703K--01H-014
22 630 049 0138 NUT 1 703K--01H-015
23 411 141 4305 WASHER V 6X12.5X1.6 6 FW6
24 411 141 3001 WASHER SPR 6 6 SW6
25 630 000 7886 BOLT,HEX-SCT 6 M6X16
29 630 060 4863 ASSY,BEARING,UNIT(TENSE) 1
30 630 048 7138 SHAFT 1 703K--01B-021
31 630 048 9293 BEARING,UNIT 1 703K--01H-014
32 630 049 0138 NUT 1 703K--01H-015
33 630 049 0190 WASHER 2 703K--01H-038
34 411 141 3209 WASHER SPR 10 2 SW10
35 630 000 8135 BOLT,HEX-SCT 2 M10X30
36 411 118 9302 NUT HEX 10 1 M10 F
37 630 051 7859 BOLT,HEX-SCT 1 703K--01B-092
NOTE

MODEL TCM-3600J
9811-001
ヘッド駆動部 HEAD DRIVING SECTION
Fig. 3-2 装着上下補正部 Placement Level Adjuster
19
17
20
21
22
34
35
36
24
25
26
27
2
18
3
14
15
16
5
4
8
6
7
9
10
11
12
13
51
52
53
54
4796
20
21
23
8
55
56
57
58
59
44
45
46
47
48
49
31
32
33
38
39
40
42
41
37
1
43

MODEL TCM-3600J
9811-001
3- 2
Key No. PART No. PART NAME Q'ty REMARKS
1 630 060 9684 ASSY,PLATE(CZ) 1
2 630 052 0422 GUIDE,LINEAR 1 703KB-01H-019
3 630 048 2294 PLATE,LOCATE 1 703KB-01B-015
4 630 038 5663 PIN,LOCATE 1 703KB-01B-007
5 630 038 5687 PIN,LOCATE 1 703KB-01B-008
6 630 001 1241 BEARING,RADIAL 2 703KB-01H-005
7 411 001 0003 RING E 4 2 703KB-01H-006
8 630 000 8920 SET SCREW 2 M4X6 SET
9 630 072 7180 CAM FOLLOWER 1 703KB-01H-007
10 411 141 4503 WASHER V 8X17X1.6 1 FW8
11 411 141 3100 WASHER SPR 8 1 SW8
12 411 141 0901 NUT HEX 8 1 M8
13 630 000 8944 SET SCREW 1 M5X6 SET
14 411 141 3902 WASHER V 3X7X0.5 4 FW3
15 411 141 2806 WASHER SPR 3 4 SW3
16 630 000 7510 BOLT,HEX-SCT 4 M3X8
17 630 052 0439 GUIDE,LINEAR 1 703KB-01H-020
18 630 000 7619 BOLT,HEX-SCT 2 M4X8
19 630 052 3904 PLATE 1 703KB-01B-014
20 411 141 3902 WASHER V 3X7X0.5 8 FW3
21 411 141 2806 WASHER SPR 3 8 SW3
22 630 000 7534 BOLT,HEX-SCT 4 M3X12
23 630 000 7572 BOLT,HEX-SCT 4 M3X25
24 630 052 3911 PLATE 1 703KB-01B-018
25 411 141 4008 WASHER V 4X9X0.8 2 FW4
26 411 141 2905 WASHER SPR 4 2 SW4
27 630 000 7626 BOLT,HEX-SCT 2 M4X10
31 630 059 6663 COLLAR 1 703KB-01B-031
32 630 059 6687 SPRING,COMP 1 703KB-01B-034
33 630 059 4119 SLIDE(MZ) 1 703KB-01B-030
34 411 141 4305 WASHER V 6X12.5X1.6 2 FW6
35 411 141 3001 WASHER SPR 6 2 SW6
36 630 000 7893 BOLT,HEX-SCT 2 M6X20
37 630 056 1647 BLOCK 1 703KB-01B-013
38 411 141 4008 WASHER V 4X9X0.8 2 FW4
39 411 141 2905 WASHER SPR 4 2 SW4
40 630 000 7671 BOLT,HEX-SCT 2 M4X25
42 630 029 6389 PIPE FITTINGS 1 703KB-01H-024
43 630 048 2317 PLATE 1 703KB-01B-017
44 411 141 3902 WASHER V 3X7X0.5 2 FW3
45 411 141 2806 WASHER SPR 3 2 SW3
46 630 000 7503 BOLT,HEX-SCT 2 M3X6
47 411 141 4305 WASHER V 6X12.5X1.6 2 FW6
48 411 141 3001 WASHER SPR 6 2 SW6
49 630 000 7886 BOLT,HEX-SCT 2 M6X16
51 630 048 2300 BRACKET 1 703KB-01B-016
52 630 000 0252 SENSOR,PHOTO 1 703KB-01H-010
53 630 000 0269 SENSOR,PHOTO(CONNECTOR) 1 703KB-01H-012
54 411 088 9005 WASHER F 3X6X0.5 2 FWS3 F
55 411 086 4408 WASHER SPR 3 2 SW3 F
NOTE