P-0120-001 - 第41页
MODEL TCM-3600J 981 1-001 3- 6 Key No. PART No. PART NAME Q' ty REMARKS 1 630 048 7169 PLATE 1 703K--01B-024 2 411 141 4503 W ASHER V 8X17X 1.6 2 FW 8 3 411 141 3100 W ASHER SPR 8 2 SW 8 4 630 000 8029 BOLT,HEX-SCT …

MODEL TCM-3600J
9811-001
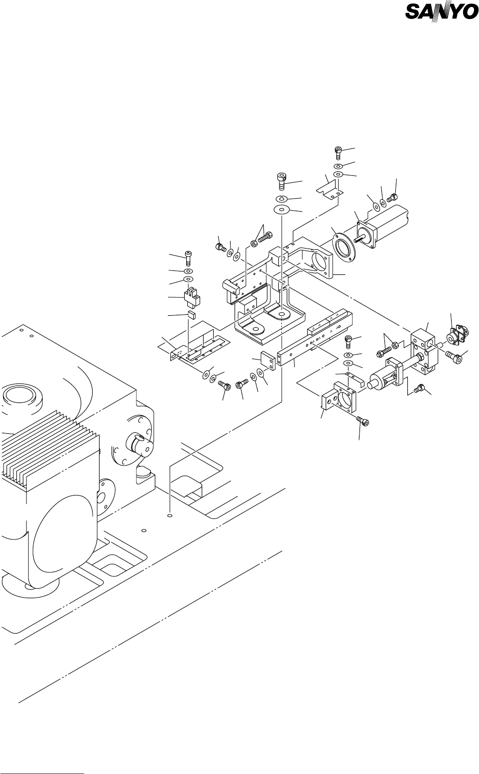
ヘッド駆動部 HEAD DRIVING SECTION
Fig. 3-6 カム軸−1 ストッパ Cam Shaft-1 Stopper
See Fig.2-1
Key No.1
11
12
15
16
18
19
1
2
3
4
15
16
20
21
22
17
51
13
14
52
53
57
54
55
56
10
4796

MODEL TCM-3600J
9811-001
3- 6
Key No. PART No. PART NAME Q'ty REMARKS
1 630 048 7169 PLATE 1 703K--01B-024
2 411 141 4503 WASHER V 8X17X1.6 2 FW8
3 411 141 3100 WASHER SPR 8 2 SW8
4 630 000 8029 BOLT,HEX-SCT 2 M8X25
10 630 060 4832 ASSY,LEVER(STOPPER TYPE1) 2
11 630 048 7244 BASE 1 703K--01B-031
12 630 055 2881 SHAFT 1 703K--01B-030
13 630 048 7275 LEVER 1 703K--01B-034
14 630 000 8944 SET SCREW 1 M5X6 SET
15 630 001 1272 BEARING,RADIAL 2 703K--01H-012
16 411 051 1708 SCR TRS 4X6 4 M4X6 TRS
17 630 060 4931 ASSY,CYLINDER(STOPPER R) 2
17 -1 630 055 2874 CYLINDER 1 703K--01H-053
17 -2 630 000 0436 CASE,CONN 1
17 -3 630 000 4281 CABLE JOINT,TERMINAL 2
18 411 118 8503 NUT HEX 5 2 M5 F
19 630 000 8647 BOLT,HEX 2 M5X25 HEX
20 630 029 1391 WASHER 8 703K--01H-048
21 411 141 6705 WASHER SPR 5 8 SW5
22 630 000 7763 BOLT,HEX-SCT 8 M5X16
51 630 051 3813 PIPE FITTINGS 1 703K--01H-054
52 630 003 7814 PIPE FITTINGS 1
53 630 003 7791 PIPE FITTINGS 1
54 411 141 3902 WASHER V 3X7X0.5 2 FW3
55 411 141 2806 WASHER SPR 3 2 SW3
56 630 000 7572 BOLT,HEX-SCT 2 M3X25
NOTE

MODEL TCM-3600J
9811-001
ヘッド駆動部 HEAD DRIVING SECTION
Fig. 3-7 装着上下補正駆動部 Placement Level Adjuster Driver
1
17
19
16
18
20
22
23
24
25
21
15
10
11
12
13
14
2
7
8
9
3
4
5
6
26
27
28
31
30
29
33
34
35
51
52
53
4795R
21
64
63
62
61