GL-541E-09 PART LIST - 第79页
19.イン,アウトコンベア(ローラ搬送)(オプション)(BTQC) 19.In,Out conveyor(Roller guided)(Option)(BTQC) 番号 図番 & コード番号 個数 品名 規格 備考 材質 No. Drg.No. & Code No. QTY Description Rating Remarks Materials 1 BTQC6010 8 NUT, T SLOT ナット T溝 FE 2…

GL-541E PARTS LIST
19.イン、アウトコンベア(ローラ搬送)(オプション)(BTQC)
19.In,Out conveyor(Roller guided)(Option)(BTQC)
19 - 1
19.イン、アウトコンベア(ローラ搬送)(オプション)(BTQC)
19.In,Out conveyor(Roller guided)(Option)(BTQC)
タテx173.205
Ref.31-1
Ref.31-1
Ref.31-1
Ref.33-7
x5.4
6
2
2
2
2
2
2
2
2
4
4
3
3
3
3
3
3
4
4
1
1
6
5
5
1
1
6
6
6
6
6
6
6
6
6
2
2
2
2
2
2
2
2
4
4
3
3
3
3
3
3
4
4
1
1
6
5
5
1
1
6
6
6
6
6
6
6
6
アウトコンベア
Out conveyor
インコンベア
In conveyor
208
176
165
175
161
175
161
175
161
183
162
176
167
175
161
13
13
B
A
139
26

19.イン,アウトコンベア(ローラ搬送)(オプション)(BTQC)
19.In,Out conveyor(Roller guided)(Option)(BTQC)
番号 図番 & コード番号 個数 品名 規格 備考
材質
No. Drg.No. & Code No. QTY Description Rating Remarks
Materials
1 BTQC6010 8 NUT, T SLOT ナット T溝 FE
2 MQC1292 16 PULLEY プーリ OT
3 MQC7131 12 GUIDE, BELT ガイド ベルト AL
4 PPT3030 8 GUIDE, BELT ガイド ベルト AL
5 NQC6030 4 NUT, T SLOT ナット T溝 FE
6 K5261A
SCREW, HEX SOCKET BUTTON
小ネジ 六角穴ボタン M5X10L ・ FE
GL-541E PARTS LIST
19 - 2
19.イン,アウトコンベア(ローラ搬送)(オプション)(BTQC)
19.In,Out conveyor(Roller guided)(Option)(BTQC)

GL-541E PARTS LIST
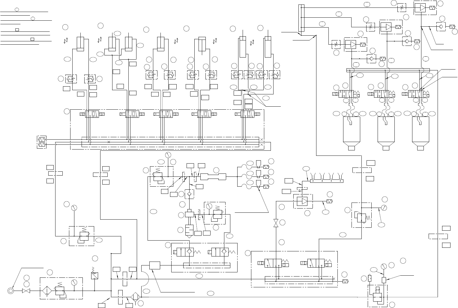
20.エアー配管図(BTPZ)
20.Pneumatic circuit diagram(BTPZ)
20 - 1
20.エアー配管図(BTPZ)
20.Pneumatic circuit diagram(BTPZ)
タテx173.205
Ref.31-1
Ref.31-1
Ref.31-1
Ref.33-7
x
x
x xx
X
x
x11
208
176
165
175
161
175
161
175
161
183
162
176
167
175
161
13
13
B
A
139
26
PL8-02
φ10
R1
PL6-01
φ6
KQ2L10-00
KQ2L10-99
KQ2T06-01S
PIJ6
PKG10-8
PKG10-6
PP10
PP10
21
21
43
43
43
φ6
38
37
φ6
φ6
φ6
38
37
φ6
φ6
41
42
41
42
42
41
Air温度検知装置
Air thermostat
(SMC)
KQU04-00
Q6
Q7
Q6
Q7
Rc3/8
Rc3/8
Rc3/8
Rc1/4
40
BTPZ0310
ジョイント
Joint
φ8
φ10
BTPZ0210
BTPZ0130
メータアウト
G6 G5
G4
G3
G2
G7
Q7
Q6
A1
A1
A1
A1
Air温度検知装置
Air thermostat
38
φ8
R3
R3
R3
R4
R4
R4
37
G1
G1
G1
11
11
11
φ6
21
φ8
φ8
φ8
φ6
φ6
A2
Rc1/4
A2
Z2
直
φ10
Rc1/4
Rc1/4
Rc1/4
Rc1/4
Rc1/4
Rc1/4
Rc1/4
Rc1/4
Rc1/4
Rc1/4
Rc1/4
Rc3/8
Rc1/4
φ8
φ8
基準ピン
φ10
5
6
19
10
12
9
従属ピン
基板ストッパー
メインコンベア
基板ストッパー
インコンベア
Conveyor joint
In conveyor
PCB stopper
Main conveyor
PCB stopper
Diamond
shapd pin
Reference
pin
コンベアジョイント
基板リフター
PCB Lifer
基板ホルダー
PCB holder
エアー源
Air supply
φ10
φ6
φ12
φ6
φ4
φ4
φ4
φ4
φ10
1
14
2
3
4
9
7
18
23
24
25
26
27
16
16
13
15
φ4
φ4
φ4
φ4
φ6
φ6
φ6
直 直
直
直
φ6
φ4
φ4
φ4
φ4
直
φ8
φ8
φ8
φ8
φ6
φ6
NO.1NO.2NO.3
15
16
16
27
16
16
16
16
φ10
φ10
31
31
31
30
φ8
φ8
φ8
φ10
32
33
5
8
35
19
φ10
T5SOL-2 T5SOL-1 T5SOL-4 T1SOL-1
T5SOL-3T1SOL-2
12SOL-3
12SOL-2
12SOL-1
3SOL-1
T5SOL-5
3SOL-2
T5SOL-6
M1PS1
0.4MPa
駆動圧
Driving
pressute
0.5MPa
元圧
Main pressure
0.04MPa
ヒーター圧
Heater pressure
0.05MPa
エジェクタ供給圧
Ejector supply pressure
塗布圧 ***MPa
Glue pressure
下降
Lower
上昇
Raise
Lower
Raise
Join
開放
Datach
連結
下降
上昇
Lower
Raise
下降
上昇
Lower
Raise
下降
上昇
内蔵サイレンサ
Internal silencer
コルダー圧0.3MPa
Cooler pressure
直
φ8
φ8
17
接着剤
Glue
20
G1
G1
R2
R2
M1
M1
M1
R3
L5
L6
L7
L4
L4
N2
N2
L3
L2
L2
L1
A1
A1
N1
A1
A1
Q1
Q1
Q2
Q2
Q3
Q5
Q4
Q4
P1
P1
P2
P2
P1
P1
P2
P2
P3
P3
P4
P4
P5
P5
P6
P6
Q6
Q7
φ10
10
28
Z1
Z3
φ8
φ8
φ8
φ8
φ6
φ6
39
39
39
44
45
44
45
44
45
配管No.を で囲んだものは配管の
両端にマーカーをそれぞれ1個組み付け
配管No.を で囲んだものは配管に
マーカーを1個組み付け
Numbers enclosed by are attached
with a marker.
Numbers enclosed by are attached
with a marker at both ends.