YS88_kjh_j - 第10页
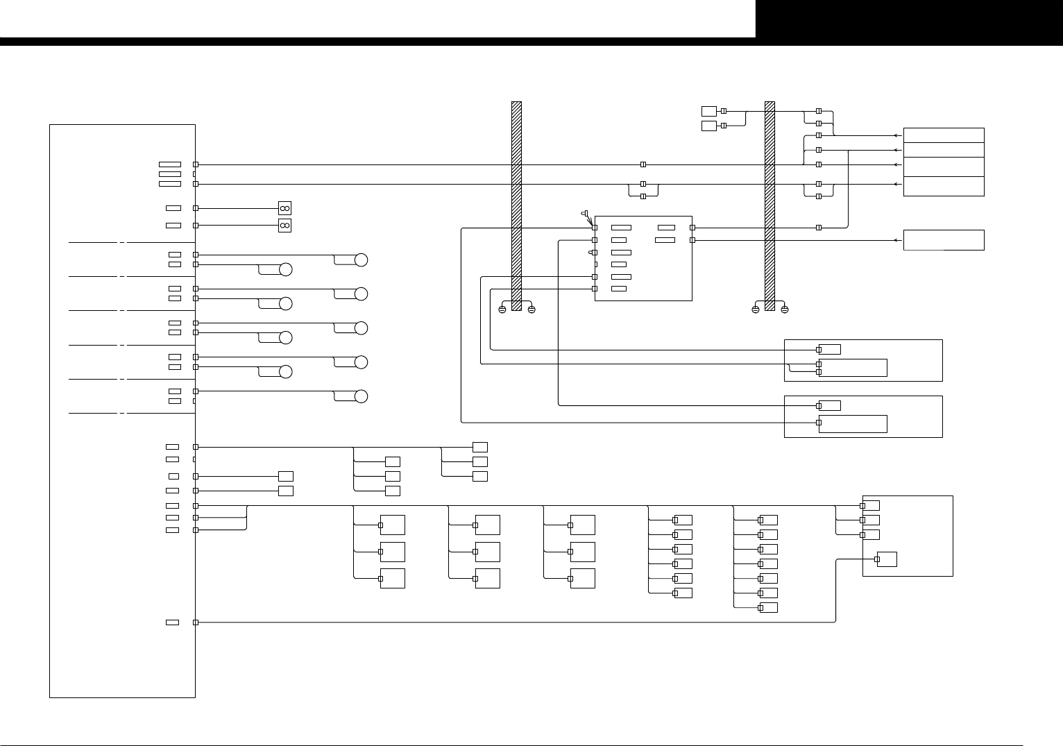
Confidential & P roprietary P A G E CN8 CN4 POCL +24V L+24V SQ701 CAPTUR E1 LIGHT UPEND N01009 B0 CAPTUR E1 LIGHT LOWEND N01009 B1 SQ702 MULTI CAM.SUB ASSY FRONT DIGITAL MULTI CAMERA CN28 CAM1 J0501 J0049 J0192 CN4 C…

Confidential & Proprietary
PAGE
FAN1
FAN2
CN4
CN5
FAN1
FAN2
HEAD SERVO UNIT ASSY
CN3TXD/RXD
CN2+24VOUT
CN1
CN1POW/EMG
J0121
SRVB1
SRVB2
SRVB
See Page 2
CONTROL BOX
INTERFACE BOARD
J0042
H+24V
CN43
J0162
Y1ORG
Y1OT
HEAD EMG
CN12
SQ005
SQ001
Y1-AXIS ORG
N0100980
Y1-AXIS OVER TRAVEL
N0100981
J0055
H+48V
DC48V,0V48
See Page 3
See Page 5
Y1ORG
Y1OT
J0190
DUCT Y
FLEXIBLE
I/O HEAD BOARD ASSY P041
DUCT X
FLEXIBLE
TXD/RXD J0123
J0044
CN2MO1
CN3MO2
HEAD SERVO 1
Z1
Z2
M07
M08
CN2MO1
CN3MO2
CN2MO1
CN3MO2
CN2MO1
CN3MO2
CN2MO1
CN3MO2
HEAD SERVO 2
M09
M10
HEAD SERVO 3
HEAD SERVO 4
Z3
HEAD SERVO 5
J0043
J0122
SRVB1
SRVB2
POW/EMG
C+24V
J0514
J0502
CAM2
See Page 2
J0072J0073
J0504
J0300
D.CAM1
CN1
CN2
PoCL
LIGHT1
TEMP1
CN1
CAM13
SV LIGHT
J0506
J0305
FIDUCIAL CAMERA 1
EL01
FIDUCIAL LIGHT 1
SIDE VIEW CAMERA HEAD
EL13
SIDE VIEW LIGHT HEAD
FIDUCIAL CAMERA 1
SIDE VIEW CAMERA(OPTION)
CAMERA SELECTOR P082
DC24V
DC24V CN11
CN5
CAMOUT A
CAMOUT
CN10 LIGHT3
CN8 CAM3
LIGHT2CN9
CAM2CN6
LIGHT1CN7
CAM1CN4
LIGHT3-2
LIGHT2
J0301
LIGHT1-2
PoCL
LIGHT3
J0305(STANDARD SPEC.)
KM12,XT31
POWER CIRCUIT
I/O CONVEYOR BOARD
I/O CONVEYOR BOARD
VISION BOARD
CONTROL BOX
HEAD FAN1
HEAD FAN2
(Z1)
(Z2)
(Z3)
(R1)
(R2)
(R3)
(N1)
(N2)
(N3)
R1
R2
R3
N1
N2
N3
R1-AXIS 60W
Z3-AXIS 60W
Z2-AXIS 60W
Z1-AXIS 60W
R2-AXIS 60W
R3-AXIS 60W
N1-AXIS 30W
N2-AXIS 30W
N3-AXIS 30W
M11
M12
M13
M14
M15
XOT
XORG
CN18
CN19
CN16
CN17
CN18
CN19
OT
ORG
DO0
DO1
J0303
SQ301
N002D005
X1-AXIS ORIGIN
SQ302
N002D006
X1-AXIS OVER TRAVEL
CN15DI1
CN14DI0
CN14
R1ORG
R2ORG
R3ORG
SQ302
SQ303
SQ304
R1-AXIS ORG
R2-AXIS ORG
R3-AXIS ORG
N002D000
N002D001
N002D002
N1ORG
N2ORG
N3ORG
N1-AXIS ORG
N2-AXIS ORG
N3-AXIS ORG
N002D400
N002D401
N002D402
SQ305
SQ306
SQ307
CN21
CN21AD0
P41
VAC1 VACUUM SENSOR
HEAD1
VACUUM SENSOR
VACUUM SENSOR
VAC2
VAC3
P42
P43
HEAD2
HEAD3
HEAD1
HEAD2
HEAD3
HEAD1
HEAD2
HEAD3
PIN1
PIN2
PIN3
P44
P45
P46
FNC LOCK SENSOR
FNC LOCK SENSOR
FNC LOCK SENSOR
AC1
AC2
AC3
AIR DUMPER SENSOR
AIR DUMPER SENSOR
AIR DUMPER SENSOR
P47
P48
P49
YV302
YV303
YV301
YV341
YV342
YV343
VAC1
VAC2
VAC3
BLOW1
BLOW2
BLOW3
VACUUM HEAD1
VACUUM HEAD2
VACUUM HEAD3
BLOW HEAD1
BLOW HEAD2
BLOW HEAD3
T002C000
T002C001
T002C400
T002C002
T002C003
T002C403
AIR DUMPER HEAD1
AIR DUMPER HEAD2
AIR DUMPER HEAD3
FNC LOCK HEAD1
FNC LOCK HEAD2
FNC LOCK HEAD3
SHAFT BLOW
T002CC00
T002CC01
T002CC02
T002C402
T002C403
T002C404
T003C000
AC1
AC2
AC3
PIN1
PIN2
PIN3
SH BLOW
D.PRE1
D.PRE2
D.PRE3
YV361
YV362
YV363
YV371
YV372
YV373
YV381
YV391
YV392
YV393
DAMPER PRESSURE HEAD1
DAMPER PRESSURE HEAD2
DAMPER PRESSURE HEAD3
T002C800
T002C801
T002C802
CALIBRATION UNIT(OPTION)
CN23EV0
EV0
ETR1 REGULATOR
J0306
□42 MAX 2500rpm
□42 MAX 2500rpm
□42 MAX 2500rpm
□42 MAX 2500rpm
□42 MAX 2500rpm
□42 MAX 2500rpm
□35 MAX 2500rpm
□35 MAX 2500rpm
□35 MAX 2500rpm
S.V.LIGHT BRD. ASSY
FID.LIGHT BRD. ASSY
See Page 16
CC.V6
6
HEAD SERVO UNIT
YS88

Confidential & Proprietary
PAGE
CN8
CN4
POCL
+24V
L+24V
SQ701
CAPTURE1 LIGHT UPEND
N01009B0
CAPTURE1 LIGHT LOWEND
N01009B1
SQ702
MULTI CAM.SUB ASSY
FRONT DIGITAL MULTI CAMERA
CN28
CAM1
J0501
J0049
J0192
CN4
CN10LIGHT3
CN8CAM3
LIGHT2 CN9
CAM2 CN6
LIGHT1 CN7
LIGHT2See Page 2
CONTROL BOX
VISION BOARD
I/O CONVEYOR BOARD
See Page 5
CAM4
See Page 2
CONTROL BOX
VISION BOARD
CN36
I/O CONVEYOR BOARD
See Page 5
CN5 CAMOUT
DC24V
DC24VCN11
J0503
J0511
CAMOUT
LIGHT3
J0515
J0516
CAM1 CN4
CN5
COAX
S CAMERA HEAD
DIGITAL SINGLE CAMERA
LIGHT1
CAMERA SELECTOR
CN10LIGHT3
CN8CAM3
LIGHT2 CN9
CAM2 CN6
LIGHT1 CN7
LIGHT2
CAM4
See Page 2
CONTROL BOX
VISION BOARD
CN36
I/O CONVEYOR BOARD
See Page 5
CN5 CAMOUT
DC24V
DC24VCN11
J0503
J0511
CAMOUT
LIGHT3
J0515
J0516
CAM1 CN4
CN5
COAX
S CAMERA HEAD
LIGHT1
CAMERA SELECTOR
CN8 POCL
CN4 +24V
L+24V
MULTI CAM.SUB ASSY
DIGITAL SINGLE CAMERA
3D CO-PLANARITY CHECKER
J0509
J0512
J0509
J0512
J0508
I/O CONVEYOR BOARD
See Page 5
J0049
CN28
SINGLE CAMERA(OPTION)
3D CO-PLANARITY CHECKER + SINGLE CAMERA(OPTION)
CAM
CAM
S LIGHT COAX.ASSY
S LIGHT COAX.ASSY
CAM4
CAM3
J0508
J0507
CN8
CN4
POCL
+24V
L+24V
CAPTURE1 LIGHT UPEND
CAPTURE1 LIGHT LOWEND
N01009B2
N01009B3
SQ703
SQ704
MULTI CAM.SUB ASSY
REAR DIGITAL MULTI CAMERA(OPTION)
LDC1 UP
YV007
MULTI-CAM1 UP
T0100032
CN8
CN4
POCL
+24V
L+24V
MULTI CAM.SUB ASSY
3D CO-PLANARITY CHECKER(OPTION)
LDC2 UP MULTI-CAM2 UP
T0100033
YV008
J0222
CN24
LDC1 UP UP
LOW LOW
LDC2 UP UP
LOW LOW
CC.V6
7
CAMERA UNIT SEL.
YS88

Confidential & Proprietary
PAGE
J0181
J0245
J0230
J0244
FRONT LCD (STANDARD)
FRONT OPERATION SWITCHES
A12
MOUSE
A10
KEYBOARD
J0254
FRONT OPERATION SWITCHES
FRONT LCD TOUCH PANEL(OPTION)
J0240
J0181
J0245
J0244
J0234
LCD 1
J0252 LCD1
LCD1
DC12V IN
VGA SERIAL
A12
MOUSE
A10
KEYBOARD
J0256
RS232C F
RS232C F
J0230 J0254
VGA F
LCD1
VGA
LCD 1
VGA F
VGA
KEY
MOUSE
CN18
See Page 4
I/O CONVEYOR -2-
CN18
See Page 4
I/O CONVEYOR -2-
EXT.PWR
VGA
KEY
MOUSE
SERIAL1
CONTROL BOX
See Page 2
EXT.PWR
CONTROL BOX
See Page 2
J0252J0234 LCD1
DC12V IN
FRONT OPERATION SWITCHES
J0181
LCD 1LCD 2
FRONT & REAR LCD TOUCH PANEL (OPTION)
KB R
MS R
J0237
J0239
J0253
J0255
J0257
KB1
MS1
J0254
J0252
J0256
J0236
J0238
CRT2
KB2
MS2
RS2
EX
CRT1
KB1
MS1
RS1
RS PC CRT PC KB/MS PC
SWITCHER BOARD ASSY
REAR OPERATION SWITCHES
EX
J0242
KB2
MS2
RS2 RS1 J0240
KB F
RS232C F
MS F
RS232C R
KEY
CRT PC
CRT2 CRT1
CN18
See Page 4
I/O CONVEYOR -2-
J0232
J0233
J0234,J0235
EXT.PWR
KEY
VGA
J0231
SERIAL1
CONTROL BOX
See Page 2
J0182
See Page 4
I/O CONVEYOR -2-
CN20
J0222
CN24
I/O CONVEYOR -3-
See Page 5
MOUSE
A12
MS F
LCD 1
FRONT & REAR LCD(OPTION)
A11
KEYBOARD
A13
MOUSE
MS2
KB2 KEYBOARD
A10
KB F
J0239
MS1
KB1 J0238
J0236J0237J0255
LCD 2
KB R
MS R
J0254
EX
FRONT OPERATION SWITCHESREAR OPERATION SWITCHES
MS2
RS2
EX
CRT1
KB1
MS1
RS1
SWITCHER BOARD ASSY
CRT2
KB2
RS PC CRT PC KB/MS PC
KEY
CRT2 CRT1
J0182
See Page 4
CN20
I/O CONVEYOR -2-
CRT PC
P31
P31
J0252J0253
J0222
J0181
CN18
See Page 4
I/O CONVEYOR -2-
J0232
J0233
VGA
KEY
I/O CONVEYOR -3-
See Page 5
CN24
EXT.PWR
J0234,J0235
LCD2
VGA
REAR SIDE
VGA R
DC12V IN
LCD1
VGA
FRONT SIDE
VGA F
DC12V IN
LCD1LCD2
REAR SIDE
KEYBOARD
A11
MOUSE
A13
LCD2
DC12V IN
SERIAL VGA
RS232C R
VGA R
LCD2
FRONT SIDE
A10
KEYBOARD
A12
MOUSE
LCD1
DC12V IN
VGA SERIAL
RS232C F
VGA F
LCD1
See Page 2
CONTROL BOX
CC.V6
8
OPERATION PANEL SEL.
YS88