YS88_kjh_j - 第11页
Confidential & P roprietary P A G E J0181 J0245 J0230 J0244 FRONT LC D (STANDA RD) FRONT OPERATION SWITCH ES A12 MOUSE A10 KEYBOAR D J0254 FRONT OPERATION SWITCH ES FRONT LC D TOUCH PAN EL(OPTI ON) J0240 J0181 J0245 …

Confidential & Proprietary
PAGE
CN8
CN4
POCL
+24V
L+24V
SQ701
CAPTURE1 LIGHT UPEND
N01009B0
CAPTURE1 LIGHT LOWEND
N01009B1
SQ702
MULTI CAM.SUB ASSY
FRONT DIGITAL MULTI CAMERA
CN28
CAM1
J0501
J0049
J0192
CN4
CN10LIGHT3
CN8CAM3
LIGHT2 CN9
CAM2 CN6
LIGHT1 CN7
LIGHT2See Page 2
CONTROL BOX
VISION BOARD
I/O CONVEYOR BOARD
See Page 5
CAM4
See Page 2
CONTROL BOX
VISION BOARD
CN36
I/O CONVEYOR BOARD
See Page 5
CN5 CAMOUT
DC24V
DC24VCN11
J0503
J0511
CAMOUT
LIGHT3
J0515
J0516
CAM1 CN4
CN5
COAX
S CAMERA HEAD
DIGITAL SINGLE CAMERA
LIGHT1
CAMERA SELECTOR
CN10LIGHT3
CN8CAM3
LIGHT2 CN9
CAM2 CN6
LIGHT1 CN7
LIGHT2
CAM4
See Page 2
CONTROL BOX
VISION BOARD
CN36
I/O CONVEYOR BOARD
See Page 5
CN5 CAMOUT
DC24V
DC24VCN11
J0503
J0511
CAMOUT
LIGHT3
J0515
J0516
CAM1 CN4
CN5
COAX
S CAMERA HEAD
LIGHT1
CAMERA SELECTOR
CN8 POCL
CN4 +24V
L+24V
MULTI CAM.SUB ASSY
DIGITAL SINGLE CAMERA
3D CO-PLANARITY CHECKER
J0509
J0512
J0509
J0512
J0508
I/O CONVEYOR BOARD
See Page 5
J0049
CN28
SINGLE CAMERA(OPTION)
3D CO-PLANARITY CHECKER + SINGLE CAMERA(OPTION)
CAM
CAM
S LIGHT COAX.ASSY
S LIGHT COAX.ASSY
CAM4
CAM3
J0508
J0507
CN8
CN4
POCL
+24V
L+24V
CAPTURE1 LIGHT UPEND
CAPTURE1 LIGHT LOWEND
N01009B2
N01009B3
SQ703
SQ704
MULTI CAM.SUB ASSY
REAR DIGITAL MULTI CAMERA(OPTION)
LDC1 UP
YV007
MULTI-CAM1 UP
T0100032
CN8
CN4
POCL
+24V
L+24V
MULTI CAM.SUB ASSY
3D CO-PLANARITY CHECKER(OPTION)
LDC2 UP MULTI-CAM2 UP
T0100033
YV008
J0222
CN24
LDC1 UP UP
LOW LOW
LDC2 UP UP
LOW LOW
CC.V6
7
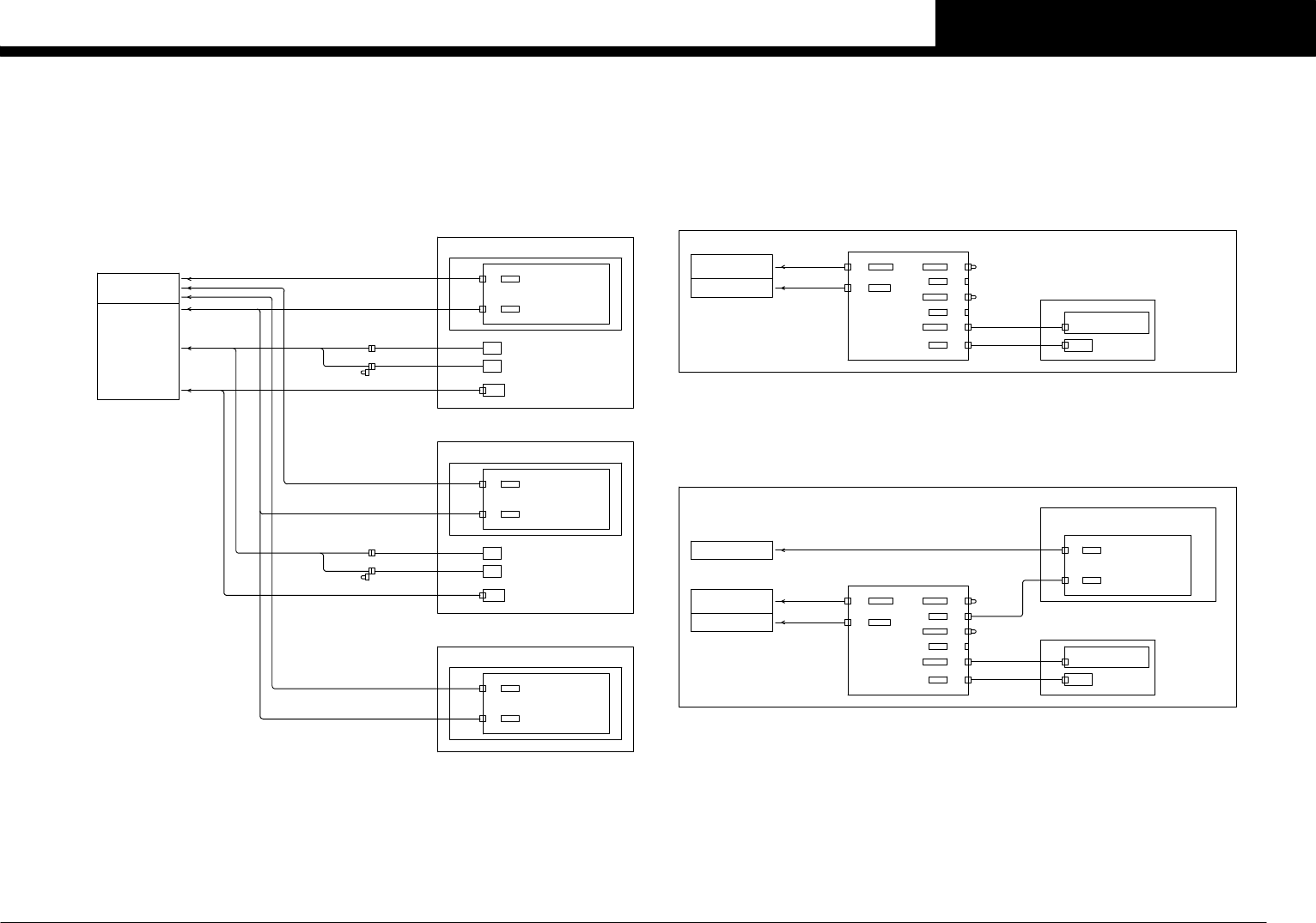
CAMERA UNIT SEL.
YS88

Confidential & Proprietary
PAGE
J0181
J0245
J0230
J0244
FRONT LCD (STANDARD)
FRONT OPERATION SWITCHES
A12
MOUSE
A10
KEYBOARD
J0254
FRONT OPERATION SWITCHES
FRONT LCD TOUCH PANEL(OPTION)
J0240
J0181
J0245
J0244
J0234
LCD 1
J0252 LCD1
LCD1
DC12V IN
VGA SERIAL
A12
MOUSE
A10
KEYBOARD
J0256
RS232C F
RS232C F
J0230 J0254
VGA F
LCD1
VGA
LCD 1
VGA F
VGA
KEY
MOUSE
CN18
See Page 4
I/O CONVEYOR -2-
CN18
See Page 4
I/O CONVEYOR -2-
EXT.PWR
VGA
KEY
MOUSE
SERIAL1
CONTROL BOX
See Page 2
EXT.PWR
CONTROL BOX
See Page 2
J0252J0234 LCD1
DC12V IN
FRONT OPERATION SWITCHES
J0181
LCD 1LCD 2
FRONT & REAR LCD TOUCH PANEL (OPTION)
KB R
MS R
J0237
J0239
J0253
J0255
J0257
KB1
MS1
J0254
J0252
J0256
J0236
J0238
CRT2
KB2
MS2
RS2
EX
CRT1
KB1
MS1
RS1
RS PC CRT PC KB/MS PC
SWITCHER BOARD ASSY
REAR OPERATION SWITCHES
EX
J0242
KB2
MS2
RS2 RS1 J0240
KB F
RS232C F
MS F
RS232C R
KEY
CRT PC
CRT2 CRT1
CN18
See Page 4
I/O CONVEYOR -2-
J0232
J0233
J0234,J0235
EXT.PWR
KEY
VGA
J0231
SERIAL1
CONTROL BOX
See Page 2
J0182
See Page 4
I/O CONVEYOR -2-
CN20
J0222
CN24
I/O CONVEYOR -3-
See Page 5
MOUSE
A12
MS F
LCD 1
FRONT & REAR LCD(OPTION)
A11
KEYBOARD
A13
MOUSE
MS2
KB2 KEYBOARD
A10
KB F
J0239
MS1
KB1 J0238
J0236J0237J0255
LCD 2
KB R
MS R
J0254
EX
FRONT OPERATION SWITCHESREAR OPERATION SWITCHES
MS2
RS2
EX
CRT1
KB1
MS1
RS1
SWITCHER BOARD ASSY
CRT2
KB2
RS PC CRT PC KB/MS PC
KEY
CRT2 CRT1
J0182
See Page 4
CN20
I/O CONVEYOR -2-
CRT PC
P31
P31
J0252J0253
J0222
J0181
CN18
See Page 4
I/O CONVEYOR -2-
J0232
J0233
VGA
KEY
I/O CONVEYOR -3-
See Page 5
CN24
EXT.PWR
J0234,J0235
LCD2
VGA
REAR SIDE
VGA R
DC12V IN
LCD1
VGA
FRONT SIDE
VGA F
DC12V IN
LCD1LCD2
REAR SIDE
KEYBOARD
A11
MOUSE
A13
LCD2
DC12V IN
SERIAL VGA
RS232C R
VGA R
LCD2
FRONT SIDE
A10
KEYBOARD
A12
MOUSE
LCD1
DC12V IN
VGA SERIAL
RS232C F
VGA F
LCD1
See Page 2
CONTROL BOX
CC.V6
8
OPERATION PANEL SEL.
YS88

Confidential & Proprietary
PAGE
FDR DO2
FDR DI1CN38 DI
FDR DO1
FDR DO0CN37 DO
・・・
CN38
CN37
・QFP recovery conveyor
・High-speed stack stick feeders
・High-speed stick feeders
・Multi-stick feeders
・Bulk cassette feeders
DIP SW(S1)
OFF
ON
J0109
CN36 R2
CN33 R2
J1091
J1092
J1093
J0800
J0804
CN36
CN40
CN33
I/O B
I/O C
CONTROL BOX
See Page 2
J0111
J0110
FDR DO2
FDR DI1
FDR DO1
FDR DO0 J0801
J0797
DIP SW(S1)
CN37
CN38
CN37 DO
CN38 DI
J1001
J1002
J1003
・・・
CN33 F1
CN40 F1
CN36 F1
OFF
ON
・Bulk cassette feeders
・Multi-stick feeders
・High-speed stick feeders
・High-speed stack stick feeders
・QFP recovery conveyor
CN33
CN40
CN36
CN36 R1
FDR DO2
FDR DI1CN38 DI
FDR DO1
FDR DO0CN37 DO
・・・
CN38
CN37
・QFP recovery conveyor
・High-speed stack stick feeders
・High-speed stick feeders
・Multi-stick feeders
・Bulk cassette feeders
DIP SW(S1)
OFF
ON
CN36
CN40
CN33
CN40 R1
CN33 R1
J1061
J1062
J1063
J0799
J0803
FDR DO2
FDR DI1
FDR DO1
FDR DO0
CN37
CN38
CN37 DO
CN38 DI
・・・
J0108
CN33 F2
CN36 F2
J0802
J0798
J1031
J1032
J1033
・Bulk cassette feeders
・Multi-stick feeders
・High-speed stick feeders
・High-speed stack stick feeders
・QFP recovery conveyor
DIP SW(S1)
OFF
ON CN33
CN40
CN36
FDR CTRL BOARD ASSY P106 FDR CTRL BOARD ASSY P105
FDR CTRL BOARD ASSY P104FDR CTRL BOARD ASSY P103
CN1
CN2
CN3
CN24
J1024
I/O B
J0113
J1054
CN24
CN1
CN2
CN3
・24 SS feeders ・24 SS feeders
FIX24 FRONT-2 FEEDER
J1084
・24 SS feeders
CN3
CN2
CN1
CN24
J0106
FIX24 FRONT-1 FEEDER
FIX24 REAR-1 FEEDER
・24 SS feeders
J1114
CN24
CN3
CN2
CN1
FIX24 REAR-2 FEEDER
I/O C
J0107J0114
INTERFACE BOARD I/O C
INTERFACE BOARD I/O B
CN30
CN31
CN38
CN37
J0757
J0756
J0105
J0104
J0755
J0754
FDR PWR F2
FDR PWR F1
FDR PWR R1
FDR PWR R2
J0773
J0774
J0772
J0771
I/O CONVEYOR BOARD
See Page 5
I/O CONVEYOR BOARD
See Page 5
CC.V6
9
FIX24 FEEDER STRUCTURE
YS88