YS88_kjh_j - 第24页
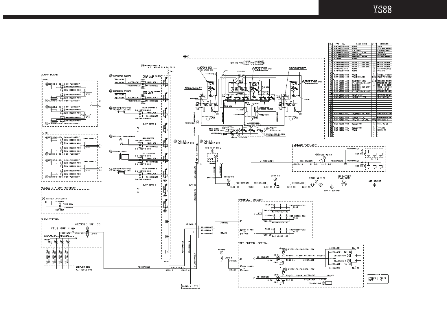
P AGE 21 Condential & Proprietary Y S 8 8 H 0 1 2 4 1 9 Air circuit (YS88)

PAGE
20
Condential & Proprietary
YS88
H 0 1 2 4 1 9
Air circuit (YS88)

PAGE
21
Condential & Proprietary
YS88
H 0 1 2 4 1 9
Air circuit (YS88)

Wiring parts list
KJH2010
PAGE
22
Condential & Proprietary
No Part No. Part Name Q'ty Remarks No Part No. Part Name Q'ty Remarks
1 KGA-M55G0-106 LAN CABLE 10M 1 10M 39 KMM-M4899-400 SIG.TOWER ASSY 1 HL11
2 KHY-M66RL-030 HNS,FDR DI FES 1 12P 24 40 KMM-M4899-500 SIG.TOWER ASSY 1 HL11
3 KJJ-M66RL-210 HNS,FDR DI FES 1 12P 32 41 KMM-M4899-600 SIG.TOWER ASSY 1 HL11
4 KHY-M66RL-120 HNS,FDR DI FIX 1 12P 42 KMM-M4899-700 SIG.TOWER ASSY 1 HL11
5 KGA-M66X3-021 HNS,RS232C-BCR-F 1 1500MM J876 43 KMM-M4899-800 SIG.TOWER ASSY 1 HL11
6 KJJ-M66RL-110 HNS,FDR DI FIX 1 16P 24 44 KMM-M4899-900 SIG.TOWER ASSY 1 HL11
7 KJJ-M66RL-010 HNS,FDR DI FES 1 16P 24 45 KMM-M4899-A00 SIG.TOWER ASSY 1 HL11
8 KGA-M66X3-121 HNS,RS232C-BCR-R 1 2700MM J877 46 KMM-M4899-B00 SIG.TOWER ASSY 1 HL11
9 KGA-M55G0-406 LAN CABLE 30M 1 30M 47 KGS-M4896-011 ERROR LIGHT ASSY 2 HL12,HL13
10 KHY-M4476-168 FDR.CTRL.BOARD ASSY 1 32 48 KGS-M4897-011 LIGHT,ERROR 1 HL12,HL13
11 KHY-M4476-B00 FDR.CTRL.BOARD SET 1 32 49 KHG-M4896-011 ERROR LIGHT ASSY 2 HL12,HL13
12 KGA-M55G0-006 LAN CABLE 5M 1 5M 50 KHG-M4897-011 LIGHT,ERROR 1 HL12,HL13
13 KW3-M5150-501 KEYBOARD J 2 A10(F),A11(R) 51 KJJ-M661A-003 HNS,XB11-QS11 1 J0001
14 KW3-M5150-601 KEYBOARD E 2 A10(F),A11(R) 52 KJ3-M662A-001 HNS,AC IN 1 1 J0001
15 KW3-M5169-043 MOUSE 2 A12(F),A13(R) 53 KHJ-M661B-020 HNS,AC IN 2 1 J0002
16 KHN-M8302-000 IONIZER 2 A21,A22 54 KJJ-M661L-003 HNS,QF11-TM11 1 J0003
17 KW3-M5150-601 KEYBOARD E 1 A31 55 KHJ-M662E-000 HNS,AC IN 3 1 J0003
18 KW3-M5150-501 KEYBOARD J 1 A31 56 KHJ-M664C-000 HNS,AC IN 3 1 J0003
19 KGA-M55B2-020 BCR,SYMBOL TYPE 5M 1 A43/A44
57 KHY-M661E-000 HNS,TM11-QF31 1 J0004
20 KJ3-M661A-001 HNS,AC IN 1 1 AC J0001 58 KHJ-M662G-000 HNS,DC24V POWER 1 J0004
21 KW6-M654F-000 SENSOR(ZC130A) 1 ANC CLOSE 59 KHJ-M662N-000 HNS,BOARD.POWER 1 J0004
22 KW6-M654F-000 SENSOR(ZC130A) 1 ANC OPEN 60 KHY-M661F-010 HNS,QF31-NF11.GS31 1 J0005
23 KHV-M445E-000 CAP1,2200UF 100V 1 C01 61 KHJ-M662K-000 HNS,QF21 QF22-KA01 1 J0005
24 KHW-M6185-001 FAN MOTOR ASSY 3 FAN1,FAN2,FAN3 62 KHJ-M664A-000 HNS,C.SEL - FEEDER 1 J0005
25 KHJ-M6561-100 POWER SUPPLY 1 1 GS11 63 KHY-M661G-000 HNS,NF11-KM11 1 J0006
26 KHN-M6561-000 POWER SUPPLY 1 1 GS21 64 KHJ-M662J-010 HNS,KA01 SIGNAL 1 J0006
27 KHY-M6561-C00 POWER SUPPLY 1 ASSY 1 GS21 65 KHY-M66TE-003 HNS,F.CTRL - FDR 1 J0006
28 KV7-M6561-010 POWER SUPPLY1 1 GS21 66 KHY-M661H-001 HNS,C/R AC230V 1 J0007
29 KHY-M6561-A00 POWER SUPPLY 1 ASSY 1 GS22 67 KHJ-M662L-000 HNS,CART POWER 1 J0007
30 KHY-M6561-B00 POWER SUPPLY 1 ASSY 1 GS31 68 KHJ-M66K2-000 HNS,CAM.FID1 1 J0007
31 KGS-M6561-000 POWER SUPPLY 1 1 GS31 69 KHJ-M66KA-000 HNS,FID LIGHT 1 J0008
32 KJJ-M6186-001 FAN MOTOR ASSY 1 HEAD FAN1 70 KHJ-M662B-000 HNS,LAMP 2 J0008,J0009(HL01,HL02)
33 KGS-M4187-000 FAN GUARD 40MM 2 HEAD FAN1,2 71 KHY-M661M-000 HNS,C/R AC100V 1 J0009
34 KJJ-M6186-101 FAN MOTOR ASSY 1 HEAD FAN2 72 KHJ-M66K1-000 HNS,CAM.PC-C.SEL 1 J0009
35 KMM-M4899-000 SIG.TOWER ASSY 1 HL11 73 KHJ-M536A-300 HNS,EARTH 1 J0010
36 KMM-M4899-100 SIG.TOWER ASSY 1 HL11 74 KHN-M661M-401 HNS,TAP CHANGE 1 10 J0010-J0019
37 KMM-M4899-200 SIG.TOWER ASSY 1 HL11 75 KHJ-M536A-200 HNS,EARTH 1 J0011
38 KMM-M4899-300 SIG.TOWER ASSY 1 HL11 76 KHJ-M536A-100 HNS,EARTH 1 J0012