YS88_kjh_j - 第25页
W iring parts list KJH2010 P AGE 22 Condential & Proprietary No Part No. Part Name Q'ty Remarks No Part No. Part Name Q'ty Remarks 1 KGA-M55G0-106 LAN CABLE 10M 1 10M 39 KMM-M4899-400 SIG.TOWER ASSY 1 HL11…

PAGE
21
Condential & Proprietary
YS88
H 0 1 2 4 1 9
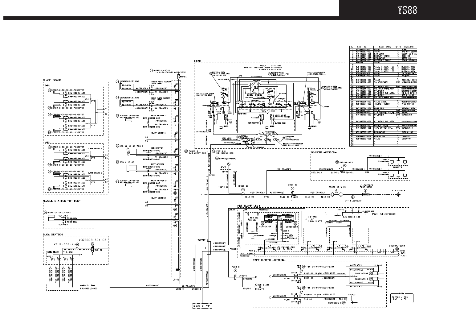
Air circuit (YS88)

Wiring parts list
KJH2010
PAGE
22
Condential & Proprietary
No Part No. Part Name Q'ty Remarks No Part No. Part Name Q'ty Remarks
1 KGA-M55G0-106 LAN CABLE 10M 1 10M 39 KMM-M4899-400 SIG.TOWER ASSY 1 HL11
2 KHY-M66RL-030 HNS,FDR DI FES 1 12P 24 40 KMM-M4899-500 SIG.TOWER ASSY 1 HL11
3 KJJ-M66RL-210 HNS,FDR DI FES 1 12P 32 41 KMM-M4899-600 SIG.TOWER ASSY 1 HL11
4 KHY-M66RL-120 HNS,FDR DI FIX 1 12P 42 KMM-M4899-700 SIG.TOWER ASSY 1 HL11
5 KGA-M66X3-021 HNS,RS232C-BCR-F 1 1500MM J876 43 KMM-M4899-800 SIG.TOWER ASSY 1 HL11
6 KJJ-M66RL-110 HNS,FDR DI FIX 1 16P 24 44 KMM-M4899-900 SIG.TOWER ASSY 1 HL11
7 KJJ-M66RL-010 HNS,FDR DI FES 1 16P 24 45 KMM-M4899-A00 SIG.TOWER ASSY 1 HL11
8 KGA-M66X3-121 HNS,RS232C-BCR-R 1 2700MM J877 46 KMM-M4899-B00 SIG.TOWER ASSY 1 HL11
9 KGA-M55G0-406 LAN CABLE 30M 1 30M 47 KGS-M4896-011 ERROR LIGHT ASSY 2 HL12,HL13
10 KHY-M4476-168 FDR.CTRL.BOARD ASSY 1 32 48 KGS-M4897-011 LIGHT,ERROR 1 HL12,HL13
11 KHY-M4476-B00 FDR.CTRL.BOARD SET 1 32 49 KHG-M4896-011 ERROR LIGHT ASSY 2 HL12,HL13
12 KGA-M55G0-006 LAN CABLE 5M 1 5M 50 KHG-M4897-011 LIGHT,ERROR 1 HL12,HL13
13 KW3-M5150-501 KEYBOARD J 2 A10(F),A11(R) 51 KJJ-M661A-003 HNS,XB11-QS11 1 J0001
14 KW3-M5150-601 KEYBOARD E 2 A10(F),A11(R) 52 KJ3-M662A-001 HNS,AC IN 1 1 J0001
15 KW3-M5169-043 MOUSE 2 A12(F),A13(R) 53 KHJ-M661B-020 HNS,AC IN 2 1 J0002
16 KHN-M8302-000 IONIZER 2 A21,A22 54 KJJ-M661L-003 HNS,QF11-TM11 1 J0003
17 KW3-M5150-601 KEYBOARD E 1 A31 55 KHJ-M662E-000 HNS,AC IN 3 1 J0003
18 KW3-M5150-501 KEYBOARD J 1 A31 56 KHJ-M664C-000 HNS,AC IN 3 1 J0003
19 KGA-M55B2-020 BCR,SYMBOL TYPE 5M 1 A43/A44
57 KHY-M661E-000 HNS,TM11-QF31 1 J0004
20 KJ3-M661A-001 HNS,AC IN 1 1 AC J0001 58 KHJ-M662G-000 HNS,DC24V POWER 1 J0004
21 KW6-M654F-000 SENSOR(ZC130A) 1 ANC CLOSE 59 KHJ-M662N-000 HNS,BOARD.POWER 1 J0004
22 KW6-M654F-000 SENSOR(ZC130A) 1 ANC OPEN 60 KHY-M661F-010 HNS,QF31-NF11.GS31 1 J0005
23 KHV-M445E-000 CAP1,2200UF 100V 1 C01 61 KHJ-M662K-000 HNS,QF21 QF22-KA01 1 J0005
24 KHW-M6185-001 FAN MOTOR ASSY 3 FAN1,FAN2,FAN3 62 KHJ-M664A-000 HNS,C.SEL - FEEDER 1 J0005
25 KHJ-M6561-100 POWER SUPPLY 1 1 GS11 63 KHY-M661G-000 HNS,NF11-KM11 1 J0006
26 KHN-M6561-000 POWER SUPPLY 1 1 GS21 64 KHJ-M662J-010 HNS,KA01 SIGNAL 1 J0006
27 KHY-M6561-C00 POWER SUPPLY 1 ASSY 1 GS21 65 KHY-M66TE-003 HNS,F.CTRL - FDR 1 J0006
28 KV7-M6561-010 POWER SUPPLY1 1 GS21 66 KHY-M661H-001 HNS,C/R AC230V 1 J0007
29 KHY-M6561-A00 POWER SUPPLY 1 ASSY 1 GS22 67 KHJ-M662L-000 HNS,CART POWER 1 J0007
30 KHY-M6561-B00 POWER SUPPLY 1 ASSY 1 GS31 68 KHJ-M66K2-000 HNS,CAM.FID1 1 J0007
31 KGS-M6561-000 POWER SUPPLY 1 1 GS31 69 KHJ-M66KA-000 HNS,FID LIGHT 1 J0008
32 KJJ-M6186-001 FAN MOTOR ASSY 1 HEAD FAN1 70 KHJ-M662B-000 HNS,LAMP 2 J0008,J0009(HL01,HL02)
33 KGS-M4187-000 FAN GUARD 40MM 2 HEAD FAN1,2 71 KHY-M661M-000 HNS,C/R AC100V 1 J0009
34 KJJ-M6186-101 FAN MOTOR ASSY 1 HEAD FAN2 72 KHJ-M66K1-000 HNS,CAM.PC-C.SEL 1 J0009
35 KMM-M4899-000 SIG.TOWER ASSY 1 HL11 73 KHJ-M536A-300 HNS,EARTH 1 J0010
36 KMM-M4899-100 SIG.TOWER ASSY 1 HL11 74 KHN-M661M-401 HNS,TAP CHANGE 1 10 J0010-J0019
37 KMM-M4899-200 SIG.TOWER ASSY 1 HL11 75 KHJ-M536A-200 HNS,EARTH 1 J0011
38 KMM-M4899-300 SIG.TOWER ASSY 1 HL11 76 KHJ-M536A-100 HNS,EARTH 1 J0012

Wiring parts list
KJH2010
PAGE
23
Condential & Proprietary
No Part No. Part Name Q'ty Remarks No Part No. Part Name Q'ty Remarks
77 KHJ-M536A-000 HNS,EARTH 1 J0013 115 KJJ-M66RB-001 HNS,FEEDER F1 CMN 1 J0104
78 KLF-M66RA-000 HNS,EXT.CART POWER 1 J0015 116 KJJ-M66RB-101 HNS,FEEDER R1 CMN 1 J0105
79 KHN-M661M-501 HNS,TAP CHANGE 2 1 J0020 117 KJJ-M66RB-201 HNS,FEEDER CMN 2 1 J0106
80 KHY-M662A-011 HNS,TC11-QF21 XT21 1 J0021 118 KJJ-M66RF-201 HNS,FEEDER COM 2 1 J0106,J0107
81 KHY-M662E-011 HNS,QF21 XT21-GS21 1 J0023 119 KJJ-M66RB-201 HNS,FEEDER CMN 2 1 J0107
82 KGA-M662M-001 HNS,U10 JUMPER 1 J0026 120 KHY-M66X9-001 HNS,TERMINATION 1 J0108
83 KHY-M662F-101 HNS,TM11-TC11 1 J0027 121 KHY-M66RG-002 HNS,TERMINATION 1 J0108,J0109
84 KHY-M663R-002 HNS,C/R EXT.POWER 1 J0028 122 KHY-M66RG-002 HNS,TERMINATION 1 J0109
85 KHW-M66M4-000 HNS,V10 JUMPER 1 J0030 123 KHY-M66X9-001 HNS,TERMINATION 1 J0109
86 KHY-M662E-101 HNS,QF41 XT21-GS22 1 J0031 124 KHY-M66RF-001 HNS,FEEDER I/O 1 J0110,J0111
87 KJJ-M663E-001 HNS,I/O HEAD DC24V 1 J0042 125 KHY-M66RF-001 HNS,FEEDER I/O 1 J0111
88 KHY-M663F-001 HNS,Y-FLEX H.PWR EMG 1 J0043 126 KJJ-M66RF-301 HNS,FEEDER COM 2 1 J0113,J0114
89 KHY-M663G-001 HNS,X-FLEX H.PWR EMG 1 J0044 127 KG2-M669R-113 HNS,BUZZER 1 J0119
90 KHY-M66RH-001 HNS, FDR ST.PWR 1 J0045 128 KGK-M6680-201 HNS,USB-MEMORY 2M AS 1 J0120
91 KJJ-M663J-012 HNS,I/O CONV.PWR 1 J0046 129 KHY-M66A1-001 HNS,HEAD SRVB 1 J0121
92 KJJ-M663K-011 HNS,CONV PWR 1 J0047 130 KHY-M66A2-000 HNS,Y-FLEX SRV 1 J0122
93 KJJ-M66GF-002 HNS,FAN 1 J0048 131 KJJ-M66A3-000 HNS,X-FLEX SRV 1 J0123
94 KJJ-M663M-000 HNS,MULTI CAM.DC24V 1 J0049 132 KJJ-M66A4-000 HNS,PI1 1 J0124
95 KJJ-M664A-000 HNS,GS31-KM12 XT31 1 J0052
133 KHY-M66A5-001 HNS,PI2 1 J0125
96 KJH-M664F-000 HNS,KM12 +48V 1 J0055 134 KHW-M66A6-001 HNS,BASE X1P 1 J0126
97 KJJ-M665A-002 HNS,BRAKE SRV2 1 J0061 135 KGS-M66A7-000 HNS,Y-FLEX X1P 1 J0127
98 KJJ-M665F-000 HNS,CONV.DRIVER 1 J0062 136 KHW-M66A8-001 HNS,BASE W1P 1 J0128
99 KHW-M665E-000 HNS,CONV. MOTOR 1 J0064 137 KHW-M66A9-001 HNS,BASE PUP 1 J0129
100 KJJ-M665B-001 HNS,BRAKE SRV1 1 J0066 138 KHY-M66AA-001 HNS,BASE Y1P 1 J0130
101 90K30-9PR035 HNS,EARTH 2 J0069,J0070 139 KHY-M66AE-001 HNS,BASE Y2P 1 J0131
102 90K30-2KL070 HNS,EARTH 1 J0071 140 KHW-M66A9-001 HNS,BASE PUP 1 J0132
103 90K30-5PP180 HNS,EARTH 1 J0072 141 KJJ-M66A0-000 HNS,I/F SRVA 1 J0135
104 90K30-5PP130 HNS,EARTH 1 J0073 142 KKX-M66C2-001 HNS,SRV CR 2 J0136,J0137
105 90K30-9PR070 HNS,EARTH 3 J0075-J0077 143 KJJ-M66E1-000 HNS,MO1 1 J0141
106 90K30-2PR020 HNS,EARTH 1 J0078 144 KJJ-M66E2-000 HNS,MO2 1 J0142
107 90K30-2PR080 HNS,EARTH 1 J0080 145 KJJ-M66E3-001 HNS,Y-FLEX X1M 1 J0143
108 90K30-4PP090 HNS,EARTH 1 J0081 146 KJJ-M66E4-000 HNS,BASE PU2M 1 J0144
109 90K30-2PR060 HNS,EARTH 2 J0082-J0087 147 KJJ-M66F1-000 HNS,C/R GOOD 1 J0161
110 90K30-2RR050 HNS,EARTH 3 J0091,J0092 148 KJJ-M66F1-100 HNS,C/R GOOD ATS 1 J0161
111 KJJ-M536A-000 HNS,PE 600 1 J0097 149 KJJ-M66F1-200 HNS,C/R GOOD YTF 1 J0161
112 90K30-2PP035 HNS,EARTH 1 J0099 150 KJJ-M66F2-000 HNS,HEAD C/R EMG 1 J0162
113 KHY-M668A-000 HNS,I/O CMN 1 J0101 151 KJJ-M66F3-000 HNS,EMG 1 J0163
114 KJJ-M668F-001 HNS,I/O CONV CMN 1 J0102 152 KHY-M66F4-015 HNS,CONTACTOR 1 1 J0164