YS88_kjh_j - 第6页
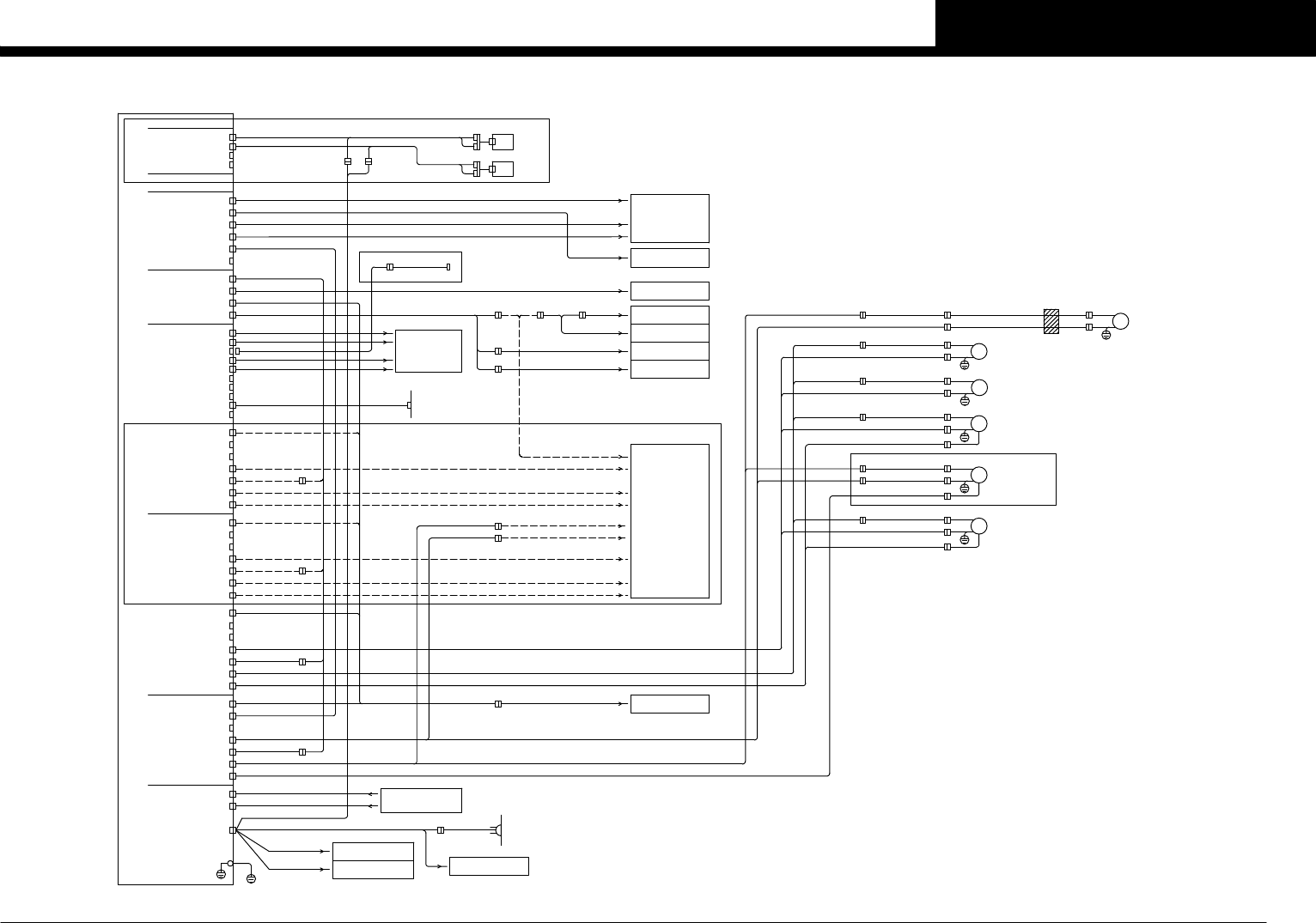
Confidential & P roprietary P A G E CN1 CN1 J0 046 CN3 CN3 J0 775 CN4 CN2 CN2 3 5 6 ON OFF 1 2 DIP SW(S1) 4 3 5 6 ON OFF 1 2 DIP SW(S1) 4 J0226 CUT COVER J0228 R2 SW DO R2 SW DI J0780 SW DI SW DI SW DO SW DO SB24 R2 …

Confidential & Proprietary
PAGE
EXT POWER
EXT.PWR
J0751
J0028
J0891
UPS
(OPTION)
POWER CIRCUIT
J0234,J0235 POWER CIRCUIT
CN27
See Page 5
I/O CONVEYOR BOARD
AIR REGULATOR PANEL
HA01
WIN BUZZER
BUZZER
J0119
AC100V
AC100V
J0007
J0009
AC100V
POWER CIRCUIT
PE
J0071
SRV2 GOOD
MO2
PI2
SRV2 BRAKE
TRG1
TRG2
SRV CMN
ENC
BRAKE
GOOD
MO(Y1,Y2,PU1,W1)
(Y1,Y2,PU1,W1)
GOOD
TRG1
TRG2
MO
SRV CMN
ENC
BRAKE
SRV1 GOOD
MO1
PI1
SERVO2
SERVO1
J0061
J0142
J0125
J0141
J0124
MO2
PI2
SRV2 BRAKE
TRG1
TRG2
SRV CMN
ENC
BRAKE
GOOD
MO
PI2
SRV2 BRAKE
TRG1
TRG2
SRV CMN
ENC
BRAKE
GOOD
MO
CAM1(HALF)
CAM2(FULL)
CAM3(HALF)
CAM4(FULL)
TRG1
TRG2
SRVA
SRVB
GOOD
I/O
V1 TRG1
I/F SRVB
I/F GOOD
IF1 I/O
VGA
VISION
INTERFACE
SYSTEM
J0501
J0502
J0507
J0530
J0135
J0121
J0101
V1CAM2
I/F1 SRVA
I/O CONVEYOR BOARD
See Page 3
J0102
I/O A
CN5
See Page 7
(OPTION)
MULTI CAMERA UNIT SEL.
SERIAL1
SERIAL1
SERIAL2
KEY
KEY
MOUSE
MOUSE
USB1
USB2
USB3
USB4
USB4 J0120
LAN
E.COM BOARD
READER
BARCODE
FRONTSYM1
SYM2
J0892
J0893
SI04
SI03
SI02
SI01
A43
BCR-F SYM
READER
BARCODE
REAR
A44
BCR-R SYM
DC5V
+5V
DC5V
+5V
IT OPTION(OPTION)
SERVO3
SERVO4
SRV4 GOOD
MO4
SRV4
SRV4
SRV1
J0136
J0137
SRV2
SRV3
SRV1
SRV2
SRV3
*sATS,dYTF
*dYTF
SRV3 GOOD
CN14
(DZ2,DY2,DS2,DX2)
(DZ2,DY2,DS2,DX2)
(DZ1/AZ1,DY1/AH1,DS1,DX1)
(DZ1/AZ1,DY1/AH1,DS1,DX1)
S1 TRG1
SRV1 BRAKE J0066
(X1,PU2,LW1,-)
(X1,PU2,LW1,-)
J0161 J0162
CN12
I/O CONVEYOR BOARD
See Page 3
sATS,dYTF(OPTION)
USB4
USB MEMORY
J0104
J0105
See Page 6
CAM SEL BOARD
I/O AI/O A
I/O B
I/O C
LW1P
LW1M
C/R GOOD
OPERATION PANEL SEL
See Page 8
M02
M03
Y1P
Y1M
Y2P
Y2M
Y2P
Y1P
J0131
J0130
Y1-AXIS 1KW
Y2-AXIS 1KW
M04
PU1P
PU1M
PU1 BK
PU1P
J0129
PU1-AXIS 200W
□54 MAX 1500rpm
□86 MAX 4500rpm
□86 MAX 4500rpm
□42 MAX 500rpm
W1P
W1M
W1 BK
W1P
J0128
M06
W1-AXIS 100W
M05
PU2-AXIS 200W
□54 MAX 1500rpm
PU2P
PU2M
PU2 BK
PU2P
J0132
PU2M
J0144
W-PU(OPTION)
X1M
X1P
J0126
X1P
M01
X-AXIS 750W
DUCT Y
FLEXIBLE
X1M
X1P
J0143
J0127
□86 MAX 4500rpm
sATS,dYTF(OPTION)
See sATS,dYTF
INTERCONNECTION DIAGRAM
J0503 or J0508
SS FEEDER F1&F2
SS FEEDER R1&R2
AC220V
SRVB1
SRVB2
I/O HEAD BOARD
See Page 6
AC220V
AC220V
See Page 9-13
See Page 9-12
See Page 16
See Page 16
See Page 16
S/M
PC
CABLE HOST(OPTION)
S/M
VGA CALIBRATION UNIT(OPTION)
See Page 3
J0886
CONTROL BOX ASSY A1
LCD PWR
DC12V
CC.V6
2
CONTROL BOX
YS88

Confidential & Proprietary
PAGE
CN1
CN1 J0046
CN3
CN3 J0775
CN4
CN2
CN2
3 5 6
ON
OFF
1 2
DIP SW(S1)
43 5 6
ON
OFF
1 2
DIP SW(S1)
4
J0226
CUT COVER
J0228
R2 SW DO
R2 SW DI J0780
SW DI
SW DI
SW DO
SW DO
SB24
R2 FDR SW
N01009D1/T0100091
DC24V IN
CUT COVER
TAPE CUTTER(OPTION)
J0227
OPEN/CLOSE
FRONT TAPE CUTTER
T0100080/T0100081
SQ103
FRONT TAPE CUTTER COVER SWITCH
SQ104
REAR TAPE CUTTER COVER SWITCH
REAR TAPE CUTTER
OPEN/CLOSE
T0100082/T0100083
YV045
F.CUTTER
YV046
R.CUTTER
J0779
R1 SW DO
R1 SW DI
N01009D0/T0100090
R1 FDR SW
SB23
I/O CONVEYOR BOARD ASSY P025
CN4 J0192
See Page 7
CAMERA UNIT SEL.
※In I/O CONVEYOR BOARD
since KJJ-M4580-031,
there is no DIP SW.
DI20,DO8
DI21,DO9
DI19
CN14
CN14 J0102
See Page 2
COM
CN5DI11
I/O A INTERFACE BOARD
CONTROL BOX
CN6DI2
GS21
QF23
QF24
POWER CIRCUIT
See Page 16
FES24,32 FEEDER STRUCTURE(OPTION)
CN5 J0197
CN7
CN8
CN9
CN10
J0314
J0315
J0316
J0317
NOZZLE7
NOZZLE6
NOZZLE1
NOZZLE2
NOZZLE3
NOZZLE4
NOZZLE5
NOZZLE1 /N0100940
NOZZLE8
NOZZLE2 /N0100941
NOZZLE3 /N0100942
NOZZLE4 /N0100943
NOZZLE5 /N0100944
NOZZLE6 /N0100945
NOZZLE7 /N0100946
NOZZLE8 /N0100947
SENSOR AMP
SQ071
SENSOR AMP
SENSOR AMP
SENSOR AMP
SENSOR AMP
SQ072
SQ073
SQ074
SQ075
ANC UNIT(OPTION)
ANC OPEN
ANC CLOSE
SQ061
NOZZLE STATION OPEN
N0100930
NOZZLE STATION CLOSE
N0100931
SQ062
YV022
NOZZLE STATION RELEASE
T01000C0
ANC OPENJ0196I/O CONVEYOR BOARD
See Page 5
CN23
FIBER SENSOR
CN13
CN13 J0164
CONTROL BOX
POWER CIRCUIT
NF11
POWER CIRCUIT
KM10
CH2 CH1
K1K2
AC
DC
LOGIC
A1
A2
T11
T12
T22
T31
T32
A2 0V24
T11 EMG0
T12 EMG22
T22 EMG22
T31
T32
13
23
33
13 +24V
23 +24V
33 +24V34
24
1414
24 +24E
34 +24B
S10
U52
V52
W52
A1 A2 0V24
U54
V54
W54
J0165
CONTACTOR
4142
1121 T32B 1122 T32A
C/V MOTOR DRIVER
POWER CIRCUITPOWER CIRCUIT
GS21
1153 +24B
CONV+24V
1154+24C
CONV+24E
A2 0V24A1
1221 T32A 1222 T32
13
A1
53
73
83
21
63
1/L1
3/L2
5/L3
A2
14
2/T1
4/T2
6/T3
22
54
64
74
84
KM11/KM11A
1233 +24C 1234 SRV ON
A1+24V
See Page 16 See Page 16
See Page 16See Page 16
CN12
CN12 J0162
EMG1
Y1OT
Y1ORG
HEAD EMG
HEAD
See Page 6
CONTROL BOX
See Page 2
C/R GOOD
CN11
CN11 J0163
EMG2
J0168COVERF COVER FRONT COVER SW
SQ101
COVER DO1
COVER DO2
F.COVER DO1
F.COVER DO2
EMGF1 EMG J0166
FRONT SIDE
J0169R COVER COVER REAR COVER SW
SQ102
COVER DO1
COVER DO2
R.COVER DO1
R.COVER DO2
EMGR1 EMG J167
REAR SIDE
F1 FDR EMG
F2 FDR EMG
R1 FDR EMG
R2 FDR EMG
J0767
See Page 5
UP/DOWN DO
FRONT FES VALVE
R1 EMG SW
SB32
F1 EMG SW
SB31
sATS,dYTF EMG
See sATS,dYTF
INTERCONNECTION DIAGRAM
TF EMG
COVERF COVER
EMGF1 EMG
J0168 FRONT COVER SW
SQ101
J0166
FRONT SIDE
F1 EMG SW
SB31
J0163
I/O CONVEYOR BOARD CN11
R COVER COVER
EMGR1 EMG
J0169 REAR COVER SW
SQ102
J0167
REAR SIDE
R1 EMG SW
SB32
sATS,dYTF EMG
See sATS,dYTF
INTERCONNECTION DIAGRAM
TF EMG
F1 FDR EMG
FDR EMG
F2 FDR EMG
FDR EMG
R1 FDR EMG
FDR EMG
R2 FDR EMG
FDR EMG
J0174
J0175
J0176
J0177
FES24,32 specification FIX24,32 specification
FES24,32 FEEDER STRUCTURE
See Page 11,12
CN10
CN9
CN8
CN7DI12
DI13
DI14
DI15
CALIB STATION ASSY
CALIB
J0887
CALIBRATION UNIT(OPTION)
CN6
CALIB+24V
I/O
I/O A
CONTROL BOX
INTERFACE BOARD
See Page 2
J0886
J0885
NOZZLE9 /N0100950
NOZZLE10/N0100951
NOZZLE11/N0100952
NOZZLE12/N0100953
NOZZLE13/N0100954
NOZZLE14/N0100955
NOZZLE15/N0100956
NOZZLE16/N0100957
NOZZLE17/N0100960
NOZZLE18/N0100961
NOZZLE19/N0100962
NOZZLE20/N0100963
KM12/KM12A
A2
2/T1
4/T2
6/T3
22
A1
1/L1
3/L2
5/L3
21
33 34
41 42
+48V
GS31
POWER CIRCUIT
See Page 16
HEAD SERVO +48V
POWER CIRCUIT
See Page 16
+48A
CC.V6
3
I/O CONVEYOR -1-
YS88

Confidential & Proprietary
PAGE
FES24,32 FEEDER STRUCTURE
FES24,32 FEEDER STRUCTURE
See Page 11,12
See Page 11,12
FES24,32 FEEDER STRUCTURE(OPTION)
See Page 11,12
FES24,32 FEEDER STRUCTURE
FES24,32 FEEDER STRUCTURE
See Page 11,12
FES24,32 FEEDER STRUCTURE(OPTION)
R2 FEEDER STRUCTURE
FORWARD
N01008E3
SQ204
R1 FEEDER STRUCTURE
FORWARD
N01008E2
SQ203
FES DI R2J0763
FES DI R1J0762
FES24,32 FEEDER STRUCTURE(OPTION)
See Page 14
SQ046B
SQ046A
SQ046B
SQ046A
CN6
TCN6R
R.OPERATION PANEL
COMPONENT SUPPLY INDICATOR LAMP(OPTION)
COMPONENT SUPPLY INDICATOR LAMP(OPTION)
F.OPERATION PANEL
R.ERROR CLEAR(YELLOW/BLUE)
R.STOP(RED/WHITE)
F.ERROR CLEAR(YELLOW/BLUE)
F.STOP(RED/WHITE)
dYTF STATION LOWER 1,2
※use it with FIX FEEDER STRUCTURE specifications.
J0707※
J0706※
J0714※
J0713※
TCN9F
TCN26F
TCN30F
CN30
CN26
FES DI F1J0760
SQ202
SQ201
TCN13F
TCN25F
TCN29F
TCN27F
CN27
CN29
CN25
CN13
CN9
FES DI F2
SB21
F1 FDR SW
N0100903/T01000E1
N01008E7
FORWARD
F2 FEEDER STRUCTURE
F1 FEEDER STRUCTURE
FORWARD
N01008E6
F1 SW DI
F1 SW DO SW DO
SW DI J0777J0183
J0761
F1 FEEDER FLOAT(OPTION)
F2 FEEDER FLOAT
F1 FEEDER FLOAT
N01008C1
F FEEDER FLOAT UPPER
J0201(STANDARD SPEC.)
SQ042B
SQ042A
TCN14F
TCN4F
J0202(STANDARD SPEC.)
TCN5F
TCN18F
CN18
CN5
N01008C2
SQ043B
SQ043A
CN14
CN4
J0200(STANDARD SPEC.)
TCN3F
TCN10F
CN10
CN3
N01008C0
SQ041B
SQ041A
TAPE CUTTER(OPTION)
TCN17F
TCN21F
CN21
CN17
TAPE CUTTER F2 CLOSE
N01008E5
TAPE CUTTER F1 CLOSE
N01008E4
SQ206
SQ205
SP11
AIR PRESSURE
N0100902
AIR PRESS
P
TCN28F
CN28
J0194
CN2
CN22
CN6
W-PUSH UP(OPTION)
TCN23F
TCN16F
TCN15F
CN23
CN16
CN15
N01008F5
N01008F7
N01008F3
SQ036
SQ038
SQ034
WORK OUT2
STAGE-2 MAIN STOPPER
STAGE-2 PCB MOUNT POSITION
CN27
CN19
CN20
CN22
CN16
INTERCONNECTION DIAGRAM
See Page dYTF
dYTF(OPTION)
CN23
CN12
TCN23R
TCN12R
TCN28R
CN28
IONIZER ASSY(OPTION)
TCN24R J0871 ION I/F BOARD ASSY
CN24
BLOW STATION(OPTION)
TCN2R
TCN15R
CN2
CN15
T01000E2
SIDE BLOW
N0100907
BLOW STATION
SIDE BLOW
YV082
J0195
SQ083B
SQ083A
J0709※
TCN29R
CN29
J0708※
TCN25R
CN25
J0716※
TCN13R
TCN9R
CN13
CN9
J0715※
TCN30R
TCN26R
CN30
CN26
J0205CN18
CN5
R2 FEEDER FLOAT
J0205(STANDARD SPEC.)
TCN5R
TCN18R
CN18
CN5
N01008D2
SQ047B
SQ047A
N01008D1
R FEEDER FLOAT UPPER
CN14
TCN10R
TCN3R
CN4
N01008D1
R FEEDER FLOAT UPPER
J0203(STANDARD SPEC.)
CN14
TCN10R
TCN3R
CN4
W-PUSH UP(OPTION)
N0100905
PU-AXIS 2 ORIGIN
SQ003
TAPE CUTTER(OPTION)
TAPE CUTTER R2 CLOSE
N01008E1
N01008E0
TAPE CUTTER R1 CLOSE
SQ208
SQ207
N0100906
W1-AXIS ORIGIN
SQ004
N0100904
PU-AXIS 1 ORIGIN
SQ002
R1 FEEDER FLOAT
TCN10R
TCN3R
CN10
CN3
N01008D0
SQ045A
SQ045B
R1 FEEDER FLOAT
J0203(STANDARD SPEC.)
TCN10R
TCN3R
CN10
CN3
N01008D0
SQ045A
SQ045B
R FEEDER FLOAT(s-ATS spec.)R FEEDER FLOAT(OPTION)
TCN7R
CN7
TCN21R
TCN17R
TCN11R
CN21
CN17
CN11
TERMINAL BOARD ASSY P014
TCN8R
CN8
REAR(RIGHT)SIDE
TERMINAL BOARD ASSY P013
FRONT(LEFT)SIDE
TCN8F
TCN7F
TCN11F
TCN12F
TCN19F
TCN20F
TCN24F
CN24
CN20
CN19
CN12
CN11
CN7
CN8
N0100901
CONVEYOR EXIT
N0100900
SUB STOPPER HIGH END
N01008F4
WORK OUT1
STAGE-1 MAIN STOPPER
N01008F6
STAGE-1 PCB MOUNT POSITION
N01008F2
N01008F1
WAITING POSITION
N01008F0
CONVEYOR ENTRANCE
SQ040
SQ039
SQ035
SQ037
SQ033
SQ032
SQ031
I/O CONVEYOR BOARD ASSY P025
TCN1F
TCN1
TCN1R
TCN1
N0100895/T0100055
N0100894/T0100054
N0100893/T0100053
N0100892/T0100052
N0100891/T0100051
N0100890/T0100050
R.RESET(WHITE)
R.READY(WHITE)
R.START(GREEN)
R.ACTIVE(WHITE)
SB12
SB11
SB10
SB09
SB08
SB07
J0218
J0217
J0216
J0215
J0214
J0213
R.RESET
R.READY
R.ERR.CLR
R.STOP
R.START
R.ACTIVE
RESET
READY
ERR.CLR
STOP
START
ACTIVE
SB06
F.RESET(WHITE)
N0100885/T0100045
SB05
F.READY(WHITE)
N0100884/T0100044
SB04
N0100883/T0100043
SB03
N0100882/T0100042
SB02
F.START(GREEN)
N0100881/T0100041
SB01
F.ACTIVE(WHITE)
N0100880/T0100040
J0212
J0211
J0210
J0209
J0208
J0207
RESET
READY
ERR.CLR
STOP
START
ACTIVE
F.RESET
F.READY
F.ERR.CLR
F.STOP
F.START
F.ACTIVE
HL13
HL13
T0100057
REAR
ERROR LAMP(YELLOW/BLUE)
T0100047
ERROR LAMP(YELLOW/BLUE)
FRONT
SB22
F2 FDR SW
N0100886/T0100046
J0778
SW DO
SW DI
F2 SW DO
F2 SW DI
HL12
HL12
J0182
J0193
J0181
J0191CN17
CN19
CN19
CN20
OPE.PANEL R
R.TERMINAL BOARD
OPE.PANEL F
F.TERMINAL BOARD
CN20
CN19
CN18
CN17
CC.V6
4
I/O CONVEYOR -2-
YS88