FX-1R_保养调整说明书 - 第177页
保养调整说明书 13-5-4 磁性膜检测器(用于 FX-1,FX-1R 中未使用) 安装螺丝 4 处 TSC6185-01-1 120 85 连 接 器(阴) HOSIDEN 电 机株式会社制 造 4-M5 旋塞 (M4 螺栓安装孔) 各轴的分配如下: 贴装头 1:XL 轴、贴装头 2:XR 轴、贴装头 3:YBL 轴、贴装头 4:YBR 轴 发光二极管亮绿色时表示尺度输入正常,亮红色时表示尺度输入不正常。 13-24 Rev. 2.0…

保养调整说明书
13-5-2 XY 轴驱动器显示器表示
在 XY 轴驱动器的正面装有表示状态的显示器。
通常表示如下。
#
LED 表示
Ab C# D#
XL 轴 1
内容
初始化中
伺服
OFF
伺服
ON
XR 轴 2
YBL 轴 3
#中表示轴号(参照右表)
YBR 轴 4
YA 轴 1
→→
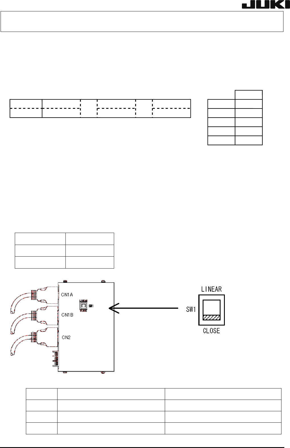
13-5-3 SCALE I/F 装置
XY 轴驱动器的右侧装有 4 台 SCALE I/F 装置。(FX-1R 是 5 台)
从装置正面看,从左向右依次是 YBL、YBR、XL、XR 轴。
FX-1R 是 YA、YBL、YBR、XL、XR 轴。
各分配轴的设定如下所示。
伺服放大器 SW1的设定
XL,XR LINEAR
YBL,YBR CLOSE ※YA只限FX-1R
FX-1 FX-1R
CN1A 与 SCALE—I/F 线路板连接 与比例尺板连接
CN1B 与电动机编码器连接(仅 YB 轴) 连接电动机编码器(X 轴未连接)
CN2 与伺服放大器连接 与伺服放大器连接
13-23
Rev. 2.00

保养调整说明书
13-5-4 磁性膜检测器(用于 FX-1,FX-1R 中未使用)
安装螺丝 4 处
TSC6185-01-1120 85 连
接
器(阴)
HOSIDEN 电
机株式会社制
造
4-M5 旋塞(M4 螺栓安装孔)
各轴的分配如下:
贴装头 1:XL 轴、贴装头 2:XR 轴、贴装头 3:YBL 轴、贴装头 4:YBR 轴
发光二极管亮绿色时表示尺度输入正常,亮红色时表示尺度输入不正常。
13-24
Rev. 2.00

保养调整说明书
13-6 Z/θ装置
Z/θ装置由驱动贴装头 Zθ轴的 AC 伺服驱动器构成。
13-6-1 Z/θ装置的构成
Zθ用的 AC 伺服驱动器能用一个驱动器驱动 4 根轴。
因此 FX-1 中使用 4 个驱动器。
各电动机与驱动器之间的关系如图 13-6-1-1 所示。
贴装头 L
贴装头 R
RZθ12
RZθ34
①
②
③
④
⑨
⑩
⑪
⑫
⑯
⑮
⑭
⑬
⑤
⑥
⑦
⑧
LZθ12
LZθ34
4
轴
一
体
型
放大器
(L901E521000)
① LZAA(LZ1) ② LZAB(Lq1) ③ LZAC(LZ2) ④ LZAD(Lq2)
⑤ LZBA(LZ3) ⑥ LZBB(Lq3) ⑦ LZBC(LZ4) ⑧ LZBD(Lq4)
⑨ RZAA(RZ1) ⑩ RZAB(Rq1) ⑪ RZAC(RZ2) ⑫ RZAD(Rq2)
⑬ RZBA(RZ3) ⑭ RZBB(Rq3) ⑮ RZBC(RZ4) ⑯ RZBD(Rq4)
图 13-6-1-1 Z/θ装置的构成图
4 轴一体型放大器的轴选择旋转开关如下表所示进行设定。
13-25
RZθ34
LZθ12
LZθ34
伺服放大器
3
轴选择开关的设定值
RZθ12 2
0
1
轴选择开关(CS1)
Rev. 2.00