FX-1R_保养调整说明书 - 第99页
保养调整说明书 8-7 供料器上升检测传感器的更换(选购品,一次更换台) 1) 关闭主机电源。 2) 卸下供料电缆线盖 B。 3) 拧松传感器紧固螺栓,卸下传感器并进行更换。 4) 安装请按照相反的顺序进行。 <调整> ① 打开主机电源。 ② 如下图(图 8-7-2)所示,使供料器支架和供料升降器之间的间隙为 28mm。 让供料器上升传感器从上往下移动至 LED 灯亮位置处,用紧固螺栓固定传感器。 供料电缆线盖 B L831…

保养调整说明书
8-6 供料器上升气缸的速度控制器调整(选购品,一次更换台)
1) 前项更换后,请调整气缸侧的速度控制器。
2) 在 2~3 秒时间内完成上升·下降后,固定速度控制器。(组装时)
UP: 通过上面的速度控制器调整
气缸上升过快时,按顺时针方向旋转速度控制器调整螺栓。
DOWN: 通过下面的速度控制器调整
气缸下降过慢时,按顺时针方向旋转速度控制器调整螺栓。
3) UP,DOWN 的速度在左右相等以后,用速度控制器的防松螺栓锁定调整螺栓。
4) 锁定后,再次确认 UP,DOWN 的速度。
DOWN 速度调整
UP 速度调整
变慢的情况
图 8-6-1
8-7
Rev. 2.00

保养调整说明书
8-7 供料器上升检测传感器的更换(选购品,一次更换台)
1) 关闭主机电源。
2) 卸下供料电缆线盖 B。
3) 拧松传感器紧固螺栓,卸下传感器并进行更换。
4) 安装请按照相反的顺序进行。
<调整>
① 打开主机电源。
② 如下图(图 8-7-2)所示,使供料器支架和供料升降器之间的间隙为 28mm。
让供料器上升传感器从上往下移动至 LED 灯亮位置处,用紧固螺栓固定传感器。
供料电缆线盖 B
L831E7210A0 供料器上升传感器(FR)ASM
L828E0210A0 供料器上升传感器(FL)ASM
L831E9210A0 供料器上升传感器(RR)ASM
L828E2210A0 供料器上升传感器(RL)ASM
图 8-7-1
供料器上升传感器
LED
气缸
传感器紧固螺栓
供料升降器
供料器支架
图 8-7-2 图8-7-3
8-8
Rev. 2.00

保养调整说明书
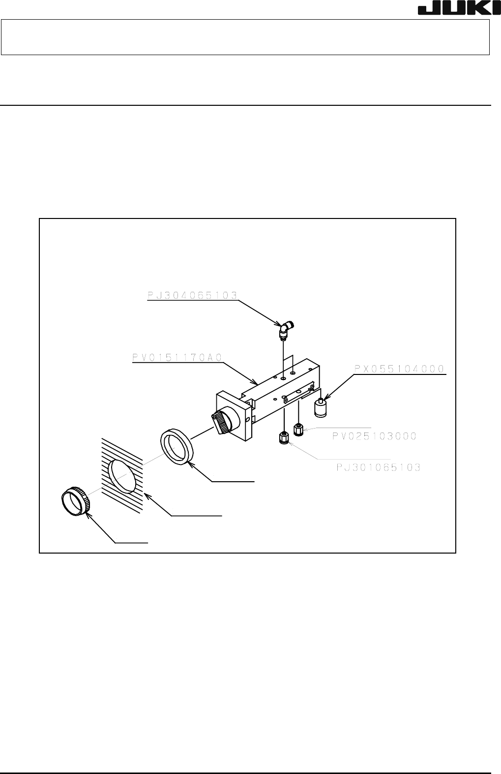
8-8 选择器的更换(选购品,一次更换台)
1) 关闭主机的空气压。(手动阀)
2) 往左旋转选择器的固定圈,把选择器从保护罩上卸下。
3) 半连接头,消音器换上新的选择器,用固定圈把选择器固定在保护罩上。
4) 接通主机的空气压。
半连接头
检测阀
消音器
固定圈
带孔挡板
橡胶垫圈 3 个
选择器
自在弯头×2 个
图 8-8-1
8-9
Rev. 2.00