JUKI_FX-3R_MAINTE_CH - 第90页
维修调整要领书 8- 10 8-2 -2 . 驱动汽缸的更换 1 ) 关闭主体电源后进行操作。 2 ) 切断主体的总压缩空气(手阀)。使用选购品的 送料器台时,请拆下空气软管后再把送料器台从 主体中拿到外面来。 3 ) 请拆下左右的空气软管和插头。 4 ) 请拆下驱动器支架的安装螺钉。 图 8 -2- 2- 1 各部分的名称(从斜下方观察) 5 ) 更换新的驱动汽缸,安装驱动器支架( 30 )、驱动器支架。 组装调整请参照右图。 6 )…

维修调整要领书
8-9
8-2.
机械式送料器用台架・送料器台车
8-2-1.
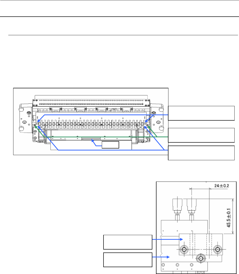
整体图
图 8-2-1-1 整体图
40063859
驱动器气缸
40047264
台架提升器RS
40091383
驱动器支架
E2708729000
驱动器支架(30)
40047265
台架提升器LS

维修调整要领书
8-10
8-2-2.
驱动汽缸的更换
1) 关闭主体电源后进行操作。
2) 切断主体的总压缩空气(手阀)。使用选购品的送料器台时,请拆下空气软管后再把送料器台从
主体中拿到外面来。
3) 请拆下左右的空气软管和插头。
4) 请拆下驱动器支架的安装螺钉。
图 8-2-2-1 各部分的名称(从斜下方观察)
5) 更换新的驱动汽缸,安装驱动器支架(30)、驱动器支架。
组装调整请参照右图。
6) 按照与拆卸相反的顺序进行安装。
图 8-2-2-2 驱动器支架的安装位置
BT0600400EC
空气软管φ6
40091383
驱动器支架
SL6053092TN
带垫片内六角螺栓 M5×30
插头
40091383
驱动器支架
E2708729000
驱动器支架 (30)

维修调整要领书
8-11
8-2-3.
驱动气缸的速度控制调整
驱动汽缸的上升速度的调整方法。
1) 从驱动器支架卸下需要调整的驱动气缸。
2) 连接空气软管和插头。
3) 打开主体总压缩空气和电源。
4) 用手动控制,连续驱动应调整的速度控制驱动器气缸。
5) 调整应调整的气缸的速度控制,目视检查其它气缸的
动作。
6) 拧仅速度控制螺母,固定后再次确认。
7) 安装时,请按照相反的程序操作。
图 8-2-3-1 驱动气缸的速度控制器
8-2-4.
送料器台架基板的更换(选购品)
1) 请拆下插头支架 IF 电缆和插头支架 PWR 电缆。
2) 卸下安装螺丝,从主体下下插头架。
3) 卸下送料器台架基板连接的插头(线束)。
4) 卸下送料器基板的圆头小螺丝 8 个,更换成新的。
5) 安装时,请按照相反的程序操作。
图 8-2-4-1 与送料器台架基板相关联的各部分的名称
速度控制器
插头支架
E86157150A0
送料器台架基板组件
SM4860601SC
圆头小螺丝 M2.6×6