JUKI_FX-3R_MAINTE_CH - 第13页
维修调整要领书 1-3 1-1 -2 . Y 轴电磁标尺粘贴位置 1 ) 贴装磁尺时,中心侧沿 Y 框架 C 的上面对齐,旁侧沿 Y 框架 S 的轨道侧面对齐。 规格值:电磁标尺的贴装位置(在贴装头移动方向的平行方向距离偏差) ±0.1mm 图 1-1-2- 1 Y 轴电磁标尺粘贴位置(上图左: Y 框架 C ;上图右: Y 框架 S ) Y 框架 C Y 框架 S 对齐表面 对齐表面 72±1mm 图 1 -1- 2-2 Y 框架 C…

维修调整要领书
1-2
1-1-1.
X
轴电磁标尺粘贴位置
1) 用 X_MSC 安装夹具一边指导,一边粘贴电磁标尺。
开始装贴的位置以划线标示,LF·RF 从前面看在左侧有条划线,LR·RR 从后面看在左侧有条划线。
请将电磁标尺一侧的 Z 相记号位置与划线位置对准进行装贴。
规格值:电磁标尺的贴装位置(在贴装头移动方向的平行方向距离偏差)±0.1mm
图
1-1-1-1 X_MSC
安装治具的装配示例
40069368
X_MSC安装夹具
电磁标尺

维修调整要领书
1-3
1-1-2.
Y
轴电磁标尺粘贴位置
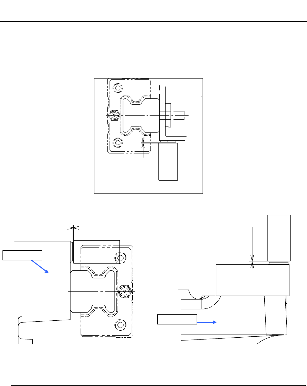
1) 贴装磁尺时,中心侧沿 Y 框架 C 的上面对齐,旁侧沿 Y 框架 S 的轨道侧面对齐。
规格值:电磁标尺的贴装位置(在贴装头移动方向的平行方向距离偏差)±0.1mm
图
1-1-2-1 Y
轴电磁标尺粘贴位置(上图左:
Y
框架
C
;上图右:
Y
框架
S
)
Y 框架 C
Y 框架 S
对齐表面
对齐表面
72±1mm
图 1-1-2-2 Y 框架 C 粘贴位置
图 1-1-2-3 Y 框架 S 粘贴位置
标签面
标签面
115±1mm

维修调整要领书
1-4
1-1-3.
电磁标尺的间隙
1) 拧松固定传感器的螺钉,在电磁标尺和传感器贴装头的间隙里插入 t0.25 的间隙规。
2) 拧紧传感器感应头部的止动螺钉,拔出 t0.25±0.1mm 的间隙规。
图
1-1-3-1 X
轴侧
图
1-1-3-2 Y
轴侧
1-1-4.
更换电磁标尺后从新取得参数
按照“MS 参数 2.3 章 设置 Y”的操作,取得右侧原点位置相对于左侧原点位置的偏移量。
进行补正,使达到与出厂时的状态相同。
※ 要进行“设置 Y”动作,其前提是机械的垂直已校准。
当机械的垂直有偏差时,须要从机械的垂直找正开始进行。(参照“QA 表 XY 装置”)
0.25±0.1mm
0.25±0.1mm
0.25±0.1mm
Y 框架 C
Y 框架 S