JUKI_FX-3R_MAINTE_CH - 第192页
维修调整要领书 13 -7 13 -3- 1- 3. 电源装置连接图 图 1 3-3 -1- 3- 1 电源装置的连接图( 1/ 3 )

维修调整要领书
13-6
表
13-3-1-2-1
电源装置(零件清单)
【更换零件一览表】
No.
货号
品名
数量
备考
1 HA00524000E
电路保护器(12A)
1 CP7
2 HA00524000F
电路保护器(4A)
1
CP8(仅 EN 规格)
3 HA00524000G
电路保护器(20A)
1 CP6
4 HA00527000A
电路保护器(40A)
1 CP4
5 HA00527000C
电路保护器(25A)
1 CP12
6 HA00542000C
电路保护器(10A)
2 CP2, CP11
7 HA00542000D
电路保护器(15A)
1 CP3
8 HA005570000
电路保护器(10A)
1 CP5
9 HA005600000
电路保护器(40A)
1 CP1
10 HB001100000
继电器
1 RL4
11 HB00128000C
继电器
5
RL1(仅 ST 规格)
RL5~8
12 HB001740000
继电器
1
RL1(仅 EN 规格)
13 HB001540000
继电器
2 RL2, 3
14 HB001540010
继电器插座
2
RL2, 3 用
15 HM00033000A AC FAN 1
16 HX006750000
电源 +24V/500W
2 PS2, PS5
17 HX00542000B
电源 +24V/100W
1
PS4(仅 EN 规格)
18 HX00543000A
电源 +24V/300W
1 PS3
19 KX000000150
电源 +6V/75W
1 PS1
20 40047522 POWER PCB ASM 1
21 40047524 Zθ POWER PCB ASM 1
22 HA005300000
接触器
2
K1, 2(仅 EN 规格)
23 HA005300020
端子保护罩
2
K1, 2 用(仅 EN
规格)

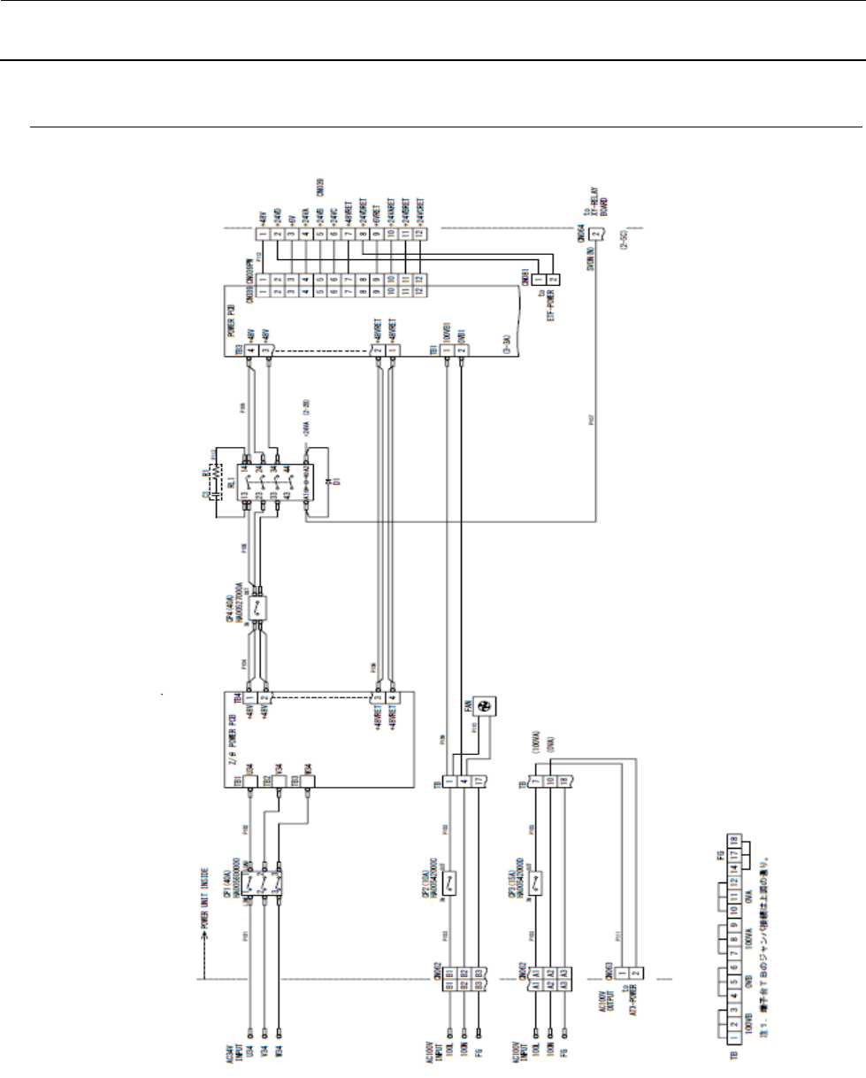
维修调整要领书
13-7
13-3-1-3.
电源装置连接图
图 13-3-1-3-1 电源装置的连接图(1/3)

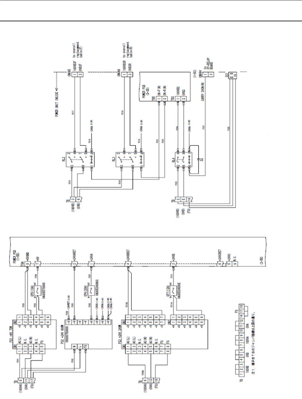
维修调整要领书
13-8
图 13-3-1-3-2 电源装置的连接图(2/3)