JUKI_FX-3R_MAINTE_CH - 第193页
维修调整要领书 13 -8 图 1 3-3 -1- 3- 2 电源装置的连接图( 2 /3 )

维修调整要领书
13-7
13-3-1-3.
电源装置连接图
图 13-3-1-3-1 电源装置的连接图(1/3)

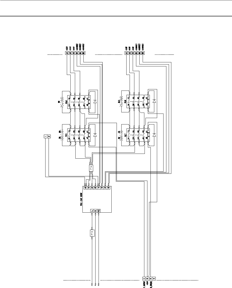
维修调整要领书
13-8
图 13-3-1-3-2 电源装置的连接图(2/3)

维修调整要领书
13-9
(1-5B)
CN081
CP11(10A)
HA00542000C
O UT
IN
to
ELEC BANK I/F
FRONT
CN069
CN070
CP12(25A)
HA00527000C
IN
O UT
P401
P402
to
POWER
MONITOR
CN067
P407
HX006750000
to
ELEC BANK I/F
REAR
to
FEEDER
PCB
P409
AC100V
INPUT
TF-100L
TF-100N
FG
P403
P405
图 13-3-1-3-3 电源装置的连接图(3/3)