JUKI_FX-3R_MAINTE_CH - 第196页
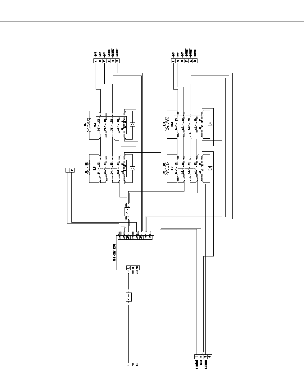
维修调整要领书 13 - 11 图 13 - 3-1 -3- 5 电源装置( EN )的连接图( 2/3 )

维修调整要领书
13-10
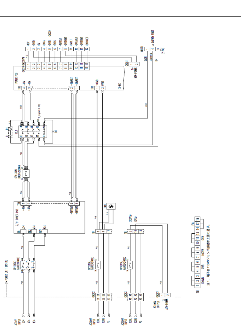
图 13-3-1-3-4 电源装置(EN)的连接图(1/3)

维修调整要领书
13-11
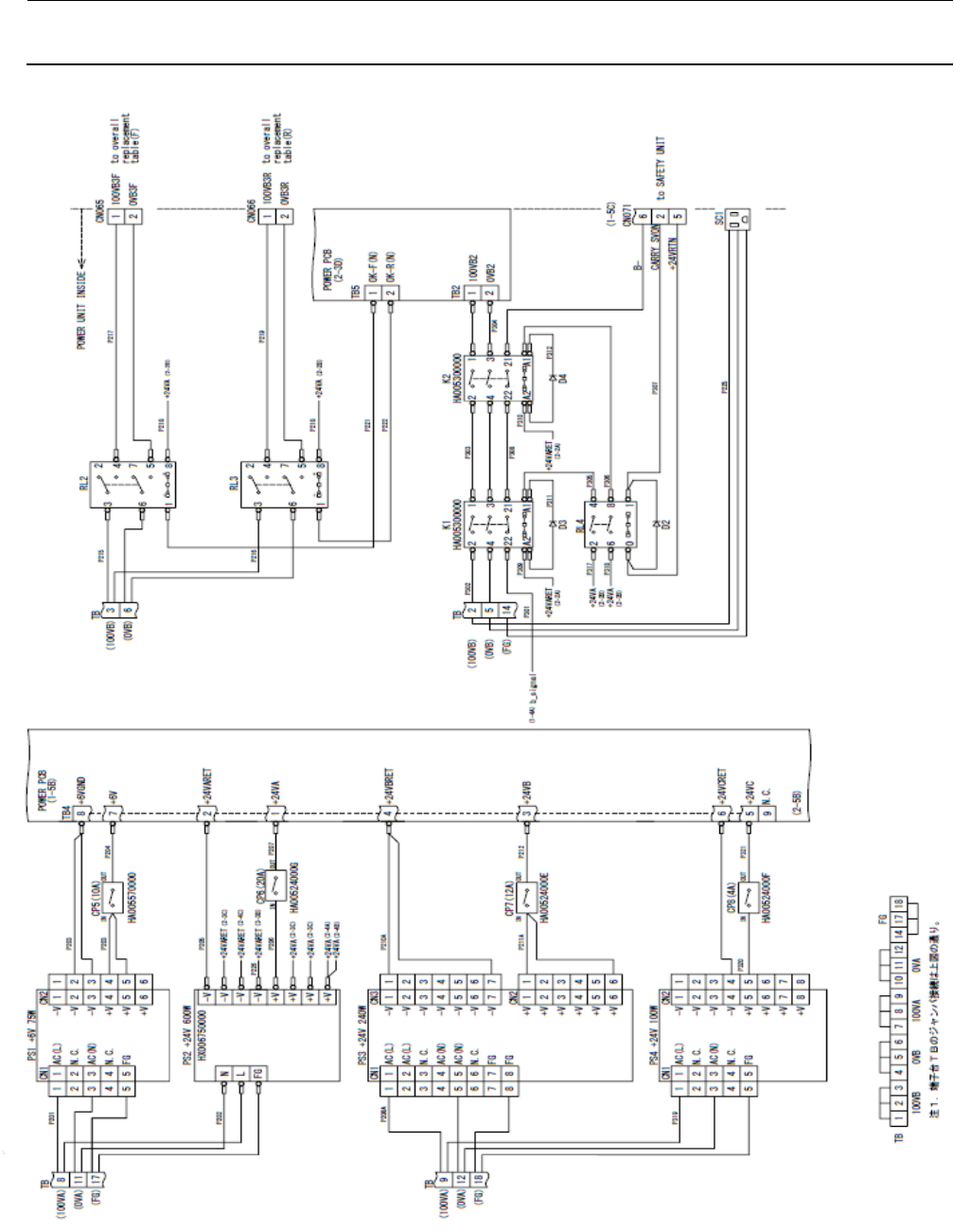
图 13-3-1-3-5 电源装置(EN)的连接图(2/3)

维修调整要领书
13-12
(1-5B)
CN081
CP11(10A)
HA00542000C
O UT
IN
to
ELEC BANK I/F
FRONT
CN069
CN070
CP12(25A)
HA00527000C
IN
O UT
P401
P402
to
POWER
MONITOR
CN067
P407
HX006750000
to
ELEC BANK I/F
REAR
to
FEEDER
PCB
P409
AC100V
INPUT
TF-100L
TF-100N
FG
P403
P405
图 13-3-1-3-6 电源装置(EN)的连接图(3/3)