JUKI_FX-3R_MAINTE_CH - 第261页
维修调整要领书 15 -5 图 15 - 2- 2 上部排出导板的拆卸 图 15 - 2- 3 切带机基座底面 SM3030552TN 圆头螺丝 M3 L=5 SL6061292TN 带垫片的内六角螺栓 M6 L=12 上部排出导板 切带机机身 SM3040652TN 圆头螺丝 M4 L=6 下部排出导板 40084702 联结角铁 B 切带机基座底面部

维修调整要领书
15-4
图 15-2-1 空气管子、电磁阀连接器的拆卸
机械操纵阀
电磁阀
手动开关
连接电磁阀连接器
连接空气管子

维修调整要领书
15-5
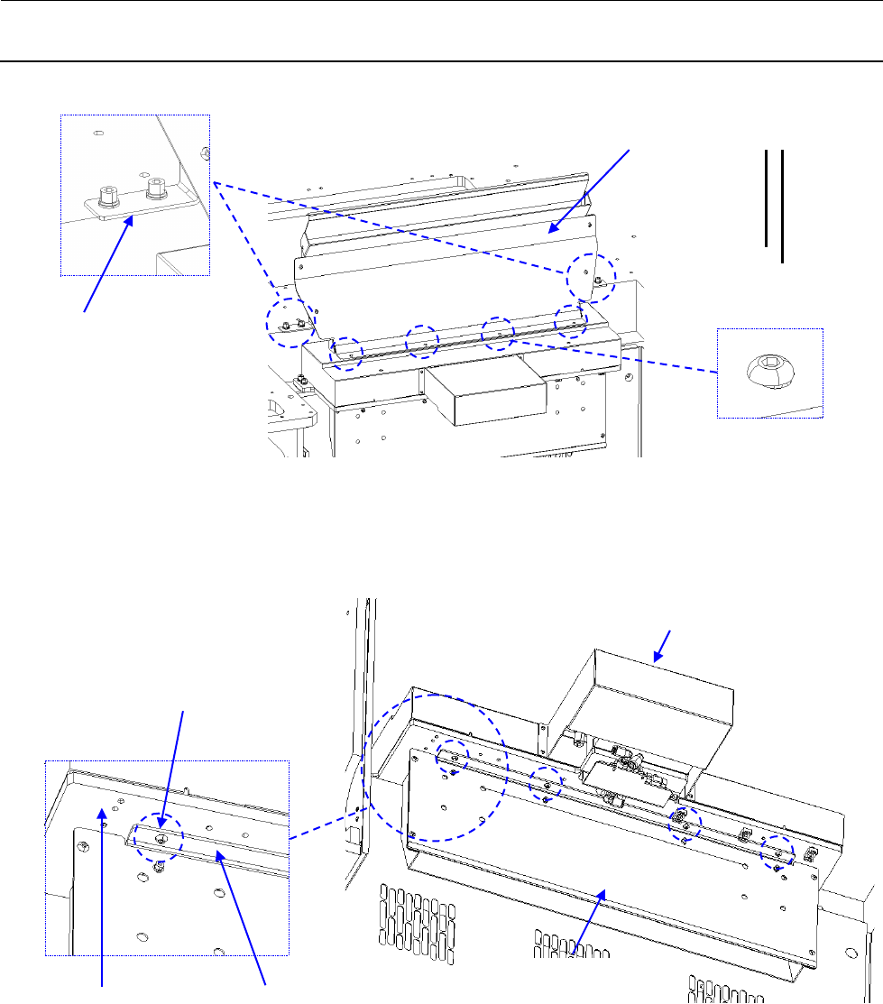
图 15-2-2 上部排出导板的拆卸
图 15-2-3 切带机基座底面
SM3030552TN
圆头螺丝 M3 L=5
SL6061292TN
带垫片的内六角螺栓
M6 L=12
上部排出导板
切带机机身
SM3040652TN
圆头螺丝 M4 L=6
下部排出导板
40084702
联结角铁B
切带机基座底面部

维修调整要领书
15-6
图 15-2-4 切带机机身的拆卸
切带机机身
SL6062092TN
带垫片的内六角螺栓
M6 L=20
40084697
垫铁A
40084698
垫铁B