JUKI_FX-3R_MAINTE_CH - 第271页
维修调整要领书 16 -2 16 -2 . EPV63 的更 换 EPV63 在安装有 FX -3R 的吸取 / 贴片监视器(选购品)时使用。 <操作顺序> 1 ) 按照 16-1 章的操作顺序卸下 LNC61 后,请拆下 EPV63 之正面的连接器(编码器、 IEEE 1394 ), 取下安装螺丝①( 2 个)后卸下固定的托架 。 2 ) 请拆下用来固定 E PV63 的安装螺丝②( 4 个),卸下 EPV63 。 3 ) 请取下安装…

维修调整要领书
16-1
为了防止突然的起动造成事故,请关掉电源之后再进行操作。
16
Placement Monitor(选购品)
16-1.
LNC61 的更换
LNC61 在安装有 KE-2070、FX-3R 的吸取/贴片监视器(选购品)时使用。
更换 LNC61 后,须要从新输入与激光有关的 MS 参数。(请参照 2-7 章。)
<操作顺序>
1) 请拆下连接器(编码器、IEEE1394),取下安装螺丝①②(3 个)后卸下。
2) 安装时请按相反的操作顺序进行。
※安装前,请尽可能除去粘结在传感器托架上的 LOCTITE 粘结剂。
※在安装传感器时,请把传感器的销子插入托架的定位孔,定位后固定。
※请给传感器安装螺丝①②涂敷 LOCTITE 粘结剂 242 后,以安装扭矩 2.6Nm 固定。
※更换后,请用清洁的回丝等擦清 LNC61 的激光窗。
连接器类
①
②(2本)
LNC61
图 16-1-1
EPV63
SL6041492TN
SL6041402TN
危险

维修调整要领书
16-2
16-2.
EPV63 的更换
EPV63 在安装有 FX-3R 的吸取/贴片监视器(选购品)时使用。
<操作顺序>
1) 按照 16-1 章的操作顺序卸下 LNC61 后,请拆下 EPV63 之正面的连接器(编码器、IEEE1394),
取下安装螺丝①(2
个)后卸下固定的托架
。
2) 请拆下用来固定 EPV63 的安装螺丝②(4 个),卸下 EPV63。
3) 请取下安装在 EPV63 上的轴③的 E 环将轴拔出。
4) 安装时请按相反的操作顺序进行。再有,装配轴③时请使用新的 E 环。
5) 然后请按照 16-1 章的操作顺序安装 LNC61。
※安装前,请尽可能除去粘结在传感器托架上的 LOCTITE 粘结剂。
※在安装传感器时,请把传感器的销子插入托架的定位孔,定位后固定。
※请给传感器安装螺丝①②涂敷 LOCTITE 粘结剂 242 后,以安装扭矩 2.6Nm 固定。
※更换后,请用清洁的回丝等擦清 EPV 传感器的摄像机镜头及照明部分。
②(4个)
图 16-2-1
EPV63
①(2个)SL6040892TN
③轴
E环
SM6041002TN
RE0300000K0

维修调整要领书
16-3
图 16-3-1
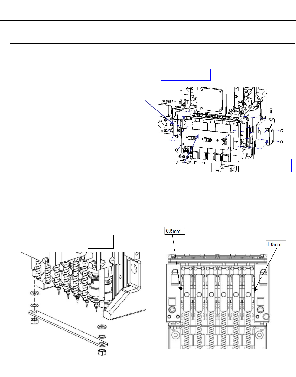
Z电缆托架
Z传感器支具L
Z传感器托架
Z传感器支具R
16-3.
Head 提升气缸的更换
1) 关掉机器气源。
2) 拆下 L-OCC 的摄像机托架、ZM 电缆托架,拆下 Z 传感器支具 L、R。
3) 将 Z 传感器托架拉出到左侧,把空气管子
从气缸拆下。
4) 取下气缸前端的螺母拆下释放闩。
(注意不要丢失波形垫片)
5) 松开自动开关的止动螺丝。
6) 拆下用来固定气缸的 M4×40cap,卸下气缸。
7) 安装气缸时,要装得与气缸架平行,使气缸与
L1 轴的空隙为 0.5mm,气缸与 L6 轴的空隙为
1mm。
8) 安装自 动 开关。安装位置为距气缸下端
20mm。
9) 将释放闩插入气缸的活塞杆,夹入波形垫片转动气缸螺母到停止为止。
用 Z 传感器支具 L、R 固定 Z 传感器托架,安装 ZM 电缆托架,绕布电缆类。
图 16-3-2
气缸
释放闩
图 16-3-3