JUKI_FX-3R_MAINTE_CH - 第324页
FX -3RA 维修调整要领书 13 -5 13 -3- 1- 3. 电源装置连接图 图 1 3-3 -1- 3- 1 电源装置的连接图( 1/ 3 )

FX-3RA
维修调整要领书
13-4
表 13-3-1-2-1 电源装置(零件清单)
【更换零件一览表】
No.
货号
品名
数量
备考
1 HA00524000E 电路保护器(12A) 1 CP7
2 HA00524000F 电路保护器(4A) 1 CP8(仅 EN 规格)
3 HA00524000G 电路保护器(20A) 1 CP6
4 HA00527000A 电路保护器(40A) 1 CP4
5 HA00527000C 电路保护器(25A) 1 CP12
6 HA00542000C 电路保护器(10A) 2 CP2, CP11
7 HA00542000D 电路保护器(15A) 1 CP3
8 HA005570000 电路保护器(10A) 1 CP5
9 HA005600000 电路保护器(40A) 1 CP1
10 HB001100000 继电器 1 RL4
11 HB00128000C 继电器 5
RL1(仅 ST 规格)
RL5~8
12 HB001740000 继电器 1 RL1(仅 EN 规格)
13 HB001540000 继电器 2 RL2, 3
14 HB001540010 继电器插座 2 RL2, 3 用
15 HM00033000A AC FAN 1
16 HX006750000 电源 +24V/600W 2 PS2, PS5
17 HX006900000 电源 +24V/100W 1 PS4(仅 EN 规格)
18 HX006910000 电源 +24V/240W 1 PS3
19 KX000000370 电源 +6V/75W 1 PS1
20 40047522 POWER PCB ASM 1
21 40047524 Zθ POWER PCB ASM 1
22 HA005300000 接触器 2 K1, 2(仅 EN 规格)
23 HA005300020 端子保护罩 2 K1, 2 用(仅 EN 规格)

FX-3RA
维修调整要领书
13-5
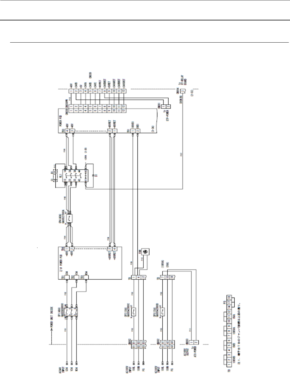
13-3-1-3.
电源装置连接图
图 13-3-1-3-1 电源装置的连接图(1/3)

FX-3RA
维修调整要领书
13-6
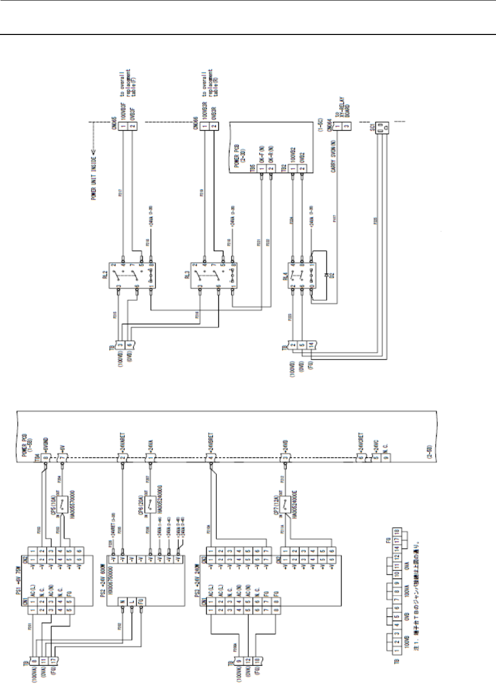
图 13-3-1-3-2 电源装置的连接图(2/3)