JUKI_FX-3R_MAINTE_CH - 第326页
FX -3RA 维修调整要领书 13 -7 图 1 3-3 -1- 3- 3 电源装置的连接图( 3 /3 ) (1 -5B) C N0 81 C P1 1( 10 A) H A0 05 42 00 0C O UT IN to E LE C BA NK I /F F RO NT C N0 69 C N0 70 C P1 2( 25 A) H A0 05 27 00 0C IN O UT P4 01 P4 02 to P OW ER M …

FX-3RA
维修调整要领书
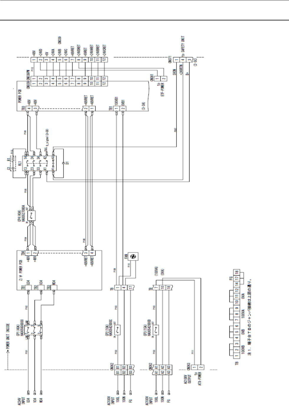
13-6
图 13-3-1-3-2 电源装置的连接图(2/3)

FX-3RA
维修调整要领书
13-7
图 13-3-1-3-3 电源装置的连接图(3/3)
(1-5B)
CN081
CP11(10A)
HA00542000C
O UT
IN
to
ELEC BANK I/F
FRONT
CN069
CN070
CP12(25A)
HA00527000C
IN
O UT
P401
P402
to
POWER
MONITOR
CN067
P407
HX006750000
to
ELEC BANK I/F
REAR
to
FEEDER
PCB
P409
AC100V
INPUT
TF-100L
TF-100N
FG
P403
P405
+24VR ET
(2-2A)
P226

FX-3RA
维修调整要领书
13-8
图 13-3-1-3-4 电源装置(EN)的连接图(1/3)