JUKI_FX-3R_MAINTE_CH - 第329页
FX -3RA 维修调整要领书 13 - 10 图 13 - 3-1 -3- 6 电源装置( EN )的连接图( 3/3 ) (1 -5B) C N0 81 C P1 1( 10 A) H A0 05 42 00 0C O UT IN to E LE C BA NK I /F F RO NT C N0 69 C N0 70 C P1 2( 25 A) H A0 05 27 00 0C IN O UT P4 01 P4 02 to P O…

FX-3RA
维修调整要领书
13-9
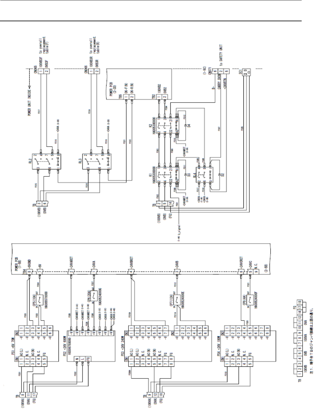
图 13-3-1-3-5 电源装置(EN)的连接图(2/3)

FX-3RA
维修调整要领书
13-10
图 13-3-1-3-6 电源装置(EN)的连接图(3/3)
(1-5B)
CN081
CP11(10A)
HA00542000C
O UT
IN
to
ELEC BANK I/F
FRONT
CN069
CN070
CP12(25A)
HA00527000C
IN
O UT
P401
P402
to
POWER
MONITOR
CN067
P407
HX006750000
to
ELEC BANK I/F
REAR
to
FEEDER
PCB
P409
AC100V
INPUT
TF-100L
TF-100N
FG
P403
P405
+24VARET
(2-2A)
P226

FX-3RA
维修调整要领书
13-11
图 13-3-1-3-7 Z/θ电源基板的连接图
(C1、C4、C7、C8 未安装)