JUKI_FX-3R_MAINTE_CH - 第330页
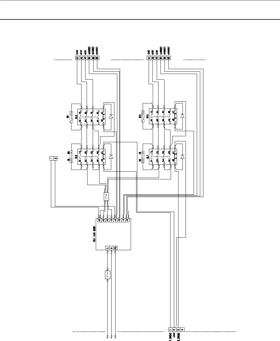
FX -3RA 维修调整要领书 13 - 11 图 13 - 3-1 -3- 7 Z/ θ电源基板的连接图 (C1 、 C4 、 C7 、 C8 未安装 )

FX-3RA
维修调整要领书
13-10
图 13-3-1-3-6 电源装置(EN)的连接图(3/3)
(1-5B)
CN081
CP11(10A)
HA00542000C
O UT
IN
to
ELEC BANK I/F
FRONT
CN069
CN070
CP12(25A)
HA00527000C
IN
O UT
P401
P402
to
POWER
MONITOR
CN067
P407
HX006750000
to
ELEC BANK I/F
REAR
to
FEEDER
PCB
P409
AC100V
INPUT
TF-100L
TF-100N
FG
P403
P405
+24VARET
(2-2A)
P226

FX-3RA
维修调整要领书
13-11
图 13-3-1-3-7 Z/θ电源基板的连接图
(C1、C4、C7、C8 未安装)

FX-3RA
维修调整要领书
13-12
图 13-3-1-3-8 电源基板的连接图
※注1:用丝屏罩印刷把图中[]内表记显示
※注2:用丝屏罩印刷把CN039的信号名显示(但是N.C.除外)
※注3:CN024、025的OK信号夹在+24VARET图案里进行配线